login
登入
關鍵字
搜尋
電話
搜尋
進階
搜尋
產品
搜尋
地址
搜尋
search
關鍵字
/
place
地區
全區
宜蘭
基隆
新北
台北
桃園
新竹
苗栗
台中
彰化
南投
雲林
嘉義
台南
高雄
屏東
花蓮
台東
澎湖
連江
金門
search
關於我們
產品介紹
更多資訊
FELO扭力扳手型錄
T&A型錄
防銹鍍層精密拉頭型錄
防銹鍍層ER筒夾型錄
SGER精密型強力刀桿型錄
EZ Shrink燒結刀桿型錄
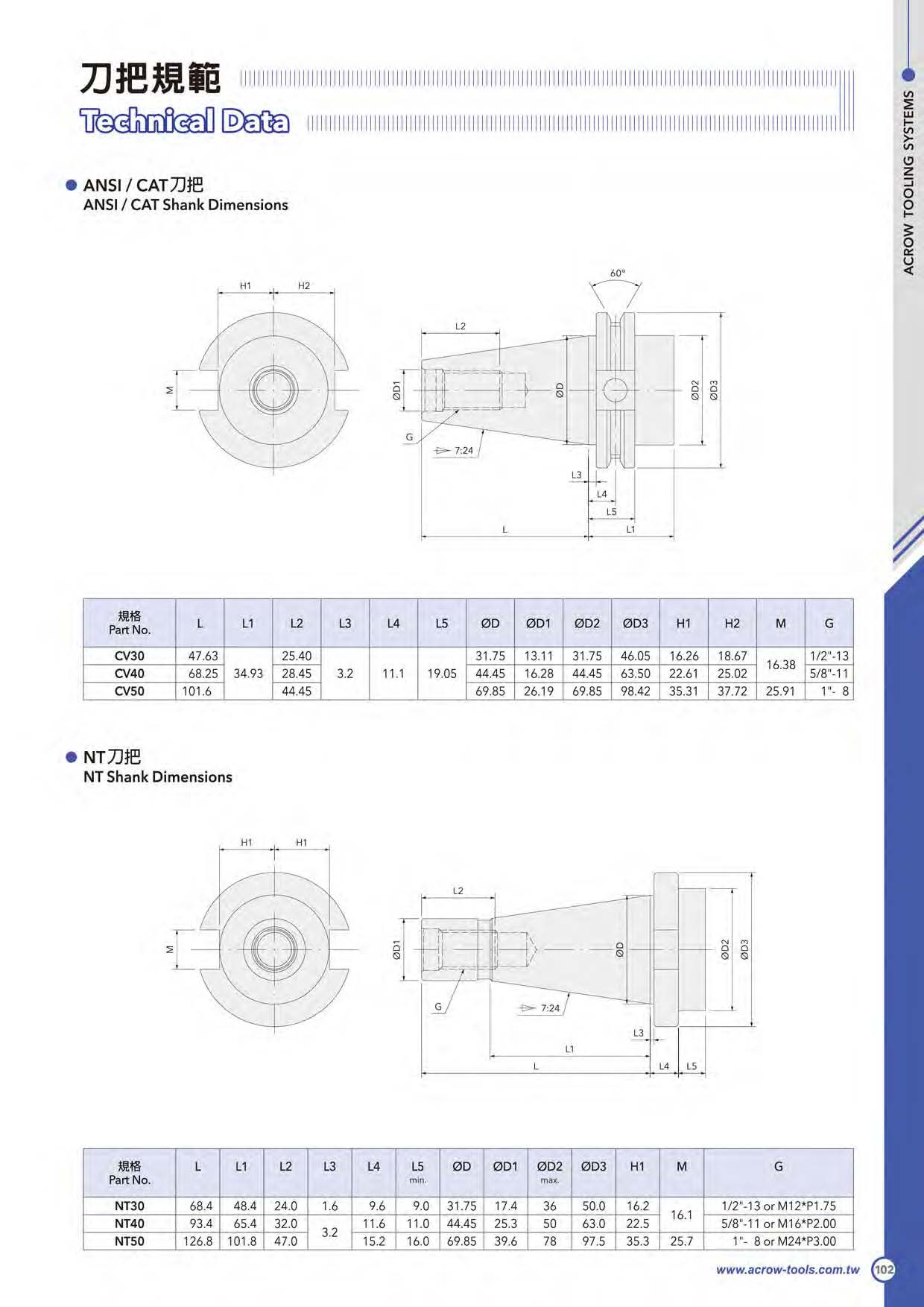
刀把規範
刀把規範
刀把規範
刀把規範
MC空壓式精密虎鉗
MC雙倍力增壓 / 角固式精密虎鉗
鑽頭研磨機
主軸拉刀夾爪
DV刀把
SCAK鎢鋼直刀柄
TQW扭矩扳手 / 配件
拉力計 / 小徑車刀套筒式刀把
扳手
螺帽 / 止動螺絲
上一頁
1
2
3
4
5
下一頁