中華黃頁網路電話簿
規格說明

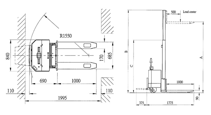
   規格說明 Specifications 型式 Model LPF-12CW LPF-15CW      負載能力  Loading capacity kg. 1200 1500      動力源  Power source   DC-24V DC-24V      行走馬達  Driving motor kw. 1.3 1.6      升降馬達  Lifting motor kw. 3.0 3.0      空載行走速度  Empty driving speed km/h 6.0 6.0      負載行走速度  Loaded driving speed km/h 5.5 5.5      空載行走能力  Empty gradient % 8 8      負載行走能力  Loaded gradient % 6 6      操作方式  Operating type   立乘式 Stand ride      機台全長  Overall length mm. 2670 2830  A 揚升高度  Lifting height mm. 2750 2750  B 全升機高  Extended height mm. 3250 3250  C 全降機高  Lowered height mm. 1925 1925      貨叉傾斜角度  Fork tilting angle degree 前傾 Forward 3° /後仰 Backward 5°      回轉半徑  Turning radius mm. 1370 1570      煞車器  Brake   電磁式 Electric      行走控制器  Driving controller mm. 微電腦無段式 Transistor      驅動輪  Driving wheels mm. 270/90 270/90      負載輪  Loading wheels mm. 230/70 230/70      輔助輪  Loading wheels mm. 150/50 150/50      電瓶  Battery Ah/5hr. 180 180      電瓶重量  Battery weight kg. 215 215      機台重量  Weight with battery kg. 1700 1950      充電機  Power charger   DC-24V/40A DC-24V/40A 雙節式桅桿行程尺寸表 Duplex mast 參節式桅桿行程尺寸表 Triplex mast A 揚升高度 B 全升機高 C 全降機高 A 揚升高度 B 全升機高 C 全降機高 2750 st. 3250 mm. 1925 mm. 4000 st 4500 mm. 1925 mm. 3000 st. 3500 mm. 2050 mm. 4500 st 5000 mm. 2080 mm. 3250 st. 3750 mm. 2175 mm. 5000 st 5500 mm. 2250 mm. 3500 st. 4000 mm. 2300 mm. 5500 st 6000 mm. 2410 mm.  

油壓堆高機

[ 領先的專業技術 ]  ● 獨特的油路及結構設計,使油壓更強勁及耐用,搬運效率大幅提升  ● 採用高張力、彈性高、耐磨性佳之高材質PU輪,使車身啟動阻力少,行走時輕快且無聲,不傷害地板  ● 靈巧的車體結構設計,迴轉半徑小,適合狹小空間下使用,同時使用上也更加輕巧省力  ● 全機身採用粉體塗裝,車體不易生鏽  ● 開放式的設計,維修保養成本低  ● 機型採用零件安裝,外銷容易  ● 使用上安全且無汙染 ● 載重能力可依需求訂製:1000 ~ 1500 (kgs),另提供【手動式堆高機】及其他規格 ● 提供客製化訂製