中華黃頁網路電話簿
C4-69.交叉元件

C4.德規標準-鍛造鉤頭和吊重配件                                                                     下載down load     1.鍛造鉤頭和吊重配件 Forged Hooks & Lifting Components    2.吊重鉤頭目錄 Lifting Hooks Contents    3.吊鉤力學特性 Mechanical Properties of Lifting Hooks    4.總結 Concluded    5.吊升荷重表 Table of Lifting Capacity    6.鍛造鉤頭上的應力 Stresses in Forged Hooks    7.垂直斷面上的拉力 Tensile Stress at Vertical Cross Section    8.準則和其他文件參考 Standards and Other Documents Referred to    9.舊版與修訂 Previous Edition & Amendments    10.鍛造鉤頭技術性提交狀況 Technical Delivery Condition for Forged Hook    11.測試 Testing    12.準則和其他文件參考 Standards and Other Documents Referred to    13.吊鉤 Lifting Hook    14.測試與證書 Testing & Certificates    15.檢驗證書 Inspection Certificate    16.準則和其他文件參考 Standards and Other Documents Referred to    17.單鉤雙鉤圖 The Diagram of Single and Ramshorn Hook    18.鉤頭規格尺寸圖 Hook Dimension Chart    19.單鉤非加工部分 Single Hook Unmachined Parts    20.RSN型尺寸,設計 Dimensions & Designation of Type RSN    21.RSN型單鉤可容許的誤差值 Permissible Deviations for Type RSN Single Hooks    22.RF與RFN型單鉤可容許的誤差值       Permissible Deviations for Type RF & Type RFN Single Hooks    23.單鉤-拋光部分附螺紋桿 Single Hook-Finished Parts with Threaded Shank    24. 尺寸,表示方法 Dimensions & Designation    25.單鉤尺寸規格 Dimensions for Single Hook    26.單鉤附螺紋柄與螺帽 Single Hook with Threaded Shank and Nut    27.材料 Material    28.單鉤尺寸規格 Single Hook Dimension    29.單鉤尺寸圖 Single Hook Dimension Diagram    30.單鉤尺寸圖 Single Hook Dimension Diagram    31.眼型吊鉤 Eye Hook    32.眼型吊鉤與卸克結合 Single Eye Hooks for coupling of Shackles    33.250噸3眼特殊吊鉤3 Eyes Special Hook for 250 Ton    34.特殊吊鉤Special Hook    35.特殊吊鉤Special Hook    36.單鉤尺寸規格 Single Hook Dimension    37.50噸吊鉤 Hook for 50 Ton    38.層鉤與元件 Laminated Hooks and Components    39.單鉤尺寸規格 Single Hook Dimension    40.單鉤尺寸規格 Single Hook Dimension    41.單鉤尺寸規格 Single Hook Dimension    42.單鉤尺寸規格 Single Hook Dimension    43.單鉤尺寸規格 Single Hook Dimension    44.單鉤尺寸規格 Single Hook Dimension    45.雙鉤-非機械加工部分 Ramshorn Hooks-Unmachined Parts    46.尺寸,表示方法 Dimension,Designation    47.雙鉤RS, RSN, RF & RFN型尺寸規格 Dimension of Types RS, RSN, RF & RFN Ramshorn Hooks    48.參考準則 Standards Referred to    49.雙鉤-拋光部分附螺紋柄 Ramshorn Hook-Finished Parts of Threaded Shank    50.尺寸,表示方法 Dimension,Designation    51.雙鉤GS,GSN,GF & GFN型 Types GS, GSN, GF & GFN Ramshorn Hooks    52.雙鉤附螺紋柄和螺帽 Ramshorn Hook with Threaded Shank and Nut    53.材料 Material    54.GFN雙鉤 Double Hook GFN    55.德規15402B雙鉤 DIN 15402B Ramshorn Hook    56.雙鉤 Ramshorn Hook    57.雙鉤英國標準 Ramshorn Hook British Standard    58.雙鉤附卸克 Ramshorn Hook for coupling of Shackles    59.德規15402-B雙鉤 DIN 15402-B Ramshorn Hook    60.德規15402-C 4鉤 DIN 15402-C Quad Hook    61.圓螺紋 Knuckle Threads    62.吊鉤懸掛滑輪 Lifting Hook Suspensions for Bottom Block    63.尺寸,表示方法 Dimension,Designation    64.尺寸,表示方法 Dimension,Designation    65.吊鉤懸掛尺寸,承軸和旋緊釘 Dimension, Bearings and clamp screws for Hook Suspensions    66.列舉項目-懸掛鉤頭的元件組合       List of Items- Assembly of Components of Hook Suspensions    67.參考標準 Standards Referred to    68.德規15411鉤頭滑輪組 DIN 15411    69.交叉元件 Cross Pieces    70.尺寸,表示方法 Dimension,Designation    71.參考標準 Standards Referred to    72.交叉元件 Cross Pieces    73.尺寸,表示方法 Dimension,Designation    74.技術資料 Technical Information    75.參考標準 Standards Referred to    76.吊鉤螺帽 Lifting Hook Nuts    77.規格尺寸 Dimensions    78.技術資料 Technical Data    79.參考標準 Standards Referred to    80.保護片 Securing Plates    81.材料(半拋光產品) Material (Semi-Finished Product)    82.德規吊鉤標準安全 Standard Safety for DIN Hook    83.德規吊鉤特殊安全性 Special Safrty for DIN Hook    84.特殊安全栓 Special Safety Latches    85.技術資料圖 Technical Data Diagram    86.技術資料圖 Technical Data Diagram    87.2滑輪組 2 Sheaves Block    88.單鉤6滑輪組 Single Hook 6 Sheaves Block    89.雙鉤4滑輪組 Ramshorn Hook 4 Sheaves Block    90.單鉤雙滑輪組 Single Hook 2 Sheaves Block    91.雙鉤6滑輪組 Ramshorn Hook 6 Sheaves Block    92.單鉤雙滑輪組 Single Hook 2 Sheaves Block    93.鍊條旋轉塊 Revolving Block for Chains    94.卸克 Shackles    95.卸克 Shackles    96.吊鉤 Load Hook    97.規格尺寸 Dimensions    98.規格尺寸 Dimensions    99. 眼型C形鉤(鍊條用) C Hook with Eye (For Use With Chain)    100.長柄C型鉤 C Hook with Shank    101.不鏽鋼 Stainless Steels    102.最後檢測範圍 Extent of Final Inspection    103.最後檢測範圍 Extent of Final Inspection    104.材料測試 Materials Test    105.材料測試 Materials Test    106.數據表 Data Table    107.數據表 Data Table    108.數據表 Data Table

C4-68.德規15411鉤頭滑輪組

C4.德規標準-鍛造鉤頭和吊重配件                                                                     下載down load     1.鍛造鉤頭和吊重配件 Forged Hooks & Lifting Components    2.吊重鉤頭目錄 Lifting Hooks Contents    3.吊鉤力學特性 Mechanical Properties of Lifting Hooks    4.總結 Concluded    5.吊升荷重表 Table of Lifting Capacity    6.鍛造鉤頭上的應力 Stresses in Forged Hooks    7.垂直斷面上的拉力 Tensile Stress at Vertical Cross Section    8.準則和其他文件參考 Standards and Other Documents Referred to    9.舊版與修訂 Previous Edition & Amendments    10.鍛造鉤頭技術性提交狀況 Technical Delivery Condition for Forged Hook    11.測試 Testing    12.準則和其他文件參考 Standards and Other Documents Referred to    13.吊鉤 Lifting Hook    14.測試與證書 Testing & Certificates    15.檢驗證書 Inspection Certificate    16.準則和其他文件參考 Standards and Other Documents Referred to    17.單鉤雙鉤圖 The Diagram of Single and Ramshorn Hook    18.鉤頭規格尺寸圖 Hook Dimension Chart    19.單鉤非加工部分 Single Hook Unmachined Parts    20.RSN型尺寸,設計 Dimensions & Designation of Type RSN    21.RSN型單鉤可容許的誤差值 Permissible Deviations for Type RSN Single Hooks    22.RF與RFN型單鉤可容許的誤差值       Permissible Deviations for Type RF & Type RFN Single Hooks    23.單鉤-拋光部分附螺紋桿 Single Hook-Finished Parts with Threaded Shank    24. 尺寸,表示方法 Dimensions & Designation    25.單鉤尺寸規格 Dimensions for Single Hook    26.單鉤附螺紋柄與螺帽 Single Hook with Threaded Shank and Nut    27.材料 Material    28.單鉤尺寸規格 Single Hook Dimension    29.單鉤尺寸圖 Single Hook Dimension Diagram    30.單鉤尺寸圖 Single Hook Dimension Diagram    31.眼型吊鉤 Eye Hook    32.眼型吊鉤與卸克結合 Single Eye Hooks for coupling of Shackles    33.250噸3眼特殊吊鉤3 Eyes Special Hook for 250 Ton    34.特殊吊鉤Special Hook    35.特殊吊鉤Special Hook    36.單鉤尺寸規格 Single Hook Dimension    37.50噸吊鉤 Hook for 50 Ton    38.層鉤與元件 Laminated Hooks and Components    39.單鉤尺寸規格 Single Hook Dimension    40.單鉤尺寸規格 Single Hook Dimension    41.單鉤尺寸規格 Single Hook Dimension    42.單鉤尺寸規格 Single Hook Dimension    43.單鉤尺寸規格 Single Hook Dimension    44.單鉤尺寸規格 Single Hook Dimension    45.雙鉤-非機械加工部分 Ramshorn Hooks-Unmachined Parts    46.尺寸,表示方法 Dimension,Designation    47.雙鉤RS, RSN, RF & RFN型尺寸規格 Dimension of Types RS, RSN, RF & RFN Ramshorn Hooks    48.參考準則 Standards Referred to    49.雙鉤-拋光部分附螺紋柄 Ramshorn Hook-Finished Parts of Threaded Shank    50.尺寸,表示方法 Dimension,Designation    51.雙鉤GS,GSN,GF & GFN型 Types GS, GSN, GF & GFN Ramshorn Hooks    52.雙鉤附螺紋柄和螺帽 Ramshorn Hook with Threaded Shank and Nut    53.材料 Material    54.GFN雙鉤 Double Hook GFN    55.德規15402B雙鉤 DIN 15402B Ramshorn Hook    56.雙鉤 Ramshorn Hook    57.雙鉤英國標準 Ramshorn Hook British Standard    58.雙鉤附卸克 Ramshorn Hook for coupling of Shackles    59.德規15402-B雙鉤 DIN 15402-B Ramshorn Hook    60.德規15402-C 4鉤 DIN 15402-C Quad Hook    61.圓螺紋 Knuckle Threads    62.吊鉤懸掛滑輪 Lifting Hook Suspensions for Bottom Block    63.尺寸,表示方法 Dimension,Designation    64.尺寸,表示方法 Dimension,Designation    65.吊鉤懸掛尺寸,承軸和旋緊釘 Dimension, Bearings and clamp screws for Hook Suspensions    66.列舉項目-懸掛鉤頭的元件組合       List of Items- Assembly of Components of Hook Suspensions    67.參考標準 Standards Referred to    68.德規15411鉤頭滑輪組 DIN 15411    69.交叉元件 Cross Pieces    70.尺寸,表示方法 Dimension,Designation    71.參考標準 Standards Referred to    72.交叉元件 Cross Pieces    73.尺寸,表示方法 Dimension,Designation    74.技術資料 Technical Information    75.參考標準 Standards Referred to    76.吊鉤螺帽 Lifting Hook Nuts    77.規格尺寸 Dimensions    78.技術資料 Technical Data    79.參考標準 Standards Referred to    80.保護片 Securing Plates    81.材料(半拋光產品) Material (Semi-Finished Product)    82.德規吊鉤標準安全 Standard Safety for DIN Hook    83.德規吊鉤特殊安全性 Special Safrty for DIN Hook    84.特殊安全栓 Special Safety Latches    85.技術資料圖 Technical Data Diagram    86.技術資料圖 Technical Data Diagram    87.2滑輪組 2 Sheaves Block    88.單鉤6滑輪組 Single Hook 6 Sheaves Block    89.雙鉤4滑輪組 Ramshorn Hook 4 Sheaves Block    90.單鉤雙滑輪組 Single Hook 2 Sheaves Block    91.雙鉤6滑輪組 Ramshorn Hook 6 Sheaves Block    92.單鉤雙滑輪組 Single Hook 2 Sheaves Block    93.鍊條旋轉塊 Revolving Block for Chains    94.卸克 Shackles    95.卸克 Shackles    96.吊鉤 Load Hook    97.規格尺寸 Dimensions    98.規格尺寸 Dimensions    99. 眼型C形鉤(鍊條用) C Hook with Eye (For Use With Chain)    100.長柄C型鉤 C Hook with Shank    101.不鏽鋼 Stainless Steels    102.最後檢測範圍 Extent of Final Inspection    103.最後檢測範圍 Extent of Final Inspection    104.材料測試 Materials Test    105.材料測試 Materials Test    106.數據表 Data Table    107.數據表 Data Table    108.數據表 Data Table

C4-67.參考標準

C4.德規標準-鍛造鉤頭和吊重配件                                                                     下載down load     1.鍛造鉤頭和吊重配件 Forged Hooks & Lifting Components    2.吊重鉤頭目錄 Lifting Hooks Contents    3.吊鉤力學特性 Mechanical Properties of Lifting Hooks    4.總結 Concluded    5.吊升荷重表 Table of Lifting Capacity    6.鍛造鉤頭上的應力 Stresses in Forged Hooks    7.垂直斷面上的拉力 Tensile Stress at Vertical Cross Section    8.準則和其他文件參考 Standards and Other Documents Referred to    9.舊版與修訂 Previous Edition & Amendments    10.鍛造鉤頭技術性提交狀況 Technical Delivery Condition for Forged Hook    11.測試 Testing    12.準則和其他文件參考 Standards and Other Documents Referred to    13.吊鉤 Lifting Hook    14.測試與證書 Testing & Certificates    15.檢驗證書 Inspection Certificate    16.準則和其他文件參考 Standards and Other Documents Referred to    17.單鉤雙鉤圖 The Diagram of Single and Ramshorn Hook    18.鉤頭規格尺寸圖 Hook Dimension Chart    19.單鉤非加工部分 Single Hook Unmachined Parts    20.RSN型尺寸,設計 Dimensions & Designation of Type RSN    21.RSN型單鉤可容許的誤差值 Permissible Deviations for Type RSN Single Hooks    22.RF與RFN型單鉤可容許的誤差值       Permissible Deviations for Type RF & Type RFN Single Hooks    23.單鉤-拋光部分附螺紋桿 Single Hook-Finished Parts with Threaded Shank    24. 尺寸,表示方法 Dimensions & Designation    25.單鉤尺寸規格 Dimensions for Single Hook    26.單鉤附螺紋柄與螺帽 Single Hook with Threaded Shank and Nut    27.材料 Material    28.單鉤尺寸規格 Single Hook Dimension    29.單鉤尺寸圖 Single Hook Dimension Diagram    30.單鉤尺寸圖 Single Hook Dimension Diagram    31.眼型吊鉤 Eye Hook    32.眼型吊鉤與卸克結合 Single Eye Hooks for coupling of Shackles    33.250噸3眼特殊吊鉤3 Eyes Special Hook for 250 Ton    34.特殊吊鉤Special Hook    35.特殊吊鉤Special Hook    36.單鉤尺寸規格 Single Hook Dimension    37.50噸吊鉤 Hook for 50 Ton    38.層鉤與元件 Laminated Hooks and Components    39.單鉤尺寸規格 Single Hook Dimension    40.單鉤尺寸規格 Single Hook Dimension    41.單鉤尺寸規格 Single Hook Dimension    42.單鉤尺寸規格 Single Hook Dimension    43.單鉤尺寸規格 Single Hook Dimension    44.單鉤尺寸規格 Single Hook Dimension    45.雙鉤-非機械加工部分 Ramshorn Hooks-Unmachined Parts    46.尺寸,表示方法 Dimension,Designation    47.雙鉤RS, RSN, RF & RFN型尺寸規格 Dimension of Types RS, RSN, RF & RFN Ramshorn Hooks    48.參考準則 Standards Referred to    49.雙鉤-拋光部分附螺紋柄 Ramshorn Hook-Finished Parts of Threaded Shank    50.尺寸,表示方法 Dimension,Designation    51.雙鉤GS,GSN,GF & GFN型 Types GS, GSN, GF & GFN Ramshorn Hooks    52.雙鉤附螺紋柄和螺帽 Ramshorn Hook with Threaded Shank and Nut    53.材料 Material    54.GFN雙鉤 Double Hook GFN    55.德規15402B雙鉤 DIN 15402B Ramshorn Hook    56.雙鉤 Ramshorn Hook    57.雙鉤英國標準 Ramshorn Hook British Standard    58.雙鉤附卸克 Ramshorn Hook for coupling of Shackles    59.德規15402-B雙鉤 DIN 15402-B Ramshorn Hook    60.德規15402-C 4鉤 DIN 15402-C Quad Hook    61.圓螺紋 Knuckle Threads    62.吊鉤懸掛滑輪 Lifting Hook Suspensions for Bottom Block    63.尺寸,表示方法 Dimension,Designation    64.尺寸,表示方法 Dimension,Designation    65.吊鉤懸掛尺寸,承軸和旋緊釘 Dimension, Bearings and clamp screws for Hook Suspensions    66.列舉項目-懸掛鉤頭的元件組合       List of Items- Assembly of Components of Hook Suspensions    67.參考標準 Standards Referred to    68.德規15411鉤頭滑輪組 DIN 15411    69.交叉元件 Cross Pieces    70.尺寸,表示方法 Dimension,Designation    71.參考標準 Standards Referred to    72.交叉元件 Cross Pieces    73.尺寸,表示方法 Dimension,Designation    74.技術資料 Technical Information    75.參考標準 Standards Referred to    76.吊鉤螺帽 Lifting Hook Nuts    77.規格尺寸 Dimensions    78.技術資料 Technical Data    79.參考標準 Standards Referred to    80.保護片 Securing Plates    81.材料(半拋光產品) Material (Semi-Finished Product)    82.德規吊鉤標準安全 Standard Safety for DIN Hook    83.德規吊鉤特殊安全性 Special Safrty for DIN Hook    84.特殊安全栓 Special Safety Latches    85.技術資料圖 Technical Data Diagram    86.技術資料圖 Technical Data Diagram    87.2滑輪組 2 Sheaves Block    88.單鉤6滑輪組 Single Hook 6 Sheaves Block    89.雙鉤4滑輪組 Ramshorn Hook 4 Sheaves Block    90.單鉤雙滑輪組 Single Hook 2 Sheaves Block    91.雙鉤6滑輪組 Ramshorn Hook 6 Sheaves Block    92.單鉤雙滑輪組 Single Hook 2 Sheaves Block    93.鍊條旋轉塊 Revolving Block for Chains    94.卸克 Shackles    95.卸克 Shackles    96.吊鉤 Load Hook    97.規格尺寸 Dimensions    98.規格尺寸 Dimensions    99. 眼型C形鉤(鍊條用) C Hook with Eye (For Use With Chain)    100.長柄C型鉤 C Hook with Shank    101.不鏽鋼 Stainless Steels    102.最後檢測範圍 Extent of Final Inspection    103.最後檢測範圍 Extent of Final Inspection    104.材料測試 Materials Test    105.材料測試 Materials Test    106.數據表 Data Table    107.數據表 Data Table    108.數據表 Data Table

C4-66.列舉項目-懸掛鉤頭的元件組合List

C4.德規標準-鍛造鉤頭和吊重配件                                                                     下載down load     1.鍛造鉤頭和吊重配件 Forged Hooks & Lifting Components    2.吊重鉤頭目錄 Lifting Hooks Contents    3.吊鉤力學特性 Mechanical Properties of Lifting Hooks    4.總結 Concluded    5.吊升荷重表 Table of Lifting Capacity    6.鍛造鉤頭上的應力 Stresses in Forged Hooks    7.垂直斷面上的拉力 Tensile Stress at Vertical Cross Section    8.準則和其他文件參考 Standards and Other Documents Referred to    9.舊版與修訂 Previous Edition & Amendments    10.鍛造鉤頭技術性提交狀況 Technical Delivery Condition for Forged Hook    11.測試 Testing    12.準則和其他文件參考 Standards and Other Documents Referred to    13.吊鉤 Lifting Hook    14.測試與證書 Testing & Certificates    15.檢驗證書 Inspection Certificate    16.準則和其他文件參考 Standards and Other Documents Referred to    17.單鉤雙鉤圖 The Diagram of Single and Ramshorn Hook    18.鉤頭規格尺寸圖 Hook Dimension Chart    19.單鉤非加工部分 Single Hook Unmachined Parts    20.RSN型尺寸,設計 Dimensions & Designation of Type RSN    21.RSN型單鉤可容許的誤差值 Permissible Deviations for Type RSN Single Hooks    22.RF與RFN型單鉤可容許的誤差值       Permissible Deviations for Type RF & Type RFN Single Hooks    23.單鉤-拋光部分附螺紋桿 Single Hook-Finished Parts with Threaded Shank    24. 尺寸,表示方法 Dimensions & Designation    25.單鉤尺寸規格 Dimensions for Single Hook    26.單鉤附螺紋柄與螺帽 Single Hook with Threaded Shank and Nut    27.材料 Material    28.單鉤尺寸規格 Single Hook Dimension    29.單鉤尺寸圖 Single Hook Dimension Diagram    30.單鉤尺寸圖 Single Hook Dimension Diagram    31.眼型吊鉤 Eye Hook    32.眼型吊鉤與卸克結合 Single Eye Hooks for coupling of Shackles    33.250噸3眼特殊吊鉤3 Eyes Special Hook for 250 Ton    34.特殊吊鉤Special Hook    35.特殊吊鉤Special Hook    36.單鉤尺寸規格 Single Hook Dimension    37.50噸吊鉤 Hook for 50 Ton    38.層鉤與元件 Laminated Hooks and Components    39.單鉤尺寸規格 Single Hook Dimension    40.單鉤尺寸規格 Single Hook Dimension    41.單鉤尺寸規格 Single Hook Dimension    42.單鉤尺寸規格 Single Hook Dimension    43.單鉤尺寸規格 Single Hook Dimension    44.單鉤尺寸規格 Single Hook Dimension    45.雙鉤-非機械加工部分 Ramshorn Hooks-Unmachined Parts    46.尺寸,表示方法 Dimension,Designation    47.雙鉤RS, RSN, RF & RFN型尺寸規格 Dimension of Types RS, RSN, RF & RFN Ramshorn Hooks    48.參考準則 Standards Referred to    49.雙鉤-拋光部分附螺紋柄 Ramshorn Hook-Finished Parts of Threaded Shank    50.尺寸,表示方法 Dimension,Designation    51.雙鉤GS,GSN,GF & GFN型 Types GS, GSN, GF & GFN Ramshorn Hooks    52.雙鉤附螺紋柄和螺帽 Ramshorn Hook with Threaded Shank and Nut    53.材料 Material    54.GFN雙鉤 Double Hook GFN    55.德規15402B雙鉤 DIN 15402B Ramshorn Hook    56.雙鉤 Ramshorn Hook    57.雙鉤英國標準 Ramshorn Hook British Standard    58.雙鉤附卸克 Ramshorn Hook for coupling of Shackles    59.德規15402-B雙鉤 DIN 15402-B Ramshorn Hook    60.德規15402-C 4鉤 DIN 15402-C Quad Hook    61.圓螺紋 Knuckle Threads    62.吊鉤懸掛滑輪 Lifting Hook Suspensions for Bottom Block    63.尺寸,表示方法 Dimension,Designation    64.尺寸,表示方法 Dimension,Designation    65.吊鉤懸掛尺寸,承軸和旋緊釘 Dimension, Bearings and clamp screws for Hook Suspensions    66.列舉項目-懸掛鉤頭的元件組合       List of Items- Assembly of Components of Hook Suspensions    67.參考標準 Standards Referred to    68.德規15411鉤頭滑輪組 DIN 15411    69.交叉元件 Cross Pieces    70.尺寸,表示方法 Dimension,Designation    71.參考標準 Standards Referred to    72.交叉元件 Cross Pieces    73.尺寸,表示方法 Dimension,Designation    74.技術資料 Technical Information    75.參考標準 Standards Referred to    76.吊鉤螺帽 Lifting Hook Nuts    77.規格尺寸 Dimensions    78.技術資料 Technical Data    79.參考標準 Standards Referred to    80.保護片 Securing Plates    81.材料(半拋光產品) Material (Semi-Finished Product)    82.德規吊鉤標準安全 Standard Safety for DIN Hook    83.德規吊鉤特殊安全性 Special Safrty for DIN Hook    84.特殊安全栓 Special Safety Latches    85.技術資料圖 Technical Data Diagram    86.技術資料圖 Technical Data Diagram    87.2滑輪組 2 Sheaves Block    88.單鉤6滑輪組 Single Hook 6 Sheaves Block    89.雙鉤4滑輪組 Ramshorn Hook 4 Sheaves Block    90.單鉤雙滑輪組 Single Hook 2 Sheaves Block    91.雙鉤6滑輪組 Ramshorn Hook 6 Sheaves Block    92.單鉤雙滑輪組 Single Hook 2 Sheaves Block    93.鍊條旋轉塊 Revolving Block for Chains    94.卸克 Shackles    95.卸克 Shackles    96.吊鉤 Load Hook    97.規格尺寸 Dimensions    98.規格尺寸 Dimensions    99. 眼型C形鉤(鍊條用) C Hook with Eye (For Use With Chain)    100.長柄C型鉤 C Hook with Shank    101.不鏽鋼 Stainless Steels    102.最後檢測範圍 Extent of Final Inspection    103.最後檢測範圍 Extent of Final Inspection    104.材料測試 Materials Test    105.材料測試 Materials Test    106.數據表 Data Table    107.數據表 Data Table    108.數據表 Data Table

C4-65.吊鉤懸掛尺寸,承軸和旋緊釘Dimension,

C4.德規標準-鍛造鉤頭和吊重配件                                                                     下載down load     1.鍛造鉤頭和吊重配件 Forged Hooks & Lifting Components    2.吊重鉤頭目錄 Lifting Hooks Contents    3.吊鉤力學特性 Mechanical Properties of Lifting Hooks    4.總結 Concluded    5.吊升荷重表 Table of Lifting Capacity    6.鍛造鉤頭上的應力 Stresses in Forged Hooks    7.垂直斷面上的拉力 Tensile Stress at Vertical Cross Section    8.準則和其他文件參考 Standards and Other Documents Referred to    9.舊版與修訂 Previous Edition & Amendments    10.鍛造鉤頭技術性提交狀況 Technical Delivery Condition for Forged Hook    11.測試 Testing    12.準則和其他文件參考 Standards and Other Documents Referred to    13.吊鉤 Lifting Hook    14.測試與證書 Testing & Certificates    15.檢驗證書 Inspection Certificate    16.準則和其他文件參考 Standards and Other Documents Referred to    17.單鉤雙鉤圖 The Diagram of Single and Ramshorn Hook    18.鉤頭規格尺寸圖 Hook Dimension Chart    19.單鉤非加工部分 Single Hook Unmachined Parts    20.RSN型尺寸,設計 Dimensions & Designation of Type RSN    21.RSN型單鉤可容許的誤差值 Permissible Deviations for Type RSN Single Hooks    22.RF與RFN型單鉤可容許的誤差值       Permissible Deviations for Type RF & Type RFN Single Hooks    23.單鉤-拋光部分附螺紋桿 Single Hook-Finished Parts with Threaded Shank    24. 尺寸,表示方法 Dimensions & Designation    25.單鉤尺寸規格 Dimensions for Single Hook    26.單鉤附螺紋柄與螺帽 Single Hook with Threaded Shank and Nut    27.材料 Material    28.單鉤尺寸規格 Single Hook Dimension    29.單鉤尺寸圖 Single Hook Dimension Diagram    30.單鉤尺寸圖 Single Hook Dimension Diagram    31.眼型吊鉤 Eye Hook    32.眼型吊鉤與卸克結合 Single Eye Hooks for coupling of Shackles    33.250噸3眼特殊吊鉤3 Eyes Special Hook for 250 Ton    34.特殊吊鉤Special Hook    35.特殊吊鉤Special Hook    36.單鉤尺寸規格 Single Hook Dimension    37.50噸吊鉤 Hook for 50 Ton    38.層鉤與元件 Laminated Hooks and Components    39.單鉤尺寸規格 Single Hook Dimension    40.單鉤尺寸規格 Single Hook Dimension    41.單鉤尺寸規格 Single Hook Dimension    42.單鉤尺寸規格 Single Hook Dimension    43.單鉤尺寸規格 Single Hook Dimension    44.單鉤尺寸規格 Single Hook Dimension    45.雙鉤-非機械加工部分 Ramshorn Hooks-Unmachined Parts    46.尺寸,表示方法 Dimension,Designation    47.雙鉤RS, RSN, RF & RFN型尺寸規格 Dimension of Types RS, RSN, RF & RFN Ramshorn Hooks    48.參考準則 Standards Referred to    49.雙鉤-拋光部分附螺紋柄 Ramshorn Hook-Finished Parts of Threaded Shank    50.尺寸,表示方法 Dimension,Designation    51.雙鉤GS,GSN,GF & GFN型 Types GS, GSN, GF & GFN Ramshorn Hooks    52.雙鉤附螺紋柄和螺帽 Ramshorn Hook with Threaded Shank and Nut    53.材料 Material    54.GFN雙鉤 Double Hook GFN    55.德規15402B雙鉤 DIN 15402B Ramshorn Hook    56.雙鉤 Ramshorn Hook    57.雙鉤英國標準 Ramshorn Hook British Standard    58.雙鉤附卸克 Ramshorn Hook for coupling of Shackles    59.德規15402-B雙鉤 DIN 15402-B Ramshorn Hook    60.德規15402-C 4鉤 DIN 15402-C Quad Hook    61.圓螺紋 Knuckle Threads    62.吊鉤懸掛滑輪 Lifting Hook Suspensions for Bottom Block    63.尺寸,表示方法 Dimension,Designation    64.尺寸,表示方法 Dimension,Designation    65.吊鉤懸掛尺寸,承軸和旋緊釘 Dimension, Bearings and clamp screws for Hook Suspensions    66.列舉項目-懸掛鉤頭的元件組合       List of Items- Assembly of Components of Hook Suspensions    67.參考標準 Standards Referred to    68.德規15411鉤頭滑輪組 DIN 15411    69.交叉元件 Cross Pieces    70.尺寸,表示方法 Dimension,Designation    71.參考標準 Standards Referred to    72.交叉元件 Cross Pieces    73.尺寸,表示方法 Dimension,Designation    74.技術資料 Technical Information    75.參考標準 Standards Referred to    76.吊鉤螺帽 Lifting Hook Nuts    77.規格尺寸 Dimensions    78.技術資料 Technical Data    79.參考標準 Standards Referred to    80.保護片 Securing Plates    81.材料(半拋光產品) Material (Semi-Finished Product)    82.德規吊鉤標準安全 Standard Safety for DIN Hook    83.德規吊鉤特殊安全性 Special Safrty for DIN Hook    84.特殊安全栓 Special Safety Latches    85.技術資料圖 Technical Data Diagram    86.技術資料圖 Technical Data Diagram    87.2滑輪組 2 Sheaves Block    88.單鉤6滑輪組 Single Hook 6 Sheaves Block    89.雙鉤4滑輪組 Ramshorn Hook 4 Sheaves Block    90.單鉤雙滑輪組 Single Hook 2 Sheaves Block    91.雙鉤6滑輪組 Ramshorn Hook 6 Sheaves Block    92.單鉤雙滑輪組 Single Hook 2 Sheaves Block    93.鍊條旋轉塊 Revolving Block for Chains    94.卸克 Shackles    95.卸克 Shackles    96.吊鉤 Load Hook    97.規格尺寸 Dimensions    98.規格尺寸 Dimensions    99. 眼型C形鉤(鍊條用) C Hook with Eye (For Use With Chain)    100.長柄C型鉤 C Hook with Shank    101.不鏽鋼 Stainless Steels    102.最後檢測範圍 Extent of Final Inspection    103.最後檢測範圍 Extent of Final Inspection    104.材料測試 Materials Test    105.材料測試 Materials Test    106.數據表 Data Table    107.數據表 Data Table    108.數據表 Data Table

C4-64.尺寸,表示方法

C4.德規標準-鍛造鉤頭和吊重配件                                                                     下載down load     1.鍛造鉤頭和吊重配件 Forged Hooks & Lifting Components    2.吊重鉤頭目錄 Lifting Hooks Contents    3.吊鉤力學特性 Mechanical Properties of Lifting Hooks    4.總結 Concluded    5.吊升荷重表 Table of Lifting Capacity    6.鍛造鉤頭上的應力 Stresses in Forged Hooks    7.垂直斷面上的拉力 Tensile Stress at Vertical Cross Section    8.準則和其他文件參考 Standards and Other Documents Referred to    9.舊版與修訂 Previous Edition & Amendments    10.鍛造鉤頭技術性提交狀況 Technical Delivery Condition for Forged Hook    11.測試 Testing    12.準則和其他文件參考 Standards and Other Documents Referred to    13.吊鉤 Lifting Hook    14.測試與證書 Testing & Certificates    15.檢驗證書 Inspection Certificate    16.準則和其他文件參考 Standards and Other Documents Referred to    17.單鉤雙鉤圖 The Diagram of Single and Ramshorn Hook    18.鉤頭規格尺寸圖 Hook Dimension Chart    19.單鉤非加工部分 Single Hook Unmachined Parts    20.RSN型尺寸,設計 Dimensions & Designation of Type RSN    21.RSN型單鉤可容許的誤差值 Permissible Deviations for Type RSN Single Hooks    22.RF與RFN型單鉤可容許的誤差值       Permissible Deviations for Type RF & Type RFN Single Hooks    23.單鉤-拋光部分附螺紋桿 Single Hook-Finished Parts with Threaded Shank    24. 尺寸,表示方法 Dimensions & Designation    25.單鉤尺寸規格 Dimensions for Single Hook    26.單鉤附螺紋柄與螺帽 Single Hook with Threaded Shank and Nut    27.材料 Material    28.單鉤尺寸規格 Single Hook Dimension    29.單鉤尺寸圖 Single Hook Dimension Diagram    30.單鉤尺寸圖 Single Hook Dimension Diagram    31.眼型吊鉤 Eye Hook    32.眼型吊鉤與卸克結合 Single Eye Hooks for coupling of Shackles    33.250噸3眼特殊吊鉤3 Eyes Special Hook for 250 Ton    34.特殊吊鉤Special Hook    35.特殊吊鉤Special Hook    36.單鉤尺寸規格 Single Hook Dimension    37.50噸吊鉤 Hook for 50 Ton    38.層鉤與元件 Laminated Hooks and Components    39.單鉤尺寸規格 Single Hook Dimension    40.單鉤尺寸規格 Single Hook Dimension    41.單鉤尺寸規格 Single Hook Dimension    42.單鉤尺寸規格 Single Hook Dimension    43.單鉤尺寸規格 Single Hook Dimension    44.單鉤尺寸規格 Single Hook Dimension    45.雙鉤-非機械加工部分 Ramshorn Hooks-Unmachined Parts    46.尺寸,表示方法 Dimension,Designation    47.雙鉤RS, RSN, RF & RFN型尺寸規格 Dimension of Types RS, RSN, RF & RFN Ramshorn Hooks    48.參考準則 Standards Referred to    49.雙鉤-拋光部分附螺紋柄 Ramshorn Hook-Finished Parts of Threaded Shank    50.尺寸,表示方法 Dimension,Designation    51.雙鉤GS,GSN,GF & GFN型 Types GS, GSN, GF & GFN Ramshorn Hooks    52.雙鉤附螺紋柄和螺帽 Ramshorn Hook with Threaded Shank and Nut    53.材料 Material    54.GFN雙鉤 Double Hook GFN    55.德規15402B雙鉤 DIN 15402B Ramshorn Hook    56.雙鉤 Ramshorn Hook    57.雙鉤英國標準 Ramshorn Hook British Standard    58.雙鉤附卸克 Ramshorn Hook for coupling of Shackles    59.德規15402-B雙鉤 DIN 15402-B Ramshorn Hook    60.德規15402-C 4鉤 DIN 15402-C Quad Hook    61.圓螺紋 Knuckle Threads    62.吊鉤懸掛滑輪 Lifting Hook Suspensions for Bottom Block    63.尺寸,表示方法 Dimension,Designation    64.尺寸,表示方法 Dimension,Designation    65.吊鉤懸掛尺寸,承軸和旋緊釘 Dimension, Bearings and clamp screws for Hook Suspensions    66.列舉項目-懸掛鉤頭的元件組合       List of Items- Assembly of Components of Hook Suspensions    67.參考標準 Standards Referred to    68.德規15411鉤頭滑輪組 DIN 15411    69.交叉元件 Cross Pieces    70.尺寸,表示方法 Dimension,Designation    71.參考標準 Standards Referred to    72.交叉元件 Cross Pieces    73.尺寸,表示方法 Dimension,Designation    74.技術資料 Technical Information    75.參考標準 Standards Referred to    76.吊鉤螺帽 Lifting Hook Nuts    77.規格尺寸 Dimensions    78.技術資料 Technical Data    79.參考標準 Standards Referred to    80.保護片 Securing Plates    81.材料(半拋光產品) Material (Semi-Finished Product)    82.德規吊鉤標準安全 Standard Safety for DIN Hook    83.德規吊鉤特殊安全性 Special Safrty for DIN Hook    84.特殊安全栓 Special Safety Latches    85.技術資料圖 Technical Data Diagram    86.技術資料圖 Technical Data Diagram    87.2滑輪組 2 Sheaves Block    88.單鉤6滑輪組 Single Hook 6 Sheaves Block    89.雙鉤4滑輪組 Ramshorn Hook 4 Sheaves Block    90.單鉤雙滑輪組 Single Hook 2 Sheaves Block    91.雙鉤6滑輪組 Ramshorn Hook 6 Sheaves Block    92.單鉤雙滑輪組 Single Hook 2 Sheaves Block    93.鍊條旋轉塊 Revolving Block for Chains    94.卸克 Shackles    95.卸克 Shackles    96.吊鉤 Load Hook    97.規格尺寸 Dimensions    98.規格尺寸 Dimensions    99. 眼型C形鉤(鍊條用) C Hook with Eye (For Use With Chain)    100.長柄C型鉤 C Hook with Shank    101.不鏽鋼 Stainless Steels    102.最後檢測範圍 Extent of Final Inspection    103.最後檢測範圍 Extent of Final Inspection    104.材料測試 Materials Test    105.材料測試 Materials Test    106.數據表 Data Table    107.數據表 Data Table    108.數據表 Data Table

C4-63.尺寸,表示方法

C4.德規標準-鍛造鉤頭和吊重配件                                                                     下載down load     1.鍛造鉤頭和吊重配件 Forged Hooks & Lifting Components    2.吊重鉤頭目錄 Lifting Hooks Contents    3.吊鉤力學特性 Mechanical Properties of Lifting Hooks    4.總結 Concluded    5.吊升荷重表 Table of Lifting Capacity    6.鍛造鉤頭上的應力 Stresses in Forged Hooks    7.垂直斷面上的拉力 Tensile Stress at Vertical Cross Section    8.準則和其他文件參考 Standards and Other Documents Referred to    9.舊版與修訂 Previous Edition & Amendments    10.鍛造鉤頭技術性提交狀況 Technical Delivery Condition for Forged Hook    11.測試 Testing    12.準則和其他文件參考 Standards and Other Documents Referred to    13.吊鉤 Lifting Hook    14.測試與證書 Testing & Certificates    15.檢驗證書 Inspection Certificate    16.準則和其他文件參考 Standards and Other Documents Referred to    17.單鉤雙鉤圖 The Diagram of Single and Ramshorn Hook    18.鉤頭規格尺寸圖 Hook Dimension Chart    19.單鉤非加工部分 Single Hook Unmachined Parts    20.RSN型尺寸,設計 Dimensions & Designation of Type RSN    21.RSN型單鉤可容許的誤差值 Permissible Deviations for Type RSN Single Hooks    22.RF與RFN型單鉤可容許的誤差值       Permissible Deviations for Type RF & Type RFN Single Hooks    23.單鉤-拋光部分附螺紋桿 Single Hook-Finished Parts with Threaded Shank    24. 尺寸,表示方法 Dimensions & Designation    25.單鉤尺寸規格 Dimensions for Single Hook    26.單鉤附螺紋柄與螺帽 Single Hook with Threaded Shank and Nut    27.材料 Material    28.單鉤尺寸規格 Single Hook Dimension    29.單鉤尺寸圖 Single Hook Dimension Diagram    30.單鉤尺寸圖 Single Hook Dimension Diagram    31.眼型吊鉤 Eye Hook    32.眼型吊鉤與卸克結合 Single Eye Hooks for coupling of Shackles    33.250噸3眼特殊吊鉤3 Eyes Special Hook for 250 Ton    34.特殊吊鉤Special Hook    35.特殊吊鉤Special Hook    36.單鉤尺寸規格 Single Hook Dimension    37.50噸吊鉤 Hook for 50 Ton    38.層鉤與元件 Laminated Hooks and Components    39.單鉤尺寸規格 Single Hook Dimension    40.單鉤尺寸規格 Single Hook Dimension    41.單鉤尺寸規格 Single Hook Dimension    42.單鉤尺寸規格 Single Hook Dimension    43.單鉤尺寸規格 Single Hook Dimension    44.單鉤尺寸規格 Single Hook Dimension    45.雙鉤-非機械加工部分 Ramshorn Hooks-Unmachined Parts    46.尺寸,表示方法 Dimension,Designation    47.雙鉤RS, RSN, RF & RFN型尺寸規格 Dimension of Types RS, RSN, RF & RFN Ramshorn Hooks    48.參考準則 Standards Referred to    49.雙鉤-拋光部分附螺紋柄 Ramshorn Hook-Finished Parts of Threaded Shank    50.尺寸,表示方法 Dimension,Designation    51.雙鉤GS,GSN,GF & GFN型 Types GS, GSN, GF & GFN Ramshorn Hooks    52.雙鉤附螺紋柄和螺帽 Ramshorn Hook with Threaded Shank and Nut    53.材料 Material    54.GFN雙鉤 Double Hook GFN    55.德規15402B雙鉤 DIN 15402B Ramshorn Hook    56.雙鉤 Ramshorn Hook    57.雙鉤英國標準 Ramshorn Hook British Standard    58.雙鉤附卸克 Ramshorn Hook for coupling of Shackles    59.德規15402-B雙鉤 DIN 15402-B Ramshorn Hook    60.德規15402-C 4鉤 DIN 15402-C Quad Hook    61.圓螺紋 Knuckle Threads    62.吊鉤懸掛滑輪 Lifting Hook Suspensions for Bottom Block    63.尺寸,表示方法 Dimension,Designation    64.尺寸,表示方法 Dimension,Designation    65.吊鉤懸掛尺寸,承軸和旋緊釘 Dimension, Bearings and clamp screws for Hook Suspensions    66.列舉項目-懸掛鉤頭的元件組合       List of Items- Assembly of Components of Hook Suspensions    67.參考標準 Standards Referred to    68.德規15411鉤頭滑輪組 DIN 15411    69.交叉元件 Cross Pieces    70.尺寸,表示方法 Dimension,Designation    71.參考標準 Standards Referred to    72.交叉元件 Cross Pieces    73.尺寸,表示方法 Dimension,Designation    74.技術資料 Technical Information    75.參考標準 Standards Referred to    76.吊鉤螺帽 Lifting Hook Nuts    77.規格尺寸 Dimensions    78.技術資料 Technical Data    79.參考標準 Standards Referred to    80.保護片 Securing Plates    81.材料(半拋光產品) Material (Semi-Finished Product)    82.德規吊鉤標準安全 Standard Safety for DIN Hook    83.德規吊鉤特殊安全性 Special Safrty for DIN Hook    84.特殊安全栓 Special Safety Latches    85.技術資料圖 Technical Data Diagram    86.技術資料圖 Technical Data Diagram    87.2滑輪組 2 Sheaves Block    88.單鉤6滑輪組 Single Hook 6 Sheaves Block    89.雙鉤4滑輪組 Ramshorn Hook 4 Sheaves Block    90.單鉤雙滑輪組 Single Hook 2 Sheaves Block    91.雙鉤6滑輪組 Ramshorn Hook 6 Sheaves Block    92.單鉤雙滑輪組 Single Hook 2 Sheaves Block    93.鍊條旋轉塊 Revolving Block for Chains    94.卸克 Shackles    95.卸克 Shackles    96.吊鉤 Load Hook    97.規格尺寸 Dimensions    98.規格尺寸 Dimensions    99. 眼型C形鉤(鍊條用) C Hook with Eye (For Use With Chain)    100.長柄C型鉤 C Hook with Shank    101.不鏽鋼 Stainless Steels    102.最後檢測範圍 Extent of Final Inspection    103.最後檢測範圍 Extent of Final Inspection    104.材料測試 Materials Test    105.材料測試 Materials Test    106.數據表 Data Table    107.數據表 Data Table    108.數據表 Data Table

C4-62.吊鉤懸掛滑輪

C4.德規標準-鍛造鉤頭和吊重配件                                                                     下載down load     1.鍛造鉤頭和吊重配件 Forged Hooks & Lifting Components    2.吊重鉤頭目錄 Lifting Hooks Contents    3.吊鉤力學特性 Mechanical Properties of Lifting Hooks    4.總結 Concluded    5.吊升荷重表 Table of Lifting Capacity    6.鍛造鉤頭上的應力 Stresses in Forged Hooks    7.垂直斷面上的拉力 Tensile Stress at Vertical Cross Section    8.準則和其他文件參考 Standards and Other Documents Referred to    9.舊版與修訂 Previous Edition & Amendments    10.鍛造鉤頭技術性提交狀況 Technical Delivery Condition for Forged Hook    11.測試 Testing    12.準則和其他文件參考 Standards and Other Documents Referred to    13.吊鉤 Lifting Hook    14.測試與證書 Testing & Certificates    15.檢驗證書 Inspection Certificate    16.準則和其他文件參考 Standards and Other Documents Referred to    17.單鉤雙鉤圖 The Diagram of Single and Ramshorn Hook    18.鉤頭規格尺寸圖 Hook Dimension Chart    19.單鉤非加工部分 Single Hook Unmachined Parts    20.RSN型尺寸,設計 Dimensions & Designation of Type RSN    21.RSN型單鉤可容許的誤差值 Permissible Deviations for Type RSN Single Hooks    22.RF與RFN型單鉤可容許的誤差值       Permissible Deviations for Type RF & Type RFN Single Hooks    23.單鉤-拋光部分附螺紋桿 Single Hook-Finished Parts with Threaded Shank    24. 尺寸,表示方法 Dimensions & Designation    25.單鉤尺寸規格 Dimensions for Single Hook    26.單鉤附螺紋柄與螺帽 Single Hook with Threaded Shank and Nut    27.材料 Material    28.單鉤尺寸規格 Single Hook Dimension    29.單鉤尺寸圖 Single Hook Dimension Diagram    30.單鉤尺寸圖 Single Hook Dimension Diagram    31.眼型吊鉤 Eye Hook    32.眼型吊鉤與卸克結合 Single Eye Hooks for coupling of Shackles    33.250噸3眼特殊吊鉤3 Eyes Special Hook for 250 Ton    34.特殊吊鉤Special Hook    35.特殊吊鉤Special Hook    36.單鉤尺寸規格 Single Hook Dimension    37.50噸吊鉤 Hook for 50 Ton    38.層鉤與元件 Laminated Hooks and Components    39.單鉤尺寸規格 Single Hook Dimension    40.單鉤尺寸規格 Single Hook Dimension    41.單鉤尺寸規格 Single Hook Dimension    42.單鉤尺寸規格 Single Hook Dimension    43.單鉤尺寸規格 Single Hook Dimension    44.單鉤尺寸規格 Single Hook Dimension    45.雙鉤-非機械加工部分 Ramshorn Hooks-Unmachined Parts    46.尺寸,表示方法 Dimension,Designation    47.雙鉤RS, RSN, RF & RFN型尺寸規格 Dimension of Types RS, RSN, RF & RFN Ramshorn Hooks    48.參考準則 Standards Referred to    49.雙鉤-拋光部分附螺紋柄 Ramshorn Hook-Finished Parts of Threaded Shank    50.尺寸,表示方法 Dimension,Designation    51.雙鉤GS,GSN,GF & GFN型 Types GS, GSN, GF & GFN Ramshorn Hooks    52.雙鉤附螺紋柄和螺帽 Ramshorn Hook with Threaded Shank and Nut    53.材料 Material    54.GFN雙鉤 Double Hook GFN    55.德規15402B雙鉤 DIN 15402B Ramshorn Hook    56.雙鉤 Ramshorn Hook    57.雙鉤英國標準 Ramshorn Hook British Standard    58.雙鉤附卸克 Ramshorn Hook for coupling of Shackles    59.德規15402-B雙鉤 DIN 15402-B Ramshorn Hook    60.德規15402-C 4鉤 DIN 15402-C Quad Hook    61.圓螺紋 Knuckle Threads    62.吊鉤懸掛滑輪 Lifting Hook Suspensions for Bottom Block    63.尺寸,表示方法 Dimension,Designation    64.尺寸,表示方法 Dimension,Designation    65.吊鉤懸掛尺寸,承軸和旋緊釘 Dimension, Bearings and clamp screws for Hook Suspensions    66.列舉項目-懸掛鉤頭的元件組合       List of Items- Assembly of Components of Hook Suspensions    67.參考標準 Standards Referred to    68.德規15411鉤頭滑輪組 DIN 15411    69.交叉元件 Cross Pieces    70.尺寸,表示方法 Dimension,Designation    71.參考標準 Standards Referred to    72.交叉元件 Cross Pieces    73.尺寸,表示方法 Dimension,Designation    74.技術資料 Technical Information    75.參考標準 Standards Referred to    76.吊鉤螺帽 Lifting Hook Nuts    77.規格尺寸 Dimensions    78.技術資料 Technical Data    79.參考標準 Standards Referred to    80.保護片 Securing Plates    81.材料(半拋光產品) Material (Semi-Finished Product)    82.德規吊鉤標準安全 Standard Safety for DIN Hook    83.德規吊鉤特殊安全性 Special Safrty for DIN Hook    84.特殊安全栓 Special Safety Latches    85.技術資料圖 Technical Data Diagram    86.技術資料圖 Technical Data Diagram    87.2滑輪組 2 Sheaves Block    88.單鉤6滑輪組 Single Hook 6 Sheaves Block    89.雙鉤4滑輪組 Ramshorn Hook 4 Sheaves Block    90.單鉤雙滑輪組 Single Hook 2 Sheaves Block    91.雙鉤6滑輪組 Ramshorn Hook 6 Sheaves Block    92.單鉤雙滑輪組 Single Hook 2 Sheaves Block    93.鍊條旋轉塊 Revolving Block for Chains    94.卸克 Shackles    95.卸克 Shackles    96.吊鉤 Load Hook    97.規格尺寸 Dimensions    98.規格尺寸 Dimensions    99. 眼型C形鉤(鍊條用) C Hook with Eye (For Use With Chain)    100.長柄C型鉤 C Hook with Shank    101.不鏽鋼 Stainless Steels    102.最後檢測範圍 Extent of Final Inspection    103.最後檢測範圍 Extent of Final Inspection    104.材料測試 Materials Test    105.材料測試 Materials Test    106.數據表 Data Table    107.數據表 Data Table    108.數據表 Data Table

C4-61.圓螺紋

C4.德規標準-鍛造鉤頭和吊重配件                                                                     下載down load     1.鍛造鉤頭和吊重配件 Forged Hooks & Lifting Components    2.吊重鉤頭目錄 Lifting Hooks Contents    3.吊鉤力學特性 Mechanical Properties of Lifting Hooks    4.總結 Concluded    5.吊升荷重表 Table of Lifting Capacity    6.鍛造鉤頭上的應力 Stresses in Forged Hooks    7.垂直斷面上的拉力 Tensile Stress at Vertical Cross Section    8.準則和其他文件參考 Standards and Other Documents Referred to    9.舊版與修訂 Previous Edition & Amendments    10.鍛造鉤頭技術性提交狀況 Technical Delivery Condition for Forged Hook    11.測試 Testing    12.準則和其他文件參考 Standards and Other Documents Referred to    13.吊鉤 Lifting Hook    14.測試與證書 Testing & Certificates    15.檢驗證書 Inspection Certificate    16.準則和其他文件參考 Standards and Other Documents Referred to    17.單鉤雙鉤圖 The Diagram of Single and Ramshorn Hook    18.鉤頭規格尺寸圖 Hook Dimension Chart    19.單鉤非加工部分 Single Hook Unmachined Parts    20.RSN型尺寸,設計 Dimensions & Designation of Type RSN    21.RSN型單鉤可容許的誤差值 Permissible Deviations for Type RSN Single Hooks    22.RF與RFN型單鉤可容許的誤差值       Permissible Deviations for Type RF & Type RFN Single Hooks    23.單鉤-拋光部分附螺紋桿 Single Hook-Finished Parts with Threaded Shank    24. 尺寸,表示方法 Dimensions & Designation    25.單鉤尺寸規格 Dimensions for Single Hook    26.單鉤附螺紋柄與螺帽 Single Hook with Threaded Shank and Nut    27.材料 Material    28.單鉤尺寸規格 Single Hook Dimension    29.單鉤尺寸圖 Single Hook Dimension Diagram    30.單鉤尺寸圖 Single Hook Dimension Diagram    31.眼型吊鉤 Eye Hook    32.眼型吊鉤與卸克結合 Single Eye Hooks for coupling of Shackles    33.250噸3眼特殊吊鉤3 Eyes Special Hook for 250 Ton    34.特殊吊鉤Special Hook    35.特殊吊鉤Special Hook    36.單鉤尺寸規格 Single Hook Dimension    37.50噸吊鉤 Hook for 50 Ton    38.層鉤與元件 Laminated Hooks and Components    39.單鉤尺寸規格 Single Hook Dimension    40.單鉤尺寸規格 Single Hook Dimension    41.單鉤尺寸規格 Single Hook Dimension    42.單鉤尺寸規格 Single Hook Dimension    43.單鉤尺寸規格 Single Hook Dimension    44.單鉤尺寸規格 Single Hook Dimension    45.雙鉤-非機械加工部分 Ramshorn Hooks-Unmachined Parts    46.尺寸,表示方法 Dimension,Designation    47.雙鉤RS, RSN, RF & RFN型尺寸規格 Dimension of Types RS, RSN, RF & RFN Ramshorn Hooks    48.參考準則 Standards Referred to    49.雙鉤-拋光部分附螺紋柄 Ramshorn Hook-Finished Parts of Threaded Shank    50.尺寸,表示方法 Dimension,Designation    51.雙鉤GS,GSN,GF & GFN型 Types GS, GSN, GF & GFN Ramshorn Hooks    52.雙鉤附螺紋柄和螺帽 Ramshorn Hook with Threaded Shank and Nut    53.材料 Material    54.GFN雙鉤 Double Hook GFN    55.德規15402B雙鉤 DIN 15402B Ramshorn Hook    56.雙鉤 Ramshorn Hook    57.雙鉤英國標準 Ramshorn Hook British Standard    58.雙鉤附卸克 Ramshorn Hook for coupling of Shackles    59.德規15402-B雙鉤 DIN 15402-B Ramshorn Hook    60.德規15402-C 4鉤 DIN 15402-C Quad Hook    61.圓螺紋 Knuckle Threads    62.吊鉤懸掛滑輪 Lifting Hook Suspensions for Bottom Block    63.尺寸,表示方法 Dimension,Designation    64.尺寸,表示方法 Dimension,Designation    65.吊鉤懸掛尺寸,承軸和旋緊釘 Dimension, Bearings and clamp screws for Hook Suspensions    66.列舉項目-懸掛鉤頭的元件組合       List of Items- Assembly of Components of Hook Suspensions    67.參考標準 Standards Referred to    68.德規15411鉤頭滑輪組 DIN 15411    69.交叉元件 Cross Pieces    70.尺寸,表示方法 Dimension,Designation    71.參考標準 Standards Referred to    72.交叉元件 Cross Pieces    73.尺寸,表示方法 Dimension,Designation    74.技術資料 Technical Information    75.參考標準 Standards Referred to    76.吊鉤螺帽 Lifting Hook Nuts    77.規格尺寸 Dimensions    78.技術資料 Technical Data    79.參考標準 Standards Referred to    80.保護片 Securing Plates    81.材料(半拋光產品) Material (Semi-Finished Product)    82.德規吊鉤標準安全 Standard Safety for DIN Hook    83.德規吊鉤特殊安全性 Special Safrty for DIN Hook    84.特殊安全栓 Special Safety Latches    85.技術資料圖 Technical Data Diagram    86.技術資料圖 Technical Data Diagram    87.2滑輪組 2 Sheaves Block    88.單鉤6滑輪組 Single Hook 6 Sheaves Block    89.雙鉤4滑輪組 Ramshorn Hook 4 Sheaves Block    90.單鉤雙滑輪組 Single Hook 2 Sheaves Block    91.雙鉤6滑輪組 Ramshorn Hook 6 Sheaves Block    92.單鉤雙滑輪組 Single Hook 2 Sheaves Block    93.鍊條旋轉塊 Revolving Block for Chains    94.卸克 Shackles    95.卸克 Shackles    96.吊鉤 Load Hook    97.規格尺寸 Dimensions    98.規格尺寸 Dimensions    99. 眼型C形鉤(鍊條用) C Hook with Eye (For Use With Chain)    100.長柄C型鉤 C Hook with Shank    101.不鏽鋼 Stainless Steels    102.最後檢測範圍 Extent of Final Inspection    103.最後檢測範圍 Extent of Final Inspection    104.材料測試 Materials Test    105.材料測試 Materials Test    106.數據表 Data Table    107.數據表 Data Table    108.數據表 Data Table

C4-60.德規15402-C

C4.德規標準-鍛造鉤頭和吊重配件                                                                     下載down load     1.鍛造鉤頭和吊重配件 Forged Hooks & Lifting Components    2.吊重鉤頭目錄 Lifting Hooks Contents    3.吊鉤力學特性 Mechanical Properties of Lifting Hooks    4.總結 Concluded    5.吊升荷重表 Table of Lifting Capacity    6.鍛造鉤頭上的應力 Stresses in Forged Hooks    7.垂直斷面上的拉力 Tensile Stress at Vertical Cross Section    8.準則和其他文件參考 Standards and Other Documents Referred to    9.舊版與修訂 Previous Edition & Amendments    10.鍛造鉤頭技術性提交狀況 Technical Delivery Condition for Forged Hook    11.測試 Testing    12.準則和其他文件參考 Standards and Other Documents Referred to    13.吊鉤 Lifting Hook    14.測試與證書 Testing & Certificates    15.檢驗證書 Inspection Certificate    16.準則和其他文件參考 Standards and Other Documents Referred to    17.單鉤雙鉤圖 The Diagram of Single and Ramshorn Hook    18.鉤頭規格尺寸圖 Hook Dimension Chart    19.單鉤非加工部分 Single Hook Unmachined Parts    20.RSN型尺寸,設計 Dimensions & Designation of Type RSN    21.RSN型單鉤可容許的誤差值 Permissible Deviations for Type RSN Single Hooks    22.RF與RFN型單鉤可容許的誤差值       Permissible Deviations for Type RF & Type RFN Single Hooks    23.單鉤-拋光部分附螺紋桿 Single Hook-Finished Parts with Threaded Shank    24. 尺寸,表示方法 Dimensions & Designation    25.單鉤尺寸規格 Dimensions for Single Hook    26.單鉤附螺紋柄與螺帽 Single Hook with Threaded Shank and Nut    27.材料 Material    28.單鉤尺寸規格 Single Hook Dimension    29.單鉤尺寸圖 Single Hook Dimension Diagram    30.單鉤尺寸圖 Single Hook Dimension Diagram    31.眼型吊鉤 Eye Hook    32.眼型吊鉤與卸克結合 Single Eye Hooks for coupling of Shackles    33.250噸3眼特殊吊鉤3 Eyes Special Hook for 250 Ton    34.特殊吊鉤Special Hook    35.特殊吊鉤Special Hook    36.單鉤尺寸規格 Single Hook Dimension    37.50噸吊鉤 Hook for 50 Ton    38.層鉤與元件 Laminated Hooks and Components    39.單鉤尺寸規格 Single Hook Dimension    40.單鉤尺寸規格 Single Hook Dimension    41.單鉤尺寸規格 Single Hook Dimension    42.單鉤尺寸規格 Single Hook Dimension    43.單鉤尺寸規格 Single Hook Dimension    44.單鉤尺寸規格 Single Hook Dimension    45.雙鉤-非機械加工部分 Ramshorn Hooks-Unmachined Parts    46.尺寸,表示方法 Dimension,Designation    47.雙鉤RS, RSN, RF & RFN型尺寸規格 Dimension of Types RS, RSN, RF & RFN Ramshorn Hooks    48.參考準則 Standards Referred to    49.雙鉤-拋光部分附螺紋柄 Ramshorn Hook-Finished Parts of Threaded Shank    50.尺寸,表示方法 Dimension,Designation    51.雙鉤GS,GSN,GF & GFN型 Types GS, GSN, GF & GFN Ramshorn Hooks    52.雙鉤附螺紋柄和螺帽 Ramshorn Hook with Threaded Shank and Nut    53.材料 Material    54.GFN雙鉤 Double Hook GFN    55.德規15402B雙鉤 DIN 15402B Ramshorn Hook    56.雙鉤 Ramshorn Hook    57.雙鉤英國標準 Ramshorn Hook British Standard    58.雙鉤附卸克 Ramshorn Hook for coupling of Shackles    59.德規15402-B雙鉤 DIN 15402-B Ramshorn Hook    60.德規15402-C 4鉤 DIN 15402-C Quad Hook    61.圓螺紋 Knuckle Threads    62.吊鉤懸掛滑輪 Lifting Hook Suspensions for Bottom Block    63.尺寸,表示方法 Dimension,Designation    64.尺寸,表示方法 Dimension,Designation    65.吊鉤懸掛尺寸,承軸和旋緊釘 Dimension, Bearings and clamp screws for Hook Suspensions    66.列舉項目-懸掛鉤頭的元件組合       List of Items- Assembly of Components of Hook Suspensions    67.參考標準 Standards Referred to    68.德規15411鉤頭滑輪組 DIN 15411    69.交叉元件 Cross Pieces    70.尺寸,表示方法 Dimension,Designation    71.參考標準 Standards Referred to    72.交叉元件 Cross Pieces    73.尺寸,表示方法 Dimension,Designation    74.技術資料 Technical Information    75.參考標準 Standards Referred to    76.吊鉤螺帽 Lifting Hook Nuts    77.規格尺寸 Dimensions    78.技術資料 Technical Data    79.參考標準 Standards Referred to    80.保護片 Securing Plates    81.材料(半拋光產品) Material (Semi-Finished Product)    82.德規吊鉤標準安全 Standard Safety for DIN Hook    83.德規吊鉤特殊安全性 Special Safrty for DIN Hook    84.特殊安全栓 Special Safety Latches    85.技術資料圖 Technical Data Diagram    86.技術資料圖 Technical Data Diagram    87.2滑輪組 2 Sheaves Block    88.單鉤6滑輪組 Single Hook 6 Sheaves Block    89.雙鉤4滑輪組 Ramshorn Hook 4 Sheaves Block    90.單鉤雙滑輪組 Single Hook 2 Sheaves Block    91.雙鉤6滑輪組 Ramshorn Hook 6 Sheaves Block    92.單鉤雙滑輪組 Single Hook 2 Sheaves Block    93.鍊條旋轉塊 Revolving Block for Chains    94.卸克 Shackles    95.卸克 Shackles    96.吊鉤 Load Hook    97.規格尺寸 Dimensions    98.規格尺寸 Dimensions    99. 眼型C形鉤(鍊條用) C Hook with Eye (For Use With Chain)    100.長柄C型鉤 C Hook with Shank    101.不鏽鋼 Stainless Steels    102.最後檢測範圍 Extent of Final Inspection    103.最後檢測範圍 Extent of Final Inspection    104.材料測試 Materials Test    105.材料測試 Materials Test    106.數據表 Data Table    107.數據表 Data Table    108.數據表 Data Table

C4-59.德規15402-B雙鉤

C4.德規標準-鍛造鉤頭和吊重配件                                                                     下載down load     1.鍛造鉤頭和吊重配件 Forged Hooks & Lifting Components    2.吊重鉤頭目錄 Lifting Hooks Contents    3.吊鉤力學特性 Mechanical Properties of Lifting Hooks    4.總結 Concluded    5.吊升荷重表 Table of Lifting Capacity    6.鍛造鉤頭上的應力 Stresses in Forged Hooks    7.垂直斷面上的拉力 Tensile Stress at Vertical Cross Section    8.準則和其他文件參考 Standards and Other Documents Referred to    9.舊版與修訂 Previous Edition & Amendments    10.鍛造鉤頭技術性提交狀況 Technical Delivery Condition for Forged Hook    11.測試 Testing    12.準則和其他文件參考 Standards and Other Documents Referred to    13.吊鉤 Lifting Hook    14.測試與證書 Testing & Certificates    15.檢驗證書 Inspection Certificate    16.準則和其他文件參考 Standards and Other Documents Referred to    17.單鉤雙鉤圖 The Diagram of Single and Ramshorn Hook    18.鉤頭規格尺寸圖 Hook Dimension Chart    19.單鉤非加工部分 Single Hook Unmachined Parts    20.RSN型尺寸,設計 Dimensions & Designation of Type RSN    21.RSN型單鉤可容許的誤差值 Permissible Deviations for Type RSN Single Hooks    22.RF與RFN型單鉤可容許的誤差值       Permissible Deviations for Type RF & Type RFN Single Hooks    23.單鉤-拋光部分附螺紋桿 Single Hook-Finished Parts with Threaded Shank    24. 尺寸,表示方法 Dimensions & Designation    25.單鉤尺寸規格 Dimensions for Single Hook    26.單鉤附螺紋柄與螺帽 Single Hook with Threaded Shank and Nut    27.材料 Material    28.單鉤尺寸規格 Single Hook Dimension    29.單鉤尺寸圖 Single Hook Dimension Diagram    30.單鉤尺寸圖 Single Hook Dimension Diagram    31.眼型吊鉤 Eye Hook    32.眼型吊鉤與卸克結合 Single Eye Hooks for coupling of Shackles    33.250噸3眼特殊吊鉤3 Eyes Special Hook for 250 Ton    34.特殊吊鉤Special Hook    35.特殊吊鉤Special Hook    36.單鉤尺寸規格 Single Hook Dimension    37.50噸吊鉤 Hook for 50 Ton    38.層鉤與元件 Laminated Hooks and Components    39.單鉤尺寸規格 Single Hook Dimension    40.單鉤尺寸規格 Single Hook Dimension    41.單鉤尺寸規格 Single Hook Dimension    42.單鉤尺寸規格 Single Hook Dimension    43.單鉤尺寸規格 Single Hook Dimension    44.單鉤尺寸規格 Single Hook Dimension    45.雙鉤-非機械加工部分 Ramshorn Hooks-Unmachined Parts    46.尺寸,表示方法 Dimension,Designation    47.雙鉤RS, RSN, RF & RFN型尺寸規格 Dimension of Types RS, RSN, RF & RFN Ramshorn Hooks    48.參考準則 Standards Referred to    49.雙鉤-拋光部分附螺紋柄 Ramshorn Hook-Finished Parts of Threaded Shank    50.尺寸,表示方法 Dimension,Designation    51.雙鉤GS,GSN,GF & GFN型 Types GS, GSN, GF & GFN Ramshorn Hooks    52.雙鉤附螺紋柄和螺帽 Ramshorn Hook with Threaded Shank and Nut    53.材料 Material    54.GFN雙鉤 Double Hook GFN    55.德規15402B雙鉤 DIN 15402B Ramshorn Hook    56.雙鉤 Ramshorn Hook    57.雙鉤英國標準 Ramshorn Hook British Standard    58.雙鉤附卸克 Ramshorn Hook for coupling of Shackles    59.德規15402-B雙鉤 DIN 15402-B Ramshorn Hook    60.德規15402-C 4鉤 DIN 15402-C Quad Hook    61.圓螺紋 Knuckle Threads    62.吊鉤懸掛滑輪 Lifting Hook Suspensions for Bottom Block    63.尺寸,表示方法 Dimension,Designation    64.尺寸,表示方法 Dimension,Designation    65.吊鉤懸掛尺寸,承軸和旋緊釘 Dimension, Bearings and clamp screws for Hook Suspensions    66.列舉項目-懸掛鉤頭的元件組合       List of Items- Assembly of Components of Hook Suspensions    67.參考標準 Standards Referred to    68.德規15411鉤頭滑輪組 DIN 15411    69.交叉元件 Cross Pieces    70.尺寸,表示方法 Dimension,Designation    71.參考標準 Standards Referred to    72.交叉元件 Cross Pieces    73.尺寸,表示方法 Dimension,Designation    74.技術資料 Technical Information    75.參考標準 Standards Referred to    76.吊鉤螺帽 Lifting Hook Nuts    77.規格尺寸 Dimensions    78.技術資料 Technical Data    79.參考標準 Standards Referred to    80.保護片 Securing Plates    81.材料(半拋光產品) Material (Semi-Finished Product)    82.德規吊鉤標準安全 Standard Safety for DIN Hook    83.德規吊鉤特殊安全性 Special Safrty for DIN Hook    84.特殊安全栓 Special Safety Latches    85.技術資料圖 Technical Data Diagram    86.技術資料圖 Technical Data Diagram    87.2滑輪組 2 Sheaves Block    88.單鉤6滑輪組 Single Hook 6 Sheaves Block    89.雙鉤4滑輪組 Ramshorn Hook 4 Sheaves Block    90.單鉤雙滑輪組 Single Hook 2 Sheaves Block    91.雙鉤6滑輪組 Ramshorn Hook 6 Sheaves Block    92.單鉤雙滑輪組 Single Hook 2 Sheaves Block    93.鍊條旋轉塊 Revolving Block for Chains    94.卸克 Shackles    95.卸克 Shackles    96.吊鉤 Load Hook    97.規格尺寸 Dimensions    98.規格尺寸 Dimensions    99. 眼型C形鉤(鍊條用) C Hook with Eye (For Use With Chain)    100.長柄C型鉤 C Hook with Shank    101.不鏽鋼 Stainless Steels    102.最後檢測範圍 Extent of Final Inspection    103.最後檢測範圍 Extent of Final Inspection    104.材料測試 Materials Test    105.材料測試 Materials Test    106.數據表 Data Table    107.數據表 Data Table    108.數據表 Data Table

C4-58.雙鉤附卸克

C4.德規標準-鍛造鉤頭和吊重配件                                                                     下載down load     1.鍛造鉤頭和吊重配件 Forged Hooks & Lifting Components    2.吊重鉤頭目錄 Lifting Hooks Contents    3.吊鉤力學特性 Mechanical Properties of Lifting Hooks    4.總結 Concluded    5.吊升荷重表 Table of Lifting Capacity    6.鍛造鉤頭上的應力 Stresses in Forged Hooks    7.垂直斷面上的拉力 Tensile Stress at Vertical Cross Section    8.準則和其他文件參考 Standards and Other Documents Referred to    9.舊版與修訂 Previous Edition & Amendments    10.鍛造鉤頭技術性提交狀況 Technical Delivery Condition for Forged Hook    11.測試 Testing    12.準則和其他文件參考 Standards and Other Documents Referred to    13.吊鉤 Lifting Hook    14.測試與證書 Testing & Certificates    15.檢驗證書 Inspection Certificate    16.準則和其他文件參考 Standards and Other Documents Referred to    17.單鉤雙鉤圖 The Diagram of Single and Ramshorn Hook    18.鉤頭規格尺寸圖 Hook Dimension Chart    19.單鉤非加工部分 Single Hook Unmachined Parts    20.RSN型尺寸,設計 Dimensions & Designation of Type RSN    21.RSN型單鉤可容許的誤差值 Permissible Deviations for Type RSN Single Hooks    22.RF與RFN型單鉤可容許的誤差值       Permissible Deviations for Type RF & Type RFN Single Hooks    23.單鉤-拋光部分附螺紋桿 Single Hook-Finished Parts with Threaded Shank    24. 尺寸,表示方法 Dimensions & Designation    25.單鉤尺寸規格 Dimensions for Single Hook    26.單鉤附螺紋柄與螺帽 Single Hook with Threaded Shank and Nut    27.材料 Material    28.單鉤尺寸規格 Single Hook Dimension    29.單鉤尺寸圖 Single Hook Dimension Diagram    30.單鉤尺寸圖 Single Hook Dimension Diagram    31.眼型吊鉤 Eye Hook    32.眼型吊鉤與卸克結合 Single Eye Hooks for coupling of Shackles    33.250噸3眼特殊吊鉤3 Eyes Special Hook for 250 Ton    34.特殊吊鉤Special Hook    35.特殊吊鉤Special Hook    36.單鉤尺寸規格 Single Hook Dimension    37.50噸吊鉤 Hook for 50 Ton    38.層鉤與元件 Laminated Hooks and Components    39.單鉤尺寸規格 Single Hook Dimension    40.單鉤尺寸規格 Single Hook Dimension    41.單鉤尺寸規格 Single Hook Dimension    42.單鉤尺寸規格 Single Hook Dimension    43.單鉤尺寸規格 Single Hook Dimension    44.單鉤尺寸規格 Single Hook Dimension    45.雙鉤-非機械加工部分 Ramshorn Hooks-Unmachined Parts    46.尺寸,表示方法 Dimension,Designation    47.雙鉤RS, RSN, RF & RFN型尺寸規格 Dimension of Types RS, RSN, RF & RFN Ramshorn Hooks    48.參考準則 Standards Referred to    49.雙鉤-拋光部分附螺紋柄 Ramshorn Hook-Finished Parts of Threaded Shank    50.尺寸,表示方法 Dimension,Designation    51.雙鉤GS,GSN,GF & GFN型 Types GS, GSN, GF & GFN Ramshorn Hooks    52.雙鉤附螺紋柄和螺帽 Ramshorn Hook with Threaded Shank and Nut    53.材料 Material    54.GFN雙鉤 Double Hook GFN    55.德規15402B雙鉤 DIN 15402B Ramshorn Hook    56.雙鉤 Ramshorn Hook    57.雙鉤英國標準 Ramshorn Hook British Standard    58.雙鉤附卸克 Ramshorn Hook for coupling of Shackles    59.德規15402-B雙鉤 DIN 15402-B Ramshorn Hook    60.德規15402-C 4鉤 DIN 15402-C Quad Hook    61.圓螺紋 Knuckle Threads    62.吊鉤懸掛滑輪 Lifting Hook Suspensions for Bottom Block    63.尺寸,表示方法 Dimension,Designation    64.尺寸,表示方法 Dimension,Designation    65.吊鉤懸掛尺寸,承軸和旋緊釘 Dimension, Bearings and clamp screws for Hook Suspensions    66.列舉項目-懸掛鉤頭的元件組合       List of Items- Assembly of Components of Hook Suspensions    67.參考標準 Standards Referred to    68.德規15411鉤頭滑輪組 DIN 15411    69.交叉元件 Cross Pieces    70.尺寸,表示方法 Dimension,Designation    71.參考標準 Standards Referred to    72.交叉元件 Cross Pieces    73.尺寸,表示方法 Dimension,Designation    74.技術資料 Technical Information    75.參考標準 Standards Referred to    76.吊鉤螺帽 Lifting Hook Nuts    77.規格尺寸 Dimensions    78.技術資料 Technical Data    79.參考標準 Standards Referred to    80.保護片 Securing Plates    81.材料(半拋光產品) Material (Semi-Finished Product)    82.德規吊鉤標準安全 Standard Safety for DIN Hook    83.德規吊鉤特殊安全性 Special Safrty for DIN Hook    84.特殊安全栓 Special Safety Latches    85.技術資料圖 Technical Data Diagram    86.技術資料圖 Technical Data Diagram    87.2滑輪組 2 Sheaves Block    88.單鉤6滑輪組 Single Hook 6 Sheaves Block    89.雙鉤4滑輪組 Ramshorn Hook 4 Sheaves Block    90.單鉤雙滑輪組 Single Hook 2 Sheaves Block    91.雙鉤6滑輪組 Ramshorn Hook 6 Sheaves Block    92.單鉤雙滑輪組 Single Hook 2 Sheaves Block    93.鍊條旋轉塊 Revolving Block for Chains    94.卸克 Shackles    95.卸克 Shackles    96.吊鉤 Load Hook    97.規格尺寸 Dimensions    98.規格尺寸 Dimensions    99. 眼型C形鉤(鍊條用) C Hook with Eye (For Use With Chain)    100.長柄C型鉤 C Hook with Shank    101.不鏽鋼 Stainless Steels    102.最後檢測範圍 Extent of Final Inspection    103.最後檢測範圍 Extent of Final Inspection    104.材料測試 Materials Test    105.材料測試 Materials Test    106.數據表 Data Table    107.數據表 Data Table    108.數據表 Data Table

C4-57.雙鉤英國標準

C4.德規標準-鍛造鉤頭和吊重配件                                                                     下載down load     1.鍛造鉤頭和吊重配件 Forged Hooks & Lifting Components    2.吊重鉤頭目錄 Lifting Hooks Contents    3.吊鉤力學特性 Mechanical Properties of Lifting Hooks    4.總結 Concluded    5.吊升荷重表 Table of Lifting Capacity    6.鍛造鉤頭上的應力 Stresses in Forged Hooks    7.垂直斷面上的拉力 Tensile Stress at Vertical Cross Section    8.準則和其他文件參考 Standards and Other Documents Referred to    9.舊版與修訂 Previous Edition & Amendments    10.鍛造鉤頭技術性提交狀況 Technical Delivery Condition for Forged Hook    11.測試 Testing    12.準則和其他文件參考 Standards and Other Documents Referred to    13.吊鉤 Lifting Hook    14.測試與證書 Testing & Certificates    15.檢驗證書 Inspection Certificate    16.準則和其他文件參考 Standards and Other Documents Referred to    17.單鉤雙鉤圖 The Diagram of Single and Ramshorn Hook    18.鉤頭規格尺寸圖 Hook Dimension Chart    19.單鉤非加工部分 Single Hook Unmachined Parts    20.RSN型尺寸,設計 Dimensions & Designation of Type RSN    21.RSN型單鉤可容許的誤差值 Permissible Deviations for Type RSN Single Hooks    22.RF與RFN型單鉤可容許的誤差值       Permissible Deviations for Type RF & Type RFN Single Hooks    23.單鉤-拋光部分附螺紋桿 Single Hook-Finished Parts with Threaded Shank    24. 尺寸,表示方法 Dimensions & Designation    25.單鉤尺寸規格 Dimensions for Single Hook    26.單鉤附螺紋柄與螺帽 Single Hook with Threaded Shank and Nut    27.材料 Material    28.單鉤尺寸規格 Single Hook Dimension    29.單鉤尺寸圖 Single Hook Dimension Diagram    30.單鉤尺寸圖 Single Hook Dimension Diagram    31.眼型吊鉤 Eye Hook    32.眼型吊鉤與卸克結合 Single Eye Hooks for coupling of Shackles    33.250噸3眼特殊吊鉤3 Eyes Special Hook for 250 Ton    34.特殊吊鉤Special Hook    35.特殊吊鉤Special Hook    36.單鉤尺寸規格 Single Hook Dimension    37.50噸吊鉤 Hook for 50 Ton    38.層鉤與元件 Laminated Hooks and Components    39.單鉤尺寸規格 Single Hook Dimension    40.單鉤尺寸規格 Single Hook Dimension    41.單鉤尺寸規格 Single Hook Dimension    42.單鉤尺寸規格 Single Hook Dimension    43.單鉤尺寸規格 Single Hook Dimension    44.單鉤尺寸規格 Single Hook Dimension    45.雙鉤-非機械加工部分 Ramshorn Hooks-Unmachined Parts    46.尺寸,表示方法 Dimension,Designation    47.雙鉤RS, RSN, RF & RFN型尺寸規格 Dimension of Types RS, RSN, RF & RFN Ramshorn Hooks    48.參考準則 Standards Referred to    49.雙鉤-拋光部分附螺紋柄 Ramshorn Hook-Finished Parts of Threaded Shank    50.尺寸,表示方法 Dimension,Designation    51.雙鉤GS,GSN,GF & GFN型 Types GS, GSN, GF & GFN Ramshorn Hooks    52.雙鉤附螺紋柄和螺帽 Ramshorn Hook with Threaded Shank and Nut    53.材料 Material    54.GFN雙鉤 Double Hook GFN    55.德規15402B雙鉤 DIN 15402B Ramshorn Hook    56.雙鉤 Ramshorn Hook    57.雙鉤英國標準 Ramshorn Hook British Standard    58.雙鉤附卸克 Ramshorn Hook for coupling of Shackles    59.德規15402-B雙鉤 DIN 15402-B Ramshorn Hook    60.德規15402-C 4鉤 DIN 15402-C Quad Hook    61.圓螺紋 Knuckle Threads    62.吊鉤懸掛滑輪 Lifting Hook Suspensions for Bottom Block    63.尺寸,表示方法 Dimension,Designation    64.尺寸,表示方法 Dimension,Designation    65.吊鉤懸掛尺寸,承軸和旋緊釘 Dimension, Bearings and clamp screws for Hook Suspensions    66.列舉項目-懸掛鉤頭的元件組合       List of Items- Assembly of Components of Hook Suspensions    67.參考標準 Standards Referred to    68.德規15411鉤頭滑輪組 DIN 15411    69.交叉元件 Cross Pieces    70.尺寸,表示方法 Dimension,Designation    71.參考標準 Standards Referred to    72.交叉元件 Cross Pieces    73.尺寸,表示方法 Dimension,Designation    74.技術資料 Technical Information    75.參考標準 Standards Referred to    76.吊鉤螺帽 Lifting Hook Nuts    77.規格尺寸 Dimensions    78.技術資料 Technical Data    79.參考標準 Standards Referred to    80.保護片 Securing Plates    81.材料(半拋光產品) Material (Semi-Finished Product)    82.德規吊鉤標準安全 Standard Safety for DIN Hook    83.德規吊鉤特殊安全性 Special Safrty for DIN Hook    84.特殊安全栓 Special Safety Latches    85.技術資料圖 Technical Data Diagram    86.技術資料圖 Technical Data Diagram    87.2滑輪組 2 Sheaves Block    88.單鉤6滑輪組 Single Hook 6 Sheaves Block    89.雙鉤4滑輪組 Ramshorn Hook 4 Sheaves Block    90.單鉤雙滑輪組 Single Hook 2 Sheaves Block    91.雙鉤6滑輪組 Ramshorn Hook 6 Sheaves Block    92.單鉤雙滑輪組 Single Hook 2 Sheaves Block    93.鍊條旋轉塊 Revolving Block for Chains    94.卸克 Shackles    95.卸克 Shackles    96.吊鉤 Load Hook    97.規格尺寸 Dimensions    98.規格尺寸 Dimensions    99. 眼型C形鉤(鍊條用) C Hook with Eye (For Use With Chain)    100.長柄C型鉤 C Hook with Shank    101.不鏽鋼 Stainless Steels    102.最後檢測範圍 Extent of Final Inspection    103.最後檢測範圍 Extent of Final Inspection    104.材料測試 Materials Test    105.材料測試 Materials Test    106.數據表 Data Table    107.數據表 Data Table    108.數據表 Data Table

C4-56.雙鉤

C4.德規標準-鍛造鉤頭和吊重配件                                                                     下載down load     1.鍛造鉤頭和吊重配件 Forged Hooks & Lifting Components    2.吊重鉤頭目錄 Lifting Hooks Contents    3.吊鉤力學特性 Mechanical Properties of Lifting Hooks    4.總結 Concluded    5.吊升荷重表 Table of Lifting Capacity    6.鍛造鉤頭上的應力 Stresses in Forged Hooks    7.垂直斷面上的拉力 Tensile Stress at Vertical Cross Section    8.準則和其他文件參考 Standards and Other Documents Referred to    9.舊版與修訂 Previous Edition & Amendments    10.鍛造鉤頭技術性提交狀況 Technical Delivery Condition for Forged Hook    11.測試 Testing    12.準則和其他文件參考 Standards and Other Documents Referred to    13.吊鉤 Lifting Hook    14.測試與證書 Testing & Certificates    15.檢驗證書 Inspection Certificate    16.準則和其他文件參考 Standards and Other Documents Referred to    17.單鉤雙鉤圖 The Diagram of Single and Ramshorn Hook    18.鉤頭規格尺寸圖 Hook Dimension Chart    19.單鉤非加工部分 Single Hook Unmachined Parts    20.RSN型尺寸,設計 Dimensions & Designation of Type RSN    21.RSN型單鉤可容許的誤差值 Permissible Deviations for Type RSN Single Hooks    22.RF與RFN型單鉤可容許的誤差值       Permissible Deviations for Type RF & Type RFN Single Hooks    23.單鉤-拋光部分附螺紋桿 Single Hook-Finished Parts with Threaded Shank    24. 尺寸,表示方法 Dimensions & Designation    25.單鉤尺寸規格 Dimensions for Single Hook    26.單鉤附螺紋柄與螺帽 Single Hook with Threaded Shank and Nut    27.材料 Material    28.單鉤尺寸規格 Single Hook Dimension    29.單鉤尺寸圖 Single Hook Dimension Diagram    30.單鉤尺寸圖 Single Hook Dimension Diagram    31.眼型吊鉤 Eye Hook    32.眼型吊鉤與卸克結合 Single Eye Hooks for coupling of Shackles    33.250噸3眼特殊吊鉤3 Eyes Special Hook for 250 Ton    34.特殊吊鉤Special Hook    35.特殊吊鉤Special Hook    36.單鉤尺寸規格 Single Hook Dimension    37.50噸吊鉤 Hook for 50 Ton    38.層鉤與元件 Laminated Hooks and Components    39.單鉤尺寸規格 Single Hook Dimension    40.單鉤尺寸規格 Single Hook Dimension    41.單鉤尺寸規格 Single Hook Dimension    42.單鉤尺寸規格 Single Hook Dimension    43.單鉤尺寸規格 Single Hook Dimension    44.單鉤尺寸規格 Single Hook Dimension    45.雙鉤-非機械加工部分 Ramshorn Hooks-Unmachined Parts    46.尺寸,表示方法 Dimension,Designation    47.雙鉤RS, RSN, RF & RFN型尺寸規格 Dimension of Types RS, RSN, RF & RFN Ramshorn Hooks    48.參考準則 Standards Referred to    49.雙鉤-拋光部分附螺紋柄 Ramshorn Hook-Finished Parts of Threaded Shank    50.尺寸,表示方法 Dimension,Designation    51.雙鉤GS,GSN,GF & GFN型 Types GS, GSN, GF & GFN Ramshorn Hooks    52.雙鉤附螺紋柄和螺帽 Ramshorn Hook with Threaded Shank and Nut    53.材料 Material    54.GFN雙鉤 Double Hook GFN    55.德規15402B雙鉤 DIN 15402B Ramshorn Hook    56.雙鉤 Ramshorn Hook    57.雙鉤英國標準 Ramshorn Hook British Standard    58.雙鉤附卸克 Ramshorn Hook for coupling of Shackles    59.德規15402-B雙鉤 DIN 15402-B Ramshorn Hook    60.德規15402-C 4鉤 DIN 15402-C Quad Hook    61.圓螺紋 Knuckle Threads    62.吊鉤懸掛滑輪 Lifting Hook Suspensions for Bottom Block    63.尺寸,表示方法 Dimension,Designation    64.尺寸,表示方法 Dimension,Designation    65.吊鉤懸掛尺寸,承軸和旋緊釘 Dimension, Bearings and clamp screws for Hook Suspensions    66.列舉項目-懸掛鉤頭的元件組合       List of Items- Assembly of Components of Hook Suspensions    67.參考標準 Standards Referred to    68.德規15411鉤頭滑輪組 DIN 15411    69.交叉元件 Cross Pieces    70.尺寸,表示方法 Dimension,Designation    71.參考標準 Standards Referred to    72.交叉元件 Cross Pieces    73.尺寸,表示方法 Dimension,Designation    74.技術資料 Technical Information    75.參考標準 Standards Referred to    76.吊鉤螺帽 Lifting Hook Nuts    77.規格尺寸 Dimensions    78.技術資料 Technical Data    79.參考標準 Standards Referred to    80.保護片 Securing Plates    81.材料(半拋光產品) Material (Semi-Finished Product)    82.德規吊鉤標準安全 Standard Safety for DIN Hook    83.德規吊鉤特殊安全性 Special Safrty for DIN Hook    84.特殊安全栓 Special Safety Latches    85.技術資料圖 Technical Data Diagram    86.技術資料圖 Technical Data Diagram    87.2滑輪組 2 Sheaves Block    88.單鉤6滑輪組 Single Hook 6 Sheaves Block    89.雙鉤4滑輪組 Ramshorn Hook 4 Sheaves Block    90.單鉤雙滑輪組 Single Hook 2 Sheaves Block    91.雙鉤6滑輪組 Ramshorn Hook 6 Sheaves Block    92.單鉤雙滑輪組 Single Hook 2 Sheaves Block    93.鍊條旋轉塊 Revolving Block for Chains    94.卸克 Shackles    95.卸克 Shackles    96.吊鉤 Load Hook    97.規格尺寸 Dimensions    98.規格尺寸 Dimensions    99. 眼型C形鉤(鍊條用) C Hook with Eye (For Use With Chain)    100.長柄C型鉤 C Hook with Shank    101.不鏽鋼 Stainless Steels    102.最後檢測範圍 Extent of Final Inspection    103.最後檢測範圍 Extent of Final Inspection    104.材料測試 Materials Test    105.材料測試 Materials Test    106.數據表 Data Table    107.數據表 Data Table    108.數據表 Data Table

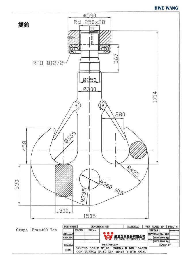
C4-55.德規15402B雙鉤

C4.德規標準-鍛造鉤頭和吊重配件                                                                     下載down load     1.鍛造鉤頭和吊重配件 Forged Hooks & Lifting Components    2.吊重鉤頭目錄 Lifting Hooks Contents    3.吊鉤力學特性 Mechanical Properties of Lifting Hooks    4.總結 Concluded    5.吊升荷重表 Table of Lifting Capacity    6.鍛造鉤頭上的應力 Stresses in Forged Hooks    7.垂直斷面上的拉力 Tensile Stress at Vertical Cross Section    8.準則和其他文件參考 Standards and Other Documents Referred to    9.舊版與修訂 Previous Edition & Amendments    10.鍛造鉤頭技術性提交狀況 Technical Delivery Condition for Forged Hook    11.測試 Testing    12.準則和其他文件參考 Standards and Other Documents Referred to    13.吊鉤 Lifting Hook    14.測試與證書 Testing & Certificates    15.檢驗證書 Inspection Certificate    16.準則和其他文件參考 Standards and Other Documents Referred to    17.單鉤雙鉤圖 The Diagram of Single and Ramshorn Hook    18.鉤頭規格尺寸圖 Hook Dimension Chart    19.單鉤非加工部分 Single Hook Unmachined Parts    20.RSN型尺寸,設計 Dimensions & Designation of Type RSN    21.RSN型單鉤可容許的誤差值 Permissible Deviations for Type RSN Single Hooks    22.RF與RFN型單鉤可容許的誤差值       Permissible Deviations for Type RF & Type RFN Single Hooks    23.單鉤-拋光部分附螺紋桿 Single Hook-Finished Parts with Threaded Shank    24. 尺寸,表示方法 Dimensions & Designation    25.單鉤尺寸規格 Dimensions for Single Hook    26.單鉤附螺紋柄與螺帽 Single Hook with Threaded Shank and Nut    27.材料 Material    28.單鉤尺寸規格 Single Hook Dimension    29.單鉤尺寸圖 Single Hook Dimension Diagram    30.單鉤尺寸圖 Single Hook Dimension Diagram    31.眼型吊鉤 Eye Hook    32.眼型吊鉤與卸克結合 Single Eye Hooks for coupling of Shackles    33.250噸3眼特殊吊鉤3 Eyes Special Hook for 250 Ton    34.特殊吊鉤Special Hook    35.特殊吊鉤Special Hook    36.單鉤尺寸規格 Single Hook Dimension    37.50噸吊鉤 Hook for 50 Ton    38.層鉤與元件 Laminated Hooks and Components    39.單鉤尺寸規格 Single Hook Dimension    40.單鉤尺寸規格 Single Hook Dimension    41.單鉤尺寸規格 Single Hook Dimension    42.單鉤尺寸規格 Single Hook Dimension    43.單鉤尺寸規格 Single Hook Dimension    44.單鉤尺寸規格 Single Hook Dimension    45.雙鉤-非機械加工部分 Ramshorn Hooks-Unmachined Parts    46.尺寸,表示方法 Dimension,Designation    47.雙鉤RS, RSN, RF & RFN型尺寸規格 Dimension of Types RS, RSN, RF & RFN Ramshorn Hooks    48.參考準則 Standards Referred to    49.雙鉤-拋光部分附螺紋柄 Ramshorn Hook-Finished Parts of Threaded Shank    50.尺寸,表示方法 Dimension,Designation    51.雙鉤GS,GSN,GF & GFN型 Types GS, GSN, GF & GFN Ramshorn Hooks    52.雙鉤附螺紋柄和螺帽 Ramshorn Hook with Threaded Shank and Nut    53.材料 Material    54.GFN雙鉤 Double Hook GFN    55.德規15402B雙鉤 DIN 15402B Ramshorn Hook    56.雙鉤 Ramshorn Hook    57.雙鉤英國標準 Ramshorn Hook British Standard    58.雙鉤附卸克 Ramshorn Hook for coupling of Shackles    59.德規15402-B雙鉤 DIN 15402-B Ramshorn Hook    60.德規15402-C 4鉤 DIN 15402-C Quad Hook    61.圓螺紋 Knuckle Threads    62.吊鉤懸掛滑輪 Lifting Hook Suspensions for Bottom Block    63.尺寸,表示方法 Dimension,Designation    64.尺寸,表示方法 Dimension,Designation    65.吊鉤懸掛尺寸,承軸和旋緊釘 Dimension, Bearings and clamp screws for Hook Suspensions    66.列舉項目-懸掛鉤頭的元件組合       List of Items- Assembly of Components of Hook Suspensions    67.參考標準 Standards Referred to    68.德規15411鉤頭滑輪組 DIN 15411    69.交叉元件 Cross Pieces    70.尺寸,表示方法 Dimension,Designation    71.參考標準 Standards Referred to    72.交叉元件 Cross Pieces    73.尺寸,表示方法 Dimension,Designation    74.技術資料 Technical Information    75.參考標準 Standards Referred to    76.吊鉤螺帽 Lifting Hook Nuts    77.規格尺寸 Dimensions    78.技術資料 Technical Data    79.參考標準 Standards Referred to    80.保護片 Securing Plates    81.材料(半拋光產品) Material (Semi-Finished Product)    82.德規吊鉤標準安全 Standard Safety for DIN Hook    83.德規吊鉤特殊安全性 Special Safrty for DIN Hook    84.特殊安全栓 Special Safety Latches    85.技術資料圖 Technical Data Diagram    86.技術資料圖 Technical Data Diagram    87.2滑輪組 2 Sheaves Block    88.單鉤6滑輪組 Single Hook 6 Sheaves Block    89.雙鉤4滑輪組 Ramshorn Hook 4 Sheaves Block    90.單鉤雙滑輪組 Single Hook 2 Sheaves Block    91.雙鉤6滑輪組 Ramshorn Hook 6 Sheaves Block    92.單鉤雙滑輪組 Single Hook 2 Sheaves Block    93.鍊條旋轉塊 Revolving Block for Chains    94.卸克 Shackles    95.卸克 Shackles    96.吊鉤 Load Hook    97.規格尺寸 Dimensions    98.規格尺寸 Dimensions    99. 眼型C形鉤(鍊條用) C Hook with Eye (For Use With Chain)    100.長柄C型鉤 C Hook with Shank    101.不鏽鋼 Stainless Steels    102.最後檢測範圍 Extent of Final Inspection    103.最後檢測範圍 Extent of Final Inspection    104.材料測試 Materials Test    105.材料測試 Materials Test    106.數據表 Data Table    107.數據表 Data Table    108.數據表 Data Table

C4-54.GFN雙鉤

C4.德規標準-鍛造鉤頭和吊重配件                                                                     下載down load     1.鍛造鉤頭和吊重配件 Forged Hooks & Lifting Components    2.吊重鉤頭目錄 Lifting Hooks Contents    3.吊鉤力學特性 Mechanical Properties of Lifting Hooks    4.總結 Concluded    5.吊升荷重表 Table of Lifting Capacity    6.鍛造鉤頭上的應力 Stresses in Forged Hooks    7.垂直斷面上的拉力 Tensile Stress at Vertical Cross Section    8.準則和其他文件參考 Standards and Other Documents Referred to    9.舊版與修訂 Previous Edition & Amendments    10.鍛造鉤頭技術性提交狀況 Technical Delivery Condition for Forged Hook    11.測試 Testing    12.準則和其他文件參考 Standards and Other Documents Referred to    13.吊鉤 Lifting Hook    14.測試與證書 Testing & Certificates    15.檢驗證書 Inspection Certificate    16.準則和其他文件參考 Standards and Other Documents Referred to    17.單鉤雙鉤圖 The Diagram of Single and Ramshorn Hook    18.鉤頭規格尺寸圖 Hook Dimension Chart    19.單鉤非加工部分 Single Hook Unmachined Parts    20.RSN型尺寸,設計 Dimensions & Designation of Type RSN    21.RSN型單鉤可容許的誤差值 Permissible Deviations for Type RSN Single Hooks    22.RF與RFN型單鉤可容許的誤差值       Permissible Deviations for Type RF & Type RFN Single Hooks    23.單鉤-拋光部分附螺紋桿 Single Hook-Finished Parts with Threaded Shank    24. 尺寸,表示方法 Dimensions & Designation    25.單鉤尺寸規格 Dimensions for Single Hook    26.單鉤附螺紋柄與螺帽 Single Hook with Threaded Shank and Nut    27.材料 Material    28.單鉤尺寸規格 Single Hook Dimension    29.單鉤尺寸圖 Single Hook Dimension Diagram    30.單鉤尺寸圖 Single Hook Dimension Diagram    31.眼型吊鉤 Eye Hook    32.眼型吊鉤與卸克結合 Single Eye Hooks for coupling of Shackles    33.250噸3眼特殊吊鉤3 Eyes Special Hook for 250 Ton    34.特殊吊鉤Special Hook    35.特殊吊鉤Special Hook    36.單鉤尺寸規格 Single Hook Dimension    37.50噸吊鉤 Hook for 50 Ton    38.層鉤與元件 Laminated Hooks and Components    39.單鉤尺寸規格 Single Hook Dimension    40.單鉤尺寸規格 Single Hook Dimension    41.單鉤尺寸規格 Single Hook Dimension    42.單鉤尺寸規格 Single Hook Dimension    43.單鉤尺寸規格 Single Hook Dimension    44.單鉤尺寸規格 Single Hook Dimension    45.雙鉤-非機械加工部分 Ramshorn Hooks-Unmachined Parts    46.尺寸,表示方法 Dimension,Designation    47.雙鉤RS, RSN, RF & RFN型尺寸規格 Dimension of Types RS, RSN, RF & RFN Ramshorn Hooks    48.參考準則 Standards Referred to    49.雙鉤-拋光部分附螺紋柄 Ramshorn Hook-Finished Parts of Threaded Shank    50.尺寸,表示方法 Dimension,Designation    51.雙鉤GS,GSN,GF & GFN型 Types GS, GSN, GF & GFN Ramshorn Hooks    52.雙鉤附螺紋柄和螺帽 Ramshorn Hook with Threaded Shank and Nut    53.材料 Material    54.GFN雙鉤 Double Hook GFN    55.德規15402B雙鉤 DIN 15402B Ramshorn Hook    56.雙鉤 Ramshorn Hook    57.雙鉤英國標準 Ramshorn Hook British Standard    58.雙鉤附卸克 Ramshorn Hook for coupling of Shackles    59.德規15402-B雙鉤 DIN 15402-B Ramshorn Hook    60.德規15402-C 4鉤 DIN 15402-C Quad Hook    61.圓螺紋 Knuckle Threads    62.吊鉤懸掛滑輪 Lifting Hook Suspensions for Bottom Block    63.尺寸,表示方法 Dimension,Designation    64.尺寸,表示方法 Dimension,Designation    65.吊鉤懸掛尺寸,承軸和旋緊釘 Dimension, Bearings and clamp screws for Hook Suspensions    66.列舉項目-懸掛鉤頭的元件組合       List of Items- Assembly of Components of Hook Suspensions    67.參考標準 Standards Referred to    68.德規15411鉤頭滑輪組 DIN 15411    69.交叉元件 Cross Pieces    70.尺寸,表示方法 Dimension,Designation    71.參考標準 Standards Referred to    72.交叉元件 Cross Pieces    73.尺寸,表示方法 Dimension,Designation    74.技術資料 Technical Information    75.參考標準 Standards Referred to    76.吊鉤螺帽 Lifting Hook Nuts    77.規格尺寸 Dimensions    78.技術資料 Technical Data    79.參考標準 Standards Referred to    80.保護片 Securing Plates    81.材料(半拋光產品) Material (Semi-Finished Product)    82.德規吊鉤標準安全 Standard Safety for DIN Hook    83.德規吊鉤特殊安全性 Special Safrty for DIN Hook    84.特殊安全栓 Special Safety Latches    85.技術資料圖 Technical Data Diagram    86.技術資料圖 Technical Data Diagram    87.2滑輪組 2 Sheaves Block    88.單鉤6滑輪組 Single Hook 6 Sheaves Block    89.雙鉤4滑輪組 Ramshorn Hook 4 Sheaves Block    90.單鉤雙滑輪組 Single Hook 2 Sheaves Block    91.雙鉤6滑輪組 Ramshorn Hook 6 Sheaves Block    92.單鉤雙滑輪組 Single Hook 2 Sheaves Block    93.鍊條旋轉塊 Revolving Block for Chains    94.卸克 Shackles    95.卸克 Shackles    96.吊鉤 Load Hook    97.規格尺寸 Dimensions    98.規格尺寸 Dimensions    99. 眼型C形鉤(鍊條用) C Hook with Eye (For Use With Chain)    100.長柄C型鉤 C Hook with Shank    101.不鏽鋼 Stainless Steels    102.最後檢測範圍 Extent of Final Inspection    103.最後檢測範圍 Extent of Final Inspection    104.材料測試 Materials Test    105.材料測試 Materials Test    106.數據表 Data Table    107.數據表 Data Table    108.數據表 Data Table

C4-53.材料

C4.德規標準-鍛造鉤頭和吊重配件                                                                     下載down load     1.鍛造鉤頭和吊重配件 Forged Hooks & Lifting Components    2.吊重鉤頭目錄 Lifting Hooks Contents    3.吊鉤力學特性 Mechanical Properties of Lifting Hooks    4.總結 Concluded    5.吊升荷重表 Table of Lifting Capacity    6.鍛造鉤頭上的應力 Stresses in Forged Hooks    7.垂直斷面上的拉力 Tensile Stress at Vertical Cross Section    8.準則和其他文件參考 Standards and Other Documents Referred to    9.舊版與修訂 Previous Edition & Amendments    10.鍛造鉤頭技術性提交狀況 Technical Delivery Condition for Forged Hook    11.測試 Testing    12.準則和其他文件參考 Standards and Other Documents Referred to    13.吊鉤 Lifting Hook    14.測試與證書 Testing & Certificates    15.檢驗證書 Inspection Certificate    16.準則和其他文件參考 Standards and Other Documents Referred to    17.單鉤雙鉤圖 The Diagram of Single and Ramshorn Hook    18.鉤頭規格尺寸圖 Hook Dimension Chart    19.單鉤非加工部分 Single Hook Unmachined Parts    20.RSN型尺寸,設計 Dimensions & Designation of Type RSN    21.RSN型單鉤可容許的誤差值 Permissible Deviations for Type RSN Single Hooks    22.RF與RFN型單鉤可容許的誤差值       Permissible Deviations for Type RF & Type RFN Single Hooks    23.單鉤-拋光部分附螺紋桿 Single Hook-Finished Parts with Threaded Shank    24. 尺寸,表示方法 Dimensions & Designation    25.單鉤尺寸規格 Dimensions for Single Hook    26.單鉤附螺紋柄與螺帽 Single Hook with Threaded Shank and Nut    27.材料 Material    28.單鉤尺寸規格 Single Hook Dimension    29.單鉤尺寸圖 Single Hook Dimension Diagram    30.單鉤尺寸圖 Single Hook Dimension Diagram    31.眼型吊鉤 Eye Hook    32.眼型吊鉤與卸克結合 Single Eye Hooks for coupling of Shackles    33.250噸3眼特殊吊鉤3 Eyes Special Hook for 250 Ton    34.特殊吊鉤Special Hook    35.特殊吊鉤Special Hook    36.單鉤尺寸規格 Single Hook Dimension    37.50噸吊鉤 Hook for 50 Ton    38.層鉤與元件 Laminated Hooks and Components    39.單鉤尺寸規格 Single Hook Dimension    40.單鉤尺寸規格 Single Hook Dimension    41.單鉤尺寸規格 Single Hook Dimension    42.單鉤尺寸規格 Single Hook Dimension    43.單鉤尺寸規格 Single Hook Dimension    44.單鉤尺寸規格 Single Hook Dimension    45.雙鉤-非機械加工部分 Ramshorn Hooks-Unmachined Parts    46.尺寸,表示方法 Dimension,Designation    47.雙鉤RS, RSN, RF & RFN型尺寸規格 Dimension of Types RS, RSN, RF & RFN Ramshorn Hooks    48.參考準則 Standards Referred to    49.雙鉤-拋光部分附螺紋柄 Ramshorn Hook-Finished Parts of Threaded Shank    50.尺寸,表示方法 Dimension,Designation    51.雙鉤GS,GSN,GF & GFN型 Types GS, GSN, GF & GFN Ramshorn Hooks    52.雙鉤附螺紋柄和螺帽 Ramshorn Hook with Threaded Shank and Nut    53.材料 Material    54.GFN雙鉤 Double Hook GFN    55.德規15402B雙鉤 DIN 15402B Ramshorn Hook    56.雙鉤 Ramshorn Hook    57.雙鉤英國標準 Ramshorn Hook British Standard    58.雙鉤附卸克 Ramshorn Hook for coupling of Shackles    59.德規15402-B雙鉤 DIN 15402-B Ramshorn Hook    60.德規15402-C 4鉤 DIN 15402-C Quad Hook    61.圓螺紋 Knuckle Threads    62.吊鉤懸掛滑輪 Lifting Hook Suspensions for Bottom Block    63.尺寸,表示方法 Dimension,Designation    64.尺寸,表示方法 Dimension,Designation    65.吊鉤懸掛尺寸,承軸和旋緊釘 Dimension, Bearings and clamp screws for Hook Suspensions    66.列舉項目-懸掛鉤頭的元件組合       List of Items- Assembly of Components of Hook Suspensions    67.參考標準 Standards Referred to    68.德規15411鉤頭滑輪組 DIN 15411    69.交叉元件 Cross Pieces    70.尺寸,表示方法 Dimension,Designation    71.參考標準 Standards Referred to    72.交叉元件 Cross Pieces    73.尺寸,表示方法 Dimension,Designation    74.技術資料 Technical Information    75.參考標準 Standards Referred to    76.吊鉤螺帽 Lifting Hook Nuts    77.規格尺寸 Dimensions    78.技術資料 Technical Data    79.參考標準 Standards Referred to    80.保護片 Securing Plates    81.材料(半拋光產品) Material (Semi-Finished Product)    82.德規吊鉤標準安全 Standard Safety for DIN Hook    83.德規吊鉤特殊安全性 Special Safrty for DIN Hook    84.特殊安全栓 Special Safety Latches    85.技術資料圖 Technical Data Diagram    86.技術資料圖 Technical Data Diagram    87.2滑輪組 2 Sheaves Block    88.單鉤6滑輪組 Single Hook 6 Sheaves Block    89.雙鉤4滑輪組 Ramshorn Hook 4 Sheaves Block    90.單鉤雙滑輪組 Single Hook 2 Sheaves Block    91.雙鉤6滑輪組 Ramshorn Hook 6 Sheaves Block    92.單鉤雙滑輪組 Single Hook 2 Sheaves Block    93.鍊條旋轉塊 Revolving Block for Chains    94.卸克 Shackles    95.卸克 Shackles    96.吊鉤 Load Hook    97.規格尺寸 Dimensions    98.規格尺寸 Dimensions    99. 眼型C形鉤(鍊條用) C Hook with Eye (For Use With Chain)    100.長柄C型鉤 C Hook with Shank    101.不鏽鋼 Stainless Steels    102.最後檢測範圍 Extent of Final Inspection    103.最後檢測範圍 Extent of Final Inspection    104.材料測試 Materials Test    105.材料測試 Materials Test    106.數據表 Data Table    107.數據表 Data Table    108.數據表 Data Table

C4-52.雙鉤附螺紋柄和螺帽

C4.德規標準-鍛造鉤頭和吊重配件                                                                     下載down load     1.鍛造鉤頭和吊重配件 Forged Hooks & Lifting Components    2.吊重鉤頭目錄 Lifting Hooks Contents    3.吊鉤力學特性 Mechanical Properties of Lifting Hooks    4.總結 Concluded    5.吊升荷重表 Table of Lifting Capacity    6.鍛造鉤頭上的應力 Stresses in Forged Hooks    7.垂直斷面上的拉力 Tensile Stress at Vertical Cross Section    8.準則和其他文件參考 Standards and Other Documents Referred to    9.舊版與修訂 Previous Edition & Amendments    10.鍛造鉤頭技術性提交狀況 Technical Delivery Condition for Forged Hook    11.測試 Testing    12.準則和其他文件參考 Standards and Other Documents Referred to    13.吊鉤 Lifting Hook    14.測試與證書 Testing & Certificates    15.檢驗證書 Inspection Certificate    16.準則和其他文件參考 Standards and Other Documents Referred to    17.單鉤雙鉤圖 The Diagram of Single and Ramshorn Hook    18.鉤頭規格尺寸圖 Hook Dimension Chart    19.單鉤非加工部分 Single Hook Unmachined Parts    20.RSN型尺寸,設計 Dimensions & Designation of Type RSN    21.RSN型單鉤可容許的誤差值 Permissible Deviations for Type RSN Single Hooks    22.RF與RFN型單鉤可容許的誤差值       Permissible Deviations for Type RF & Type RFN Single Hooks    23.單鉤-拋光部分附螺紋桿 Single Hook-Finished Parts with Threaded Shank    24. 尺寸,表示方法 Dimensions & Designation    25.單鉤尺寸規格 Dimensions for Single Hook    26.單鉤附螺紋柄與螺帽 Single Hook with Threaded Shank and Nut    27.材料 Material    28.單鉤尺寸規格 Single Hook Dimension    29.單鉤尺寸圖 Single Hook Dimension Diagram    30.單鉤尺寸圖 Single Hook Dimension Diagram    31.眼型吊鉤 Eye Hook    32.眼型吊鉤與卸克結合 Single Eye Hooks for coupling of Shackles    33.250噸3眼特殊吊鉤3 Eyes Special Hook for 250 Ton    34.特殊吊鉤Special Hook    35.特殊吊鉤Special Hook    36.單鉤尺寸規格 Single Hook Dimension    37.50噸吊鉤 Hook for 50 Ton    38.層鉤與元件 Laminated Hooks and Components    39.單鉤尺寸規格 Single Hook Dimension    40.單鉤尺寸規格 Single Hook Dimension    41.單鉤尺寸規格 Single Hook Dimension    42.單鉤尺寸規格 Single Hook Dimension    43.單鉤尺寸規格 Single Hook Dimension    44.單鉤尺寸規格 Single Hook Dimension    45.雙鉤-非機械加工部分 Ramshorn Hooks-Unmachined Parts    46.尺寸,表示方法 Dimension,Designation    47.雙鉤RS, RSN, RF & RFN型尺寸規格 Dimension of Types RS, RSN, RF & RFN Ramshorn Hooks    48.參考準則 Standards Referred to    49.雙鉤-拋光部分附螺紋柄 Ramshorn Hook-Finished Parts of Threaded Shank    50.尺寸,表示方法 Dimension,Designation    51.雙鉤GS,GSN,GF & GFN型 Types GS, GSN, GF & GFN Ramshorn Hooks    52.雙鉤附螺紋柄和螺帽 Ramshorn Hook with Threaded Shank and Nut    53.材料 Material    54.GFN雙鉤 Double Hook GFN    55.德規15402B雙鉤 DIN 15402B Ramshorn Hook    56.雙鉤 Ramshorn Hook    57.雙鉤英國標準 Ramshorn Hook British Standard    58.雙鉤附卸克 Ramshorn Hook for coupling of Shackles    59.德規15402-B雙鉤 DIN 15402-B Ramshorn Hook    60.德規15402-C 4鉤 DIN 15402-C Quad Hook    61.圓螺紋 Knuckle Threads    62.吊鉤懸掛滑輪 Lifting Hook Suspensions for Bottom Block    63.尺寸,表示方法 Dimension,Designation    64.尺寸,表示方法 Dimension,Designation    65.吊鉤懸掛尺寸,承軸和旋緊釘 Dimension, Bearings and clamp screws for Hook Suspensions    66.列舉項目-懸掛鉤頭的元件組合       List of Items- Assembly of Components of Hook Suspensions    67.參考標準 Standards Referred to    68.德規15411鉤頭滑輪組 DIN 15411    69.交叉元件 Cross Pieces    70.尺寸,表示方法 Dimension,Designation    71.參考標準 Standards Referred to    72.交叉元件 Cross Pieces    73.尺寸,表示方法 Dimension,Designation    74.技術資料 Technical Information    75.參考標準 Standards Referred to    76.吊鉤螺帽 Lifting Hook Nuts    77.規格尺寸 Dimensions    78.技術資料 Technical Data    79.參考標準 Standards Referred to    80.保護片 Securing Plates    81.材料(半拋光產品) Material (Semi-Finished Product)    82.德規吊鉤標準安全 Standard Safety for DIN Hook    83.德規吊鉤特殊安全性 Special Safrty for DIN Hook    84.特殊安全栓 Special Safety Latches    85.技術資料圖 Technical Data Diagram    86.技術資料圖 Technical Data Diagram    87.2滑輪組 2 Sheaves Block    88.單鉤6滑輪組 Single Hook 6 Sheaves Block    89.雙鉤4滑輪組 Ramshorn Hook 4 Sheaves Block    90.單鉤雙滑輪組 Single Hook 2 Sheaves Block    91.雙鉤6滑輪組 Ramshorn Hook 6 Sheaves Block    92.單鉤雙滑輪組 Single Hook 2 Sheaves Block    93.鍊條旋轉塊 Revolving Block for Chains    94.卸克 Shackles    95.卸克 Shackles    96.吊鉤 Load Hook    97.規格尺寸 Dimensions    98.規格尺寸 Dimensions    99. 眼型C形鉤(鍊條用) C Hook with Eye (For Use With Chain)    100.長柄C型鉤 C Hook with Shank    101.不鏽鋼 Stainless Steels    102.最後檢測範圍 Extent of Final Inspection    103.最後檢測範圍 Extent of Final Inspection    104.材料測試 Materials Test    105.材料測試 Materials Test    106.數據表 Data Table    107.數據表 Data Table    108.數據表 Data Table

C4-51.雙鉤GS,GSN,GF

C4.德規標準-鍛造鉤頭和吊重配件                                                                     下載down load     1.鍛造鉤頭和吊重配件 Forged Hooks & Lifting Components    2.吊重鉤頭目錄 Lifting Hooks Contents    3.吊鉤力學特性 Mechanical Properties of Lifting Hooks    4.總結 Concluded    5.吊升荷重表 Table of Lifting Capacity    6.鍛造鉤頭上的應力 Stresses in Forged Hooks    7.垂直斷面上的拉力 Tensile Stress at Vertical Cross Section    8.準則和其他文件參考 Standards and Other Documents Referred to    9.舊版與修訂 Previous Edition & Amendments    10.鍛造鉤頭技術性提交狀況 Technical Delivery Condition for Forged Hook    11.測試 Testing    12.準則和其他文件參考 Standards and Other Documents Referred to    13.吊鉤 Lifting Hook    14.測試與證書 Testing & Certificates    15.檢驗證書 Inspection Certificate    16.準則和其他文件參考 Standards and Other Documents Referred to    17.單鉤雙鉤圖 The Diagram of Single and Ramshorn Hook    18.鉤頭規格尺寸圖 Hook Dimension Chart    19.單鉤非加工部分 Single Hook Unmachined Parts    20.RSN型尺寸,設計 Dimensions & Designation of Type RSN    21.RSN型單鉤可容許的誤差值 Permissible Deviations for Type RSN Single Hooks    22.RF與RFN型單鉤可容許的誤差值       Permissible Deviations for Type RF & Type RFN Single Hooks    23.單鉤-拋光部分附螺紋桿 Single Hook-Finished Parts with Threaded Shank    24. 尺寸,表示方法 Dimensions & Designation    25.單鉤尺寸規格 Dimensions for Single Hook    26.單鉤附螺紋柄與螺帽 Single Hook with Threaded Shank and Nut    27.材料 Material    28.單鉤尺寸規格 Single Hook Dimension    29.單鉤尺寸圖 Single Hook Dimension Diagram    30.單鉤尺寸圖 Single Hook Dimension Diagram    31.眼型吊鉤 Eye Hook    32.眼型吊鉤與卸克結合 Single Eye Hooks for coupling of Shackles    33.250噸3眼特殊吊鉤3 Eyes Special Hook for 250 Ton    34.特殊吊鉤Special Hook    35.特殊吊鉤Special Hook    36.單鉤尺寸規格 Single Hook Dimension    37.50噸吊鉤 Hook for 50 Ton    38.層鉤與元件 Laminated Hooks and Components    39.單鉤尺寸規格 Single Hook Dimension    40.單鉤尺寸規格 Single Hook Dimension    41.單鉤尺寸規格 Single Hook Dimension    42.單鉤尺寸規格 Single Hook Dimension    43.單鉤尺寸規格 Single Hook Dimension    44.單鉤尺寸規格 Single Hook Dimension    45.雙鉤-非機械加工部分 Ramshorn Hooks-Unmachined Parts    46.尺寸,表示方法 Dimension,Designation    47.雙鉤RS, RSN, RF & RFN型尺寸規格 Dimension of Types RS, RSN, RF & RFN Ramshorn Hooks    48.參考準則 Standards Referred to    49.雙鉤-拋光部分附螺紋柄 Ramshorn Hook-Finished Parts of Threaded Shank    50.尺寸,表示方法 Dimension,Designation    51.雙鉤GS,GSN,GF & GFN型 Types GS, GSN, GF & GFN Ramshorn Hooks    52.雙鉤附螺紋柄和螺帽 Ramshorn Hook with Threaded Shank and Nut    53.材料 Material    54.GFN雙鉤 Double Hook GFN    55.德規15402B雙鉤 DIN 15402B Ramshorn Hook    56.雙鉤 Ramshorn Hook    57.雙鉤英國標準 Ramshorn Hook British Standard    58.雙鉤附卸克 Ramshorn Hook for coupling of Shackles    59.德規15402-B雙鉤 DIN 15402-B Ramshorn Hook    60.德規15402-C 4鉤 DIN 15402-C Quad Hook    61.圓螺紋 Knuckle Threads    62.吊鉤懸掛滑輪 Lifting Hook Suspensions for Bottom Block    63.尺寸,表示方法 Dimension,Designation    64.尺寸,表示方法 Dimension,Designation    65.吊鉤懸掛尺寸,承軸和旋緊釘 Dimension, Bearings and clamp screws for Hook Suspensions    66.列舉項目-懸掛鉤頭的元件組合       List of Items- Assembly of Components of Hook Suspensions    67.參考標準 Standards Referred to    68.德規15411鉤頭滑輪組 DIN 15411    69.交叉元件 Cross Pieces    70.尺寸,表示方法 Dimension,Designation    71.參考標準 Standards Referred to    72.交叉元件 Cross Pieces    73.尺寸,表示方法 Dimension,Designation    74.技術資料 Technical Information    75.參考標準 Standards Referred to    76.吊鉤螺帽 Lifting Hook Nuts    77.規格尺寸 Dimensions    78.技術資料 Technical Data    79.參考標準 Standards Referred to    80.保護片 Securing Plates    81.材料(半拋光產品) Material (Semi-Finished Product)    82.德規吊鉤標準安全 Standard Safety for DIN Hook    83.德規吊鉤特殊安全性 Special Safrty for DIN Hook    84.特殊安全栓 Special Safety Latches    85.技術資料圖 Technical Data Diagram    86.技術資料圖 Technical Data Diagram    87.2滑輪組 2 Sheaves Block    88.單鉤6滑輪組 Single Hook 6 Sheaves Block    89.雙鉤4滑輪組 Ramshorn Hook 4 Sheaves Block    90.單鉤雙滑輪組 Single Hook 2 Sheaves Block    91.雙鉤6滑輪組 Ramshorn Hook 6 Sheaves Block    92.單鉤雙滑輪組 Single Hook 2 Sheaves Block    93.鍊條旋轉塊 Revolving Block for Chains    94.卸克 Shackles    95.卸克 Shackles    96.吊鉤 Load Hook    97.規格尺寸 Dimensions    98.規格尺寸 Dimensions    99. 眼型C形鉤(鍊條用) C Hook with Eye (For Use With Chain)    100.長柄C型鉤 C Hook with Shank    101.不鏽鋼 Stainless Steels    102.最後檢測範圍 Extent of Final Inspection    103.最後檢測範圍 Extent of Final Inspection    104.材料測試 Materials Test    105.材料測試 Materials Test    106.數據表 Data Table    107.數據表 Data Table    108.數據表 Data Table

C4-50.尺寸,表示方法

C4.德規標準-鍛造鉤頭和吊重配件                                                                     下載down load     1.鍛造鉤頭和吊重配件 Forged Hooks & Lifting Components    2.吊重鉤頭目錄 Lifting Hooks Contents    3.吊鉤力學特性 Mechanical Properties of Lifting Hooks    4.總結 Concluded    5.吊升荷重表 Table of Lifting Capacity    6.鍛造鉤頭上的應力 Stresses in Forged Hooks    7.垂直斷面上的拉力 Tensile Stress at Vertical Cross Section    8.準則和其他文件參考 Standards and Other Documents Referred to    9.舊版與修訂 Previous Edition & Amendments    10.鍛造鉤頭技術性提交狀況 Technical Delivery Condition for Forged Hook    11.測試 Testing    12.準則和其他文件參考 Standards and Other Documents Referred to    13.吊鉤 Lifting Hook    14.測試與證書 Testing & Certificates    15.檢驗證書 Inspection Certificate    16.準則和其他文件參考 Standards and Other Documents Referred to    17.單鉤雙鉤圖 The Diagram of Single and Ramshorn Hook    18.鉤頭規格尺寸圖 Hook Dimension Chart    19.單鉤非加工部分 Single Hook Unmachined Parts    20.RSN型尺寸,設計 Dimensions & Designation of Type RSN    21.RSN型單鉤可容許的誤差值 Permissible Deviations for Type RSN Single Hooks    22.RF與RFN型單鉤可容許的誤差值       Permissible Deviations for Type RF & Type RFN Single Hooks    23.單鉤-拋光部分附螺紋桿 Single Hook-Finished Parts with Threaded Shank    24. 尺寸,表示方法 Dimensions & Designation    25.單鉤尺寸規格 Dimensions for Single Hook    26.單鉤附螺紋柄與螺帽 Single Hook with Threaded Shank and Nut    27.材料 Material    28.單鉤尺寸規格 Single Hook Dimension    29.單鉤尺寸圖 Single Hook Dimension Diagram    30.單鉤尺寸圖 Single Hook Dimension Diagram    31.眼型吊鉤 Eye Hook    32.眼型吊鉤與卸克結合 Single Eye Hooks for coupling of Shackles    33.250噸3眼特殊吊鉤3 Eyes Special Hook for 250 Ton    34.特殊吊鉤Special Hook    35.特殊吊鉤Special Hook    36.單鉤尺寸規格 Single Hook Dimension    37.50噸吊鉤 Hook for 50 Ton    38.層鉤與元件 Laminated Hooks and Components    39.單鉤尺寸規格 Single Hook Dimension    40.單鉤尺寸規格 Single Hook Dimension    41.單鉤尺寸規格 Single Hook Dimension    42.單鉤尺寸規格 Single Hook Dimension    43.單鉤尺寸規格 Single Hook Dimension    44.單鉤尺寸規格 Single Hook Dimension    45.雙鉤-非機械加工部分 Ramshorn Hooks-Unmachined Parts    46.尺寸,表示方法 Dimension,Designation    47.雙鉤RS, RSN, RF & RFN型尺寸規格 Dimension of Types RS, RSN, RF & RFN Ramshorn Hooks    48.參考準則 Standards Referred to    49.雙鉤-拋光部分附螺紋柄 Ramshorn Hook-Finished Parts of Threaded Shank    50.尺寸,表示方法 Dimension,Designation    51.雙鉤GS,GSN,GF & GFN型 Types GS, GSN, GF & GFN Ramshorn Hooks    52.雙鉤附螺紋柄和螺帽 Ramshorn Hook with Threaded Shank and Nut    53.材料 Material    54.GFN雙鉤 Double Hook GFN    55.德規15402B雙鉤 DIN 15402B Ramshorn Hook    56.雙鉤 Ramshorn Hook    57.雙鉤英國標準 Ramshorn Hook British Standard    58.雙鉤附卸克 Ramshorn Hook for coupling of Shackles    59.德規15402-B雙鉤 DIN 15402-B Ramshorn Hook    60.德規15402-C 4鉤 DIN 15402-C Quad Hook    61.圓螺紋 Knuckle Threads    62.吊鉤懸掛滑輪 Lifting Hook Suspensions for Bottom Block    63.尺寸,表示方法 Dimension,Designation    64.尺寸,表示方法 Dimension,Designation    65.吊鉤懸掛尺寸,承軸和旋緊釘 Dimension, Bearings and clamp screws for Hook Suspensions    66.列舉項目-懸掛鉤頭的元件組合       List of Items- Assembly of Components of Hook Suspensions    67.參考標準 Standards Referred to    68.德規15411鉤頭滑輪組 DIN 15411    69.交叉元件 Cross Pieces    70.尺寸,表示方法 Dimension,Designation    71.參考標準 Standards Referred to    72.交叉元件 Cross Pieces    73.尺寸,表示方法 Dimension,Designation    74.技術資料 Technical Information    75.參考標準 Standards Referred to    76.吊鉤螺帽 Lifting Hook Nuts    77.規格尺寸 Dimensions    78.技術資料 Technical Data    79.參考標準 Standards Referred to    80.保護片 Securing Plates    81.材料(半拋光產品) Material (Semi-Finished Product)    82.德規吊鉤標準安全 Standard Safety for DIN Hook    83.德規吊鉤特殊安全性 Special Safrty for DIN Hook    84.特殊安全栓 Special Safety Latches    85.技術資料圖 Technical Data Diagram    86.技術資料圖 Technical Data Diagram    87.2滑輪組 2 Sheaves Block    88.單鉤6滑輪組 Single Hook 6 Sheaves Block    89.雙鉤4滑輪組 Ramshorn Hook 4 Sheaves Block    90.單鉤雙滑輪組 Single Hook 2 Sheaves Block    91.雙鉤6滑輪組 Ramshorn Hook 6 Sheaves Block    92.單鉤雙滑輪組 Single Hook 2 Sheaves Block    93.鍊條旋轉塊 Revolving Block for Chains    94.卸克 Shackles    95.卸克 Shackles    96.吊鉤 Load Hook    97.規格尺寸 Dimensions    98.規格尺寸 Dimensions    99. 眼型C形鉤(鍊條用) C Hook with Eye (For Use With Chain)    100.長柄C型鉤 C Hook with Shank    101.不鏽鋼 Stainless Steels    102.最後檢測範圍 Extent of Final Inspection    103.最後檢測範圍 Extent of Final Inspection    104.材料測試 Materials Test    105.材料測試 Materials Test    106.數據表 Data Table    107.數據表 Data Table    108.數據表 Data Table