login
登入
關鍵字
搜尋
電話
搜尋
進階
搜尋
產品
搜尋
地址
搜尋
search
關鍵字
/
place
地區
全區
宜蘭
基隆
新北
台北
桃園
新竹
苗栗
台中
彰化
南投
雲林
嘉義
台南
高雄
屏東
花蓮
台東
澎湖
連江
金門
search
關於我們
產品介紹
更多資訊
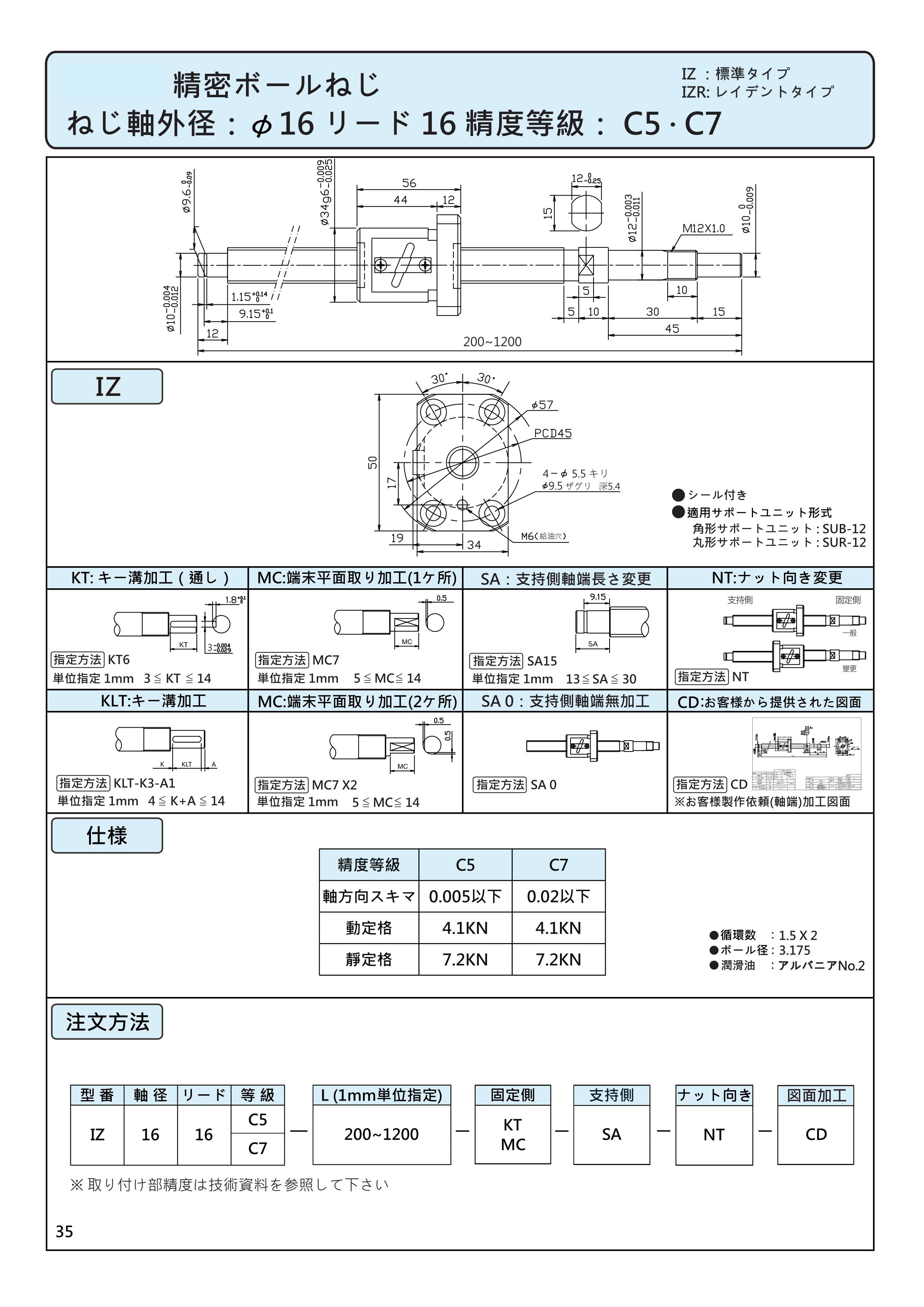
型錄_56
型錄_55
型錄_54
型錄_53
型錄_52
型錄_51
型錄_50
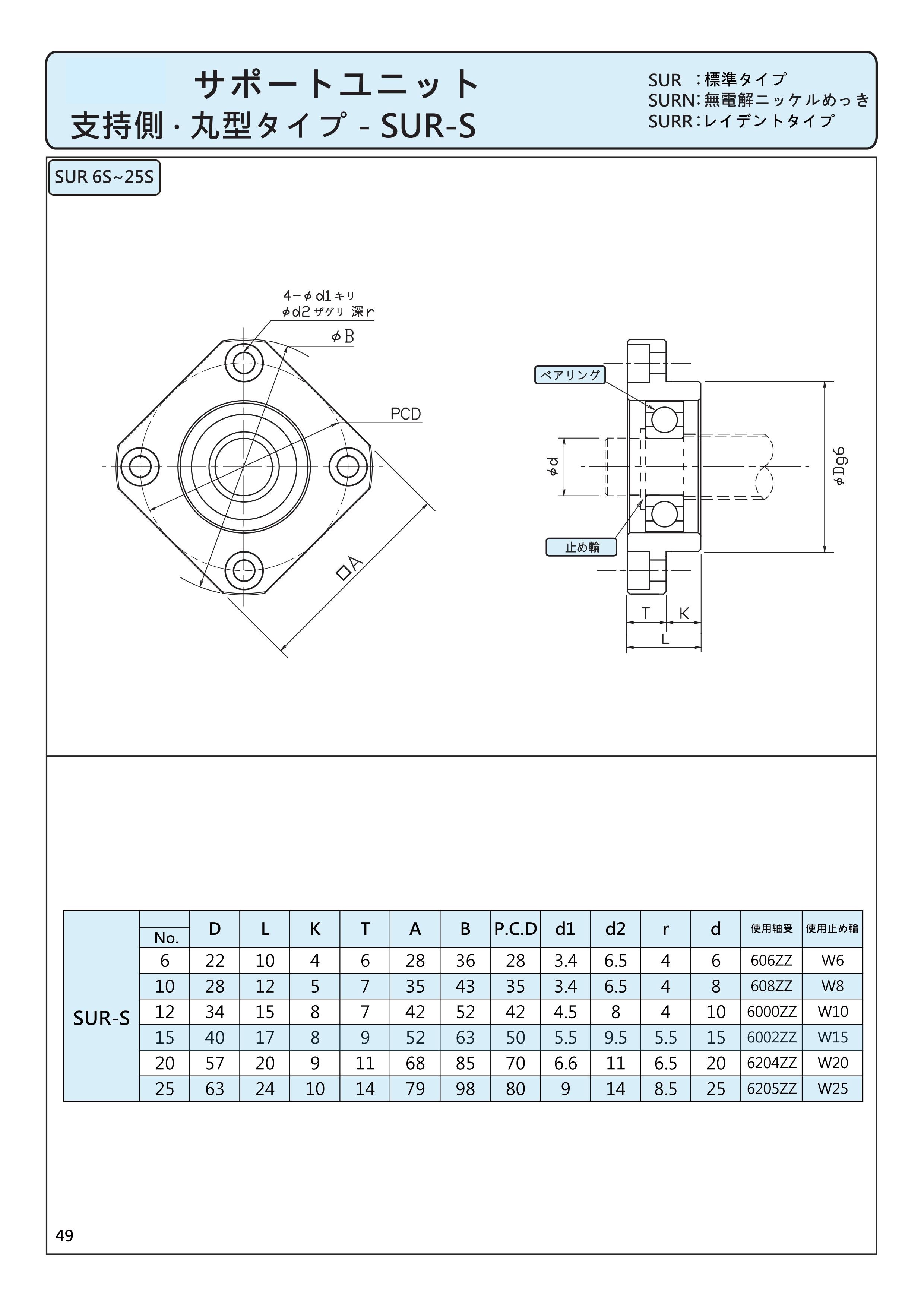
型錄_49
型錄_48
型錄_47
型錄_46
型錄_45
型錄_44
型錄_43
型錄_42
型錄_41
型錄_40
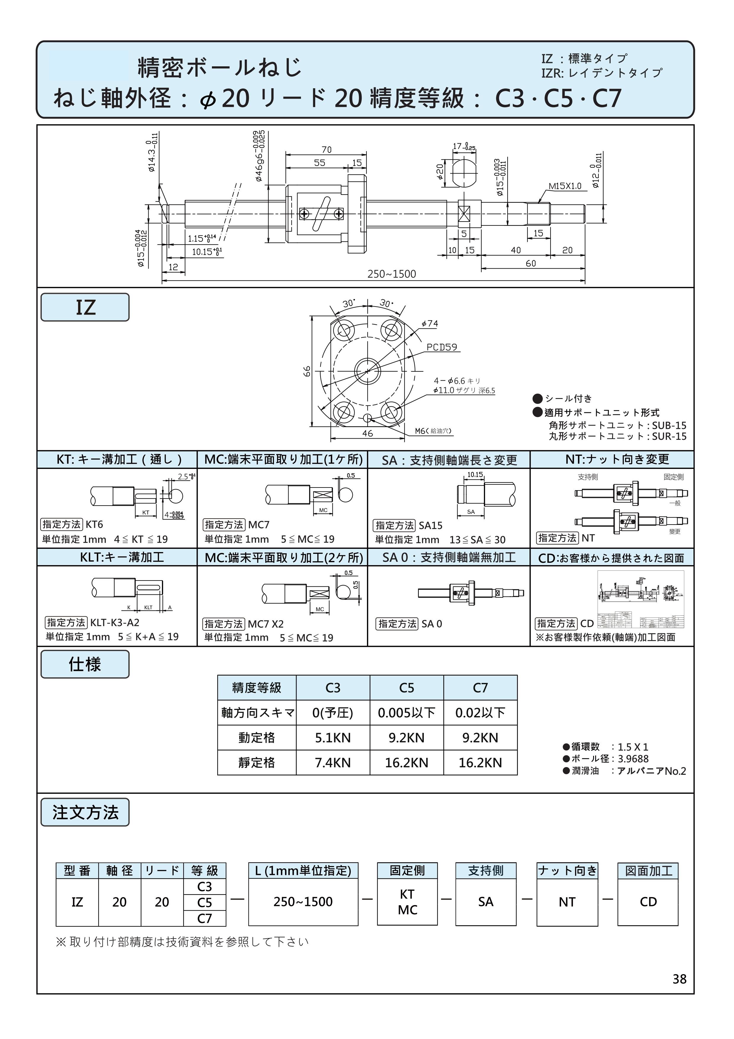
型錄_39
型錄_38
型錄_37
上一頁
1
2
3
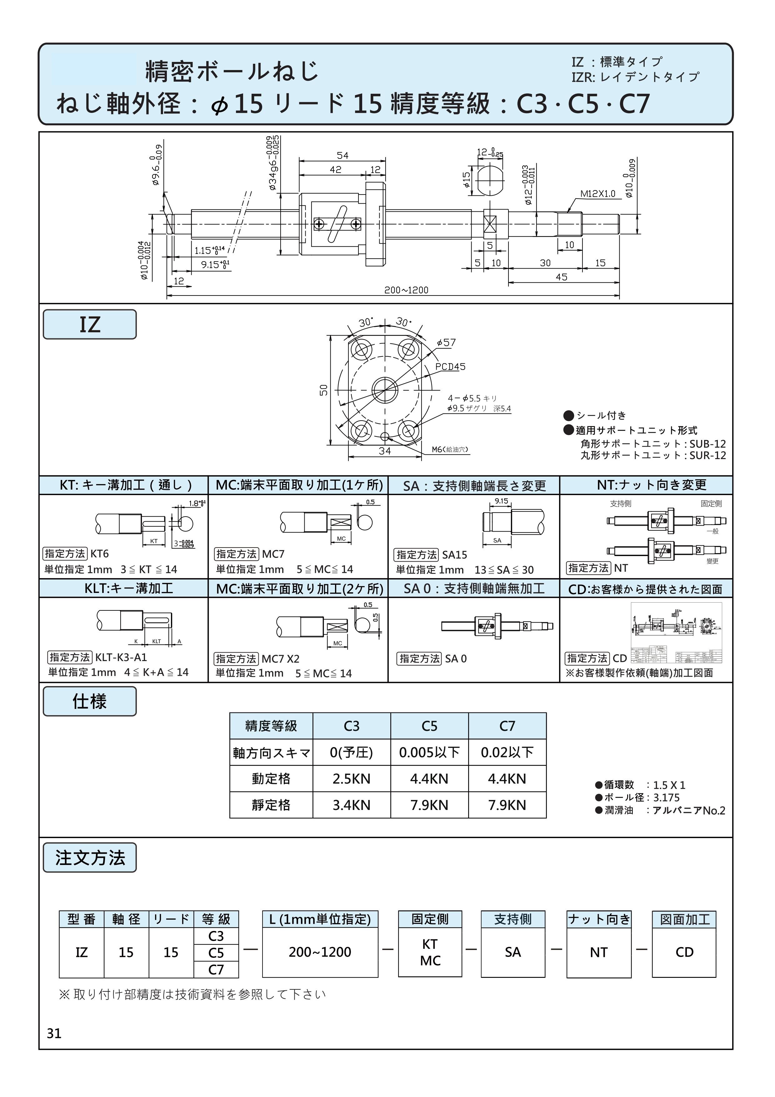
下一頁