中華黃頁網路電話簿
斜角滾珠軸承7系列內徑100~120mm

斜角滾珠軸承7系列內徑100~120mm   (1)   基本型號 寸主要寸法(mm) 基本定格荷重(kgf) 極限速率(rpm) 作用點位置(mm) a 接觸面和倒角尺寸(mm) 重量(kg)(參考) (單列)   d   D   B   r   r1   C   Co   脂潤滑   油潤滑   Ds (最小)   dh (最大)   R (最大) 7020A 100 150 24 2.5 1.2 5350 5900 3600 4800 48.1 108.5 141.5 1.5 1.46 7020B   150 24 2.5 1.2 4800 5250 3200 4300 64.4 108.5 141.5 1.5 1.46 7020C   150 24 2.5 1.2 5900 6550 5600 8000 28.7 108.5 141.5 1.5 1.25 7220A   180 34 3.5 2 10800 10400 3200 4300 57.7 112 168 2 3.70 7220B   180 34 3.5 2 9750 9250 2800 3800 75.6 112 168 2 3.70 7220C   180 34 3.5 2 11700 11400 5100 7100 35.7 112 168 2 3.15 7320A   215 47 4 2 16300 17800 2800 3800 69.3 114 201 2.5 8.30 7320B   215 47 4 2 14900 16000 2400 3400 89.4 114 201 2.5 8.30 7320C   215 47 4 2 17400 19600 4500 6300 44.6 114 201 2.5 7.10 7021A 105 160 26 3 1.5 6250 6900 3400 4500 51.2 115 150 2 1.85 7021B   160 26 3 1.5 5600 6150 3000 4000 68.6 115 150 2 1.85 7021C   160 26 3 1.5 6900 7600 5300 7500 30.7 115 150 2 1.58 7221A   190 36 3.5 2 11700 11700 3000 4000 60.8 117 178 2 4.40 7221B   190 36 3.5 2 10600 10500 2600 3600 78.5 117 178 2 4.40 7221C   190 36 3.5 2 12700 12900 5000 6700 37.7 117 178 2 3.75 7321A   225 49 4 2 16300 18000 2600 3600 72.5 119 211 2.5 9.40 7321B   225 49 4 2 14900 16100 2400 3200 93.5 119 211 2.5 9.40 7321C   225 49 4 2 17500 19800 4300 6000 46.6 119 211 2.5 8.05 7022A 110 170 28 3 1.5 7550 8100 3200 4300 54.4 120 160 2 2.29 7022B   170 28 3 1.5 6800 7200 2800 3800 72.7 120 160 2 2.29 7022C   170 28 3 1.5 8300 8950 5000 7100 32.7 120 160 2 1.95 7222A   200 38 3.5 2 12700 13100 2800 3800 64.0 122 188 2 5.15 7222B   200 38 3.5 2 11500 11700 2600 3400 83.9 122 188 2 5.15 7222C   200 38 3.5 2 13800 14400 4500 6300 39.8 122 188 2 4.40 7322A   240 50 4 2 17300 19600 2400 3400 75.9 124 226 2.5 11.1 7322B   240 50 4 2 15800 17600 2200 3000 98.0 124 226 2.5 11.1 7322C   240 50 4 2 18600 21600 4000 5600 48.4 124 226 2.5 9.50 7024A 120 180 28 3 1.5 8000 9000 3000 4000 57.3 130 170 2 2.46 7024B   180 28 3 1.5 7150 8000 2600 3600 76.9 130 170 2 2.46 7224A   215 40 3.5 2 14300 15700 2600 3400 68.4 132 203 2 6.20 7224B   215 40 3.5 2 13000 14000 2400 3200 90.3 132 203 2 6.20 7324A   260 55 4 2 19300 23000 2200 3000 82.3 134 246 2.5 14.3 7324B   260 55 4 2 17700 20600 2000 2800 107.2 134 246 2.5 14.3

斜角滾珠軸承7系列內徑80~95mm

斜角滾珠軸承7系列內徑80~95mm   (1)   基本型號 寸主要寸法(mm) 基本定格荷重(kgf) 極限速率(rpm) 作用點位置(mm) a 接觸面和倒角尺寸(mm) 重量(kg)(參考) (單列)   d   D   B   r   r1   C   Co   脂潤滑   油潤滑   Ds (最小)   dh (最大)   R (最大) 7016A 80 125 22 2 1 4200 4300 4300 6000 40.6 87 118 1 0.88 7016B   125 22 2 1 3750 3800 3800 5300 54.0 87 118 1 0.88 7016C   125 22 2 1 4600 4750 7100 9500 24.7 87 118 1 0.84 7216A   140 26 3 1.5 6700 6250 4000 5400 44.9 90 130 2 1.67 7216B   140 26 3 1.5 6050 5600 3600 5000 59.0 90 130 2 1.67 7216C   140 26 3 1.5 7300 6900 6700 9000 27.7 90 130 2 1.43 7316A   170 39 3.5 2 10800 10000 3600 4800 55.9 92 158 2 4.25 7316B   170 39 3.5 2 9950 9000 3200 4300 71.8 92 158 2 4.25 7316C   170 39 3.5 2 11600 11000 6000 8000 36.2 92 158 2 3.65 7017A 85 130 22 2 1 4300 4500 4300 5600 42.0 92 123 1 0.925 7017B   130 22 2 1 3850 4000 3600 5000 56.1 92 123 1 0.925 7017C   130 22 2 1 4700 5000 6700 9000 25.4 92 123 1 0.885 7217A   150 28 3 1.5 7750 7350 3800 5000 48.1 95 140 2 2.08 7217B   150 28 3 1.5 7000 6550 3400 4500 63.0 95 140 2 2.08 7217C   150 28 3 1.5 8400 8100 6300 8500 29.7 95 140 2 1.78 7317A   180 41 4 2 11700 11200 3400 4500 59.0 99 166 2.5 5.05 7317B   180 41 4 2 10900 10000 3000 4000 75.9 99 166 2.5 5.05 7317C   180 41 4 2 12500 12300 5300 7500 38.2 99 166 2.5 4.30 7018A 90 140 24 2.5 1.2 5100 5350 3800 5300 45.2 98.5 131.5 1.5 1.20 7018B   140 24 2.5 1.2 4600 4750 3400 4800 60.2 98.5 131.5 1.5 1.20 7018C   140 24 2.5 1.2 5600 5900 6300 8500 27.4 98.5 131.5 1.5 1.15 7218A   160 30 3 1.5 8800 8500 3600 4800 51.3 100 150 2 2.55 7218B   160 30 3 1.5 8000 7600 3200 4300 67.3 100 150 2 2.55 7218C   160 30 3 1.5 9600 9400 5800 8000 31.7 100 150 2 2.18 7318A   190 43 4 2 12600 12400 3200 4300 62.2 104 176 2.5 5.85 7318B   190 43 4 2 11500 11100 2800 3800 80.0 104 176 2.5 5.85 7318C   190 43 4 2 13500 13700 5000 7100 40.2 104 176 2.5 5.00 7019A 95 145 24 2.5 1.2 5250 5650 3800 5000 46.6 103.5 136.5 1.5 1.40 7019B   145 24 2.5 1.2 4700 5000 3200 4500 62.3 103.5 136.5 1.5 1.40 7019C   145 24 2.5 1.2 5750 6250 6000 8000 28.1 103.5 136.5 1.5 1.20 7219A   170 32 3.5 2 9600 9100 3400 4500 54.5 107 158 2 3.10 7219B   170 32 3.5 2 8700 8150 3000 4000 71.4 107 158 2 3.10 7219C   170 32 3.5 2 10400 10100 5400 7500 33.7 107 158 2 2.65 7319A   200 45 4 2 13500 13700 3000 4000 65.4 109 186 2.5 6.75 7319B   200 45 4 2 12300 12300 2600 3600 84.2 109 186 2.5 6.75 7319C   200 45 4 2 14400 15000 5000 6700 42.2 109 186 2.5 5.80

斜角滾珠軸承7系列內徑60~75mm

斜角滾珠軸承7系列內徑60~75mm   (1)   基本型號 寸主要寸法(mm) 基本定格荷重(kgf) 極限速率(rpm) 作用點位置(mm) a 接觸面和倒角尺寸(mm) 重量(kg)(參考) (單列)   d   D   B   r   r1   C   Co   脂潤滑   油潤滑   Ds (最小)   dh (最大)   R (最大) 7012A 60 95 18 2 1 2500 2370 6000 7500 31.4 67 88 1 0.425 7012B   95 18 2 1 2240 2120 5300 7100 41.5 67 88 1 0.425 7012C   95 18 2 1 2750 2630 9500 13000 19.4 67 88 1 0.405 7212A   110 22 2.5 1.2 4850 4300 5300 7100 35.7 68.5 101.5 1.5 0.820 7212B   110 22 2.5 1.2 4400 3850 4800 6300 46.6 68.5 101.5 1.5 0.820 7212C   110 22 2.5 1.2 5050 4450 8500 12000 22.4 68.5 101.5 1.5 0.780 7312A   130 31 3.5 2 7200 6050 4800 6300 43.1 72 118 2 2.00 7312B   130 31 3.5 2 6650 5450 4300 5600 55.2 72 118 2 2.00 7312C   130 31 3.5 2 7750 6650 7500 10000 28.2 72 118 2 1.72 7013A 65 100 18 2 1 2640 2630 5600 7100 32.8 72 93 1 0.455 7013B   100 18 2 1 2370 2350 4800 6700 43.6 72 93 1 0.455 7013C   100 18 2 1 2910 2920 9000 12000 20.0 72 93 1 0.435 7213A   120 23 2.5 1.2 5500 5100 4800 6500 38.4 73.5 111.5 1.5 1.00 7213B   120 23 2.5 1.2 5000 4600 4300 6000 50.2 73.5 111.5 1.5 1.00 7213C   120 23 2.5 1.2 5750 5300 8000 11000 23.9 73.5 111.5 1.5 0.975 7313A   140 33 3.5 2 8200 6950 4300 5800 46.3 77 128 2 2.47 7313B   140 33 3.5 2 7500 6250 4000 5300 59.4 77 128 2 2.47 7313C   140 33 3.5 2 8750 7650 7100 9500 30.2 77 128 2 2.12 7014A 70 110 20 2 1 3350 3350 5000 6700 36.0 77 103 1 0.625 7014B   110 20 2 1 3000 2970 4500 6000 47.8 77 103 1 0.625 7014C   110 20 2 1 3700 3700 8000 11000 22.0 77 103 1 0.600 7214A   125 24 2.5 1.2 6000 5600 4500 6300 40.3 78.5 116.5 1.5 1.10 7214B   125 24 2.5 1.2 5400 5000 4100 5600 52.8 78.5 116.5 1.5 1.10 7214C   125 24 2.5 1.2 6250 5800 7500 10000 25.1 78.5 116.5 1.5 0.07 7314A   150 35 3.5 2 9200 7950 4000 5300 49.5 82 138 2 3.00 7314B   150 35 3.5 2 8450 7100 3600 5000 63.5 82 138 2 3.00 7314C   150 35 3.5 2 9850 8700 6700 9000 32.2 82 138 2 2.57 7015A 75 115 20 2 1 3400 3500 4800 6300 37.4 82 108 1 0.660 7015B   115 20 2 1 3050 3150 4300 5600 49.9 82 108 1 0.660 7015C   115 20 2 1 3750 3900 7500 10000 22.7 82 108 1 0.630 7215A   130 25 2.5 1.2 5950 5650 4300 5800 42.3 83.5 121.5 1.5 1.37 7215B   130 25 2.5 1.2 5400 5000 4000 5300 55.4 83.5 121.5 1.5 1.37 7215C   130 25 2.5 1.2 6500 6200 7100 9500 26.2 83.5 121.5 1.5 1.17 7315A   160 37 3.5 2 10000 8950 3800 5000 52.7 87 148 2 3.60 7315B   160 37 3.5 2 9200 8050 3400 4800 67.6 87 148 2 3.60 7315C   160 37 3.5 2 10700 9850 6300 8500 34.2 87 148 2 3.10

斜角滾珠軸承7系列內徑40~55mm

斜角滾珠軸承7系列內徑40~55mm   (1)   基本型號 寸主要寸法(mm) 基本定格荷重(kgf) 極限速率(rpm) 作用點位置(mm) a 接觸面和倒角尺寸(mm) 重量(kg)(參考) (單列)   d   D   B   r   r1   C   Co   脂潤滑   油潤滑   Ds (最小)   dh (最大)   R (最大) 7008A 40 68 15 1.5 0.8 1470 1250 8500 11000 23.1 46 62 1 0.198 7008B   68 15 1.5 0.8 1320 1110 7500 10000 30.2 46 62 1 0.198 7008C   68 15 1.5 0.8 1610 1380 13000 18000 14.7 46 62 1 0.189 7208A   80 18 2 1 2770 2260 7500 10000 26.4 47 73 1 0.380 7208B   80 18 2 1 2520 2020 6700 9000 34.1 47 73 1 0.380 7208C   80 18 2 1 2850 2310 12000 17000 17.0 47 73 1 0.360 7308A   90 23 2.5 1.2 3800 3050 7100 9000 30.4 48.5 81.5 1.5 0.660 7308B   90 23 2.5 1.2 3500 2740 6300 8500 38.7 48.5 81.5 1.5 0.660 7308C   90 23 2.5 1.2 3850 3050 11000 15000 20.2 48.5 81.5 1.5 0.620 7009A 45 75 16 1.5 0.8 1740 1510 7500 10000 25.3 51 69 1 0.250 7009B   75 16 1.5 0.8 1570 1350 6700 9000 33.2 51 69 1 0.250 7009C   75 16 1.5 0.8 1910 1670 12000 16000 16.0 51 69 1 0.240 7209A   85 19 2 1 3100 2570 7100 9000 28.4 52 78 1 0.430 7209B   85 19 2 1 2830 2300 6300 8500 36.7 52 78 1 0.430 7209C   85 19 2 1 3200 2630 11000 15000 18.2 52 78 1 0.410 7309A   100 25 2.5 1.2 4950 4100 6300 8500 33.6 53.5 91.5 1.5 0.875 7309B   100 25 2.5 1.2 4600 3500 5600 7500 42.8 53.5 91.5 1.5 0.875 7309C   100 25 2.5 1.2 5000 4100 10000 14000 22.2 53.5 91.5 1.5 0.830 7010A 50 80 16 1.5 0.8 1850 1700 7100 9000 26.8 56 74 1 0.272 7010B   80 16 1.5 0.8 1660 1520 6300 8500 35.3 56 74 1 0.272 7010C   80 16 1.5 0.8 2040 1880 11000 15000 16.7 56 74 1 0.260 7210A   90 20 2 1 3250 2780 6300 8500 30.3 57 83 1 0.485 7210B   90 20 2 1 2930 2450 5600 8000 39.3 57 83 1 0.485 7210C   90 20 2 1 3350 2860 10000 14000 19.4 57 83 1 0.465 7310A   110 27 3 1.5 5800 4850 5600 7500 36.8 60 100 2 1.150 7310B   110 27 3 1.5 5400 4350 5000 6700 46.9 60 100 2 1.150 7310C   110 27 3 1.5 5850 4900 9000 13000 24.2 60 100 2 1.080 7011A 55 90 18 2 1 2440 2240 6300 8500 29.9 62 83 1 0.400 7011B   90 18 2 1 2190 2000 5600 7500 39.4 62 83 1 0.400 7011C   90 18 2 1 2670 2480 10000 14000 18.7 62 83 1 0.380 7211A   100 21 2.5 1.2 4000 3500 6000 7500 33.0 63.5 91.5 1.5 0.635 7211B   100 21 2.5 1.2 3600 3150 5300 7100 42.9 63.5 91.5 1.5 0.635 7211C   100 21 2.5 1.2 4150 3600 9500 13000 20.9 63.5 91.5 1.5 0.610 7311A   120 29 3 1.5 6300 5200 5000 7000 40.0 65 110 2 1.60 7311B   120 29 3 1.5 5800 4700 4500 6300 51.9 65 110 2 1.60 7311C   120 29 3 1.5 6750 5750 8500 11000 26.2 65 110 2 1.37

斜角滾珠軸承7系列內徑20~35mm

斜角滾珠軸承7系列內徑20~35mm   (1)   基本型號 主要寸法(mm) 基本定格荷重(kgf) 極限速率(rpm) 作用點位置(mm) a 接觸面和倒角尺寸(mm) 重量(kg)(參考) (單列)   d   D   B   r   r1   C   Co   脂潤滑   油潤滑   Ds (最小)   dh (最大)   R (最大) 7004A 20 42 12 1 0.5 805 550 15000 19000 14.9 25 37 0.6 0.072 7004B   42 12 1 0.5 735 490 13000 18000 19.0 25 37 0.6 0.072 7004C   42 12 1 0.5 870 605 24000 32000 10.2 25 37 0.6 0.068 7204A   47 14 1.5 0.8 1140 770 13000 18000 16.7 26 41 1 0.110 7204B   47 14 1.5 0.8 1040 690 12000 16000 21.0 26 41 1 0.110 7204C   47 14 1.5 0.8 1140 770 22000 3000 11.5 26 41 1 0.105 7304A   52 15 2 1 1470 995 13000 17000 18.0 27 45 1 0.150 7304B   52 15 2 1 1370 895 11000 15000 22.5 27 45 1 0.150 7304C   52 15 2 1 1450 980 20000 28000 12.3 27 45 1 0.144 7005A 25 47 12 1 0.5 845 600 13000 17000 16.4 30 42 0.6 0.083 7005B   47 12 1 0.5 765 540 11000 15000 21.1 30 42 0.6 0.083 7005C   47 12 1 0.5 915 665 20000 28000 10.8 30 42 0.6 0.079 7205A   52 15 1.5 0.8 1280 930 12000 15000 18.7 31 46 1 0.135 7205B   52 15 1.5 0.8 1160 830 10000 14000 23.6 31 46 1 0.135 7205C   52 15 1.5 0.8 1300 945 19000 26000 12.7 31 46 1 0.130 7305A   62 17 2 1 2060 1500 10000 14000 21.2 32 55 1 0.245 7305B   62 17 2 1 1910 1340 9000 12000 26.7 32 55 1 0.245 7305C   62 17 2 1 2070 1490 17000 23000 14.3 32 55 1 0.228 7006A 30 55 13 1.5 0.8 1090 825 11000 14000 18.8 36 49 1 0.120 7006B   55 13 1.5 0.8 985 735 9500 13000 24.3 36 49 1 0.120 7006C   55 13 1.5 0.8 1190 910 17000 24000 12.2 36 49 1 0.115 7206A   62 16 1.5 0.8 1770 1330 10000 13000 21.4 36 56 1 0.210 7206B   62 16 1.5 0.8 1610 1190 8500 12000 27.2 36 56 1 0.210 7206C   62 16 1.5 0.8 1810 1360 16000 22000 14.2 36 56 1 0.196 7306A   72 19 2 1 2630 1960 9000 12000 24.3 37 65 1 0.360 7306B   72 19 2 1 2410 1800 8000 11000 30.8 37 65 1 0.360 7306C   72 19 2 1 2640 1960 14000 20000 16.3 37 65 1 0.340 7007A 35 62 14 1.5 0.8 1370 1090 9500 12000 21.0 41 56 1 0.160 7007B   62 14 1.5 0.8 1240 975 8000 11000 27.3 41 56 1 0.160 7007C   62 14 1.5 0.8 1500 1210 15000 20000 13.5 41 56 1 0.153 7207A   72 17 2 1 2330 1820 8500 11000 24.0 42 65 1 0.295 7207B   72 17 2 1 2130 1620 7500 10000 30.9 42 65 1 0.295 7207C   72 17 2 1 2380 1850 14000 19000 15.7 42 65 1 0.280 7307A   80 21 2.5 1.2 3150 2440 8000 10000 27.2 43.5 71.5 1.5 0.475 7307B   80 21 2.5 1.2 2880 2190 7100 9500 34.5 43.5 71.5 1.5 0.475 7307C   80 21 2.5 1.2 3150 2450 13000 17000 18.2 43.5 71.5 1.5 0.455

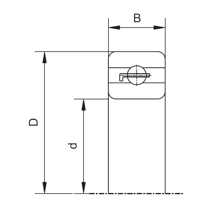
斜角滾珠軸承7系列內徑10~17mm

斜角滾珠軸承7系列內徑10~17mm

深溝滾珠軸承內徑

深溝滾珠軸承內徑 170~240 mm   基  本  型  號   基  本  尺  寸 基本定格荷重 (kgf) 極限速率(rpm) 開放形   d D B r C C0 脂潤滑 油潤滑 6834   170 215 22 2 4700 6050 2600 3000 6934     230 28 3 6750 8000 2400 2900 16034     260 28 2.5 8950 10500 2200 2700 6034     260 42 3.5 12600 13700 2200 2700 6234     310 52 5 16600 19500 1800 2200 6334     360 72 5 25600 33500 1600 2000 6836   180 225 22 2 4750 6350 2400 2900 6936     250 33 3 8600 9950 2200 2600 16036     280 31 3 11300 13200 2000 2500 6036     280 46 3.5 14100 15900 2000 2500 6236     320 52 5 17700 21200 1700 2100 6336     380 75 5 27800 38000 1500 1900 6838   190 240 24 2.5 5750 7600 2200 2700 6938     260 33 3 8850 10500 2200 2600 16038     290 31 3 11700 14000 2000 2400 6038     290 46 3.5 14700 17200 2000 2400 6238     340 55 5 19900 24900 1600 2000 6338     400 78 6 27800 38000 1400 1800 6840   200 250 24 2.5 5800 7900 2200 2600 6940     280 38 3.5 11200 13200 2000 2400 16040     310 34 3 13100 15900 1900 2300 6040     310 51 3.5 16200 19400 1900 2300 6240     360 58 5 21000 27200 1500 1900 6340     420 80 6 29700 41500 1300 1700 6844   220 270 24 2.5 6000 8500 1900 2400 6944     300 38 3.5 11500 14000 1800 2200 16044     340 37 3.5 14100 18100 1600 2000 6044     340 56 4 18400 23300 1700 2000 6244     400 65 5 24300 33000 1300 1700 6848   240 300 28 3 7700 11000 1700 2100 6948     320 38 3.5 12100 15600 1700 2000 16048     360 37 3.5 15300 20100 1500 1800 6048     360 56 4 19200 25200 1500 1800 6248     440 72 5 26500 38000 1200 1500

深溝滾珠軸承內徑

深溝滾珠軸承內徑 120~160 mm   基  本  型  號   基  本  尺  寸 基本定格荷重 (kgf) 極限速率(rpm) 脂潤滑 油潤滑   開放形     d   D   B   r   C   C0 開放形     Z.ZZ形 DU形 開放形 V.VV形 DDU形 Z形 6824 N NR 120 150 16 1.5 2510 3050 4000   4800 6924 N NR   165 22 2 4150 4500 3800   4500 16024     180 19 1.5 4750 5350 3600   4300 6024 ZZ VV DDU  N NR   180 28 3 6900 6850 3600 2000 4300 6224     215 40 3.5 12200 11900 2600   3200 6324     260 55 4 16200 17400 2300   2800 6826 N NR 130 165 18 2 2890 3550 3600   4300 6926 N NR   180 24 2.5 5100 5600 3400   4100 16026     200 22 2 5950 6450 3000   3600 6026 N NR   200 33 3 8300 8600 3000   3600 6226     230 40 4 13000 13200 2400   3000 6326     280 58 5 18000 20200 2000   2600 6828 N NR 140 175 18 2 2920 3700 3400   4000 6928 N NR   190 24 2.5 5250 5950 3200   3800 16028     210 22 2 6100 6850 2800   3400 6028     210 33 3 8650 9200 2800   3400 6228     250 42 4 13000 13300 2200   2800 6328     300 62 5 19800 23200 2000   2400 6830 N NR 150 190 20 2 3750 4750 3200   3600 6930     210 28 3 6650 7500 2800   3200 16030     225 24 2 6800 7950 2600   3100 6030     225 35 3.5 9800 10400 2600   3100 6230     270 45 4 13700 14700 2000   2600 6330     320 65 5 21600 26300 1800   2200 6832 N NR 160 200 20 2 3800 4950 2800   3200 6932     220 28 3 6550 7550 2600   3000 16032     240 25 2.5 7550 8950 2400   2900 6032     240 38 3.5 10700 11500 2400   2900 6232     290 48 4 14500 16200 1900   2300 6332     340 68 5 21800 26600 1700   2000

深溝滾珠軸承內徑

深溝滾珠軸承內徑 90~110 mm   基  本  型  號   基  本  尺  寸 基本定格荷重 (kgf) 極限速率(rpm) 脂潤滑 油潤滑   開放形     d   D   B   r   C   C0 開放形     Z.ZZ形 DU形 開放形 V.VV形 DDU形 Z形 6818 N NR 90 115 13 1.5 1490 1700 5300   6300 6918 N NR   125 18 2 2570 2630 5000   6000 16018     140 16 1.5 3250 3300 4800   5600 6018 ZZ VV DDU  N NR   140 24 2.5 4550 4300 4800 2800 5600 6218 ZZ VV DDU  N NR   160 30 3 7550 6450 4000 2600 4800 6318 ZZ VV DDU  N NR   190 43 4 11200 10200 3400 2400 4300 6819 N NR 95 120 13 1.5 1510 1780 5000   6000 6919 N NR   130 18 2 2640 2780 4800   5800 16019     145 16 1.5 3350 3500 4500   5300 6019 ZZ VV DDU  N NR   145 24 2.5 4750 4600 4500 2600 5300 6219 ZZ VV DDU  N NR   170 32 3.5 8550 7400 3600 2400 4500 6319 N NR   100 45 4 12000 11300 3000   3600 6820 N NR 100 125 13 1.5 1530 1850 4800   5600 6920 N NR   140 20 2 3400 3500 4500   5400 16020     150 16 1.5 3400 3700 4300   5000 6020 ZZ VV DDU  N NR   150 24 2.5 4750 4900 4300 2400 5000 6220 ZZ VV DDU  N NR   180 34 3.5 9600 8450 3400 2400 4200 6320     215 47 4 13600 13500 2800   3400 6821 N NR 105 130 13 1.5 1560 1930 4800   5600 6921 N NR   145 20 2 3300 3500 4300   5200 16021     160 18 1.5 4050 4250 4000   4800 6021 ZZ VV DDU  N NR   160 26 3 5700 5600 4000 2400 4800 6221 ZZ VV DDU  N NR   190 36 3.5 10400 9500 3300 2100 4000 6321     225 49 4 14400 14700 2600   3200 6822 N NR 110 140 16 1.5 2490 2890 4300   5000 6922 N NR   150 20 2 3400 3700 4000   5000 16022     170 19 1.5 4500 4750 3800   4500 6022 ZZ VV DDU  N NR   170 28 3 6650 6250 3800 2200 4500 6222 N NR   200 38 3.5 11300 10600 2800   3400 6322     240 50 4 16100 17200 2500   3000

深溝滾珠軸承內徑

深溝滾珠軸承內徑 65~85 mm   基  本  型  號   基  本  尺  寸 基本定格荷重 (kgf) 極限速率(rpm) 脂潤滑 油潤滑   開放形     d   D   B   r   C   C0 開放形     Z.ZZ形 DU形 開放形 V.VV形 DDU形 Z形 6813 N NR 65 85 10 1 935 985 7500   8500 6913 N NR   90 13 1.5 1360 1330 7100   8500 16013     100 11 1 1610 1550 6700   8000 6013 ZZ VV DDU  N NR   100 18 2 2400 2150 6700 3800 8000 6213 ZZ VV DDU  N NR   120 23 2.5 4500 3650 5300 3600 6300 6313 ZZ VV DDU  N NR   140 33 3.5 7250 5750 4800 3400 6000 6814 N NR 70 90 10 1 950 1030 7000   8000 6914 N NR   100 16 1.5 1860 1770 6500   7500 16014     110 13 1 2180 2110 6000   7100 6014 ZZ VV DDU  N NR   110 20 2 2980 2660 6000 3600 7100 6214 ZZ VV DDU  N NR   125 24 2.5 4900 4000 5000 3400 6300 6314 ZZ VV DDU  N NR   150 35 3.5 8150 6550 4500 3000 5300 6815 N NR 75 95 10 1 985 1120 6300   7500 6915 N NR   105 16 1.5 1910 1880 6000   7000 16015     115 13 1 2180 2110 5600   6700 6015 ZZ VV DDU  N NR   115 20 2 3100 2870 5600 3400 6700 6215 ZZ VV DDU  N NR   130 25 2.5 5150 4400 4800 3200 6000 6315 ZZ VV DDU  N NR   160 37 3.5 8900 7400 4300 2800 5000 6816 N NR 80 100 10 1 990 1160 6000   7100 6916 N NR   110 16 1.5 1950 1990 5600   6700 16016     125 14 1 2500 2470 5300   6300 6016 ZZ VV DDU  N NR   125 22 2 3750 3400 5300 3200 6300 6216 ZZ VV DDU  N NR   140 26 3 5700 4750 4500 3000 5300 6316 ZZ VV DDU  N NR   170 39 3.5 9650 8300 4000 2700 4800 6817 N NR 85 110 13 1.5 1470 1630 5600   6700 6917 N NR   120 18 2 2500 2470 5300   6300 16017     130 14 1 2570 2630 5000   6000 6017 ZZ VV DDU  N NR   130 22 2 3900 3700 5000 3000 6000 6217 ZZ VV DDU  N NR   150 28 3 6600 5600 4300 2800 5000 6317 ZZ VV DDU  N NR   180 41 4 10400 9250 3800 2600 4500

深溝滾珠軸承內徑

深溝滾珠軸承內徑 40~60 mm   基  本  型  號   基  本  尺  寸 基本定格荷重 (kgf) 極限速率(rpm) 脂潤滑 油潤滑   開放形     d   D   B   r   C   C0 開放形     Z.ZZ形 DU形 開放形 V.VV形 DDU形 Z形 6808 N NR 40 52 7 0.5 345 335 12000   14000 6908 N NR   62 12 1 1070 855 11000   13000 16008     68 9 0.5 1020 875 10000   12000 6008 ZZ VV DDU  N NR   68 15 1.5 1310 1010 10000 6000 12000 6208 ZZ VV DDU  N NR   80 18 2 2280 1650 8500 5600 10000 6308 ZZ VV DDU  N NR   90 23 2.5 3200 2300 7500 5300 9000 6809 N NR 45 58 7 0.5 500 480 11000   13000 6909 N NR   68 12 1 1110 925 9500   12000 16009     75 10 1 1170 965 9000   11000 6009 ZZ VV DDU  N NR   75 16 1.5 1640 1320 9000 5300 11000 6209 ZZ VV DDU  N NR   85 19 2 2570 1880 7500 5200 9000 6309 ZZ VV DDU  N NR   100 25 2.5 4150 3100 6700 4700 8000 6810 N NR 50 65 7 0.5 515 525 9500   11000 6910 N NR   72 12 1 1140 990 9000   11000 16010     80 10 1 1250 1110 8500   10000 6010 ZZ VV DDU  N NR   80 16 1.5 1710 1430 8500 5000 10000 6210 ZZ VV DDU  N NR   90 20 2 2750 2100 7100 4800 8500 6310 ZZ VV DDU  N NR   110 27 3 4850 3650 6300 4300 7500 6811 N NR 55 72 9 0.5 690 690 8500   10000 6911 N NR   80 13 1.5 1250 1110 8000   9500 16011     90 11 1 1520 1370 7500   9000 6011 ZZ VV DDU  N NR   90 18 2 2220 1850 7500 4500 9000 6211 ZZ VV DDU  N NR   100 21 2.5 3400 2660 6300 4300 7500 6311 ZZ VV DDU  N NR   120 29 3 5600 4330 5600 3800 6700 6812 N NR 60 78 10 0.5 900 895 8000   9500 6912 N NR   85 13 1.5 1520 1370 7500   9000 16012     95 11 1 1570 1460 7100   8500 6012 ZZ VV DDU  N NR   95 18 2 2310 2000 7100 4000 8500 6212 ZZ VV DDU  N NR   110 22 2.5 4100 3300 6000 3800 7100 6312 ZZ VV DDU  N NR   130 31 3.5 6400 5000 5300 3600 6300

深溝滾珠軸承內徑

深溝滾珠軸承內徑 22~35 mm   基  本  型  號   基  本  尺  寸 基本定格荷重 (kgf) 極限速率(rpm) 脂潤滑 油潤滑   開放形     d   D   B   r   C   C0 開放形     Z.ZZ形 DU形 開放形 V.VV形 DDU形 Z形 60/22 ZZ VV DDU  N NR 22 44 12 1 740 470 17000 10000 20000 62/22 ZZ VV DDU  N NR   50 14 1.5 1010 645 14000 9500 17000 63/22 ZZ VV DDU  N NR   56 16 2 1440 920 13000 9000 15000 6805 N NR 25 37 7 0.5 300 234 18000   21000 6905 N NR   42 9 0.5 550 395 16000   19000 16005     47 8 0.5 695 490 15000   18000 6005 ZZ VV DDU  N NR   47 12 1 790 525 15000 9500 18000 6205 ZZ VV DDU  N NR   52 15 1.5 1100 730 13000 9000 15000 6305 ZZ VV DDU  N NR   62 17 2 1610 1080 11000 8000 14000 60/28 ZZ VV DDU  N NR 28 52 12 1 975 665 14000 8500 16000 62/28 ZZ VV DDU  N NR   58 16 1.5 1310 885 12000 8000 14000 63/28 ZZ VV DDU  N NR   68 18 2 2100 1400 10000 7100 13000 6806 N NR 30 42 7 0.5 355 285 15000   18000 6906 N NR   47 9 0.5 570 430 14000   17000 16006     55 9 0.5 880 645 13000   15000 6006 ZZ VV DDU  N NR   55 13 1.5 1030 740 13000 8000 15000 6206 ZZ VV DDU  N NR   62 16 1.5 1530 1050 11000 7500 13000 6306 ZZ VV DDU  N NR   72 19 2 2090 1440 10000 6700 12000 60/32 ZZ VV DDU  N NR 32 58 13 1.5 1180 825 12000 7500 14000 62/32 ZZ VV DDU  N NR   65 17 1.5 1630 1090 10000 7100 12000 63/32 ZZ VV DDU  N NR   75 20 2 2340 1630 9500 6300 11000 6807 N NR 35 47 7 0.5 370 320 13000   16000 6907 N NR   55 10 1 815 620 12000   14000 16007     62 9 0.5 960 760 11000   13000 6007 ZZ VV DDU  N NR   62 14 1.5 1250 915 11000 7000 13000 6207 ZZ VV DDU  N NR   72 17 2 2010 1430 9500 6300 11000 6307 ZZ VV DDU  N NR   80 21 2.5 2620 1840 8500 6000 10000

深溝滾珠軸承內徑

深溝滾珠軸承內徑 10~20 mm   型  號   主  要  寸  法 基本定格荷重 (kgf) 極限速率(rpm) 脂潤滑 油潤滑   開放形     d   D   B   r   C   C0 開放形     Z.ZZ形 DU形 開放形 V.VV形 DDU形 Z形 6800   10 19 5 0.5 135 75 38000   45000 6900 N NR   22 6 0.5 212 117 34000   40000 6000 ZZ VV DDU   26 8 0.5 360 196 30000 21000 36000 6200 ZZ VV DDU  N NR   30 9 1 400 229 24000 18000 30000 6300 ZZ VV DDU  N NR   35 11 1 635 365 22000 17000 26000 6801   12 21 5 0.5 150 91 33000   40000 6901 N NR   24 6 0.5 227 133 30000   36000 16001     28 7 0.5 400 229 28000   32000 6001 ZZ VV DDU   28 8 0.5 400 229 28000 18000 32000 6201 ZZ VV DDU  N NR   32 10 1 535 305 22000 16000 28000 6301 ZZ VV DDU  N NR   37 12 1.5 760 450 20000 16000 24000 6802   15 24 5 0.5 163 107 28000   33000 6902 N NR   28 7 0.5 340 205 26000   30000 16002     32 8 0.5 440 263 23000   28000 6002 ZZ VV DDU  N NR   32 9 0.5 440 263 23000 15000 28000 6202 ZZ VV DDU  N NR   35 11 1 600 360 20000 14000 24000 6302 ZZ VV DDU  N NR   42 13 1.5 895 545 17000 12000 20000 6803   17 26 5 0.5 206 135 26000   30000 6903 N NR   30 7 0.5 360 228 24000   28000 16003     35 8 0.5 470 296 21000   24000 6003 ZZ VV DDU  N NR   35 10 0.5 470 296 21000 13000 24000 6203 ZZ VV DDU  N NR   40 12 1 750 460 17000 12000 20000 6303 ZZ VV DDU  N NR   47 14 1.5 1070 660 16000 11000 19000 6804 N NR 20 32 7 0.5 273 191 21000   25000 6904 N NR   37 9 0.5 500 330 19000   23000 16004     42 8 0.5 620 405 18000   20000 6004 ZZ VV DDU  N NR   42 12 1 735 465 18000 11000 20000 6204 ZZ VV DDU  N NR   47 14 1.5 1000 635 15000 11000 18000 6304 ZZ VV DDU  N NR   52 15 2 1250 785 14000 10000 17000

止推滾珠軸承

止推滾珠軸承 T系列   型           號 主      要      寸      法 D d B T-620 6 2 3 T-725 7 2.5 3.5 T-830 8 3 3.5 T-940 9 4 4 T-1040 10 4 4.5 T-1150 11 5 4.5 T1260 12 6 4.5 T1570 15 7 5 T1680 16 8 5 T1790 17 9 5 T1810 18 10 5

袖珍型深溝滾珠軸承A系列

袖珍型深溝滾珠軸承A系列   型           號 主      要      寸      法 D d B A-1510 15 10 3 A-2015 20 15 3.5 A-2115 21 15 3.5 A-2216 22 16 4 A-2418 24 18 4 A-2520 25 20 4

袖珍型深溝滾珠軸承L-R系列

袖珍型深溝滾珠軸承L-R系列 內徑8~20mm   型           號 主      要      寸      法   凸  緣  型  號 d D W W1 FD FW FW1 L-1280 L-1280zz 8 12 2.5 3.5 13.2 0.6 - LF-1280 -       12 - 3.5 13.6 - 0.8 - LF-1280zzw3.5 L-1480 L-1480zz   14 3.5 4 15.6 0.8 0.8 LF-1480 LF-1480zz L-1680 L-1680zz   16 4 5 18.0 1.0   LF-1680 LF-1680zz   L-1680zzw06   16 - 6       - - R-1980 R-1980zz   19 6 6 22.0 1.5 1.5 RF-1980 RF-1980zz R-2280 R-2280zz   22 7 7 25.0 1.5 1.5 RF-2280 RF-2280zz R-2480 R-2480zz   24 8 8       - - R-638 R-638zz   28 9 9       - - L-1790 L-1790zz 9 17 4 5 19.0 1.0 1.1 LF-1790 LF-1790zz L-2090 L-2090zz   20 6 6           R-2490 R-2490zz   24 7 7           R-2690 R-2690ZZ   26 8 8           R-2010 R-2010ZZ 10 20 6 6           L-1910y54 L-1910zzy05 10 19 4.5 5           L-1910 L-1910zz   19 5 7 22   1.5 - LF-1910zz A-1510 A-1510zz   15 3 4 16.5   0.8 - AF-1510zz R-2610 R-2610zz   26 8 8           A-2015   15 20 3.5             A-2115     21 3.5             A-2216   16 22 4             A-2418   18 24 4             A-2520   20 25 4            

袖珍型深溝滾珠軸承L-R系列

袖珍型深溝滾珠軸承L-R系列 內徑4~7mm 型           號 主      要      寸      法 凸  緣  型  號 d D W W1 FD FW FW1 L-740 L-740ZZ 4 7 2 2.5 8.2 0.6 0.6 LF-  740 LF-740ZZ L-840 L-840ZZ   8 2 3 9.2 0.6 0.6 LF-  840 LF-840ZZ L-940 L-940ZZ   9 2.5 4 10.3 0.6 0.6 LF-  940 LF-940ZZ L-1040 L-1040ZZ   10 3 4 11.2 0.6 - LF-1040 -       10 - 4 11.6 - 0.8 - LF-1040ZZw3 R-1140 R-1140ZZ   11 4 4 12.5 1.0 10. RF-1140 RF-1040ZZ R-1140y53     11 3.5 -           R-1240 R-1240ZZ   12 4 4 13.5 1.0 1.0 RF-1240 RF-1240ZZ R-1340 R-1340ZZ   13 5 5 15.0 1.0 1.0 RF-1340 RF-1340ZZ R-1640 R-1640ZZ   16 5 5 18.0 1.0 1.0 FR-1640 RF-1640ZZ L-850 L-850ZZ 5 8 2 2.5 9.2 0.6 0.6 LF-  850 LF-850ZZ L-850w82 -   8 2.8 -       - - L-590 L-950ZZ   9 2.5 3 10.2 0.6 0.6 LF-  950 LF-950ZZ L-1050 L-1050ZZ   10 3 4 11.2 0.6 - - LF-1050ZZ       10 - 3 11.6 - 0.8 - LF-1050ZZw3 L-1150 L-1150ZZ   11 3 5 12.5 0.8 1.0 - LF-1150ZZ   L-1150ZZz04   11 - 4 12.6 - 0.8   LF-1150ZZy04 R-1350 R-1350ZZ   13 4 4 15.0 1.0 1.0 RF-1350 RF-1350ZZ   R-1350ZZw05   13 - 5 15.0 1.0 1.0 - RF-1350ZZw05 R-1450 R-1450ZZ   14 5 5 16.0 1.0 1.0 RF-1450 RF-1450ZZ R-1650 R-1650ZZ   16 5 5 18.0 1.0 1.0 RF-1650 RF-1650ZZ R-1950 R-1950ZZ   19 6 6 22.0 1.5 1.5 RF-1950 RF-1950ZZ L-1060 L-1060ZZ 6 10 2.5 3 11.2 0.6 0.6 LF-1060 LF-1060ZZ L-1260 L-1260ZZ   12 3 4 13.2 0.6 - LF-1260 -       12 - 3 13.6 - 0.8 - LF-1260ZZw3 L-1360 L-1360ZZ   13 3.5 5 15.0 1.0 1.1 LF-1360 LF-1360ZZ   L-1360ZZy54   13 - 4.5           R-1560 R-1560ZZ   15 5 5 17.0 1.2 1.2 RF-1560 RF-1560ZZ R-1760 R-1760ZZ   17 6 6 19.0 1.2 1.2 RF-1760 RF-1760ZZ R-1960 R-1960ZZ   19 6 6 22.0 1.5 1.5 RF-1960 RF-1960ZZ R-636 R-636ZZ   22 7 7           L-1170 L-1170ZZ 7 11 2.5 3 12.2 0.6 0.6 LF-1170 LF-1170ZZ L-1370 L-1370ZZ   13 3 4 14.2 0.6 - LF-1370 -       13 - 4 14.6 - 0.8 - LF-1370ZZ L-1470 L-1470ZZ   14 3.5 5 16.0 1.0 1.1 LF-1470 LF-147ZZ L-1770 L-1770ZZ   17 5 5       - - R-1970 R-1970ZZ   19 6 6       - - R-2270 R-2270ZZ   22 7 7 25.0 1.5 1.5 RF-2270 RF-2270ZZ R-637 R-637ZZ   26 9 9          

袖珍型深溝滾珠軸承L-R系列

袖珍型深溝滾珠軸承L-R系列 內徑1~3mm   型           號 主      要      寸      法   凸  緣  型  號 d D W W1 FD FW FW1 L-310   1 3 1 - 3.8 0.3   LF310   L-310w51     3 1.5 -       -   R-410     4 1.6 -       -   R-412   1.2 4 1.8 - 4.8 0.4   RF-412   L-415 L-415zz 1.5 4 1.2 2 5.0 0.4   LF-415   L-415w81 L-415zzw52   4 1.8 2.5       -   R-515 R-515zz   5 2 2.6 6.5 0.6 0.8 RF-515 RF-515zz R-615 R-615zz   6 2.5 3 7.5 0.6 0.8 RF-615 RF-615zz L-520 L-520zz 2 5 1.5 2.3 6.1 0.5 0.6 LF-520 RF-520zz L-520w02 L-520zzw52   5 2 2.5       - - L-520w52     5 2.5 -       - - R-620 R-620zz   6 2.3 3 7.5 0.6 0.8 RF-620 RF-620zz R-620w52 R-620zzy52   6 2.5 2.5 7.2 0.6 0.6 RF-620w52 RF-620zzy52 R-620w52 R-620xzzy32   6 2.5 2.3       - - R-720 R-720zz   7 2.8 3.5 8.5 0.7 0.9 RF-720 RF-720zz R-720y52 R-720zzy03   7 2.5 3 8.2 0.6 0.6 RF-720y52 RF-720zzy03 L-625 L-625zz 2.5 6 1.8 2.6 7.1 0.5 0.8 LF-625 LF-625zz R-725 R-725zz   7 2.5 3.5 8.5 0.7 0.7 RF-725 RF-725zz   R-725zzy03   7 - 3 8.2   0.6 - RF-725zzy03 R-825 R-825zz   8 2.8 4 9.5 0.7 0.9 RF-825 RF-825zz R-825y52 R-825zzy82   8 2.5 2.8 9.2 0.6 - RF-825y52 - L-630 L-630zz 3 6 2 2.5 7.2 0.6 0.6 LF-630 LF-630zz L-730 L-730zz   7 2 3 8.1 0.5 0.8 LF-730 LF-730zz R-830 R-830zz   8 3 4 9.5 0.7 0.9 RF-830 RF-830zz R-830y52 R-830zzy03   8 2.5 3 9.2 0.6 - RF-830y52 - - R-830zzy53   8 - 3.5       - - R-930 R-930zz   9 3 5 10.5 0.7 1.0 RF-930 RF-930zz R-930y52 R-930zzy04   9 2.5 4 10.2 0.6   RF-930y52 - - -   9 - 4 10.6   0.8 - RF-930zzy04 R-1030 R-1030zzLF   10 4 4 11.5 1.0 1.0 RF-1030 RF-1030zz R-1030y53 -   10 3.5 -       - -

袖珍型深溝滾珠軸承RI系列

袖珍型深溝滾珠軸承RI系列 英寸規格內徑1.106~11/2   型           號 主      要      寸      法   凸  緣  型  號 d D W W1 FD FW FW1 RI-2 - 1.016 1/8 1.1913 - -     - - RI-3 RI-3ZZ 1.397 3/16 5/64 7/64 5.944 0.584 0.787 RIF-3 RIF-3ZZ RI-4 RI-4ZZ 5/64 1/4 3/32 3.57 7.518 0.584 0.787 RIF-4 RIF-4ZZ RI-3332 RI-3332ZZ 3/32 3/16 1/16 3/32 5.944 0.457 0.787 RIF-3332 RIF-3332ZZ RI-5 RI-5ZZ 3/32 5/16 2.78 3.57 9.119 0.584 0.787 RIF-5 RIF-5ZZ RI-418 RI-418ZZ 1/8 1/4 3/32 7/64 7.518 0.584 0.787 RIF-418 RIF-418ZZ RI-518 RI-518ZZ 1/8 5/16 7/64 9/64 9.119 0.584 0.787 RIF-518 RIF-518ZZ RI-618 RI-618ZZ 1/8 3/8 7/64 9/64 10.719 0.584 0.787 RIF-618 RIF-618ZZ R-2 R-2ZZ 1/8 3/8 5/32 5/32 11.176 0.762 0.762 RF-2 RF-2ZZ RI-5532 RI-5532ZZ 5/32 5/16 7/64 1/8 9.119 0.584 0.914 RIF-5532 RIF-5532ZZ RI-5632 RI-5632ZZ 3/16 5/16 7/64 1/8 9.119 0.584 0.914 RIF-5632 RIF-5632ZZ RI-6632 RI-6632ZZ 3/16 3/8 1/8 1/8 10.719 0.584 0.789 RIF-6632 RIF-6632ZZ R-3 R-3ZZ 3/16 1/2 5/32 5mm 14.351 1.067 1.067 RF-3 RF-3ZZ RA-3   3/16 1/2 5mm 5mm       - - RI-614 RI-614ZZ 1/4 3/8 1/8 1/8 10.719 0.584 0.914 RIF-614 RIF-614ZZ RI-814 RI-814ZZ 1/4 1/2 1/8 3/16 13.894 0.584 1.143 RIF-814 RIF-814ZZ R-4 R-4ZZ 1/4 5/8 5mm 5mm 17.526 1.067 1.067 RF-4 RF-4ZZ RI-1214 RI-1214ZZ 1/4 3/4 7/32 9/32       - - RI-8516 RI-8516ZZ 5/16 1/2 5/32 5/32 13.894 0.787 0.787 RIF-8516 RIF-8516ZZ R-6 R-6ZZ 3/8 7/8 7/32 9/32 24.613   1.575   RF-6ZZ R-8 R-8ZZ 1/2 11⁄ 8 1/4 5/16           R-10 R-10ZZ 5/8 13⁄ 8 9/32 11/32           R-12 R-12ZZ 3/4 15⁄ 8 5/16 7/16           R-14 R-14ZZ 7/8 17⁄ 8 3/8 1/2           R-16 R-16ZZ 1˝ 2˝ 3/8 1/2           R-18 R-18ZZ 11⁄ 8 21⁄ 8 3/8 1/2           R-20 R-20ZZ 11⁄ 4 21⁄ 4 3/8 1/2           R-22 R-22ZZ 13⁄ 8 21⁄ 2 7/16 9/16           R-24 R-24ZZ 11⁄ 2 25⁄ 8 7/16 9/16          

鋼片式撓性聯軸器SAP-C系列

鋼片式撓性聯軸器SAP-C系列 /C型襯套迫緊環固定式 Coupling / Rigid Clamp Type 材質 ●鋼 ●緩衝材:不銹鋼彈片 表面處理 ●染黑 特性 ●高扭力、高剛性 ● 低慣性、零背隙 ●適合用於中大型伺服馬達 ●固定方式:免鍵軸環固定式 尺寸          單位:mm    型號   基本尺寸(mm)   D   B d   L   I   F   G   J   M1   M2 Min Max SAP-68C 68 40 10 18 76 25 6 7 5 M6×4 M6 SAP-82C 82 54 14 30 76.2 25 6.2 7 5 M6×4 M6 SAP-94C 94 58 14 35 89.6 30 9.6 7 5 M6×4 M8 SAP-104C 104 68 20 42 98 33 10 8 5 M6×6 M8 SAP-126C 126 78 25 50 117 40 11 10 7 M8×4 M10 SAP-144C 144 88 30 55 128 45 12 10 7 M8×4 M10 SAP-168C 168 104 35 65 200 75 14 15 7 M8×6 M10 SAP-180C 180 120 35 75 212 80 16 15 7 M8×6 M10 SAP-215C 215 128 40 85 242 90 20 18 8 M10×6 M16 性能  型號 一般扭力 (N.m) 最大扭力 (N.m) 最高回轉速 (Rpm/min) 慣性 (kg•m2) 容許軸向位差 (mm) 容許偏角 ( º ) SAP-68C 39 78 20000 3.0 ±0.8 1 SAP-82C 78 156 17000 8.7 ±1.0 1 SAP-94C 176 352 15000 16 ±1.2 1 SAP-104C 245 490 13000 26 ±1.4 1 SAP-126C 440 880 11000 65 ±1.6 1 SAP-144C 780 1560 9000 99 ±1.8 1 SAP-168C 1170 2340 5100 238 ±1.0 1 SAP-180C 1960 3920 4800 365 ±1.0 1 SAP-215C 4900 9800 4300 830 ±1.0 1