中華黃頁網路電話簿
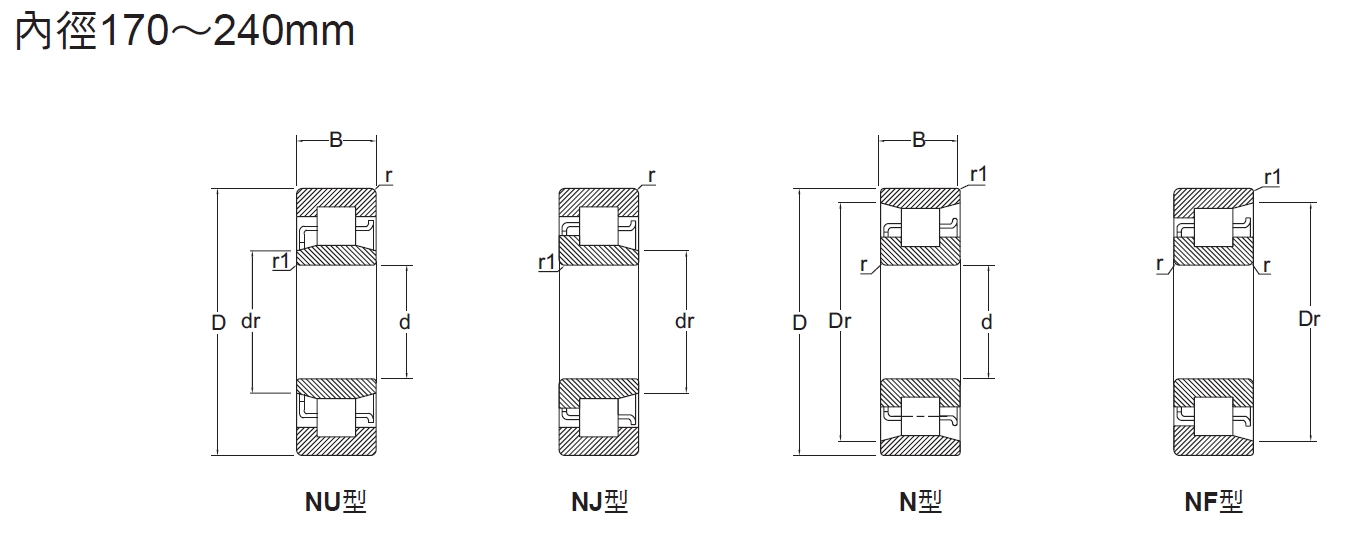
圓筒滾珠軸承NU系列內徑130~160mm

圓筒滾珠軸承NU系列內徑130~160mm 基本型號 主要寸法(mm) 基本定格荷重(kgf) 極限速率(rpm) NU形 NJ形N形NF形 d D B r r1 dr Dr C Co 脂潤滑 油潤滑 NU1026 - - - 130 200 33 3 2 148 - 15900 15000 3200 3800 NU  226 NJ   N   NF   230 40 4 4 156 204 26200 23300 2800 3200 NU  226EWS NJ   -  -   230 40 4 4 153.5 - 33500 29500 2200 2600 NU2226 NJ   -  -   230 64 4 4 156 - 36500 36000 2400 3000 NU2226EWS NJ   -  -   230 64 4 4 153.5 - 49000 48000 2200 2600 NU  326 NJ   N   NF   280 58 5 5 167 243 52000 44000 2200 2600 NU  326EWS NJ   -  -   280 58 5 5 167 - 57000 49000 1800 2200 NU2326 NJ   -  -   280 93 5 5 167 - 78000 74500 1900 2400 NU2326EWS NJ   -  -   280 93 5 5 167 - 85500 82000 1800 2200 NU  426 NJ   N   NF   340 78 6 6 185 285 76500 64500 1800 2200 NU1028 -  -  - 140 210 33 3 2 158 - 16300 15700 3000 3600 NU  228 NJ   N   NF   250 42 4 4 169 221 30000 27000 2600 3000 NU  228EWS NJ   -  -   250 42 4 4 169 - 36500 33000 2000 2400 NU2228 NJ   -  -   250 68 4 4 169 - 43500 43000 2200 2800 NU2228EWS NJ   -  -   250 68 4 4 169 - 53000 54000 2000 2400 NU  328 NJ   N   NF   300 62 5 5 180 260 57000 49500 2000 2400 NU  328EM NJ   -  -   300 62 5 5 180 - 61500 53000 1800 2100 NU2328 NJ   -  -   300 102 5 5 180 - 85500 82500 1700 2200 NU2328EM NJ   -  -   300 102 5 5 180 - 95000 92000 1800 2100 NU  428 NJ   N   NF   360 82 6 6 198 302 81000 68500 1700 2000 NU1030 -  -  - 150 225 35 3.5 2.5 169.5 - 18700 18500 2800 3300 NU  230 NJ   N   NF   270 45 4 4 182 238 34500 31500 2400 2700 NU  230EM NJ   -  -   270 45 4 4 182 - 41500 38500 1900 2400 NU2230 NJ   -  -   270 73 4 4 182 - 50500 51500 2000 2600 NU2230EM NJ   -  -   270 73 4 4 182 - 61500 63500 1900 2400 NU  330 NJ   N   NF   320 65 5 5 193 277 61500 53500 1800 2200 NU  330EM NJ   -  -   320 65 5 5 193 - 70000 61000 1700 2000 NU2330 NJ   -  -   320 108 5 5 193 - 94500 92500 1600 2000 NU2330EM NJ   -  -   320 108 5 5 193 - 108000 106000 1700 2000 NU  430 NJ   N   NF   380 85 6 6 213 317 86500 75000 1600 2000 NU1032 -  -  - 160 240 38 3.5 2.5 180 - 22000 21600 2600 3100 NU  232 NJ   N   NF   290 48 4 4 195 255 39500 36500 2200 2600 NU  232EM NJ   -  -   290 48 4 4 195 - 46000 43000 1800 2200 NU2232 NJ   -  -   290 80 4 4 195 - 58500 60500 1900 2200 NU2232EM NJ   -  -   290 80 4 4 193 - 75000 77000 1800 2200 NU  332 NJ   N   NF   340 68 5 5 208 292 64500 57500 1700 2000 NU  332EM NJ   -  -   340 68 5 5 204 - 79500 70000 1500 1800 NU2332 NJ   -  -   340 114 5 5 208 - 99500 100000 1500 1900 NU2332EM NJ   -  -   340 114 5 5 204 - 122000 121000 1500 1800

圓筒滾珠軸承NU系列內徑100~120mm

圓筒滾珠軸承NU系列內徑100~120mm 基本型號 主要寸法(mm) 基本定格荷重(kgf) 極限速率(rpm) NU形 NJ形N形NF形 d D B r r1 dr Dr C Co 脂潤滑 油潤滑 NU1020 - - - 100 150 24 2.5 2 113 - 8600 7900 4300 5000 NU  220 NJ   N   FF   180 34 3.5 3.5 120 160 17000 14000 3600 4200 NU  220EWS NJ   -  -   180 34 3.5 3.5 119 - 23100 19900 2800 3400 NU2220 NJ   -  -   180 46 3.5 3.5 120 - 23900 21800 3200 3800 NU2220EWS NJ   -  -   180 46 3.5 3.5 119 - 31000 28900 2800 3400 NU  320 NJ   N   NF   215 47 4 4 129.5 185.5 29300 23900 2800 3400 NU  320EWS NJ   -  -   215 47 4 4 127.5 - 35000 28400 2200 2800 NU2320 NJ   -  -   215 73 4 4 129.5 - 42500 39000 2400 3100 NU2320EWS NJ   -  -   215 73 4 4 127.5 - 53000 48000 2200 2800 NU  420 NJ   N   NF   250 58 5 5 139 211 41500 33500 2500 3000 NU1021 -  -  - 105 160 26 3 2 119.5 - 10100 9350 4000 4800 NU  221 NJ   N   NF   190 36 3.5 3.5 126.8 168.8 18600 15600 3400 4000 NU  321 NJ   N   NF   225 49 4 4 135 195 31500 25600 2600 3200 NU  421 NJ   N   NF   260 60 5 5 144.5 220.5 46000 37500 2400 2900 NU1022 -  -  - 110 170 28 3 2 125 - 12200 11000 3800 4500 NU  222 NJ   N   NF   200 38 3.5 3.5 132.5 178.5 22300 18800 3200 3800 NU  222EWS NJ   -  -   200 38 3.5 3.5 132.5 - 27100 23700 2500 3000 NU2222 NJ   -  -   200 53 3.5 3.5 132.5 - 31000 28600 2800 3400 NU2222EWS NJ   -  -   200 53 3.5 3.5 132.5 - 35500 33500 2500 3000 NU  322 NJ   N   NF   240 50 4 4 143 207 35000 28700 2600 3000 NU  322EWS NJ   -  -   240 50 4 4 143 - 42000 35000 2000 2400 NU2322 NJ   -  -   240 80 4 4 143 - 53000 48500 2200 2800 NU2322EWS NJ   -  -   240 80 4 4 143 - 62500 58500 2000 2400 NU  422 NJ   N   NF   280 65 5 5 155 235 51000 41500 2200 2700 NU1024 -  -  - 120 180 28 3 2 135 - 12800 12000 3400 4200 NU  224 NJ   N   NF   215 40 3.5 3.5 143.5 191.5 24100 20600 3000 3400 NU  224EWS NJ   -  -   215 40 3.5 3.5 143.5 - 31000 27400 2300 2800 NU2224 NJ   -  -   215 58 3.5 3.5 143.5 - 34000 32000 2600 3200 NU2224EWS NJ   -  -   215 58 3.5 3.5 143.5 - 42000 40000 2300 2800 NU  324 NJ   N   NF   260 55 4 4 154 226 44000 36500 2200 2800 NU  324EWS NJ   -  -   260 55 4 4 154 - 49000 40500 1900 2200 NU2324 NJ   -  -   260 86 4 4 154 - 65500 61000 2000 2600 NU2324EWS NJ   -  -   260 86 4 4 154 - 73500 68500 1900 2200 NU  424 NJ   N   NF   310 72 6 6 170 260 62500 52000 2000 2400

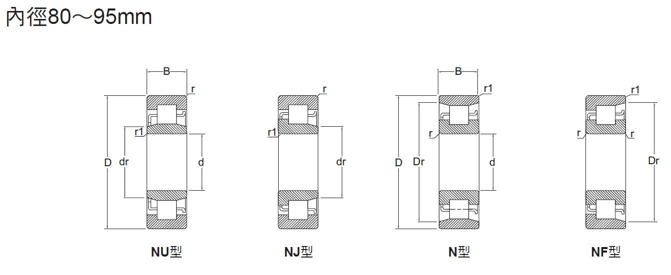
圓筒滾珠軸承NU系列內徑80~95mm

圓筒滾珠軸承NU系列內徑80~95mm 基本型號 主要寸法(mm) 基本定格荷重(kgf) 極限速率(rpm) NU形 NJ形N形NF形 d D B r r1 dr Dr C Co 脂潤滑 油潤滑 NU1016 - - - 80 125 22 2 1.5 91.5 - 6700 5750 5300 6300 NU  216 NJ   N   NF   140 26 3 3 95.3 125.3 9850 7850 4500 5300 NU  216EWS NJ   -  -   140 26 3 3 95.3 - 12900 10800 3700 4300 NU2216 NJ   -  -   140 33 3 3 95.3 - 13700 12000 4000 5000 NU2216EWS NJ   -  -   140 33 3 3 95.3 - 17300 15700 3700 4300 NU  316 NJ   N   NF   170 39 3.5 3.5 103 147 18600 14700 3600 4300 NU  316EWS NJ   -  -   170 39 3.5 3.5 101 - 23700 18800 2900 3400 NU2316 NJ   -  -   170 58 3.5 3.5 103 - 26900 23500 3200 3900 NU2316EWS NJ   -  -   170 58 3.5 3.5 101 - 33000 28800 2900 3400 NU  416 NJ   N   NF   200 48 4 4 110 170 27700 21200 3200 3800 NU1017 -  -  - 85 130 22 2 1.5 96.5 - 6900 6050 5000 6000 NU  217 NJ   N   NF   150 28 3 3 101.8 133.8 11200 9000 4300 5000 NU  217EWS NJ   -  -   150 28 3 3 100.5 - 15500 12900 3300 4000 NU2217 NJ   -  -   150 36 3 3 101.8 - 15700 14000 3800 4500 NU2217EWS NJ   -  -   150 36 3 3 100.5 - 20200 18100 3300 4000 NU  317 NJ   N   NF   180 41 4 4 108 156 20900 16300 3400 4000 NU  317EWS NJ   -  -   180 41 4 4 108 - 27000 22000 2700 3200 NU2317 NJ   -  -   180 60 4 4 108 - 29200 25200 3000 3700 NU2317EWS NJ   -  -   180 60 4 4 108 - 36500 32500 2700 3200 NU  417 NJ   N   NF   210 52 5 5 113 177 31000 23700 3000 3600 NU1018 -  -  - 90 140 24 2.5 2 103 - 8200 7250 4800 5600 NU  218 NJ   N   NF   160 30 3 3 107 143 14100 11500 4000 4700 NU  218EWS NJ   -  -   160 30 3 3 107 - 16900 14100 3200 3800 NU2218 NJ   -  -   160 40 3 3 107 - 19200 17100 3600 4300 NU2218EWS NJ   -  -   160 40 3 3 107 - 22400 20400 3200 3800 NU  318 NJ   N   NF   190 43 4 4 115 165 22200 17500 3200 3800 NU  318EWS NJ   -  -   190 43 4 4 113.5 - 29300 23700 2500 3000 NU2318 NJ   -  -   190 64 4 4 115 - 30500 26000 2800 3500 NU2318EWS NJ   -  -   190 64 4 4 113.5 - 40500 35500 2500 3000 NU  418 NJ   N   NF   225 54 5 5 123.5 191.5 34500 27000 2800 3400 NU1019 -  -  - 95 145 24 2.5 2 108 - 8400 7600 4500 5300 NU  219 NJ   N   NF   170 32 3.5 3.5 113.5 151.5 15300 12600 3800 4400 NU  219EWS NJ   -  -   170 32 3.5 3.5 112.5 - 20400 17200 3000 3600 NU2219 NJ   -  -   170 43 3.5 3.5 113.5 - 21400 19200 3400 4000 NU2219EWS NJ   -  -   170 43 3.5 3.5 112.5 - 26500 24100 3000 3600 NU  319 NJ   N   NF   200 45 4 4 121.5 173.5 25400 20500 3000 3600 NU  319EWS NJ   -  -   200 45 4 4 121.5 - 31000 25700 2400 3000 NU2319 NJ   -  -   200 67 4 4 121.5 - 36500 32500 2600 3300 NU2319EWS NJ   -  -   200 67 4 4 121.5 - 42500 38500 2400 3000 NU  419 NJ   N   NF   240 55 5 5 133.5 201.5 37000 29700 2600 3200

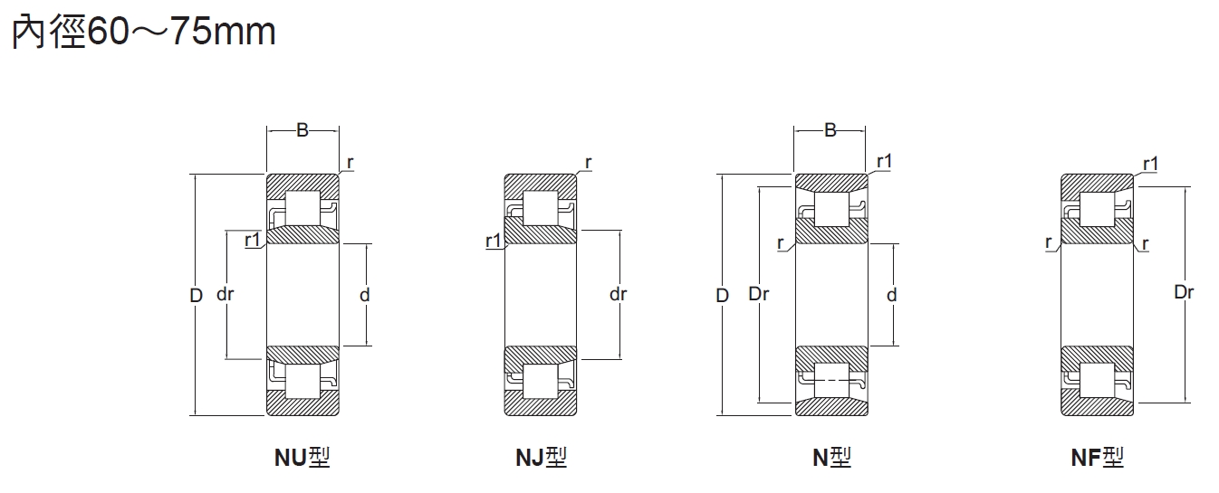
圓筒滾珠軸承NU系列內徑60~75mm

圓筒滾珠軸承NU系列內徑60~75mm 基本型號 主要寸法(mm) 基本定格荷重(kgf) 極限速率(rpm) NU形 NJ形N形NF形 d D B r r1 dr Dr C Co 脂潤滑 油潤滑 NU1012 - - - 60 95 18 2 1.5 69.5 - 3700 3050 6700 8400 NU  212 NJ   N   NF   110 22 2.5 2.5 73.5 97.5 6650 5150 6000 7100 NU  212EWS NJ   -  -   110 22 2.5 2.5 72 - 9050 7000 4800 5600 NU2212 NJ   -  -   110 28 2.5 2.5 73.5 - 9350 7950 5300 6300 NU2212EWS NJ   -  -   110 28 2.5 2.5 72 - 12100 10200 4800 5600 NU  312 NJ   N   NF   130 31 3.5 3.5 77 113 11600 8500 4800 5600 NU  312EWS NJ   -  -   130 31 3.5 3.5 77 - 13900 10500 3800 4500 NU2312 NJ   -  -   130 46 3.5 3.5 77 - 16600 13500 4300 5200 NU2312EWS NJ   -  -   130 46 3.5 3.5 77 - 20600 17500 3800 4500 NU  412 NJ   N   NF   150 35 3.5 3.5 83 127 15500 11300 4300 5200 NU1013 -  -  - 65 100 18 2 1.5 74.5 - 3800 3200 6300 7900 NU  213 NJ   N   NF   120 23 2.5 2.5 79.6 105.6 7800 6100 5300 6300 NU  213EWS NJ   -  -   120 23 2.5 2.5 78.5 - 9950 7750 4300 5300 NU2213 NJ   -  -   120 31 2.5 2.5 79.6 - 11100 9650 4800 5900 NU2213EWS NJ   -  -   120 31 2.5 2.5 78.5 - 13800 11800 4300 5300 NU  313 NJ   N   NF   140 33 3.5 3.5 83.5 121.5 13300 9950 4500 5300 NU  313EWS NJ   -  -   140 33 3.5 3.5 82.5 - 16700 12800 3500 4300 NU2313 NJ   -  -   140 48 3.5 3.5 83.5 - 18500 15200 3800 4800 NU2313EWS NJ   -  -   140 48 3.5 3.5 82.5 - 22900 19200 3500 4300 NU  413 NJ   N   NF   160 37 3.5 3.5 89.3 135.3 18100 13600 4000 4800 NU1014 -  -  - 70 110 20 2 1.5 80 - 5400 4450 6000 7100 NU  214 NJ   N   NF   125 24 2.5 2.5 84.5 110.5 7800 6100 5000 6000 NU  214EWS NJ   -  -   125 24 2.5 2.5 83.5 - 11000 8900 4000 4800 NU2214 NJ   -  -   125 31 2.5 2.5 84.5 - 11100 9700 4600 5600 NU2214EWS NJ   -  -   125 31 2.5 2.5 83.5 - 14400 12600 4000 4800 NU  314 NJ   N   NF   150 35 3.5 3.5 90 130 14700 11100 4000 5000 NU  314EWS NJ   -  -   150 35 3.5 3.5 89 - 19000 14800 3300 4000 NU2314 NJ   -  -   150 51 3.5 3.5 90 - 20700 17300 3600 4500 NU2314EWS NJ   -  -   150 51 3.5 3.5 89 - 25400 21500 3300 4000 NU  414 NJ   N   NF   180 42 4 4 100 152 22500 17200 3600 4300 NU1015 -  -  - 75 115 20 2 1.5 85 - 5550 4700 5600 6700 NU  215 NJ   N   NF   130 25 2.5 2.5 88.5 116.5 9350 7550 4800 5600 NU  215EWS NJ   -  -   130 25 2.5 2.5 88.5 - 12100 10100 3900 4800 NU2215 NJ   -  -   130 31 2.5 2.5 88.5 - 12600 11100 4400 5300 NU2215EWS NJ   -  -   130 31 2.5 2.5 88.5 - 15000 13400 3900 4800 NU  315 NJ   N   NF   160 37 3.5 3.5 95.5 139.5 17600 13600 3800 4500 NU  315EWS NJ   -  -   160 37 3.5 3.5 95 - 22300 17600 3000 3800 NU2315 NJ   -  -   160 55 3.5 3.5 95.5 - 25400 21700 3400 4300 NU2315EWS NJ   -  -   160 55 3.5 3.5 95 - 30500 26400 3000 3800 NU  415 NJ   N   NF   190 45 4 4 104.5 160.5 24300 18400 3400 4000

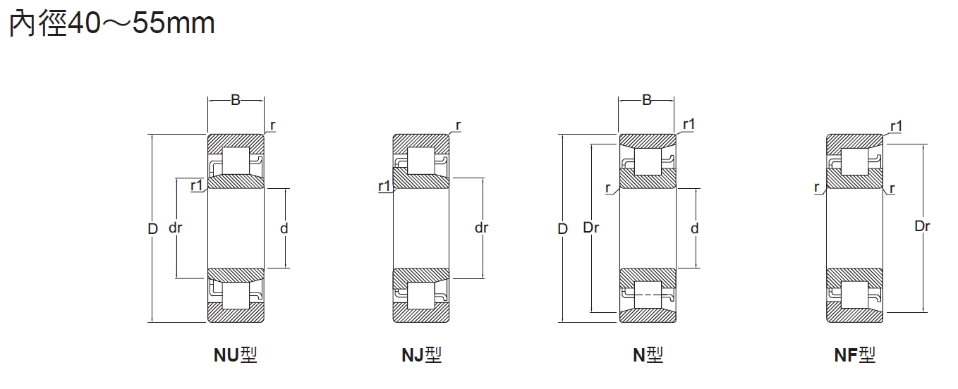
圓筒滾珠軸承NU系列內徑40~55mm

圓筒滾珠軸承NU系列內徑40~55mm 基本型號 主要寸法(mm) 基本定格荷重(kgf) 極限速率(rpm) NU形 NJ形N形NF形 d D B r r1 dr Dr C Co 脂潤滑 油潤滑 NU1008 - - - 40 68 15 1.5 1 47 - 2530 1860 10000 12000 NU  208 NJ   N   NF   80 18 2 2 50 70 4300 3000 8500 10000 NU  208EWS NJ   -  -   80 18 2 2 49.5 - 5150 3650 6700 8000 NU2208 NJ   -  -   80 23 2 2 50 - 5700 4350 7500 9000 NU2208EWS NJ   -  -   80 23 2 2 49.5 - 6700 5150 6700 8000 NU  308 NJ   N   NF   90 23 2.5 2.5 53.5 77.5 5450 3750 7100 8500 NU  308EWS NJ   -  -   90 23 2.5 2.5 52 - 7700 5500 5600 6700 NU2308 NJ   -  -   90 33 2.5 2.5 53.5 - 7650 5800 6300 7500 NU2308EWS NJ   -  -   90 33 2.5 2.5 52 - 10600 8250 5600 6700 NU  408 NJ   N   NF   110 27 3 3 58 92 9550 6650 6000 7300 NU1009 -  -  - 45 75 16 1.5 1 52.5 - 3000 2280 9000 11000 NU  209 NJ   N   NF   85 19 2 2 55 75 4300 3050 7500 9000 NU  209EWS NJ   -  -   85 19 2 2 54.5 - 5850 4350 6300 7500 NU2209 NJ   -  -   85 23 2 2 55 - 6000 4700 7100 8500 NU2209EWS NJ   -  -   85 23 2 2 54.5 - 7050 5550 6300 7500 NU  309 NJ   N   NF   100 25 2.5 2.5 58.5 86.5 7300 5150 6300 7500 NU  309EWS NJ   -  -   100 25 2.5 2.5 58.5 - 9050 6600 5000 6000 NU2309 NJ   -  -   100 36 2.5 2.5 58.5 - 9800 7550 5600 6900 NU2309EWS NJ   -  -   100 36 2.5 2.5 58.5 - 12700 10200 5000 6000 NU  409 NJ   N   NF   120 29 3 3 64.5 100.5 10700 7550 5600 6700 NU1010 -  -  - 50 80 16 1.5 1 57.5 - 3000 2290 8500 10000 NU  210 NJ   N   NF   90 20 2 2 60.4 80.4 4700 3500 7100 8500 NU  210EWS NJ   -  -   90 20 2 2 59.5 - 6100 4700 5600 6700 NU2210 NJ   -  -   90 23 2 2 60.4 - 6250 5050 6300 8000 NU2210EWS NJ   -  -   90 23 2 2 59.5 - 7400 5950 5600 6700 NU  310 NJ   N   NF   110 27 3 3 65 95 8050 5700 5600 6700 NU  310EWS NJ   -  -   110 27 3 3 65 - 10200 7550 4500 5600 NU2310 NJ   -  -   110 40 3 3 65 - 11900 9450 5000 6200 NU2310EWS NJ   -  -   110 40 3 3 65 - 15100 12500 4500 5600 NU  410 NJ   N   NF   130 31 3.5 3.5 70.8 110.8 12900 9200 5000 6000 NU1011 - - - 55 90 18 2 1.5 64.5 - 3500 2780 7500 9000 NU  211 NJ   N   NF   100 21 2.5 2 66.5 88.5 5650 4300 6300 7500 NU  211EWS NJ   -  -   100 21 2.5 2 66 - 7650 6050 5000 6000 NU2211 NJ   -  -   100 25 2.5 2 66.5 - 7350 6000 6000 7100 NU2211EWS NJ   -  -   100 25 2.5 2 66 - 9000 7450 5000 6000 NU  311 NJ   N   NF   120 29 3 3 70.5 104.5 10300 7400 5000 6300 NU  311EWS NJ   -  -   120 29 3 3 70.5 - 12700 9550 4000 5000 NU2311 NJ   -  -   120 43 3 3 70.5 - 13700 10800 4500 5600 NU2311EWS NJ   -  -   120 43 3 3 70.5 - 18600 15600 4000 5000 NU  411 NJ   N   NF   140 33 3.5 3.5 77.2 117.2 12900 9300 4600 5600

圓筒滾珠軸承NU系列內徑20~35mm

圓筒滾珠軸承NU系列內徑20~35mm 基本型號 主要寸法(mm) 基本定格荷重(kgf) 極限速率(rpm) NU形 NJ形N形NF形 d D B r r1 dr Dr C Co 脂潤滑 油潤滑 NU  204 NJ   N   NF 20 47 14 1.5 1 27 40 1540 930 15000 18000 NU  204EWS NJ   -  -   47 14 1.5 1 26.5 - 2390 1530 12000 14000 NU2204 NJ   -  -   47 18 1.5 1 27 - 2060 1350 13000 16000 NU2204EWS NJ   -  -   47 18 1.5 1 26.5 - 2840 1920 12000 14000 NU  304 NJ   N   NF   52 15 2 1 28.5 44.5 2140 1300 12000 15000 NU  304EWS NJ   -  -   52 15 2 1 27.5 - 2920 1850 10000 12000 NU2340 NJ   -  -   52 21 2 1 28.5 - 3050 2040 11000 14000 NU2340EWS NJ   -  -   52 21 2 1 27.5 - 3900 2670 10000 12000 NU1005 -  -  - 25 47 12 1 0.5 30.5 - 1320 850 15000 18000 NU  205 NJ   N   NF   52 15 1.5 1 32 45 1740 1120 13000 15000 NU  205EWS NJ   -  -   52 15 1.5 1 31.5 - 2720 1840 10000 12000 NU2205 NJ   -  -   52 18 1.5 1 32 - 2330 1620 11000 14000 NU2205EWS NJ   -  -   52 18 1.5 1 31.5 - 3250 2300 10000 12000 NU  305 NJ   N   NF   62 17 2 2 35 53 2910 1860 10000 12000 NU  305EWS NJ   -  -   62 17 2 2 34 - 3850 2540 8000 10000 NU2305 NJ   -  -   62 24 2 2 35 - 4250 3000 9000 11000 NU2305EWS NJ   -  -   62 24 2 2 34 - 5300 3800 8000 10000 NU  405 NJ   N   NF   80 21 2.5 2.5 38.8 62.8 4300 2730 8500 11000 NU1006 -  -  - 30 55 13 1.5 0.8 36.5 - 1820 1260 12000 15000 NU  206 NJ   N   NF   62 16 1.5 1 38.5 53.5 2310 1520 11000 13000 NU  206EWS NJ   -  -   62 16 1.5 1 37.5 - 3600 2490 8500 10000 NU2206 NJ   -  -   62 20 1.5 1 38.5 - 3250 2350 10000 12000 NU2206EWS NJ   -  -   62 20 1.5 1 37.5 - 4550 3300 8500 10000 NU  306 NJ   N   NF   72 19 2 2 42 62 3800 2550 8500 10000 NU  306EWS NJ   -  -   72 19 2 2 40.5 - 4950 3400 7100 8500 NU2306 NJ   -  -   72 27 2 2 42 - 5100 3700 8000 9500 NU2306EWS NJ   -  -   72 27 2 2 40.5 - 6900 5250 7100 8500 NU  406 NJ   N   NF   90 23 2.5 2.5 45 73 6300 4200 7500 9000 NU1007 -  -  - 35 62 14 1.5 0.8 42 - 2100 1490 11000 13000 NU  207 NJ   N   NF   72 17 2 1 43.8 61.8 3300 2240 9500 11000 NU  207EWS NJ   -  -   72 17 2 1 44 - 4650 3300 7500 9000 NU2207 NJ   -  -   72 23 2 1 43.8 - 4800 3650 8500 10000 NU2207EWS NJ   -  -   72 23 2 1 44 - 5700 4300 7500 9000 NU  307 NJ   N   NF   80 21 2.5 2 46.2 68.2 4600 3100 8000 9500 NU  307EWS NJ   -  -   80 21 2.5 2 46.2 - 6500 4750 6300 7500 NU2307 NJ   -  -   80 31 2.5 2 46.2 - 6000 4350 7100 8500 NU2307EWS NJ   -  -   80 31 2.5 2 46.2 - 9150 7300 6300 7500 NU  407 NJ   N   NF   100 25 2.5 2.5 53 83 7500 5150 6700 8000

自動調心軸承2系列內徑

自動調心軸承2系列內徑 340~380mm 基本型號 主要寸法(mm) 基本定格荷重(kgf) 極限速率(rpm) 圓形內孔 錐形內孔 d D B r C Co 脂潤滑 油潤滑 23968 23968 K 340 460 90 4 96000 155000 670 850 23068 CA 23068 CAK   520 133 6 202000 276000 560 710 23068 23068 K   520 133 6 189000 271000 600 800 24068 CA 24068 CAK30   520 180 6 259000 380000 480 600 24068 24068 K30   520 180 6 227000 335000 500 670 23168 CA 23168 CAK   580 190 6 320000 420000 450 560 23168 23168 K   580 190 6 280000 385000 480 630 24168 CA 24168 CAK30   580 243 6 375000 505000 450 560 24168 24168 K30   580 243 6 320000 435000 480 630 23268 CA 23268 CAK   620 224 8 390000 505000 400 530 23268 23268 K   620 224 8 360000 465000 450 600 23972 23972 K 360 480 90 4 100000 167000 630 800 23072 CA 23072 CAK   540 134 6 212000 296000 530 670 23072 23072 K   540 134 6 193000 281000 600 750 24072 CA 24072 CAK30   540 180 6 260000 385000 440 560 24072 24072 K30   540 180 6 233000 345000 480 630 23172 CA 23172 CAK   600 192 6 340000 455000 430 530 23172 23172 K   600 192 6 300000 425000 450 600 24172 CA 24172 CAK30   600 243 6 380000 530000 430 530 24172 24172 K30   600 243 6 320000 440000 450 600 23272 CA 23272 CAK   650 232 8 415000 535000 400 500 23272 23272 K   650 232 8 380000 495000 430 560 23976 23976 K 380 520 106 5 129000 210000 600 750 23076 CA 23076 CAK   560 135 6 222000 320000 500 630 23076 23076 K   560 135 6 197000 292000 560 710 24076 CA 24076 CAK30   560 180 6 272000 415000 420 560 24076 24076 K30   560 180 6 252000 380000 450 600 23176 CA 23176 CAK   620 194 6 355000 480000 400 500 23176 23176 K   620 194 6 305000 430000 430 560 24176 CA 24176 CAK30   620 243 6 385000 540000 400 500 24176 24176 K30   620 243 6 345000 485000 430 560 23276 CA 23276 CAK   680 240 8 470000 605000 380 480 23276 23276 K   680 240 8 395000 515000 400 530 註(1)K錐型內孔1⁄12,K30錐型內孔1⁄30。

自動調心軸承2系列內徑

自動調心軸承2系列內徑 280~320mm 基本型號 主要寸法(mm) 基本定格荷重(kgf) 極限速率(rpm) 圓形內孔 錐形內孔 d D B r C Co 脂潤滑 油潤滑 23956 23956 K 280 380 75 3.5 72000 112000 850 1100 23056 CA 23056 CAK   420 106 5 137000 185000 700 900 23056 23056 K   420 106 5 122000 172000 800 1000 24056 CA 24056 CAK30   420 140 5 166000 239000 600 750 24056 24056 K30   420 140 5 150000 215000 670 850 23156 CA 23156 CAK   460 146 6 206000 264000 560 750 23156 23156 K   460 146 6 175000 238000 600 800 24156 CA 24156 CAK30   460 180 6 234000 315000 560 750 24156 24156 K30   460 180 6 193000 253000 600 800 22256 CA 22256 CAK   500 130 6 202000 234000 630 800 22256 22256 K   500 130 6 183000 213000 710 850 23256 CA 23256 CAK   500 176 6 264000 320000 530 670 23256 23256 K   500 176 6 221000 278000 560 750 22356 CA 22356 CAK   580 175 8 310000 340000 560 710 22356 22356 K   580 175 8 262000 294000 600 800 23960 23960 K 300 420 90 4 92500 143000 750 950 23060 CA 23060 CAK   460 118 5 170000 233000 660 800 23060 23060 K   460 118 5 145000 202000 710 900 24060 CA 24060 CAK30   460 160 5 205000 291000 530 710 24060 24060 K30   460 160 5 187000 262000 600 750 23160 CA 23160 CAK   500 160 6 237000 305000 510 670 23160 23160 K   500 160 6 209000 286000 560 710 24160 CA 24160 CAK30   500 200 6 275000 370000 510 670 24160 24160 K30   500 200 6 230000 305000 560 710 22260 CA 22260 CAK   540 140 6 231000 272000 600 750 22260 22260 K   540 140 6 205000 237000 630 800 23260 CA 23260 CAK   540 192 6 305000 380000 480 630 23260 23260 K   540 192 6 252000 325000 530 670 23964 23964 K 320 440 90 4 93500 147000 710 900 23064 CA 23064 CAK   480 121 5 174000 242000 620 750 23064 23064 K   480 121 5 150000 215000 670 850 24064 CA 24064 CAK30   480 160 5 216000 315000 530 670 24064 24064 K30   480 160 5 191000 274000 560 710 23164 CA 23164 CAK   540 176 6 272000 350000 480 600 23164 23164 K   540 176 6 252000 350000 500 670 24164 CA 24164 CAK30   540 218 6 315000 425000 480 600 24164 24164 K30   540 218 6 274000 370000 500 670 23264 CA 23264 CAK   580 208 6 345000 445000 450 560 23264 23264 K   580 208 6 315000 410000 480 630 註(1)K錐型內孔1⁄12,K30錐型內孔1⁄30。

自動調心軸承2系列內徑

自動調心軸承2系列內徑 240~260mm 基本型號 主要寸法(mm) 基本定格荷重(kgf) 極限速率(rpm) 圓形內孔 錐形內孔 d D B r C Co 脂潤滑 油潤滑 23948 23948 K 240 320 60 3.5 49500 76500 1000 1300 23048 CA 23048 CAK   360 92 4 103000 135000 850 1100 23048 23048 K   360 92 4 87500 121000 900 1200 24048 CA 24048 CAK30   360 118 4 123000 171000 710 900 24048 24048 K30   360 118 4 113000 160000 750 1000 23148 CA 23148 CAK   400 128 5 158000 199000 670 850 23148 23148 K   400 128 5 140000 183000 710 950 24148 CA 24148 CAK30   400 160 5 189000 242000 670 850 24148 24148 K30   400 160 5 161000 215000 710 950 22248 CA 22248 CAK   440 120 5 166000 186000 750 950 22248 22248 K   440 120 5 154000 174000 800 1000 23248 CA 23248 CAK   440 160 5 217000 262000 630 800 23248 23248 K   440 160 5 194000 242000 670 900 22348 CA 22348 CAK   500 155 6 242000 260000 670 850 22348 22348 K   500 155 6 220000 246000 750 950 23952 23952 K 260 360 75 3.5 67500 101000 900 1100 23052 CA 23052 CAK   400 104 5 126000 163000 750 950 23052 23052 K   400 104 5 117000 161000 850 1100 24052 CA 24052 CAK30   400 140 5 161000 222000 630 800 24052 24052 K30   400 140 5 131000 178000 710 900 23152 CA 23152 CAK   440 144 5 192000 241000 600 800 23152 23152 K   440 144 5 175000 232000 670 850 24152 CA 24152 CAK30   440 180 5 227000 300000 600 800 24152 24152 K30   440 180 5 193000 251000 670 850 22252 CA 22252 CAK   480 130 6 193000 218000 670 850 22252 22252 K   480 130 6 176000 201000 750 900 23252 CA 23252 CAK   480 174 6 243000 293000 560 710 23252 23252 K   480 174 6 215000 263000 600 800 22352 CA 22352 CAK   540 165 8 276000 300000 600 750 22352 22352 K   540 165 8 250000 283000 670 850 註(1)K錐型內孔1⁄12,K30錐型內孔1⁄30。

自動調心軸承2系列內徑

自動調心軸承2系列內徑 200~220mm 基本型號 主要寸法(mm) 基本定格荷重(kgf) 極限速率(rpm) 圓形內孔 錐形內孔 d D B r C Co 脂潤滑 油潤滑 23940 23940 K 200 280 60 3.5 44500 63500 1200 1500 23040 CA 23040 CAK   310 82 3.5 83500 107000 1000 1300 23040 23040 K   310 82 3.5 71500 93500 1100 1400 24040 CA 24040 CAK30   310 109 3.5 101000 134000 850 1100 24040 24040 K30   310 109 3.5 89500 119000 950 1200 23140 CA 23140 CAK   340 112 4 120000 149000 800 1000 23140 23140 K   340 112 4 105000 133000 850 1100 24140 CA 24140 CAK30   340 140 4 139000 171000 800 1000 24140 24140 K30   340 140 4 118000 148000 850 1100 22240 CD 22240 CDK   360 98 5 115000 127000 900 1100 22240 CA 22240 CAK   360 98 5 115000 129000 900 1100 23240 CA 23240 CAK   360 128 5 147000 177000 750 1000 23240 23240 K   360 128 5 126000 151000 850 1100 22340 CA 22340 CAK   420 138 6 178000 197000 800 1000 22340 22340 K   420 138 6 170000 171000 900 1100 23944 23944 K 220 300 60 3.5 47000 69500 1100 1400 23044 CA 23044 CAK   340 90 4 96500 125000 950 1200 23044 23044 K   340 90 4 83500 113000 1000 1300 24044 CA 24044 CAK30   340 118 4 117000 157000 750 1000 24044 24044 K30   340 118 4 103000 139000 850 1100 23144 CA 23144 CAK   370 120 5 139000 173000 710 950 23144 23144 K   370 120 5 125000 162000 800 1000 24144 CA 24144 CAK30   370 150 5 159000 205000 710 950 24144 24144 K30   370 150 5 139000 179000 800 1000 22244 CA 22244 CAK   400 108 5 141000 157000 800 1000 22244 22244 K   400 108 5 125000 138000 900 1100 23244 CA 23244 CAK   400 144 5 178000 219000 710 900 23244 23244 K   400 144 5 158000 194000 750 1000 22344 CA 22344 CAK   460 145 6 208000 223000 750 900 22344 22344 K   460 145 6 192000 195000 800 1000 註(1)K錐型內孔1⁄12,K30錐型內孔1⁄30。

自動調心軸承2系列內徑

自動調心軸承2系列內徑 170~190mm 基本型號 主要寸法(mm) 基本定格荷重(kgf) 極限速率(rpm) 圓形內孔 錐形內孔 d D B r C Co 脂潤滑 油潤滑 23934 23934 K 170 230 45 3 27800 40500 1400 1800 23034 CD 23034 CDK   260 67 3.5 56500 69000 1200 1500 24034 CA 24034 CAK30   260 90 3.5 70500 92000 1000 1300 23134 CA 23134 CAK   280 88 3.5 83500 100000 950 1300 24134 CA 24134 CAK30   280 109 3.5 90500 113000 950 1300 22234 CD 22234 CDK   310 86 5 88000 96500 1100 1400 22234 CA 22234 CAK   310 86 5 88000 96500 1100 1400 23234 CA 23234 CAK   310 110 5 106000 123000 900 1200 23234 23234 K   310 110 5 94500 108000 1000 1300 22334 CA 22334 CAK   360 120 5 141000 142000 950 1200 22334 22334 K   360 120 5 130000 128000 1100 1300 23936 23936 K 180 250 52 3 34500 49000 1300 1700 23036 CD 23036 CDK   280 74 3.5 66500 80500 1100 1400 24036 CA 24036 CAK30   280 100 3.5 85500 110000 950 1200 23136 CA 23136 CAK   300 96 4 93500 112000 900 1200 23136 23136 K   300 96 4 83000 103000 1000 1300 24136 CA 24136 CAK30   300 118 4 105000 130000 900 1200 22236 CD 22236 CDK   320 86 5 90500 99500 1000 1300 22236 CA 22236 CAK   320 86 5 90500 99500 1000 1300 23236 CA 23236 CAK   320 112 5 115000 135000 850 1100 23236 23236 K   320 112 5 104000 120000 950 1200 22336 CA 22336 CAK   380 126 5 155000 157000 900 1100 22336 22336 K   380 126 5 144000 143000 1000 1300 23938 23938 K 190 260 52 3 35500 52000 1300 1600 23038 CA 23038 CAK   290 75 3.5 68500 85500 1100 1300 23038 23038 K   290 75 3.5 63500 83500 1200 1500 24038 CA 24038 CAK30   290 100 3.5 86500 116000 900 1200 23138 CA 23138 CAK   320 104 4 105000 129000 850 1100 23138 23138 K   320 104 4 93500 120000 950 1200 24138 CA 24138 CAK30   320 128 4 116000 143000 850 1100 24138 24138 K30   320 128 4 107000 134000 950 1200 22238 CD 22238 CDK   340 92 5 101000 111000 1000 1200 22238 CA 22238 CAK   340 92 5 101000 111000 1000 1200 23238 CA 23238 CAK   340 120 5 127000 151000 800 1000 23238 23238 K   340 120 5 111000 131000 850 1200 22338 CA 22338 CAK   400 132 6 169000 173000 850 1100 22338 22338 K   400 132 6 155000 155000 950 1200 註(1)K錐型內孔1⁄12,K30錐型內孔1⁄30。

自動調心軸承2系列內徑

自動調心軸承2系列內徑 130~160mm 基本型號 主要寸法(mm) 基本定格荷重(kgf) 極限速率(rpm) 圓形內孔 錐形內孔 d D B r C Co 脂潤滑 油潤滑 23026 CD 23026 CDK 130 200 52 3 35500 41500 1600 2000 24026 CA 24026 CAK30   200 69 3 44000 54500 1400 1700 23126 CA 23126 CAK   210 64 3 44500 52500 1300 1700 24126 CA 24126 CAK30   210 80 3 52000 64000 1300 1700 22226 CD 22226 CDK   230 64 4 50500 52500 1500 1900 23226 CA 23226 CAK   230 80 4 61500 70500 1200 1600 23226 23226 K   230 80 4 57000 62500 1300 1800 22326 CA 22326 CAK   280 93 5 88000 88500 1300 1600 22326 22326 K   280 93 5 84000 80000 1400 1800 23028 CD 23028 CDK 140 210 53 3 37000 45000 1500 1900 24028 CA 24028 CAK30   210 69 3 45000 57000 1300 1600 23128 CA 23128 CAK   225 68 3.5 51500 60000 1200 1600 24128 CA 24128 CAK30   225 85 3.5 59500 73500 1200 1600 22228 CD 22228 CDK   250 68 4 57500 60500 1300 1700 23228 CA 23228 CAK   250 88 4 74000 83500 1100 1400 23228 23228 K   250 88 4 69000 77500 1200 1600 22328 CA 22328 CAK   300 102 5 103000 101000 1200 1500 22328 22328 K   300 102 5 97500 94000 1300 1700 23030 CD 23030 CDK 150 225 56 3.5 41500 51000 1400 1800 24030 CA 24030 CAK30   225 75 3.5 52500 68500 1100 1500 23130 CA 23130 CAK   250 80 3.5 64000 75500 1100 1400 24130 CA 24130 CAK30   250 100 3.5 76000 92500 1100 1400 22230 CD 22230 CDK   270 73 4 67500 72000 1200 1600 23230 CA 23230 CAK   270 96 4 86500 100000 1000 1300 23230 23230 K   270 96 4 74500 83500 1100 1500 22330 CA 22330 CAK   320 108 5 111000 113000 1100 1400 22330 22330 K   320 108 5 110000 106000 1200 1500 23932 23932 K 160 220 45 3 27100 38500 1500 1900 23032 CD 23032 CDK   240 60 3.5 48000 60000 1300 1700 24032 CA 24032 CAK30   240 80 3.5 58500 76000 1100 1400 23132 CA 23132 CAK   270 86 3.5 75500 89500 1000 1300 24132 CA 24132 CAK30   270 109 3.5 88000 107000 1000 1300 22232 CD 22232 CDK   290 80 4 81000 85500 1100 1500 23232 CA 23232 CAK   290 104 4 97000 113000 1000 1200 23232 23232 K   290 104 4 86500 98500 1100 1400 22332 CA 22332 CAK   340 114 5 122000 126000 1000 1300 22332 22332 K   340 114 5 122000 120000 1100 1400 註(1)K錐型內孔1⁄12,K30錐型內孔1⁄30。

自動調心軸承2系列內徑

自動調心軸承2系列內徑 90~120mm 基本型號 主要寸法(mm) 基本定格荷重(kgf) 極限速率(rpm) 圓形內孔 錐形內孔 d D B r C Co 脂潤滑 油潤滑 22218 CD 22218 CDK 90 160 40 3 22800 21900 2200 2700 21318 CD 21318 CDK   190 43 4 28500 26100 1600 2000 22318 CD 22318 CDK   190 64 4 43000 39500 1900 2400 22219 CD 22219 CDK 95 170 43 3.5 26300 25400 2000 2600 21319 CD 21319 CDK   200 45 4 31500 29000 1500 1800 21319 A 21319 AK   200 45 4 29300 28300 1700 2200 22319 CD 22319 CDK   200 67 4 46500 44500 1800 2300 22319 22319 K   200 67 4 43500 40500 2000 2500 22220 CD 22220 CDK 100 180 46 3.5 29100 28400 1900 2400 21320 CD 21320 CDK   215 47 4 35000 32500 1400 1800 21320 A 21320 AK   215 47 4 32000 31500 1600 2000 22320 CA 22320 CAK   215 73 4 53500 52000 1700 2200 22320 22320 K   215 73 4 51500 47500 1900 2400 23022 CD 23022 CDK 110 170 45 3 26000 29500 1900 2400 23122 CA 23122 CAK   180 56 3 34000 40000 1600 2000 24122 CA 24122 CAK30   180 69 3 39000 45500 1600 2000 22222 CD 22222 CDK   200 53 3.5 37500 37500 1700 2200 23222 CA 23222 CAK   200 69.8 3.5 45500 49000 1400 1900 23222 23222 K   200 69.8 3.5 45000 48000 1600 2100 22322 CA 22322 CAK   240 80 4 66000 65000 1500 1900 22322 22322 K   240 80 4 63500 59000 1700 2100 23024 CD 23024 CDK 120 180 46 3 27900 33000 1800 2200 24024 CA 24024 CAK30   180 60 3 34000 42500 1500 1900 23124 CA 23124 CAK   200 62 3 41000 46000 1400 1800 24124 CA 24124 CAK30   200 80 3 49000 57500 1400 1800 22224 CD 22224 CDK   215 58 3.5 43500 44500 1600 2000 23224 CA 23224 CAK   215 76 3.5 56000 62000 1300 1700 23224 23224 K   215 76 3.5 50000 55000 1500 1900 22324 CA 22324 CAK   260 86 4 75500 74500 1400 1800 22324 22324 K   260 86 4 75000 71000 1500 1900 註(1)K錐型內孔1⁄12,K30錐型內孔1⁄30。  

自動調心軸承2系列內徑

自動調心軸承2系列內徑 25~85mm 基本型號 主要寸法(mm) 基本定格荷重(kgf) 極限速率(rpm) 圓形內孔 錐形內孔 d D B r C Co 脂潤滑 油潤滑 21305 CD 21305 CDK 25 62 17 2 3800 2700 5300 6700 21306 CD 21306 CDK 30 72 19 2 4850 3600 4500 5600 21307 CD 21307 CDK 35 80 21 2.5 6300 5000 4000 5000 21308 CD 21308 CDK 40 90 23 2.5 7750 6100 3600 4500 22308 CD 22308 CDK   90 33 2.5 10800 8650 4300 5300 21309 CD 21309 CDK 45 100 25 2.5 9150 7050 3200 4000 22309 CD 22309 CDK   100 36 2.5 13100 11100 3800 4800 21310 CD 21310 CDK 50 110 27 3 10500 8400 2800 3800 22310 CD 22310 CDK   110 40 3 16400 14000 3400 4300 22211 CD 22211 CDK 55 100 25 2.5 9250 7950 3600 4500 21311 CD 21311 CDK   120 29 3 12400 10700 2600 3400 22311 CD 22311 CDK   120 43 3 18500 16000 3200 4000 22212 CD 22212 CDK 60 110 28 2.5 11000 9650 3200 4000 21312 CD 21312 CDK   130 31 3.5 14400 12600 2400 3200 22312 CD 22312 CDK   130 46 3.5 21800 19100 2800 3600 22213 CD 22213 CDK 65 120 31 2.5 13500 12200 3000 3800 21313 CD 21313 CDK   140 33 3.5 16000 14100 2200 2800 22313 CD 22313 CDK   140 48 3.5 23500 20900 2600 3400 22214 CD 22214 CDK 70 125 31 2.5 14500 13300 2800 3600 21314 CD 21314 CDK   150 35 3.5 19100 16800 2000 2600 22314 CD 22314 CDK   150 51 3.5 27100 24400 2400 3100 22215 CD 22215 CDK 75 130 31 2.5 14500 13800 2600 3400 21315 CD 21315 CDK   160 37 3.5 20900 18400 1900 2500 22315 CD 22315 CDK   160 55 3.5 30000 27300 2300 2900 22216 CD 22216 CDK 80 140 33 3 16100 14900 2400 3100 21316 CD 21316 CDK   170 39 3.5 23300 20600 1800 2300 22316 CD 22316 CDK   170 58 3.5 34500 31500 2200 2700 22217 CD 22217 CDK 85 150 36 3 19100 17800 2300 2900 21317 CD 21317 CDK   180 41 4 25700 23300 1700 2200 22317 CD 22317 CDK   180 60 4 37000 33500 2000 2600

自動調心軸承1系列內徑

自動調心軸承1系列內徑 75~110mm 基本型號 主要寸法(mm) 基本定格荷重(kgf) 極限速率(rpm) 圓形內孔 錐形內孔 d D B r C Co 脂潤滑 油潤滑 1215 1215 k 75 130 25 2.5 3150 2180 4300 5400 2215 2215 k   130 31 2.5 3500 2440 4300 5300 1315 1315 k   160 37 3.5 6250 3900 3800 4500 2315 2315 k   160 55 3.5 8050 4550 3400 4300 1216 1216 k 80 140 26 3 3150 2400 4000 5000 2216 2216 k   140 33 3 3850 2740 4000 5000 1316 1316 k   170 39 3.5 6900 4300 3600 4300 2316 2316 k   170 58 3.5 9150 5200 3200 4000 1217 1217 k 85 150 28 3 3900 2900 3800 4800 2217 2217 k   150 36 3 4600 3200 3800 4800 1317 1317 k   180 41 4 7750 4950 3400 4000 2317 2317 k   180 60 4 9750 5500 3000 3800 1218 1218 k 90 160 30 3 4550 3250 3600 4400 2218 2218 k   160 40 3 5150 3650 3600 4300 1318 1318 k   190 43 4 9200 5700 3200 3800 2318 2318 k   190 64 4 9850 5900 2800 3600 1219 1219 k 95 170 32 3.5 5000 3750 3400 4100 2219 2219 k   170 43 3.5 5750 4000 3400 4000 1319 1319 k   200 45 4 10400 6500 3000 3600 2319 2319 k   200 67 4 11600 7000 2600 3400 1220 1220 k 100 180 34 3.5 5450 4100 3200 3900 2220 2220 k   180 46 3.5 6150 4350 3200 3800 1320 1320 k   215 47 4 10300 7350 2800 3400 2320 2320 k   215 73 4 11700 7500 2400 3200 1221 - 105 190 36 3.5 5850 4500 3000 3700 2221 -   190 50 3.5 7650 5300 3000 3600 1321 -   225 49 4 11800 7700 2600 3200 2321 -   225 77 4 12600 8350 2400 3000 1222 1222 k 110 200 38 3.5 6350 4900 2800 3400 2222 2222 k   200 53 3.5 7750 5600 2800 3400 1322 1322 k   240 50 4 12000 8250 2600 3000 2322 2322 k   240 80 4 13600 9250 2200 2800

自動調心軸承1系列內徑

自動調心軸承1系列內徑 35~70mm 基本型號 主要寸法(mm) 基本定格荷重(kgf) 極限速率(rpm) 圓形內孔 錐形內孔 d D B r C Co 脂潤滑 油潤滑 1207 1207 k 35 72 17 2 1250 675 8500 10000 2207 2207 k   72 23 2 1710 840 8500 10000 1307 1307 k   80 21 2.5 1990 1000 8000 9500 2307 2307 k   80 31 2.5 3100 1300 7100 8500 1208 1208 k 40 80 18 2 1520 870 7500 9000 2208 2208 k   80 23 2 1770 965 7500 9000 1308 1308 k   90 23 2.5 2350 1240 7000 8500 2308 2308 k   90 33 2.5 3500 1600 6300 7500 1209 1209 k 45 85 19 2 1700 960 7100 8500 2209 2209 k   85 23 2 1840 1090 7100 8500 1303 1309 k   100 25 2.5 2990 1620 6300 7500 2309 2309 k   100 36 2.5 4350 1980 5600 7000 1210 1210 k 50 90 20 2 1740 1100 6300 8000 2210 2210 k   90 23 2 1840 1150 6300 8000 1310 1310 k   110 27 3 3450 1780 5600 7100 2310 2310 k   110 40 3 5150 2390 5000 6300 1211 1211 k 55 100 21 2.5 2110 1360 6000 7100 2211 2211 k   100 25 2.5 2100 1350 6000 7100 1311 1311 k   120 29 3 4050 2290 5000 6300 2311 2311 k   120 43 3 6000 2850 4500 5600 1212 1212 k 60 110 22 2.5 2400 1580 5300 6700 2212 2212 k   110 28 2.5 2660 1710 5300 6700 1312 1312 k   130 31 3.5 4550 2710 4800 5600 2312 2312 k   130 46 3.5 6950 3350 4300 5300 1213 1213 k 65 120 23 2.5 2400 1750 4800 6000 2213 2213 k   120 31 2.5 3400 2190 4800 6000 1313 1313 k   140 33 3.5 4900 2990 4300 5300 2313 2313 k   140 48 3.5 6950 3650 4000 4800 1214 - 70 125 24 2.5 2730 1910 4500 5600 2214 -   125 31 2.5 3450 2320 4500 5600 1314 -   150 35 3.5 5850 3600 4000 5000 2314 -   150 51 3.5 7000 3900 3600 4500

自動調心軸承1系列內徑

自動調心軸承1系列內徑 5~30mm 基本型號 主要寸法(mm) 基本定格荷重(kgf) 極限速率(rpm) 圓形內孔 錐形內孔 d D B r C Co 脂潤滑 油潤滑 135 - 5 19 6 0.5 203 56 30000 36000 126 - 6 19 6 0.5 203 56 30000 36000 127 - 7 22 7 0.5 215 73 27000 33000 108 - 8 22 7 0.5 216 74 27000 33000 129 - 9 26 8 1 320 105 25000 31000 1200 - 10 30 9 1 435 136 22000 28000 2200 -   30 14 1 530 153 22000 28000 1300 -   35 11 1 580 190 20000 24000 2300 -   35 17 1 735 223 18000 22000 1201 - 12 32 10 1 470 150 20000 26000 2201 -   32 14 1 600 196 20000 25000 1301 -   37 12 1.5 775 241 18000 22000 2301 -   37 17 1.5 915 290 16000 20000 1202 - 15 35 11 1 600 205 18000 22000 2202 -   35 14 1 600 219 18000 22000 1302 -   42 13 1.5 815 268 16000 20000 2302 -   42 17 1.5 940 330 14000 17000 1203 - 17 40 12 1 635 247 16000 19000 2203 -   40 16 1 790 280 16000 19000 1303 -   47 14 1.5 970 375 14000 17000 2303 -   47 19 1.5 1160 405 13000 16000 1204 1204 k 20 47 14 1.5 790 325 13000 16000 2204 2204 k   47 18 1.5 980 395 13000 16000 1304 1304 k   52 15 2 970 410 13000 15000 2304 2304 k   52 21 2 1460 540 11000 14000 1205 1205 k 25 52 15 1.5 945 410 12000 14000 2205 2205 k   52 18 1.5 980 435 12000 14000 1305 1305 k   62 17 2 1430 610 10000 13000 2305 2305 k   62 24 2 1950 760 9000 11000 1206 1206 k 30 62 16 1.5 1220 590 10000 12000 2206 2206 k   62 20 1.5 1220 580 10000 12000 1306 1306 k   72 19 2 1690 790 9000 11000 2306 2306 k   72 27 2 2500 1020 8000 10000

聯軸器

聯軸器產品檢索   性  質   撓 性 聯 軸 器   品  號   SCT   SCT-C   SCTS   SCTS-C   SCP   SWS   SWS-C   SWSS   SWSS-C   SRJ   SRJ-C   材  質   AL   AL   SUS   SUS   PLASTIC   AL   AL   SUS   SUS   AL   AL   高扭力   ★   ★   ★   ★     ★   ★   ★   ★   ★   ★   低慣性   ★   ★   ★   ★   ★   ★   ★   ★   ★   ★   ★   零背隙   ★   ★   ★   ★   ★   ★   ★   ★   ★       高剛性       ★   ★         ★   ★   ★   ★   絕緣性           ★               抗蝕性       ★   ★   ★       ★   ★       抗震性                     ★   ★   偏心佳                         偏角佳   ★   ★       ★   ★   ★   ★         頁  數   P6   P8   P6   P8   P10   P11   P12   P11   P12   P13   P14   性  質   撓  性  聯  軸  器   品  號   SRJS   SMT   SMT-C   SGH-C   SGS-C   SGL-C   SGB-C   SGM-C   SGW-C   SOT   SOT-C   材  質   S45C   AL   AL   AL   AL   AL   AL   AL   AL   AL   AL   高扭力   ★       ★   ★   ★   ★   ★   ★   ★   ★   低慣性   ★   ★   ★   ★   ★   ★   ★   ★   ★   ★   ★   零背隙     ★   ★   ★   ★   ★   ★   ★   ★       高剛性   ★       ★   ★   ★   ★   ★   ★   ★   ★   絕緣性                     ★   ★   抗蝕性                         抗震性   ★                   ★   ★   偏心佳                     ★   ★   偏角佳     ★   ★       ★     ★   ★   ★   ★   頁  數   P15   P16   P17   P18   P19   P20   P21   P22   P23   P24   P25   性  質   剛  性  聯  軸  器   品  號   SCG   SCG-C   SCGS   SCGS-C   SAP   SAP-C   材  質   AL   AL   SUS   SUS   S45C   高扭力   ★   ★   ★   ★   ★   ★   低慣性   ★   ★   ★   ★   ★   ★   零背隙   ★   ★   ★   ★   ★   ★   高剛性   ★   ★   ★   ★   ★   ★   絕緣性               抗蝕性               抗震性           ★   ★   偏心佳           ★   ★   偏角佳               頁  數   P26   P27   P26   P27   P28   P29 標準孔徑鍵槽加工規格表 .............................................................P30 ● 參考資料(扭力換算表&一般馬達規格表) ................................P31 ● 孔徑公差表...................................................................................P32 聯軸器之特性 聯軸器的選擇要件:  依據機械特性、系統運作來選用適合的聯軸器型式: ●扭力大小:聯軸器的扭力應為傳動扭力最大值的兩倍,例:若傳動扭力值為5(N.m),則應選擇扭力值10(N.m)的聯軸器;材質以鋼質的扭力為佳。  ●撓性 / 剛性:撓性聯軸器可吸收平行偏差、角度偏差、軸向偏差;高剛性聯軸器則無,因此軸端的精準度必須非常高。  ●適合的場所(高低溫、酸、鹼…)需慎選聯軸器之材質是否勘負荷酸鹼、高低溫之場合。  ●有無背隙  ●絕緣性 ● 抗震性 ●可承受的最大轉速  ● 具有保護機台的安全性 ● 孔徑範圍是否適用 聯軸器結合方式: ●止付螺絲固定式(圖一):  係以四根固定螺絲以120℃或90℃角固定於軸心上,設計容易、軸心表面易有螺絲壓痕、容易因機械長時間的轉動、衝擊而使螺絲鬆脫、省空間、單價便宜。  ●夾緊式(圖二):  聯軸器雙邊各有切開之溝槽形成彈性作用,並在夾軸兩邊插入二或四支有頭六角螺絲;拆卸容易、不損傷軸心、有較佳的穩定、保持力。 ●各式聯軸器均附有不同標準孔徑,另可加工 鍵槽。  ●馬力強之傳動可使用加工鍵槽之聯軸器,不滑動、配合軸心、適用於外徑32mm以上之聯軸器。  ●容許值請參考規格表。  ●安裝上請注意:安裝時常因結合方法不當而振動過大、運轉不正常,或中心不準、偏角超出負荷(參考各規格表負荷值),會造成馬達、聯軸器等機件損壞,因此建議您在機械組裝上須注意精度平衝校正的動作,以提高機械之壽命。 常用術語說明: 標準孔徑鍵槽加工規格 Processing of Standard Diameter of Keyway 單位:mm    標準孔徑 (D) 鍵槽 鍵 尺寸 b t   b×h 基準 尺寸 容許差 (js9) 基準 尺寸   容許差   10   3   ±0.015   1.5 +0.1 0   3×3   12   4   ±0.015   1.8 +0.1 0   4×4   14~18   5   ±0.015   2.3 +0.1 0   5×5   19~22   6   ±0.015   2.8 +0.1 0   6×6   24~30   8   ±0.030   3.3 +0.2 0   8×7   30~38   10   ±0.030   3.3 +0.2 0   10×8   38~44   12   ±0.030   3.3 +0.2 0   12×8   44~50   14   ±0.043   3.8 +0.3 0   14×9   50~58   16   ±0.043   4.3 +0.3 0   16×10   58~65   18   ±0.043   4.4 +0.3 0   18×11 參考資料  扭力換算表    單位 英制 國際標準公制 kgf-cm kgf-m N.cm N.m kgf-cm 1 0.01 9.807 0.098 kgf-m 100 1 980.7 9.807 N.cm 0.102 0.001 1 0.01 N.m 10.2 0.102 100 1 孔徑公差表

紙鎮還是鎮紙?

紙鎮還是鎮紙? 紙鎮還是鎮紙?小漢寶都是怎麼唸?不管怎麼唸,那份祝福他人平安的心,都是一樣的。有別於傳統伴手禮,漢意文創思考著該如何將祝福與實用做結合,讓祝福他人的心能真正被使用著,被看見著。 由於漢意文創的母公司漢意科技,是三十多年的傳統產業,偌大的廠房加上工作環境,夏天總是需要開著許多台電扇,而每次師傅們總需要想辦法找能夠鎮壓的物品去壓著紙張,但隨手可得的物品不乏保溫瓶、膠台、筆筒等,有時候臨時找不到工具,只能將手機拿出來放置桌上。然而,這些物品都有其用途,無法整天借予師傅使用,一來一往間也可能造成物品掉落或失誤,因此漢意文創想到了:「既然我們是在做金屬文創品,不然我們來嘗試自己製作鎮紙來看看?」(市面上的鎮紙多用於書法繪畫,較單薄且重量不夠,而製作衣服使用之鎮,樣式單一且重量更重)由於漢意科技的業務範圍除了傳統業,還有科技業,在科技業上班的合作夥伴曾分享他們會購買綠色包裝的乖乖零食放置機台上,希望機台「乖乖」,因此我們製造了第一款,希望同仁們工作時一切「平安」的鎮紙,搭配三種不同顏色的烤漆,因應夥伴們不同的喜好。 除了「平安」,漢意文創更能針對企業或客戶需求,由設計師專門設計符合企業文化或代表字之鎮紙,更提供了不同伴手禮建議參考,讓三節禮品不再只有食品禮盒的選項,讓企業能夠分享更多的平安與祝福給予客戶或是公司同仁,接下來,我們也會放上一些功用教學,給小漢寶們參考!如果想要了解更多,或是訂購方式與資訊。歡迎直接私訊粉絲專頁,或是來電漢意文創,讓我們專業的師傅與設計師和您聊聊! #電話的那頭我們很親切 #如果要用兩個字代表企業 #你們會用哪兩個字呢? 【漢意小學堂】 為一種壓物的器具,中國的鎮最初用來壓席,出現於戰國,盛行於漢代,其時人們席地而坐,為了避免起身落坐時折卷席角,遂在其四角置鎮,後隨著家具的進步,鎮逐漸不作鎮席之用,而改用於壓紙。早期的鎮材料有金屬、原始瓷、泥質陶、石、玉等,四個一組,其外形呈半球形,實心或中空,平底,頂有環鈕。現代有各種不同的造型,除陶瓷、石、玉、金屬等材質外,還有玻璃、塑膠製作者。而從漢語詞組構成的字理文法上解釋:例如:紙鶴、紙飛機、紙箱等等。那麼“紙鎮”應解釋爲:以紙爲材料製作的名爲“鎮”的東西。這與鎮壓紙張的定義嚴重不符。由此可見,中國古代傳統工藝品,寫字作畫時用以壓紙的東西,應該稱作鎮紙而不能稱之爲紙鎮。 資料來源:維基百科、漢典詞語解釋

快樂復骨

快樂復骨 每一位來找漢意的業主,背後都有一些值得我們去聆聽的故事。來自台中烏日的 快樂復骨 ,從一開始的概念溝通、草稿設計、往來變更、圖樣定稿、雷射切割、表面處理,接著,由老闆親手將它們「快樂地」上架。圖樣的背後,更藏匿了對移民天堂妻子的深深思念、孩子們給父親的體諒、身旁好友同學的幫助與支持,以及信任他而找到他的客人們。老闆說希望所有因身體疼痛來找到他的客人,能夠笑著走出診療間,不斷地尋覓更好的治療方法或方式,就是希望患者們能夠打從「骨子」裡快樂起來。謝謝快樂復骨與我們分享您們的故事,漢意文創也期盼能夠像您們的初衷,讓每一個委託我們的業主,都能夠笑著接收我們給予的成果! #如果你有故事歡迎與我們分享 #我們剛好有很喜歡聽故事的夥伴 #手機的那一頭我們很親切 #歡迎跟我們聯絡