中華黃頁網路電話簿
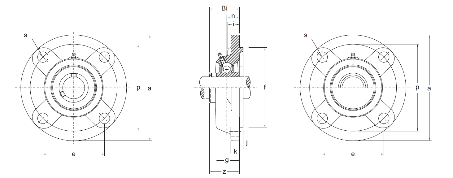
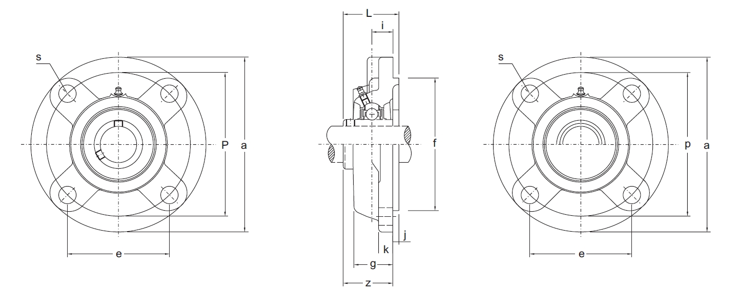
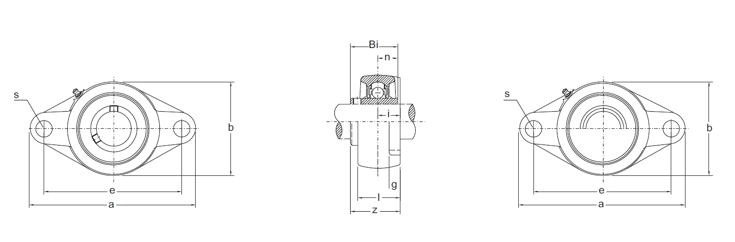
連座軸承UCFA

連座軸承UCFA 200形 直徑系列2   軸承型號 軸徑 (mm) 寸法(mm) 螺母 型號 a e i g l s s1 s2 b f z Bi n UCFA 201 12 102 78 15 12 25.5 10 10 40 60 54 33.3 31 12.7 M8 UCFA 202 15 102 78 15 12 25.5 10 10 40 60 54 33.3 31 12.7 M8 UCFA 203 17 102 78 15 12 25.5 10 10 40 60 54 33.3 31 12.7 M8 UCFA 204 20 102 78 15 12 25.5 10 10 40 60 54 33.3 31 12.7 M8 UCFA 205 25 125 98 16 14 27 12 13 51 68 65 35.7 34 14.3 M10 UCFA 206 30 144 117 18 14 31 12 13 58 80 72 40.2 38.1 15.9 M10 UCFA 207 35 161 130 19 16 34 15 15 66 90 82 44.4 42.9 17.5 M12 UCFA 208 40 175 144 21 16 36 15 15 71 100 87 51.2 49.2 19 M12 UCFA 209 45 181 148 22 18 38 15 15 72 108 90 52.2 49.2 19 M12 UCFA 210 50 190 157 22 18 40 15 15 76 115 94 54.6 51.6 19 M12 UCFA 211 55 219 184 25 20 43 16 17 86 130 104 58.4 55.6 22.2 M14

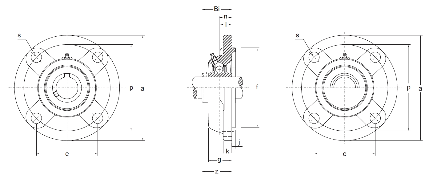
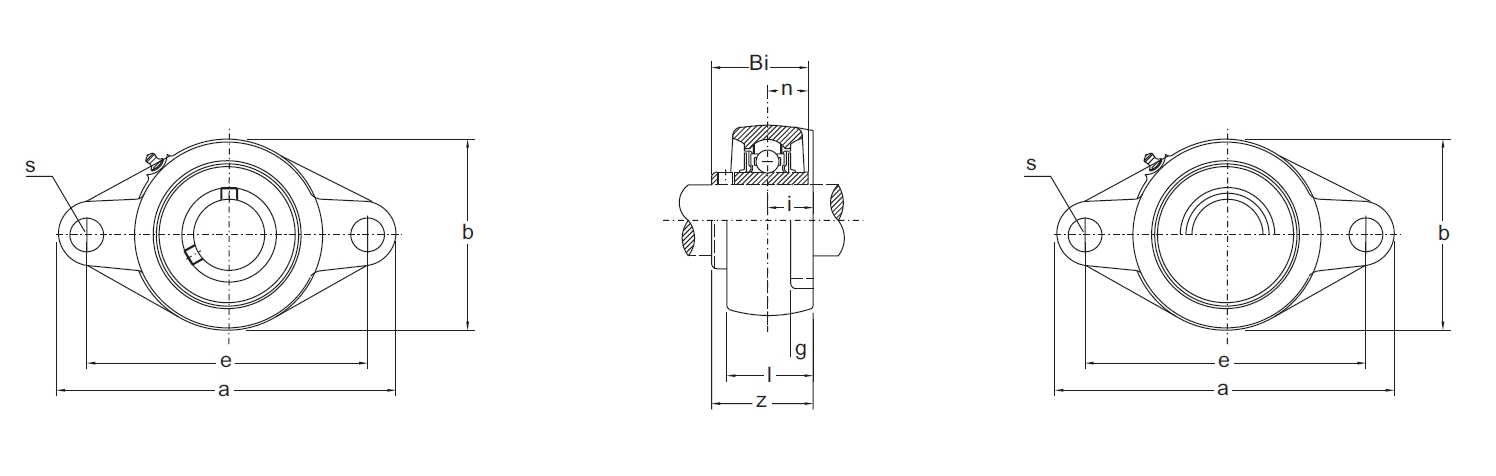
連座軸承UKFL

連座軸承UKFL 300 H形 直徑系列3   軸承型號 軸徑 (mm) 寸法(mm) 螺母 型號 a e i g l s b z L L Zc UKFL 305+H 2305 20 150 113 16 13 29 19 80 37 35 55 84 M16 UKFL 306+H 2306 25 180 134 18 15 32 23 90 40.5 38 60 94 M20 UKFL 307+H 2307 30 185 141 20 16 36 23 100 44.5 43 65 104 M20 UKFL 308+H 2308 35 200 158 23 17 40 23 112 50 46 73 118 M20 UKFL 309+H 2309 40 230 177 25 18 44 25 125 54.5 50 78 132 M22 UKFL 310+H 2310 45 240 187 28 19 48 25 140 60 55 85 144 M22 UKFL 311+H 2311 50 250 198 30 20 52 25 150 63.5 59 90 154 M22 UKFL 312+H 2312 55 270 212 33 22 56 31 160 69 62 98 164 M27 UKFL 313+H 2313 60 295 240 33 25 58 31 175 71 65 103 186 M27 UKFL 315+H 2315 65 320 260 39 30 66 35 195 81 73 114 206 M30 UKFL 316+H 2316 70 355 285 38 32 68 38 210 83.5 78 115 218 M33 UKFL 317+H 2317 75 370 300 44 32 74 38 220 92 82 126 232 M33 UKFL 318+H 2318 80 385 315 44 36 76 38 235 93.5 86 128 245 M33 UKFL 319+H 2319 85 405 330 59 40 94 41 250 111 90 149 257 M36 UKFL 320+H 2320 90 440 360 59 40 94 44 270 115 97 154 277 M39 UKFL 322+H 2322 100 470 390 60 42 96 44 300 121 105 165 305 M39 UKFL 324+H 2324 110 520 430 65 48 110 47 330 130 112 175 333 M42 UKFL 326+H 2326 115 550 460 65 50 115 47 360 134 121 180 360 M42 UKFL 328+H 2328 125 600 500 75 60 125 51 400 148 131 195 400 M45

連座軸承UKFL

連座軸承UKFL 200 H形 直徑系列2   軸承型號 軸徑 (mm) 寸法(mm) 螺母 型號 a e i g l s b z L Zs Zc bc UKFL 205+H 2305 20 130 99 16 14 27 16 68 35.5 35 40 51 73 M14 UKFL 206+H 2306 25 148 117 18 14 31 16 80 39 38 44.5 55 84 M14 UKFL 207+H 2307 30 161 130 19 16 34 16 90 41.5 43 48.5 59 94 M14 UKFL 208+H 2308 35 175 144 21 16 36 16 100 45.5 46 55.5 66 104 M14 UKFL 209+H 2309 40 188 148 22 18 38 19 108 48 50 56.5 67 113 M16 UKFL 210+H 2310 45 197 157 22 18 40 19 115 49.5 55 59.5 71 120 M16 UKFL 211+H 2311 50 224 184 25 20 43 19 130 53.5 59 63 75 134 M16 UKFL 212+H 2312 55 250 202 29 20 48 23 140 60 62 73.5 86 144 M20 UKFL 213+H 2313 60 258 210 30 24 50 23 155 63 65 74.5 89 157 M20 UKFL 215+H 2315 65 275 225 34 24 56 23 165 69.5 73   102 168 M20 UKFL 216+H 2316 70 290 233 34 24 58 25 180 73 78   107 188 M22 UKFL 217+H 2317 75 305 248 36 26 63 25 190 77 82   111 198 M22 UKFL 218+H 2318 80 320 265 40 26 68 25 205 82.5 86   122 211 M22

連座軸承UCFL

連座軸承UCFL 300形 直徑系列3   軸承型號 軸徑 (mm) 寸法(mm) 螺母 型號 a e i g l s b z Bi n Zc bc UCFL 305 25 150 113 16 13 29 19 80 39 38 15 55 84 M16 UCFL 306 30 180 134 18 15 32 23 90 44 43 17 60 94 M20 UCFL 307 35 185 141 20 16 36 23 100 49 48 19 65 104 M20 UCFL 308 40 200 158 23 17 40 23 112 56 52 19 73 118 M20 UCFL 309 45 230 177 25 18 44 25 125 60 57 22 78 132 M22 UCFL 310 50 240 187 28 19 48 25 140 67 61 22 85 144 M22 UCFL 311 55 250 198 30 20 52 25 150 71 66 25 90 154 M22 UCFL 312 60 270 212 33 22 56 31 160 78 71 26 98 164 M27 UCFL 313 65 295 240 33 25 58 31 175 78 75 30 103 186 M27 UCFL 314 70 315 250 36 28 61 35 185 81 78 33 106 196 M30 UCFL 315 75 320 260 39 30 66 35 195 89 82 32 114 206 M30 UCFL 316 80 355 285 38 32 68 38 210 90 86 34 115 218 M33 UCFL 317 85 370 300 44 32 74 38 220 100 96 40 126 232 M33 UCFL 318 90 385 315 44 36 76 38 235 100 96 40 128 245 M33 UCFL 319 95 405 330 59 40 94 41 250 121 103 41 149 257 M36 UCFL 320 100 440 360 59 40 94 44 270 125 108 42 154 277 M39 UCFL 321 105 440 360 59 40 94 44 270 127 112 44 156 282 M39 UCFL 322 110 470 390 60 42 96 44 300 131 117 46 165 305 M39 UCFL 324 120 520 430 65 48 110 47 330 140 126 51 175 333 M42 UCFL 326 130 550 460 65 50 115 47 360 146 135 54 180 360 M42 UCFL 328 140 600 500 75 60 125 51 400 161 145 59 195 400 M45

連座軸承UCFL

連座軸承UCFL 200形 直徑系列2   軸承型號 軸徑 (mm) 寸法(mm) 螺母 型號 a e i g l s b z Bi n Zs Zc bc UCFL 201 12 113 90 15 12 25.5 12 60 33.3 31 12.7 37.5 46 66 M10 UCFL 202 15 113 90 15 12 25.5 12 60 33.3 31 12.7 37.5 46 66 M10 UCFL 203 17 113 90 15 12 25.5 12 60 33.3 31 12.7 37.5 46 66 M10 UCFL 204 20 113 90 15 12 25.5 12 60 33.3 31 12.7 37.5 46 66 M10 UCFL 205 25 130 99 16 14 27 16 68 35.7 34 14.3 40 51 73 M14 UCFL 206 30 148 117 18 14 31 16 80 40.2 38.1 15.9 44.5 55 84 M14 UCFL 207 35 161 130 19 16 34 16 90 44.4 42.9 17.5 48.5 59 94 M14 UCFL 208 40 175 144 21 16 36 16 100 51.2 49.2 19 55.5 66 104 M14 UCFL 209 45 188 148 22 18 38 19 108 52.2 49.2 19 56.5 67 113 M16 UCFL 210 50 197 157 22 18 40 19 115 54.6 51.6 19 59.5 71 120 M16 UCFL 211 55 224 184 25 20 43 19 130 58.4 55.6 22.2 63 75 134 M16 UCFL 212 60 250 202 29 20 48 23 140 68.7 65.1 25.4 73.5 86 144 M20 UCFL 213 65 258 210 30 24 50 23 155 69.7 65.1 25.4 74.5 89 157 M20 UCFL 214 70 265 216 31 24 54 23 160 75.4 74.6 30.2   98 163 M20 UCFL 215 75 275 225 34 24 56 23 165 78.5 77.8 33.3   102 168 M20 UCFL 216 80 290 233 34 24 58 25 180 83.3 82.6 33.3   107 188 M22 UCFL 217 85 305 248 36 26 63 25 190 87.6 85.7 34.1   111 198 M22 UCFL 218 90 320 265 40 26 68 25 205 96.3 96 39.7   122 211 M22

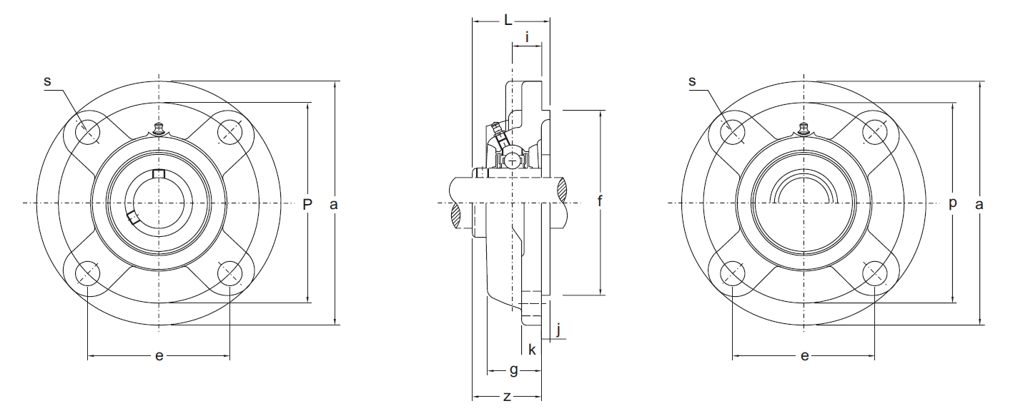
連座軸承UKFC

連座軸承UKFC XOO+H形 直徑系列x   軸承型號 軸徑 (mm) 寸法(mm) 軸箱 型號 軸箱重量 (kgf) 螺母 型號 a p e i s j k g f z L UKFC X05+H 2305 20 111 92 65 10 9.5 6 9.5 24 76 31 35 FCX05 1.1 M8 UKFC X06+H 2306 25 127 105 74.2 8 12 9.5 9.5 22.5 85 29.5 38 FCX06 1.5 M10 UKFC X07+H 2307 30 133 111 78.5 9 12 11 11 26 92 32.5 43 FCX07 1.8 M10 UKFC X08+H 2308 35 133 111 78.5 9 12 11 11 26 92 34 46 FCX08 1.8 M10 UKFC X09+H 2309 40 155 130 91.9 8 14 12 11 25 108 34.5 50 FCX09 2.5 M12 UKFC X10+H 2310 45 162 136 96.2 7 14 16 11 25 118 35.5 55 FCX10 2.9 M12 UKFC X11+H 2311 50 180 152 107.5 4 16 22 13 26 127 34 59 FCX11 3.9 M14 UKFC X12+H 2312 55 194 165 116.7 11 16 20 14 33 140 43 62 FCX12 4.6 M14 UKFC X13+H 2313 60 194 165 116.7 11 16 20 14 33 140 45 65 FCX13 4.7 M14 UKFC X15+H 2315 65 222 190 134.3 12 19 22 16 35 164 49 73 FCX15 7.4 M16 UKFC X16+H 2316 70 260 219 154.8 10 23 25 19 36 186 50 78 FCX16 11.6 M20 UKFC X17+H 2317 75 260 219 154.8 10 23 25 19 36 186 52.5 82 FCX17 11 M20 UKFC X18+H 2318 80 260 219 154.8 12 23 28 19 43 186 56 86 FCX18 11 M20 UKFC X20+H 2320 90 276 238 168.3 22 23 28 22 66 206 71 97 FCX20 14.9 M20

連座軸承UKFC

連座軸承UKFC 200+H形 直徑系列2   軸承型號 軸徑 (mm) 寸法(mm) 軸箱 型號 軸箱重量 (kgf) 螺母 型號 a p e i s j k g f z L Zs Zc UKFC 205+H 2305 20 115 90 63.6 10 12 6 7 21 70 29.5 35 34 45 FC205 1.1 M10 UKFC 206+H 2306 25 125 100 70.7 10 12 8 8 23 80 31 38 36.5 47 FC206 1.6 M10 UKFC 207+H 2307 30 135 110 77.8 11 14 8 9 26 90 33.5 43 41 51 FC207 1.8 M12 UKFC 208+H 2308 35 145 120 84.8 11 14 10 9 26 100 35.5 46 45.5 56 FC208 2.2 M12 UKFC 209+H 2309 40 160 132 93.3 10 16 12 14 26 105 36 50 44.5 55 FC209 3.1 M14 UKFC 210+H 2310 45 165 138 97.6 10 16 12 14 28 110 37.5 55 47.5 59 FC210 3.3 M14 UKFC 211+H 2311 50 185 150 106.1 13 19 12 15 31 125 41.5 59 51 63 FC211 4 M16 UKFC 212+H 2312 55 195 160 113.1 17 19 12 15 36 135 48 62 61.5 74 FC212 4.4 M16 UKFC 213+H 2313 60 205 170 120.2 16 19 14 15 36 145 49 65 60.5 75 FC213 5.4 M16 UKFC 215+H 2315 65 220 184 130.1 18 19 16 18 40 160 53.5 73   86 FC215 7.8 M16 UKFC 216+H 2316 70 240 200 141.4 18 23 16 18 42 170 57 78   91 FC216 9.6 M20 UKFC 217+H 2317 75 250 208 147.1 18 23 18 20 45 180 59 82   93 FC217 11.1 M20 UKFC 218+H 2318 80 265 220 155.5 22 23 18 20 50 190 64.5 86   104 FC218 13.1 M20

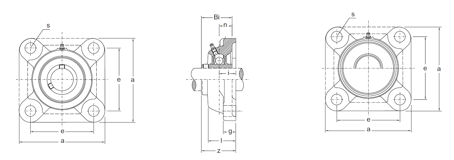
連座軸承UCFC

連座軸承UCFC XOO形 直徑系列x   軸承型號 軸徑 (mm) 寸法(mm) 軸箱 型號 軸箱重量 (kgf) 螺母 型號 a p e i s j k g f z Bi n UCFC X05 25 111 92 65 10 9.5 6 9.5 24 76 32.2 38.1 15.9 FCX05 1.1 M8 UCFC X06 30 127 105 74.2 8 12 9.5 9.5 22.5 85 33.4 42.9 17.5 FCX06 1.4 M10 UCFC X07 35 133 111 78.5 9 12 11 11 26 92 39.2 49.2 19 FCX07 1.8 M10 UCFC X08 40 133 111 78.5 9 12 11 11 26 92 39.2 49.2 19 FCX08 1.8 M10 UCFC X09 45 155 130 91.9 8 14 12 11 25 108 40.6 51.6 19 FCX09 2.5 M12 UCFC X10 50 162 136 96.2 7 14 16 11 25 118 40.4 55.6 22.2 FCX10 2.9 M12 UCFC X11 55 180 152 107.5 4 16 22 13 26 127 43.7 65.1 25.4 FCX11 4 M14 UCFC X12 60 194 165 116.7 11 16 20 14 33 140 50.7 65.1 25.4 FCX12 4.6 M14 UCFC X13 65 194 165 116.7 11 16 20 14 33 140 55.4 74.6 30.2 FCX13 4.9 M14 UCFC X14 70 222 190 134.3 14 19 20 14 36 164 58.5 77.8 33.3 FCX14 6.8 M16 UCFC X15 75 222 190 134.3 12 19 22 16 35 164 61.3 82.6 33.3 FCX15 7.4 M16 UCFC X16 80 260 219 154.8 10 23 25 19 36 186 61.6 85.7 34.1 FCX16 11.5 M20 UCFC X17 85 260 219 154.8 10 23 25 19 36 186 66.3 96 39.7 FCX17 11.1 M20 UCFC X18 90 260 219 154.8 12 23 28 19 43 186 73.1 104 42.9 FCX18 11.3 M20 UCFC X20 100 276 238 168.3 22 23 28 22 66 206 90.3 117.5 49.2 FCX20 15.9 M20

連座軸承UCFC

連座軸承UCFC 200形 直徑系列2   軸承型號 軸徑 (mm) 寸法(mm) 軸箱 型號 軸箱重量 (kgf) 螺母 型號 a p e i s j k g f z Bi n UCFC 201 12 100 78 55.1 10 12 5 7 20.5 62 28.3 31 12.7 FC204 0.89 M10 UCFC 202 15 100 78 55.1 10 12 5 7 20.5 62 28.3 31 12.7 FC204 0.87 M10 UCFC 203 17 100 78 55.1 10 12 5 7 20.5 62 28.3 31 12.7 FC204 0.86 M10 UCFC 204 20 100 78 55.1 10 12 5 7 20.5 62 28.3 31 12.7 FC204 0.84 M10 UCFC 205 25 115 90 63.6 10 12 6 7 21 70 29.7 34 14.3 FC205 1.1 M10 UCFC 206 30 125 100 70.7 10 12 8 8 23 80 32.2 38.1 15.9 FC206 1.5 M10 UCFC 207 35 135 110 77.8 11 14 8 9 26 90 36.4 42.9 17.5 FC207 1.7 M12 UCFC 208 40 145 120 84.8 11 14 10 9 26 100 41.2 49.2 19 FC208 2.1 M12 UCFC 209 45 160 132 93.3 10 16 12 14 26 105 40.2 49.2 19 FC209 3.0 M14 UCFC 210 50 165 138 97.6 10 16 12 14 28 110 42.6 51.6 19 FC210 3.1 M14 UCFC 211 55 185 150 106.1 13 19 12 15 31 125 46.4 55.6 22.2 FC211 3.9 M16 UCFC 212 60 195 160 113.1 17 19 12 15 36 135 56.7 65.1 25.4 FC212 4.4 M16 UCFC 213 65 205 170 120.2 16 19 14 15 36 145 55.7 65.1 25.4 FC213 5.3 M16 UCFC 214 70 215 177 125.1 17 19 14 18 40 150 61.4 74.6 30.2 FC214 6.8 M16 UCFC 215 75 220 184 130.1 18 19 16 18 40 160 62.5 77.8 33.3 FC215 7.4 M16 UCFC 216 80 240 200 141.4 18 23 16 18 42 170 67.3 82.6 33.3 FC216 9.2 M20 UCFC 217 85 250 208 147.1 18 23 18 20 45 180 69.6 85.7 34.1 FC217 10.6 M20 UCFC 218 90 265 220 155.5 22 23 18 20 50 190 78.3 96 39.7 FC218 12.7 M20

連座軸承UKF

連座軸承UKF 300+H形 直徑系列3   軸承型號 軸徑 (mm) 寸法(mm) 軸箱 型號 軸箱重量 (kgf) 螺母 型號 a e i g l S Z L Zc UKF 305+H 2305 20 110 80 16 13 29 16 37 35 55 F305 1.2 M14 UKF 306+H 2306 25 125 95 18 15 32 16 40.5 38 60 F306 1.7 M14 UKF 307+H 2307 30 135 100 20 16 36 19 44.5 43 65 F307 2.1 M16 UKF 308+H 2308 35 150 112 23 17 40 19 50 46 73 F308 3 M16 UKF 309+H 2309 40 160 125 25 18 44 19 54.5 50 78 F309 3.6 M16 UKF 310+H 2310 45 175 132 28 19 48 23 60 55 85 F310 4.8 M20 UKF 311+H 2311 50 185 140 30 20 52 23 63.5 59 90 F311 5.7 M20 UKF 312+H 2312 55 195 150 33 22 56 23 69 62 98 F312 6.7 M20 UKF 313+H 2313 60 208 166 33 22 58 23 71 65 103 F313 7.7 M20 UKF 315+H 2315 65 236 184 39 25 66 25 81 73 114 F315 11.8 M22 UKF 316+H 2316 70 250 196 38 27 68 31 83.5 78 115 F316 13.9 M27 UKF 317+H 2317 75 260 204 44 27 74 31 92 82 126 F317 15.1 M27 UKF 318+H 2318 80 280 216 44 30 76 35 93.5 86 128 F318 19 M30 UKF 319+H 2319 85 290 228 59 30 94 35 111 90 149 F319 20.8 M30 UKF 320+H 2320 90 310 242 59 32 94 38 115 97 154 F320 24.8 M33 UKF 322+H 2322 100 340 266 60 35 96 41 121 105 165 F322 34.8 M36 UKF 324+H 2324 110 370 290 65 40 110 41 130 112 175 F324 46.7 M36 UKF 326+H 2326 115 410 320 65 45 115 41 134 121 180 F326 63 M36 UKF 328+H 2328 125 450 350 75 55 125 41 148 131 195 F328 87.3 M36

連座軸承UKF

連座軸承UKF 200+H形 直徑系列2   軸承型號 軸徑 (mm) 寸法(mm) 軸箱 型號 軸箱重量 (kgf) 螺母 型號 a e i g l S Z L Zs Zc UKF 205+H 2305 20 95 70 16 14 27 12 35.5 35 40 51 F205 0.87 M10 UKF 206+H 2306 25 108 83 18 14 31 12 39 38 44.5 55 F206 1.2 M10 UKF 207+H 2307 30 117 92 19 16 34 14 41.5 43 48.5 59 F207 1.5 M12 UKF 208+H 2308 35 130 102 21 16 36 16 45.5 46 55.5 66 F208 2.1 M14 UKF 209+H 2309 40 137 105 22 18 38 16 48 50 56.5 67 F209 2.5 M14 UKF 210+H 2310 45 143 111 22 18 40 16 49.5 55 59.5 71 F210 2.7 M14 UKF 211+H 2311 50 162 130 25 20 43 19 53.5 59 63.0 75 F211 3.6 M16 UKF 212+H 2312 55 175 143 29 20 48 19 60 62 73.5 86 F212 4.6 M16 UKF 213+H 2313 60 187 149 30 20 50 19 63 65 74.5 89 F213 5.7 M16 UKF 215+H 2315 65 200 159 34 24 56 19 69.5 73   102 F215 7.3 M16 UKF 216+H 2316 70 208 165 34 24 58 23 73 78   107 F216 8.2 M20 UKF 217+H 2317 75 220 175 36 26 63 23 77 82   111 F217 9.8 M20 UKF 218+H 2318 80 235 187 40 26 68 23 82.5 86   122 F218 11.7 M20

連座軸承UCFS

連座軸承UCFS 300形 直徑系列3   軸承型號 軸徑 (mm) 寸法(mm) 軸箱 型號 軸箱重量 (kgf) 螺母 型號 a e i S j k g f Z Bi n UCFS 305 25 110 80 9 16 7 13 22 80 32 38 15 FS305 1.4 M14 UCFS 306 30 125 95 10 16 8 15 24 90 36 43 17 FS306 1.9 M14 UCFS 307 35 135 100 11 19 9 16 27 100 40 48 19 FS307 2.4 M16 UCFS 308 40 150 112 13 19 10 17 30 115 46 52 19 FS308 3.3 M16 UCFS 309 45 160 125 14 19 11 18 33 125 49 57 22 FS309 4.0 M16 UCFS 310 50 175 132 16 23 12 19 36 140 55 61 22 FS310 5.3 M20 UCFS 311 55 185 140 17 23 13 20 39 150 58 66 25 FS311 6.2 M20 UCFS 312 60 195 150 19 23 14 22 42 160 64 71 26 FS312 7.4 M20 UCFS 313 65 208 166 15 23 18 22 40 175 60 75 30 FS313 8.6 M20 UCFS 314 70 226 178 18 25 18 25 43 185 63 78 33 FS314 11.2 M22 UCFS 315 75 236 184 21 25 18 25 48 200 71 82 32 FS315 12.7 M22 UCFS 316 80 250 196 18 31 20 27 48 210 70 86 34 FS316 14.3 M27 UCFS 317 85 260 204 24 31 20 27 54 220 80 96 40 FS317 17.2 M27 UCFS 318 90 280 216 24 35 20 30 56 240 80 96 40 FS318 20.4 M30 UCFS 319 95 290 228 39 35 20 30 74 250 101 103 41 FS319 23.9 M30 UCFS 320 100 310 242 39 38 20 32 74 260 105 108 42 FS320 27.1 M33 UCFS 321 105 310 242 39 38 20 32 74 260 107 112 44 FS321 28.5 M33 UCFS 322 110 340 266 35 41 25 35 71 300 106 117 46 FS322 36.8 M36 UCFS 324 120 370 290 35 41 30 40 80 330 110 126 51 FS324 50.6 M36 UCFS 326 130 410 320 35 41 30 45 85 360 116 135 54 FS326 67.8 M36 UCFS 328 140 450 350 45 41 30 55 95 400 131 145 59 FS328 96.3 M36

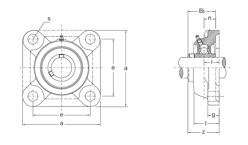
連座軸承UCF

連座軸承UCF XOO形 直徑系列x   軸承型號 軸徑 (mm) 寸法(mm) 軸箱 型號 軸箱重量 (kgf) 螺母 型號 a e i g l S Z Bi n UCF X05 25 108 83 18 13 30 12 40.2 38.1 15.9 FX05 1.1 M10 UCF X06 30 117 92 19 14 34 16 44.4 42.9 17.5 FX06 1.3 M14 UCF X07 35 130 102 21 14 38 16 51.2 49.2 19 FX07 1.8 M14 UCF X08 40 137 105 22 14 40 19 52.2 49.2 19 FX08 1.8 M16 UCF X09 45 143 111 23 14 40 19 55.6 51.6 19 FX09 2.4 M16 UCF X10 50 162 130 26 20 44 19 59.4 55.6 22.2 FX10 3.6 M16 UCF X11 55 175 143 29 20 49 19 68.7 65.1 25.4 FX11 4.5 M16 UCF X12 60 187 149 34 21 59 19 73.7 65.1 25.4 FX12 5.3 M16 UCF X13 65 187 149 34 21 59 19 78.4 74.6 30.2 FX13 5.5 M16 UCF X14 70 197 152 37 24 60 23 81.5 77.8 33.3 FX14 7.7 M20 UCF X15 75 197 152 40 24 68 23 89.3 82.6 33.3 FX15 7.7 M20 UCF X16 80 214 171 40 24 70 23 91.6 85.7 34.1 FX16 10.2 M20 UCF X17 85 214 171 40 24 70 23 96.3 96 39.7 FX17 10.2 M20 UCF X18 90 214 171 45 24 76 23 106.1 104 42.9 FX18 10.6 M20 UCF X20 100 268 211 59 31 97 31 127.3 117.5 49.2 FX20 16.8 M27

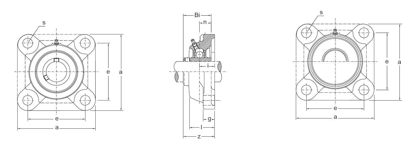
連座軸承UCF

連座軸承UCF 300形 直徑系列3   軸承型號 軸徑 (mm) 寸法(mm) 軸箱 型號 軸箱重量 (kgf) 螺母 型號 a e i g l S Z Bi n UCF 305 25 110 80 16 13 29 16 39 38 15 F305 1.2 M14 UCF 306 30 125 95 18 15 32 16 44 43 17 F306 1.7 M14 UCF 307 35 135 100 20 16 36 19 49 48 19 F307 2.1 M16 UCF 308 40 150 112 23 17 40 19 56 52 19 F308 2.9 M16 UCF 309 45 160 125 25 18 44 19 60 57 22 F309 3.6 M16 UCF 310 50 175 132 28 19 48 23 67 61 22 F310 4.7 M20 UCF 311 55 185 140 30 20 52 23 71 66 25 F311 5.7 M20 UCF 312 60 195 150 33 22 56 23 78 71 26 F312 6.8 M20 UCF 313 65 208 166 33 22 58 23 78 75 30 F313 7.8 M20 UCF 314 70 226 178 36 25 61 25 81 78 33 F314 9.6 M22 UCF 315 75 236 184 39 25 66 25 89 82 32 F315 11.7 M22 UCF 316 80 250 196 38 27 68 31 90 86 34 F316 13.7 M27 UCF 317 85 260 204 44 27 74 31 100 96 40 F317 15.2 M27 UCF 318 90 280 216 44 30 76 35 100 96 40 F318 18.8 M30 UCF 319 95 290 228 59 30 94 35 121 103 41 F319 20.7 M30 UCF 320 100 310 242 59 32 94 38 125 108 42 F320 24.8 M33 UCF 321 105 310 242 59 32 94 38 127 112 44 F321 25.6 M33 UCF 322 110 340 266 60 35 96 41 131 117 46 F322 34.7 M36 UCF 324 120 370 290 65 40 110 41 140 126 51 F324 47.2 M36 UCF 326 130 410 320 65 45 115 41 146 135 54 F326 62.7 M36 UCF 328 140 450 350 75 55 125 41 161 145 59 F328 87.0 M36

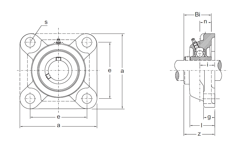
連座軸承UCF

連座軸承UCF 200形 直徑系列2   軸承型號 軸徑 (mm) 寸法(mm) 軸箱 型號 軸箱重量 (kgf) 螺母 型號 a e i g l S Z Bi n UCF 201 12 86 64 15 12 25.5 12 33.3 31 12.7 F204 0.64 M10 UCF 202 15 86 64 15 12 25.5 12 33.3 31 12.7 F204 0.62 M10 UCF 203 17 86 64 15 12 25.5 12 33.3 31 12.7 F204 0.61 M10 UCF 204 20 86 64 15 12 25.5 12 33.3 31 12.7 F204 0.59 M10 UCF 205 25 95 70 16 14 27 12 35.7 34 14.3 F205 0.82 M10 UCF 206 30 108 83 18 14 31 12 40.2 38.1 15.9 F206 1.1 M10 UCF 207 35 117 92 19 16 34 14 44.4 42.9 17.5 F207 1.5 M12 UCF 208 40 130 102 21 16 36 16 51.2 49.2 19 F208 2.0 M14 UCF 209 45 137 105 22 18 38 16 52.2 49.2 19 F209 2.4 M14 UCF 210 50 143 111 22 18 40 16 54.6 51.6 19 F210 2.5 M14 UCF 211 55 162 130 25 20 43 19 58.4 55.6 22.2 F211 3.4 M16 UCF 212 60 175 143 29 20 48 19 68.7 65.1 25.4 F212 4.6 M16 UCF 213 65 187 149 30 20 50 19 69.7 65.1 25.4 F213 5.5 M16 UCF 214 70 193 152 31 24 54 19 75.4 74.6 30.2 F214 6.1 M16 UCF 215 75 200 159 34 24 56 19 78.5 77.8 33.3 F215 6.9 M16 UCF 216 80 208 165 34 24 58 23 83.3 82.6 33.3 F216 7.8 M20 UCF 217 85 220 175 36 26 63 23 87.6 85.7 34.1 F217 9.3 M20 UCF 218 90 235 187 40 26 63 23 96.3 96 39.7 F218 11.3 M20

連座軸承UBPP

連座軸承UBPP 200形 直徑系列2   軸承型號   軸徑 (mm) 寸法(mm)   螺母 型號 軸受   軸箱 番號   軸箱 容許荷重(kgf)   h   a   e   b   S   g   w   Bi   n   內輪番號 基本定格荷重 C(kgf)  Co(kgf) UBPP 201 12 22.2 86 68 25 9 3.2 43.8 22 6 M8 UB 201 750 460 PP 203 0.15 210 UBPP 202 15 22.2 86 68 25 9 3.2 43.8 22 6 M8 UB 202 750 460 PP 203 0.15 210 UBPP 203 17 22.2 86 68 25 9 3.2 43.8 22 6 M8 UB 203 750 460 PP 203 0.14 210 UBPP 204 20 25.4 98 76 32 9 3.2 50.5 24.7 7 M8 UB 204 1000 635 PP 204 0.20 250 UBPP 205 25 28.6 108 86 32 11 4 56.6 27 7.5 M10 UB 205 1100 730 PP 205 0.28 360 UBPP 206 30 33.3 117 95 38 11 4 66.3 30.3 8 M10 UB 206 1530 1050 PP 206 0.40 400 UBPP 207 35 39.7 129 106 42 11 4.6 78 32.9 8.5 M10 UB 207 2010 1430 PP 207 0.57 470

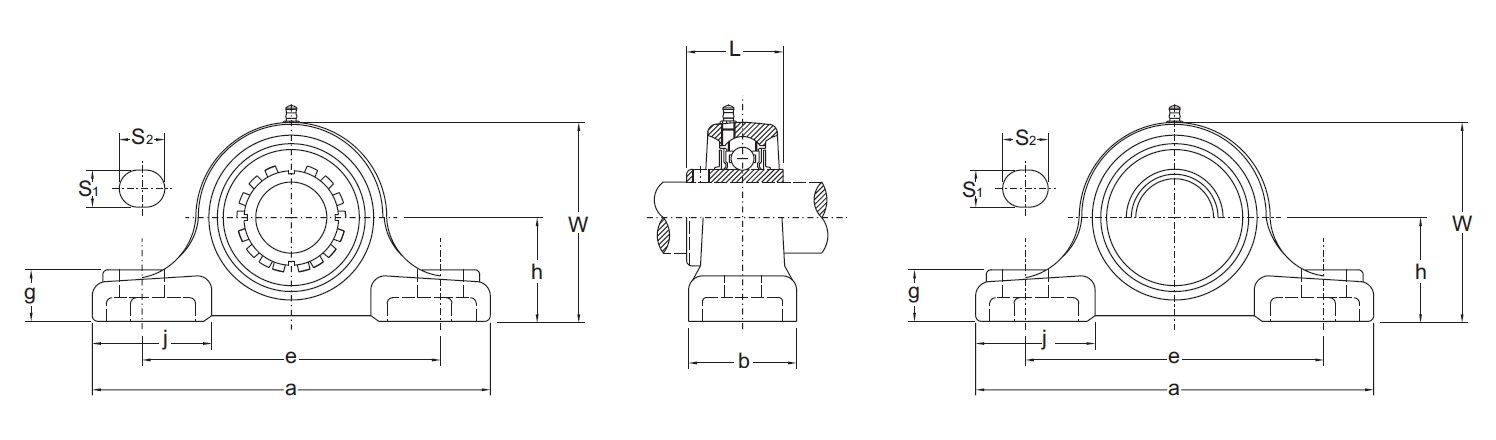
連座軸承UCPH

連座軸承UCPH 200形 直徑系列2   軸承型號   軸徑 (mm) 寸法(mm)   螺母 型號 軸受   軸箱 番號 軸箱重量(kgf)   h   a   e   b   S1   S2   g   w   j   Bi   n   內輪番號 基本定格荷重 C(kgf)  Co(kgf) UCPH 201 12 70 127 95 40 13 19 15 101 48 31 12.7 M10 UC 201 1000 635 PH 204 1.00 UCPH 202 15 70 127 95 40 13 19 15 101 48 31 12.7 M10 UC 202 1000 635 PH 204 0.99 UCPH 203 17 70 127 95 40 13 19 15 101 48 31 12.7 M10 UC 203 1000 635 PH 204 0.97 UCPH 204 20 70 127 95 40 13 19 15 101 48 31 12.7 M10 UC 204 1000 635 PH 204 0.95 UCPH 205 25 80 140 105 50 13 19 16 114 50 34 14.3 M10 UC 205 1100 730 PH 205 1.30 UCPH 206 30 90 165 121 50 17 21 18 130 56 38.1 15.9 M14 UC 206 1530 1050 PH 206 1.88 UCPH 207 35 95 167 127 60 17 21 19 140 56 42.9 17.5 M14 UC 207 2010 1430 PH 207 2.4 UCPH 208 40 100 184 137 70 17 25 19 149 58 49.2 19 M14 UC 208 2280 1650 PH 208 3.0 UCPH 209 45 105 190 146 70 17 25 20 157 62 49.2 19 M14 UC 209 2450 1850 PH 209 3.4 UCPH 210 50 110 206 159 70 20 25 22 165 65 51.6 19 M16 UC 210 2750 2100 PH 210 3.9

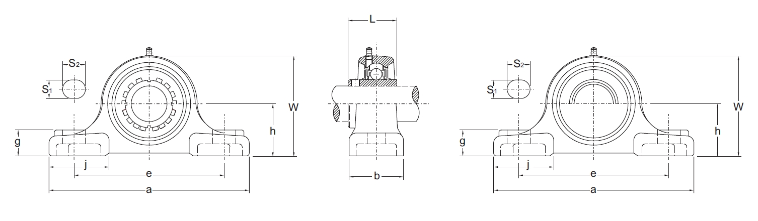
連座軸承UCPA

連座軸承UCPA 200形 直徑系列2   軸承型號   軸徑 (mm) 寸法(mm) 軸受   軸箱 番號 軸箱重量(kgf)   h   a   e   b   t   r   g   w   Bi   n   內輪番號基本定格荷重C(kgf) Co(kgf) UCPA 201 12 30.2 76 52 40 M10×1.5 15 11 62 31 12.7 UC 201 1000 635 PA 204 0.67 UCPA 202 15 30.2 76 52 40 M10×1.5 15 11 62 31 12.7 UC 202 1000 635 PA 204 0.65 UCPA 203 17 30.2 76 52 40 M10×1.5 15 11 62 31 12.7 UC 203 1000 635 PA 204 0.64 UCPA 204 20 30.2 76 52 40 M10×1.5 15 11 62 31 12.7 UC 204 1000 635 PA 204 0.62 UCPA 205 25 36.5 84 56 45 M10×1.5 15 12 72 34 14.3 UC 205 1100 730 PA 205 0.91 UCPA 206 30 42.9 94 66 50 M14×2 18 12 84 38.1 15.9 UC 206 1530 1050 PA 206 1.26 UCPA 207 35 47.6 110 80 55 M14×2 20 13 95 42.9 17.5 UC 207 2010 1430 PA 207 1.83 UCPA 208 40 49.2 116 84 58 M14×2 20 13 100 49.2 19 UC 208 2280 1650 PA 208 2.1 UCPA 209 45 54.2 120 90 60 M14×2 25 13 108 49.2 19 UC 209 2450 1850 PA 209 2.5 UCPA 210 50 57.2 130 94 64 M16×2 25 14 116 51.6 19 UC 210 2750 2100 PA 210 2.9

連座軸承UKP

連座軸承UKP 300+H形 直徑系列3   軸承型號 軸徑 (mm) 寸法(mm) 軸箱 型號 軸箱重量 (kgf) 螺母 型號 h a e b S1 S2 g w j L UKP 305+H 2305 20 45 175 132 45 17 20 16 83 54 35 P305 1.6 M14 UKP 306+H 2306 25 50 180 140 50 17 20 19 94 56 38 P306 1.9 M14 UKP 307+H 2307 30 56 210 160 56 17 25 21 105 65 43 P307 2.7 M14 UKP 308+H 2308 35 60 220 170 60 17 27 23 116 68 46 P308 3 M14 UKP 309+H 2309 40 67 245 190 67 20 30 25 128 76 50 P309 4.6 M16 UKP 310+H 2310 45 75 275 212 75 20 35 28 143 85 55 P310 6.2 M16 UKP 311+H 2311 50 80 310 236 80 20 38 31 154 96 59 P311 7.6 M16 UKP 312+H 2312 55 85 330 250 85 25 38 33 165 102 62 P312 9.3 M20 UKP 313+H 2313 60 90 340 260 90 25 38 36 174 105 65 P313 9.8 M20 UKP 315+H 2315 65 100 380 290 100 27 40 40 197 120 73 P315 13.7 M22 UKP 316+H 2316 70 106 400 300 110 27 40 45 209 120 78 P316 16.6 M22 UKP 317+H 2317 75 112 420 320 110 33 45 45 221 125 82 P317 18.6 M27 UKP 318+H 2318 80 118 430 330 110 33 45 50 233 130 86 P318 21.1 M27 UKP 319+H 2319 85 125 470 360 120 36 50 50 250 140 90 P319 26.5 M30 UKP 320+H 2320 90 140 490 380 120 36 50 55 275 140 97 P320 34.3 M30 UKP 322+H 2322 100 150 520 400 140 40 55 60 295 155 105 P322 42.6 M33 UKP 324+H 2324 110 160 570 450 140 40 55 70 321 140 112 P324 53 M33 UKP 326+H 2326 115 180 600 480 140 40 55 80 354 140 121 P326 72.4 M33 UKP 328+H 2328 125 200 620 500 140 40 55 80 388 140 131 P328 89.4 M33

連座軸承UKP

連座軸承UKP 200+H形 直徑系列2   軸承型號 軸徑 (mm) 寸法(mm) 軸箱 型號 軸箱重量 (kgf) 螺母 型號 h a e b S1 S2 g w j L UKP 205+H 2305 20 36.5 140 105 38 13 19 16 70 42 35 P205 0.84 M10 UKP 206+H 2306 25 42.9 165 121 48 17 21 18 83 54 38 P206 1.4 M14 UKP 207+H 2307 30 47.6 167 127 48 17 21 19 94 54 43 P207 1.6 M14 UKP 208+H 2308 35 49.2 184 137 54 17 23 19 100 52 46 P208 2.1 M14 UKP 209+H 2309 40 54 190 146 54 17 23 20 108 60 50 P209 2.4 M14 UKP 210+H 2310 45 57.2 206 159 60 20 25 22 114 65 55 P210 2.8 M16 UKP 211+H 2311 50 63.5 219 171 60 20 25 22 126 70 59 P211 3.4 M16 UKP 212+H 2312 55 69.8 241 184 70 20 25 25 138 70 62 P212 4.8 M16 UKP 213+H 2313 60 76.2 265 203 70 25 29 27 150 77 65 P213 5.7 M20 UKP 215+H 2315 65 82.6 275 217 74 25 31 28 163 85 73 P215 8.3 M20 UKP 216+H 2316 70 88.9 292 232 78 25 31 30 175 91 78 P216 10.4 M20 UKP 217+H 2317 75 95.2 310 247 83 25 31 32 187 96 82 P217 12.8 M20 UKP 218+H 2318 80 101.6 327 262 88 27 33 34 200 100 86 P218 15.1 M22