中華黃頁網路電話簿
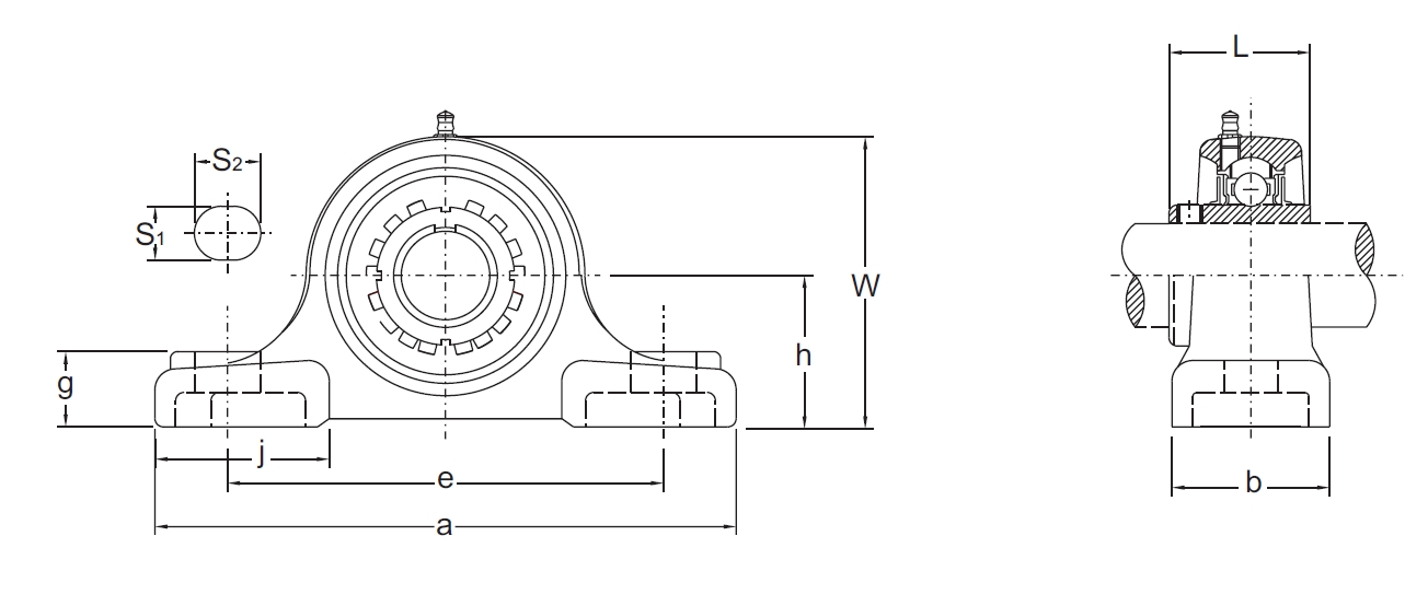
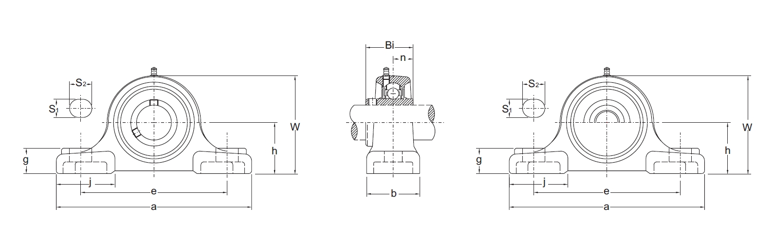
連座軸承UKP

連座軸承UKP XOO+H形 直徑系列x   軸承型號 軸徑 (mm) 寸法(mm) 螺母 型號 h a e b S1 S2 g w j J UKP X05+H 2305 20 44.4 159 119 51 17 21 16 83 51 35 M14 UKP X06+H 2306 25 47.6 175 127 57 17 21 18 93 56 38 M14 UKP X07+H 2307 30 54 203 144 57 17 26 19 104 65 43 M14 UKP X08+H 2308 35 58.7 222 156 67 20 28 21 112 71 46 M16 UKP X09+H 2309 40 58.7 222 156 67 20 29 22 115 71 50 M16 UKP X10+H 2310 45 63.5 241 171 73 20 30 25 126 77 55 M16 UKP Y11+H 2311 50 69.8 260 184 79 25 30 28 139 83 59 M20 UKP X12+H 2312 55 76.2 286 203 83 25 35 30 151 92 62 M20 UKP X13+H 2313 60 76.2 286 203 83 25 35 31 154 92 65 M20 UKP X15+H 2315 65 88.9 380 229 89 27 39 35 175 106 73 M22 UKP X16+H 2316 70 101.6 381 283 102 27 54 38 196 122 78 M22 UKP X17+H 2317 75 101.6 381 283 102 27 54 40 202 122 82 M22 UKP X18+H 2318 80 101.6 381 283 111 27 54 42 208 122 86 M22 UKP X20+H 2320 90 127 432 337 121 33 58 48 246 138 97 M27

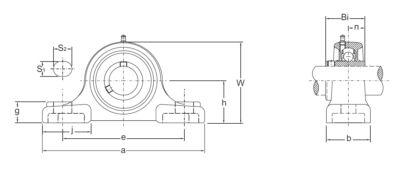
連座軸承UCP

連座軸承UCP XOO形 直徑系列x   軸承型號 軸徑 (mm) 寸法(mm) 軸箱 型號 軸箱重量 (kgf) 螺母 型號 h a e b S1 S2 g w j Bi n UCP X05 25 44.4 159 119 51 17 21 16 83 51 38.1 15.9 PX05 1.5 M14 UCP X06 30 47.6 175 127 57 17 21 18 93 56 42.9 17.5 PX06 1.9 M14 UCP X07 35 54 203 144 57 17 26 19 104 65 49.2 19 PX07 2.7 M14 UCP X08 40 58.7 222 156 67 20 28 21 112 71 49.2 19 PX08 3.5 M16 UCP X09 45 58.7 222 156 67 20 29 22 115 71 51.6 19 PX09 3.5 M16 UCP X10 50 63.5 241 171 73 20 30 25 126 77 55.6 22.2 PX10 4.2 M16 UCP X11 55 69.8 260 184 79 25 30 28 139 83 65.1 25.4 PX11 5.9 M20 UCP X12 60 76.2 286 203 83 25 35 30 151 92 65.1 25.4 PX12 7.2 M20 UCP X13 65 76.2 286 203 83 25 35 31 154 92 74.6 30.2 PX13 7.4 M20 UCP X14 70 88.9 330 229 89 27 39 32 170 106 77.8 33.3 PX14 11.1 M22 UCP X15 75 88.9 330 229 89 27 39 35 175 106 82.6 33.3 PX15 11.4 M22 UCP X16 80 101.6 381 283 102 27 54 38 196 122 85.7 34.1 PX16 17.4 M22 UCP X17 85 101.6 381 283 102 27 54 40 202 122 96 39.7 PX17 17.1 M22 UCP X18 90 101.6 381 283 111 27 54 42 208 122 104 42.9 PX18 17 M22 UCP X20 100 127 432 337 121 33 58 48 246 138 117.5 49.2 PX20 33 M27

連座軸承UCP

連座軸承UCP 300形 直徑系列3   軸承型號 軸徑 (mm) 寸法(mm) 軸箱 型號 軸箱重量 (kgf) 螺母 型號 h a e b S1 S2 g w j Bi UCP 305 25 45 175 132 45 17 20 16 83 54 38 P305 1.6 M14 UCP 306 30 50 180 140 50 17 20 19 94 56 43 P306 1.9 M14 UCP 307 35 56 210 160 56 17 25 21 105 65 48 P307 2.7 M14 UCP 308 40 60 220 170 60 17 27 23 116 68 52 P308 3.3 M14 UCP 309 45 67 245 190 67 20 30 25 128 76 57 P309 4.5 M16 UCP 310 50 75 275 212 75 20 35 28 143 85 61 P310 6.2 M16 UCP 311 55 80 310 236 80 20 38 31 154 96 66 P311 7.7 M16 UCP 312 60 85 330 250 85 25 38 33 165 102 71 P312 9.3 M20 UCP 313 65 90 340 260 90 25 38 36 174 105 75 P313 9.8 M20 UCP 314 70 95 360 280 90 27 40 40 186 105 78 P314 11.4 M22 UCP 315 75 100 380 290 100 27 40 40 197 120 82 P315 13.6 M22 UCP 316 80 106 400 300 110 27 40 45 209 120 86 P316 16.4 M22 UCP 317 85 112 420 320 110 33 45 45 221 125 96 P317 18.6 M27 UCP 318 90 118 430 330 110 33 45 50 233 130 96 P318 20.9 M27 UCP 319 95 125 470 360 120 36 50 50 250 140 103 P319 26.5 M30 UCP 320 100 140 490 380 120 36 50 55 275 140 108 P320 34.3 M30 UCP 321 105 140 490 380 120 36 50 55 278 140 112 P321 36.6 M30 UCP 322 110 150 520 400 140 40 55 60 295 155 117 P322 42.5 M33 UCP 324 120 160 570 450 140 40 55 70 321 140 126 P324 53.5 M33 UCP 326 130 180 600 480 140 40 55 80 354 140 135 P326 72.1 M33 UCP 328 140 200 620 500 140 40 55 80 388 140 145 P328 89.1 M33

連座軸承UCP

連座軸承UCP 200形 直徑系列2   軸承型號 軸徑 (mm) 寸法(mm) 軸箱 型號 軸箱重量 (kgf) 螺母 型號 h a e b S1 S2 g w j Bi n UCP 201 12 30.2 127 95 38 13 19 15 62 42 31 12.7 P203 0.65 M10 UCP 202 15 30.2 127 95 38 13 19 15 62 42 31 12.7 P203 0.63 M10 UCP 203 17 30.2 127 95 38 13 19 15 62 42 31 12.7 P203 0.62 M10 UCP 204 20 33.3 127 95 38 13 19 15 65 42 31 12.7 P204 0.65 M10 UCP 205 25 36.5 140 105 38 13 19 16 70 42 34 14.3 P205 0.79 M10 UCP 206 30 42.9 165 121 48 17 21 18 83 54 38.1 15.9 P206 1.3 M14 UCP 207 35 47.6 167 127 48 17 21 19 94 54 42.9 17.5 P207 1.6 M14 UCP 208 40 49.2 184 137 54 17 23 19 100 52 49.2 19 P208 2.0 M14 UCP 209 45 54 190 146 54 17 23 20 108 60 49.2 19 P209 2.3 M14 UCP 210 50 57.2 206 159 60 20 25 22 114 65 51.6 19 P210 2.7 M16 UCP 211 55 63.5 219 171 60 20 25 22 126 70 55.6 22.2 P211 3.3 M16 UCP 212 60 69.8 241 184 70 20 25 25 138 70 65.1 25.4 P212 4.7 M16 UCP 213 65 76.2 265 203 70 25 29 27 150 77 65.1 25.4 P213 5.6 M20 UCP 214 70 79.4 266 210 72 25 31 27 156 83 74.6 30.2 P214 7.3 M20 UCP 215 75 82.6 275 217 74 25 31 28 163 85 77.8 33.3 P215 7.9 M20 UCP 216 80 88.9 292 232 78 25 31 30 175 91 82.6 33.3 P216 10.1 M20 UCP 217 85 95.2 310 247 83 25 31 32 187 96 85.7 34.1 P217 12.2 M20 UCP 218 90 101.6 327 262 88 27 33 34 200 100 96 39.7 P218 14.7 M22

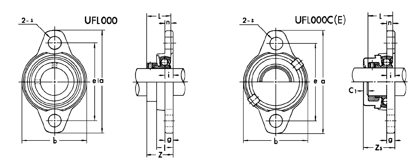
迷你型連座軸承UFL系列

迷你型連座軸承UFL系列   軸徑 軸承 型號 基      本      尺      寸 螺母 型號 基本荷重(kgf) a e i g l s b Z L n C1 Zs C Co 8 UFL 08 48 37 4.5 4 8.5 4.8 27 16 15 3.5 - - M4 340 170 10 UFL 000 60 45 5.5 5.5 11.5 7 36 19 17.5 4 2 22 M6 360 198 12 UFL 001 63 48 5.5 5.5 11.5 7 38 19 17.5 4 2 22 M6 400 229 15 UFL 002 67 53 6.5 6.5 13 7 42 20.5 18.5 4.5 2 24 M6 440 263 17 UFL 003 71 56 7 7 14 7 46 22.5 20.5 5 2 26 M6 470 297 20 UFL 004 90 71 8 8 16 10 55 26.5 24.5 6 3 31 M8 735 470 25 UFL 005 95 75 8 8 16 10 60 27.5 25.5 6 3 32 M8 790 530 30 UFL 006 112 85 9 9 18 13 70 29 26.5 6.5 4 34 M10 1040 740 35 UFL 007 122 95 10 10 20 13 80 32.5 29.5 7 4 38 M10 1250 915

迷你型連座軸承UP系列

迷你型連座軸承UP系列   軸徑 軸承 型號 基      本      尺      寸 螺母 型號 基本荷重(kgf) h a e b s g w L n C1 Zs C Co 8 UP 08 15 55 42 13 4.8 5 29 15 3.5 - - M4 340 170 10 UP 000 18 67 53 16 7 6 35 17.5 4 2 33 M6 360 198 12 UP 001 19 71 56 16 7 6 38 17.5 4 2 33 M6 400 229 15 UP 002 22 80 63 16 7 7 43 18.5 4.5 2 34 M6 440 263 17 UP 003 24 85 67 18 7 7 47 20.5 5 2 38 M6 470 297 20 UP 004 28 100 80 20 10 9 55 24.5 6 3 46 M8 735 470 25 UP 005 32 112 90 20 10 10 62 25.5 6 3 47 M8 790 530 30 UP 006 36 132 106 26 13 11 70 26.5 6.5 4 50 M10 1040 740

止推滾珠軸承5系列內徑

止推滾珠軸承5系列內徑 200~360mm 基本型號 主要寸法(mm) 基本定格荷重(kgf) 極限速率(rpm) 平面座形 調心座形 調心座金付 d D H Hi H1 r C Co 脂潤滑 油潤滑 51140 - - 200 250 37 - - 2 12800 54000 1000 1500 51240 53240 53240 U   280 62 65.3 74 3 25200 93500 710 1100 51340 53340 53340 U   340 110 118.4 130 5 47500 188000 480 710 51144 - - 220 270 37 - - 2 13200 58500 950 1400 51244 53244 53244 U   300 63 65.6 75 3 26000 102000 710 1000 51148 - - 240 300 45 - - 2.5 17500 77500 800 1200 51248 53248 53248 U   340 78 81.6 92 3.5 33500 140000 560 850 51152 - - 260 320 45 - - 2.5 18100 84000 800 1200 51252 53252 53252 U   360 79 82.8 93 3.5 34000 146000 560 800 51156 - - 280 350 53 - - 2.5 24900 111000 710 1000 51256 53256 53256 U   380 80 85 94 3.5 36000 165000 530 800 51160 - - 300 380 62 - - 3 28400 132000 600 900 51260 53260 53260 U   420 95 100.5 112 4 43000 204000 450 670 51164 - - 320 400 63 - - 3 29200 140000 600 900 51264 53264 53264 U   440 95 100.5 112 4 46500 226000 450 670 51168 - - 340 420 64 - - 3 29600 149000 560 850 51268 53268 53268 U   460 96 100.3 113 4 47000 236000 430 650 51172 - - 360 440 65 - - 3 30500 157000 560 800 51272 53272 53272 U   500 110 116.7 130 5 56000 295000 380 560

止推滾珠軸承5系列內徑

止推滾珠軸承5系列內徑 110~190mm 基本型號 主要寸法(mm) 基本定格荷重(kgf) 極限速率(rpm) 平面座形 調心座形 調心座金付 d D H Hi H1 r C Co 脂潤滑 油潤滑 51122 - - 110 145 25 - - 1.5 6850 23500 1600 2400 51222 53222 53222 U   160 38 40.2 45 2 10800 33500 1200 1900 51322 53322 53322 U   190 63 67.2 72 3 22300 63500 900 130 51422 53422 53422 U   230 95 99.7 109 4 32500 97500 630 950 51124 - - 120 155 25 - - 1.5 7100 26000 1600 2400 51224 53224 53224 U   170 39 40.8 46 2 11200 36500 1200 1800 51324 53324 53324 U   210 70 74.1 80 3.5 25900 78500 800 1200 51424 53424 53424 U   250 102 107.3 118 5 38000 118000 600 850 51126 - - 130 170 30 - - 1.5 8100 28700 1400 2000 51226 53226 53226 U   190 45 47.9 53 2.5 14600 46500 1100 1600 51326 53326 53326 U   225 75 80.3 86 3.5 27600 86500 750 1100 51426 53426 53426 U   270 110 115.2 128 5 41500 134000 530 800 51128 - - 140 180 31 - - 1.5 8300 31000 1300 2000 51228 53228 53228 U   200 46 48.6 55 2.5 14800 48500 1000 1500 51328 53328 53328 U   240 80 84.9 92 3.5 29300 95000 670 1000 51428 53428 53428 U   280 112 117 131 5 43500 148000 530 750 51130 - - 150 190 31 - - 1.5 8550 33000 1300 1900 51230 53230 53230 U   215 50 53.3 60 2.5 18900 62000 950 1400 51330 53330 53330 U   250 80 83.7 92 3.5 30500 101000 670 1000 51430 53430 53430 U   300 120 125.9 140 5 49000 170000 480 710 51132 - - 160 200 31 - - 1.5 8800 35000 1200 1900 51232 53232 53232 U   225 51 54.7 61 2.5 19800 68000 900 1300 51332 53332 53332 U   270 87 91.7 100 4 35500 124000 600 900 51432 53432 53432 U   320 130 135.3 150 6 51000 187000 450 670 51134 - - 170 215 34 - - 2 10500 42000 1100 1700 51234 53234 53234 U   240 55 58.7 66 2.5 22300 77000 850 1200 51334 53334 53334 U   280 87 91.3 100 4 37000 133000 600 900 51434 53434 53434 U   340 135 141 156 6 56500 210000 430 630 51136 - - 180 225 34 - - 2 10800 44500 1100 1700 51236 53236 53236 U   250 56 58.2 66 2.5 22600 80500 800 1200 51336 53336 53336 U   300 95 99.3 109 4 38000 142000 560 800 51436 53436 53436 U   360 140 148.3 164 6 59000 231000 400 600 51138 - - 190 240 37 - - 2 12700 52500 1000 1500 51238 53238 53238 U   270 62 65.7 73 3 25500 93500 750 1100 51338 53338 53338 U   320 105 111 121 5 43500 165000 500 750

止推滾珠軸承5系列內徑

止推滾珠軸承5系列內徑 55~100mm 基本型號 主要寸法(mm) 基本定格荷重(kgf) 極限速率(rpm) 平面座形 調心座形 調心座金付 d D H Hi H1 r C Co 脂潤滑 油潤滑 51111 - - 55 78 16 - - 1 2790 7850 2800 4300 51211 53211 53211 U   90 25 27.3 30 1.5 5550 13400 2100 3200 51311 53311 53311 U   105 35 39.3 42 2 9100 20600 1600 2400 51411 53411 53411 U   120 48 50.5 55 2.5 14300 29500 1300 1900 51112 - - 60 85 17 - - 1.5 3300 9500 2600 4000 51212 53212 53212 U   95 26 28 31 1.5 5700 14300 2000 3000 51312 53312 53312 U   110 35 38.3 42 2 9400 22200 1600 2400 51412 53412 53412 U   130 51 54 58 2.5 16000 33500 1200 1800 51113 - - 65 90 18 - - 1.5 3350 9900 2500 3800 51213 53213 53213 U   100 27 28.7 32 1.5 6000 15900 1900 2800 51313 53313 53313 U   115 36 39.4 43 2 9700 23800 1600 2300 51413 53413 53413 U   140 56 60.2 65 3 18400 41500 1100 1600 51114 - - 70 95 18 - - 1.5 3450 10700 2400 3600 51214 53214 53214 U   105 27 28.8 32 1.5 5900 15900 1900 2800 51314 53314 53314 U   125 40 44.2 48 2 10800 26400 1400 2000 51414 53414 53414 U   150 60 63.6 69 3 19900 46500 1000 1500 51115 - - 75 100 19 - - 1.5 3500 11100 2200 3400 51215 53215 53215 U   110 27 28.3 32 1.5 6200 17600 1800 2700 51315 53315 53315 U   135 44 48.1 52 2.5 12500 31000 1300 1900 51415 53415 53415 U   160 65 69 75 3 20100 47500 950 1400 51116 - - 80 105 19 - - 1.5 3550 11900 2200 3300 51216 53216 53216 U   115 28 29.5 32 1.5 6300 18500 1700 2600 51316 53316 53316 U   140 44 47.6 52 2.5 13000 33000 1200 1800 51416 53416 53416 U   170 68 72.2 78 3.5 21500 52500 900 1400 51117 - - 85 110 19 - - 1.5 3650 12700 2200 3200 51217 53217 53217 U   125 31 33.1 37 1.5 7650 22300 1600 2400 51317 53317 53317 U   150 49 53.1 58 2.5 16400 41500 1100 1700 51417 53417 53417 U   180 72 77 83 3.5 24400 63500 850 1300 51118 - - 90 120 22 - - 1.5 4800 16100 2000 3000 51218 53218 53218 U   135 35 38.5 42 2 9050 26200 1400 2200 51318 53318 53318 U   155 50 54.6 59 2.5 16900 44000 1100 1600 51418 53418 53418 U   190 77 81.2 88 3.5 26000 70000 800 1200 51120 - - 100 135 25 - - 1.5 6800 22600 1700 2600 51220 53220 53220 U   150 38 40.9 45 2 10700 31500 1300 1900 51320 53320 53320 U   170 55 59.2 64 2.5 18800 50500 1000 1500 51420 53420 53420 U   210 85 90 98 4 29300 83000 710 1100

止推滾珠軸承5系列

止推滾珠軸承5系列 內徑 10~50mm 基本型號 主要寸法(mm) 基本定格荷重(kgf) 極限速率(rpm) 平面座形 調心座形 調心座金付 d D H Hi H1 r C Co 脂潤滑 油潤滑 51100 - - 10 24 9 - - 0.5 795 1180 6700 10000 51200 53200 53200 U   26 11 11.6 13 1 1010 1440 6000 9000 51101 - - 12 26 9 - - 0.5 820 1300 6700 10000 51201 53201 53201 U   28 11 11.4 13 1 1050 1610 5600 8500 51102 - - 15 28 9 - - 0.5 835 1420 6300 9500 51202 53202 53202 U   32 12 13.3 15 1 1320 2100 5000 7500 51103 - - 17 30 9 - - 0.5 905 1650 6300 9500 51203 53203 53203 U   35 12 13.2 15 1 1360 2320 5000 7500 51104 - - 20 35 10 - - 0.5 1190 2250 5300 8000 51204 53204 53204 U   40 14 14.7 17 1 1770 3200 4000 6000 51105 - - 25 42 11 - - 1 1560 3150 4500 6700 51205 53205 53205 U   47 15 16.7 19 1 2210 4250 3800 5600 51305 53305 53305 U   52 18 19.8 22 1.5 2840 5200 3200 4800 51405 53405 53405 U   60 24 26.4 29 1.5 4400 7550 2600 4000 51106 - - 30 47 11 - - 1 1640 3550 4300 6500 51206 53206 53206 U   52 16 17.8 20 1 2340 4900 3400 5300 51306 53306 53306 U   60 21 22.6 25 1.5 3400 6650 2800 4200 51406 53406 53406 U   70 28 30.1 33 1.5 5800 10600 2200 3400 51107 - - 35 52 12 - - 1 1760 4200 4000 6000 51207 53207 53207 U   62 18 19.9 22 1.5 3100 6600 3000 4500 51307 53307 53307 U   68 24 25.6 28 1.5 4400 8850 2500 3700 51407 53407 53407 U   80 32 34 37 2 6900 13100 2000 3000 51108 - - 40 60 13 - - 1 2160 5300 3600 5300 51208 53208 53208 U   68 19 20.3 23 1.5 3750 8300 2800 4200 51308 53308 53308 U   78 26 28.5 31 1.5 5500 11400 2200 3300 51408 53408 53408 U   90 36 38.2 42 2 8150 15900 1700 2600 51109 - - 45 65 14 - - 1 2240 5850 3400 5000 51209 53209 53209 U   73 20 21.3 24 1.5 3850 8850 2600 4000 51309 53309 53309 U   85 28 30.1 33 1.5 6350 13800 2000 3000 51409 53409 53409 U   100 39 42.4 46 2 10100 20800 1600 2400 51110 - - 50 70 14 - - 1 2310 6350 3200 4800 51210 53210 53210 U   78 22 23.5 26 1.5 3900 9400 2400 3600 51310 53310 53310 U   95 31 34.3 37 2 7700 17000 1800 2800 51410 53410 53410 U   110 43 45.6 50 2.5 11600 24400 1400 2200

雙列滾珠軸承內徑

雙列滾珠軸承內徑 10~75 mm   基  本  型  號 基  本  尺  寸 基本定格荷重(kgf) 極限速率(rpm) d D B r C C0 脂潤滑 油潤滑 5200 10 30 14.3 1 545 345 14000 19000 5201 12 32 15.9 1 715 465 13000 17000 5202 15 35 15.9 1 785 535 11000 15000 5302   42 19 1.5 1130 775 9900 13000 5203 17 40 17.5 1 1000 700 9900 13000 5303   47 22.2 1.5 1000 1160 9000 12000 5204 20 47 20.6 1.5 1540 1170 8800 12000 5304   52 22.2 2 1930 1450 8000 11000 5205 25 52 20.6 1.5 1670 1330 7300 9800 5305   62 25.4 2 2560 1980 6700 8900 5206 30 62 23.8 1.5 2320 1920 6300 8400 5306   72 30.2 2 3200 2630 5700 7600 5207 35 72 27 2 3000 2620 5500 7400 5307   80 34.9 2.5 4050 3400 5000 6600 5208 40 80 30.2 2 3450 3000 4900 6600 5308   90 36.5 2.5 4950 4250 4400 5900 5209 45 85 30.2 2 3900 3450 4400 5900 5309   100 39.7 2.5 5850 5150 4000 5300 5210 50 90 30.2 2 4150 3850 4000 5300 5310   110 44.4 3 7450 6750 3600 4800 5211 55 100 33.3 2.5 5150 4900 3600 4900 5311   120 49.2 3 8600 7950 3300 4400 5212 60 110 36.5 2.5 6200 6000 3400 4500 5312   130 54 3.5 9800 9150 3000 4000 5213 65 120 38.1 2.5 6750 6650 3100 4200 5214 70 125 39.7 2.5 7350 7300 2900 3900 5215 75 130 41.3 2.5 7750 8050 2700 3600

雙列滾珠軸承內徑

雙列滾珠軸承內徑 10~60 mm   基  本  型  號 基  本  尺  寸 基本定格荷重(kgf) 極限速率(rpm) d D B r C C0 脂潤滑 油潤滑 3200 10 30 14.3 0.6 7200 4500 16000 22000 3201 12 32 15.9 0.6 8150 5500 15000 20000 3202 15 35 15.9 0.6 8150 5500 13000 18000 3302   42 19 1 13700 9150 10000 15000 3203 17 40 17.5 0.6 11400 8000 10000 15000 3303   47 22.2 1 19000 12700 9500 14000 3204 20 47 20.6 1 15600 10800 9000 13000 3304   52 22.2 1.1 19000 13700 8500 12000 3205 25 52 20.6 1 17000 13400 8000 11000 3305   62 25.4 1.1 26000 19600 7500 10000 3206 30 62 23.8 1 24500 20000 7000 9500 3306   72 30.2 1.1 34500 27000 6300 8500 3207 35 72 27 1.1 33500 27500 6000 8000 3307   80 34.9 1.5 44000 35500 5600 7500 3208 40 80 30.2 1.1 38000 32000 5600 7500 3308   90 36.5 1.5 54000 45000 5000 6700 3209 45 85 30.2 1.1 40500 36500 5000 6700 3309   100 39.7 1.5 65500 55000 4500 6000 3210 50 90 30.2 1.1 46500 42500 4800 6300 3310   110 44.4 2 80000 72000 4000 5300 3211 55 100 33.3 1.5 52000 48000 4300 5600 3311   120 49.2 2 86500 78000 3600 4800 3212 60 110 36.5 1.5 64000 62000 3800 5000 3312   130 54 2.1 100000 95000 3400 4500

圓錐形滾子軸承HR系列內徑

圓錐形滾子軸承HR系列內徑 190~260mm   基本型號 主要寸法(mm) 基本定格荷重(kgf) 極限速率(rpm) d D T B b r r1 C Co 脂潤滑 油潤滑 32938 190 260 45 42 36 3 1 29100 40000 1200 1600 HR32038XJ   290 64 64 48 3.5 1.2 56500 73500 1100 1500 32038   290 64 60 52 3.5 1.2 48000 60500 1100 1500 30238   340 60 55 46 5 2 50500 50500 1000 1400 32238   340 97 92 75 5 2 85000 99500 1000 1400 30338   400 86 78 65 6 2.5 88500 87500 900 1200 32338   400 140 132 109 6 2.5 144000 168000 900 1200 32940 200 280 51 48 41 3.5 1.2 35500 48500 1100 1500 HR32040XJ   310 70 70 53 3.5 1.2 66000 86000 1000 1400 32040   310 70 66 56 3.5 1.2 56000 71500 1000 1400 30240   360 64 58 48 5 2 56000 57000 950 1300 32240   360 104 98 82 5 2 94500 112000 950 1300 30340   420 89 80 67 6 2.5 89500 90500 850 1100 32340   420 146 138 115 6 2.5 158000 186000 850 1100 32944 220 300 51 48 41 3.5 1.2 37000 53000 1000 1400 HR32044XJ   340 76 76 57 4 1.5 77000 102000 950 1300 32044   340 76 72 62 4 1.5 62500 80000 950 1300 30244   400 72 65 54 5 2 70500 73500 850 1100 32244   400 114 108 90 5 2 117000 141000 850 1100 30344   460 97 88 73 6 2.5 113000 115000 750 1000 32344   460 154 145 122 6 2.5 176000 207000 750 1000 32948 240 320 51 48 41 3.5 1.2 38000 56000 950 1300 HR32048XJ   360 76 76 57 4 1.5 80000 109000 850 1200 32048   360 76 72 62 4 1.5 69000 90000 850 1200 30248   440 79 72 60 5 2 86000 89500 750 1000 32248   440 127 120 100 5 2 142000 175000 750 1000 30348   500 105 95 80 6 2.5 130000 133000 670 950 32348   500 165 155 132 6 2.5 219000 266000 670 950 32952 260 360 63.5 60 52 3.5 1.2 55000 78500 850 1100 HR32052XJ   400 87 87 65 5 2 101000 136000 800 1100 32052   400 87 82 71 5 2 98500 128000 800 1100 30252   480 89 80 67 6 2.5 103000 109000 670 950 32252   480 137 130 106 6 2.5 166000 211000 670 950

圓錐形滾子軸承HR系列內徑

圓錐形滾子軸承HR系列內徑 150~180mm   基本型號 主要寸法(mm) 基本定格荷重(kgf) 極限速率(rpm) d D T B b r r1 C Co 脂潤滑 油潤滑 32930 150 210 38 36 31 3 1 21300 27100 1500 2000 HR32030XJ   225 48 48 36 3.5 1.2 32500 41000 1500 2000 32030   225 48 45 38 3.5 1.2 29500 35000 1500 2000 HR30230J   270 49 45 38 4 1.5 37000 36500 1300 1700 30230   270 49 45 38 4 1.5 37500 36500 1300 1700 32230   270 77 73 60 4 1.5 52000 57500 1300 1700 30330   320 72 65 55 5 2 60000 56500 1100 1500 32330   320 114 108 90 5 2 97500 111000 1100 1500 32932 160 220 38 36 31 3 1 21600 28000 1400 1900 HR32032XJ   240 51 51 38 3.5 1.2 37000 47000 1400 1800 32032   240 51 48 41 3.5 1.2 33000 40000 1400 1800 HR30232J   290 52 48 40 4 1.5 42500 42000 1200 1600 30232   290 52 48 40 4 1.5 41000 39500 1200 1600 32232   290 84 80 67 4 1.5 63000 71500 1200 1600 30332   340 75 68 58 5 2 66500 63000 1100 1400 32332   340 121 114 95 5 2 105000 116000 1100 1400 32934 170 230 38 36 31 3 1 22300 29700 1400 1800 HR32034XJ   260 57 57 43 3.5 1.2 44000 56000 1300 1700 32034   260 57 54 46 3.5 1.2 41000 51500 1300 1700 30234   310 57 52 43 5 2 46000 44500 1100 1500 32234   310 91 86 71 5 2 73000 84500 1100 1500 30334   360 80 72 62 5 2 73500 70500 1000 1400 32334   360 127 120 100 5 2 119000 134000 1000 1400 32936 180 250 45 42 36 3 1 26800 35000 1300 1700 HR32036XJ   280 64 64 48 3.5 1.2 55500 71000 1200 1600 32036   280 64 60 52 3.5 1.2 47000 58000 1200 1600 30236   320 57 52 43 5 2 46000 44500 1100 1400 32236   320 91 86 71 5 2 76500 88500 1100 1400 30336   380 83 75 64 5 2 81500 80500 950 1300 32336   380 134 126 106 5 2 132000 150000 950 1300

圓錐形滾子軸承HR系列內徑

圓錐形滾子軸承HR系列內徑 110~140mm   基本型號 主要寸法(mm) 基本定格荷重(kgf) 極限速率(rpm) d D T B b r r1 C Co 脂潤滑 油潤滑 HR32022XJ 110 170 38 38 29 3 1 20400 24300 1900 2600 HR30222J   200 41 38 32 3.5 1.2 28900 28200 1800 2400 30222   200 41 38 32 3.5 1.2 24100 22400 1800 2400 HR32222J   200 56 53 46 3.5 1.2 34500 36500 1800 2400 32222   200 56 53 46 3.5 1.2 32500 33000 1800 2400 HR30322J   240 54.5 50 42 4 1.5 42000 39000 1600 2200 30322   240 54.5 50 42 4 1.5 35500 31500 1600 2200 HR32322J   240 84.5 80 65 4 1.5 58500 60000 1600 2200 32322   240 84.5 80 65 4 1.5 54000 54500 1600 2200 32924 120 165 29 27 23 2 0.8 12000 15400 1900 2600 HR32024XJ   180 38 38 29 3 1 20900 26100 1800 2400 32024   180 38 36 31 3 1 18600 21700 1800 2400 HR30224J   215 43.5 40 34 3.5 1.2 29200 29000 1600 2200 30224   215 43.5 40 34 3.5 1.2 27300 25800 1600 2200 HR32224J   215 61.5 58 50 3.5 1.2 38000 41000 1600 2200 32224   215 61.5 58 50 3.5 1.2 36500 38000 1600 2200 HR30324J   260 59.5 55 46 4 1.5 46500 43500 1400 2000 30324   260 59.5 55 46 4 1.5 41500 37500 1400 2000 HR32324J   260 90.5 86 69 4 1.5 67000 69500 1400 2000 32324   260 90.5 86 69 4 1.5 61000 61500 1400 2000 32926 130 180 32 30 26 2.5 0.8 14600 17600 1800 2400 HR32026XJ   200 45 45 34 3 1 27900 34000 1700 2200 32026   200 45 42 36 3 1 23200 27700 1700 2200 HR30226J   230 43.75 40 34 4 1.5 30500 29700 1500 2000 30226   230 43.75 40 34 4 1.5 28900 28000 1500 2000 HR32226J   230 67.75 64 54 4 1.5 46000 51000 1500 2000 32226   230 67.75 64 54 4 1.5 43500 47500 1500 2000 30326   280 63.75 58 49 5 2 47500 44000 1300 1800 32326   280 98.75 93 78 5 2 72000 75500 1300 1800 32928 140 190 32 30 26 2.5 0.8 15100 18700 1700 2200 HR32028XJ   210 45 45 34 3 1 28400 35000 1600 2200 32028   210 45 42 36 3 1 24000 29200 1600 2200 HR30228J   250 45.75 42 36 4 1.5 34000 33000 1400 1900 30228   250 45.75 42 36 4 1.5 32000 31000 1400 1900 HR32228J   250 71.75 68 58 4 1.5 53000 59000 1400 1900 32228   250 71.75 68 58 4 1.5 48000 53500 1400 1900 30328   300 67.75 62 53 5 2 52500 48500 1200 1700 32328   300 107.75 102 85 5 2 86000 94000 1200 1700

圓錐形滾子軸承HR系列內徑

圓錐形滾子軸承HR系列內徑 90~105mm   基本型號 主要寸法(mm) 基本定格荷重(kgf) 極限速率(rpm) d D T B b r r1 C Co 脂潤滑 油潤滑 HR32018XJ 90 140 32 32 24 2.5 0.8 14800 17300 2400 3200 HR30218J   160 32.5 30 26 3 1 17500 16200 2200 3000 HR32218J   160 42.5 40 34 3 1 22300 22200 2200 3000 HR30318J   190 46.5 43 36 4 1.5 29400 26900 2000 2600 30318   190 46.5 43 36 4 1.5 26700 23700 2000 2600 HR30318DJ   190 46.5 43 30 4 1.5 24200 21700 1800 2400 30318DX   190 46.5 43 30 4 1.5 21800 18800 1800 2400 HR32318J   190 67.5 64 53 4 1.5 39000 39000 2000 2600 32318   190 67.5 64 53 4 1.5 35000 34000 2000 2600 HR32019XJ 95 145 32 32 24 2.5 0.8 15100 17900 2200 3200 HR30219J   170 34.5 32 27 3.5 1.2 19400 18100 2100 2800 HR32219J   170 45.5 43 37 3.5 1.2 25200 25400 2000 2800 HR30319J   200 49.5 45 38 4 1.5 32500 30000 1900 2600 30319   200 49.5 45 38 4 1.5 29400 26300 1900 2600 HR30319DJ   200 49.5 45 32 4 1.5 26800 24500 1700 2400 HR32319J   200 71.5 67 55 4 1.5 43000 43000 1900 2600 32319   200 71.5 67 55 4 1.5 40000 39500 1900 2600 HR32020XJ 100 150 32 32 24 2.5 0.8 15400 18500 2200 3000 HR30220J   180 37 34 29 3.5 1.2 22200 21100 2000 2700 30220   180 37 34 29 3.5 1.2 20000 18100 2000 2700 HR32220J   180 49 46 39 3.5 1.2 28200 28800 2000 2600 32220   180 49 46 39 3.5 1.2 25000 24500 2000 2600 HR30320J   215 51.5 47 39 4 1.5 35500 33000 1700 2400 30320   215 51.5 47 39 4 1.5 32000 28600 1700 2400 HR32320J   215 77.5 73 60 4 1.5 49000 50000 1700 2400 32320   215 77.5 73 60 4 1.5 44000 43500 1700 2400 HR32021XJ 105 160 35 35 26 3 1 17800 21400 2000 2800 HR30221J   190 39 36 30 3.5 1.2 24400 23700 1900 2600 30221   190 39 36 30 3.5 1.2 22200 20200 1900 2600 HR32221J   190 53 50 43 3.5 1.2 31500 33000 1900 2600 32221   190 53 50 43 3.5 1.2 29500 29400 1900 2600 HR30321J   225 53.5 49 41 4 1.5 38500 35500 1700 2200 30321   225 53.5 49 41 4 1.5 34500 31000 1700 2200 HR32321J   225 81.5 77 63 4 1.5 53500 55000 1700 2200 32321   225 81.5 77 63 4 1.5 51000 51500 1700 2200

圓錐形滾子軸承HR系列內徑

圓錐形滾子軸承HR系列內徑 65~85mm   基本型號 主要寸法(mm) 基本定格荷重(kgf) 極限速率(rpm) d D T B b r r1 C Co 脂潤滑 油潤滑 HR32013XJ 65 100 23 23 17.5 2 0.8 7550 8350 3400 4500 HR30213J   120 24.75 23 20 2.5 0.8 10500 9550 3000 4000 HR32213J   120 32.75 31 27 2.5 0.8 13500 12900 3000 4000 HR30313J   140 36 33 28 3.5 1.2 17400 15100 2600 3600 HR30313DJ   140 36 33 23 3.5 1.2 15400 13500 2400 3400 HR32313J   140 51 48 39 3.5 1.2 23300 22300 2600 3600 HR32014XJ 70 110 25 25 19 2 0.8 9150 10000 3200 4300 HR30214J   125 26.25 24 21 2.5 0.8 11300 10400 3000 4000 HR32214J   125 33.25 31 27 2.5 0.8 13600 13000 2800 3800 HR30314J   150 38 35 30 3.5 1.2 19800 17400 2400 3400 HR30314DJ   150 38 35 25 3.5 1.2 17300 15300 2200 3100 HR32314J   150 54 51 42 3.5 1.2 26200 25300 2400 3400 HR32015XJ 75 115 25 25 19 2 0.8 9550 10800 3000 4000 HR30215J   130 27.25 25 22 2.5 0.8 12300 11500 2800 3800 HR32215J   130 33.25 31 27 2.5 0.8 14200 13900 2600 3600 HR30315J   160 40 37 31 3.5 1.2 22000 19500 2400 3200 HR30315DJ   160 40 37 26 3.5 1.2 19000 16800 2000 2900 HR32315J   160 58 55 45 3.5 1.2 29900 29500 2400 3200 HR32016XJ 80 125 29 29 22 2 0.8 12300 14100 2800 3600 HR30216J   140 28.25 26 22 3 1 13500 12400 2600 3400 HR32216J   140 35.25 33 28 3 1 16600 16200 2500 3400 HR30316J   170 42.5 39 33 3.5 1.2 24100 21200 2200 3000 HR30316DJ   170 42.5 39 27 3.5 1.2 20700 18600 2000 2800 HR32316J   170 61.5 58 48 3.5 1.2 33500 32500 2200 3000 HR32017XJ 85 130 29 29 22 2 0.8 12500 14600 2600 3400 HR30217J   150 30.5 28 24 3 1 15800 14800 2400 3200 HR32217J   150 38.5 36 30 3 1 18300 17600 2400 3200 HR30317J   180 44.5 41 34 4 1.5 27000 24600 2000 2800 30317   180 44.5 41 34 4 1.5 22800 19800 2000 2800 HR30317DJ   180 44.5 41 28 4 1.5 22700 20500 1900 2600 30317DX   180 44.5 41 28 4 1.5 21000 18200 1900 2600 HR32317J   180 63.5 60 49 4 1.5 35500 35500 2000 2800 32317   180 63.5 60 49 4 1.5 31500 30000 2000 2800

圓錐形滾子軸承HR系列內徑

圓錐形滾子軸承HR系列內徑 35~60mm   基本型號 主要寸法(mm) 基本定格荷重(kgf) 極限速率(rpm) d D T B b r r1 C Co 脂潤滑 油潤滑 HR32007XJ 35 62 18 18 14 1.5 0.5 3800 3550 6000 8000 HR30207J   72 18.25 17 15 2 0.8 4750 3900 5300 7100 HR32207J   72 24.25 23 19 2 0.8 6150 5500 5300 7100 HR30307J   80 22.75 21 18 2.5 0.8 6650 5300 5000 6700 HR30307DJ   80 22.75 21 15 2.5 0.8 5800 4850 4300 6000 HR32307J   80 32.75 31 25 2.5 0.8 8650 7450 5000 6700 HR32008XJ 40 68 19 19 14.5 1.5 0.5 4600 4550 5300 7100 HR30208J   80 19.75 18 16 2 0.8 5550 4600 4800 6300 HR32208J   80 24.75 23 19 2 0.8 6750 5950 4800 6300 HR30308J   90 25.25 23 20 2.5 0.8 7950 6700 4300 6000 HR30308DJ   90 25.25 23 17 2.5 0.8 7050 5900 3800 5300 HR32308J   90 35.25 33 27 2.5 0.8 10500 9650 4300 6000 HR32009XJ 45 75 20 20 15.5 1.5 0.5 5300 5300 4800 6300 HR30209J   85 20.75 19 16 2 0.8 6100 5300 4300 6000 HR32209J   85 24.75 23 19 2 0.8 7500 6900 4300 6000 HR30309J   100 27.25 25 22 2.5 0.8 9600 8200 4000 5300 HR30309DJ   100 27.25 25 18 2.5 0.8 8450 7200 3400 4800 HR32309J   100 38.25 36 30 2.5 0.8 12400 11500 4000 5300 HR32010XJ 50 80 20 20 15.5 1.5 0.5 5350 5550 4300 6000 HR30210J   90 21.75 20 17 2 0.8 6700 5950 4000 5400 HR32210J   90 24.75 23 19 2 0.8 7650 7100 4000 5400 HR30310J   110 29.25 27 23 3 1 11200 9650 3600 4800 HR30310DJ   110 29.25 27 19 3 1 10000 8600 3200 4300 HR32310J   110 42.25 40 33 3 1 15200 14300 3600 4800 HR32011XJ 55 90 23 23 17.5 2 0.8 7100 7450 4000 5300 HR30211J   100 22.75 21 18 2.5 0.8 8300 7400 3600 5000 HR32211J   100 26.75 25 21 2.5 0.8 9600 8950 3600 5000 HR30311J   120 31.5 29 25 3 1 12900 11100 3200 4300 HR30311DJ   120 31.5 29 21 3 1 11400 9900 2800 4000 HR32311J   120 45.5 43 35 3 1 17600 16800 3200 4300 HR32012XJ 60 95 23 23 17.5 2 0.8 7450 8050 3600 5000 HR30212J   110 23.75 22 19 2.5 0.8 9050 8000 3400 4500 HR32212J   110 29.75 28 24 2.5 0.8 11500 10800 3400 4500 HR30312J   130 33.5 31 26 3.5 1.2 15100 13300 3000 4000 HR30312DJ   130 33.5 31 22 3.5 1.2 13200 11300 2600 3600 HR32312J   130 48.5 46 37 3.5 1.2 20300 19200 3000 4000

圓錐形滾子軸承HR系列內徑

圓錐形滾子軸承HR系列內徑 15~32mm   基本型號 主要寸法(mm) 基本定格荷重(kgf) 極限速率(rpm) d D T B b r r1 C Co 脂潤滑 油潤滑 30202 15 35 11.75 11 10 1 0.3 1320 910 11000 15000 HR30302J   42 14.25 13 11 1.5 0.5 2070 1450 10000 13000 HR30203J 17 40 13.25 12 11 1.5 0.5 1790 1350 10000 13000 HR32203   40 17.25 16 14 1.5 0.5 1890 1730 10000 13000 HR30303J   47 15.25 14 12 1.5 0.5 2570 1840 9000 12000 HR32004XJ 20 42 15 15 12 1 0.3 2180 1820 9000 12000 HR30204J   47 15.25 14 12 1.5 0.5 2460 1900 8500 11000 HR32204   47 19.25 18 15 1.5 0.5 2620 2460 8500 11000 HR30304J   52 16.25 15 13 2 0.8 3150 2340 8000 11000 HR32304J   52 22.25 21 18 2 0.8 4000 3200 8000 11000 HR320/22XJ 22 44 15 15 11.5 1 0.3 2260 1940 8500 11000 HR302/22   50 15.25 14 12 1.5 0.5 2640 2110 8000 10000 HR322/22   50 19.25 18 15 1.5 0.5 3200 2730 8000 10000 HR303/22   56 17.25 16 14 2 0.8 3600 2690 7100 9500 HR32005XJ 25 47 15 15 11.5 1 0.3 2430 2170 8000 11000 HR30205J   52 16.25 15 13 1.5 0.5 2830 2300 7500 10000 HR32205   52 19.25 18 15 1.5 0.5 3350 2870 7500 9500 HR30305J   62 18.25 17 15 2 0.8 4200 3150 6300 8700 30305D   62 18.25 17 13 2 0.8 2720 2030 5600 8000 HR32305J   62 25.25 24 20 2 0.8 5500 4500 6300 8700 HR320/28XJ 28 52 16 16 12 1.5 0.5 2840 2550 7100 9500 HR302/28   58 17.25 16 14 1.5 0.5 3550 2820 6300 8500 HR322/28   58 20.25 19 16 1.5 0.5 4150 3550 6300 8500 HR303/28   68 19.75 18 15 2 0.8 4950 3850 5800 8000 HR32006XJ 30 55 17 17 13 1.5 0.5 3200 2880 6700 9000 HR30206J   62 17.25 16 14 1.5 0.5 3850 3200 6100 8500 HR32206J   62 21.25 20 17 1.5 0.5 4550 3950 6100 8500 HR30306J   72 20.75 19 16 2 0.8 5200 4050 5600 7500 30306D   72 20.75 19 14 2 0.8 3600 2740 5000 6900 HR32306J   72 28.75 27 23 2 0.8 7000 5950 5600 7500 HR320/32XJ 32 58 17 17 13 1.5 0.5 3250 3050 6300 8500 HR302/32   65 18.25 17 15 1.5 0.5 4250 3550 5600 7500 HR322/32   65 22.25 21 18 1.5 0.5 4900 4300 5600 7500 HR303/32   75 21.75 20 17 2 0.8 5700 4650 5300 7100

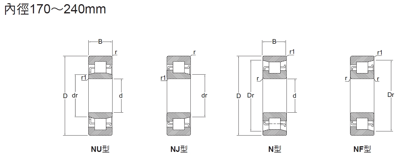
圓筒滾珠軸承NU系列內徑170~240mm

圓筒滾珠軸承NU系列內徑170~240mm 基本型號 主要寸法(mm) 基本定格荷重(kgf) 極限速率(rpm) NU形 NJ形N形NF形 d D B r r1 dr Dr C Co 脂潤滑 油潤滑 NU1034 -  -  - 170 260 42 3.5 3.5 193 - 26600 26300 2400 2800 NU  234 NJ   N   NF   310 52 5 5 208 272 44000 41000 2000 2400 NU  234EM NJ   -  -   310 52 5 5 207 - 56000 52000 1800 2200 NU2234 NJ   -  -   310 86 5 5 208 - 66500 69000 1800 2200 NU2234EM NJ   -  -   310 86 5 5 205 - 89500 92000 1800 2200 NU  334 NJ   N   NF   360 72 5 5 220 310 74000 66500 1600 1900 NU2334 NJ   -  -   360 120 5 5 220 - 113000 115000 1400 1800 NU1036 -  -  - 180 280 46 3.5 3.5 205 - 32500 32500 2200 2600 NU  236 NJ   N   NF   320 52 5 5 218 282 46000 43500 1900 2200 NU  236EM NJ   -  -   320 52 5 5 217 - 58000 55000 1700 2000 NU2236 NJ   -  -   320 86 5 5 218 - 69000 73000 1700 2000 NU2236EM NJ   -  -   320 86 5 5 215 - 93000 98000 1700 2000 NU  336 NJ   N   NF   380 75 5 5 232 328 83500 76000 1500 1800 NU2336 NJ   -  -   380 126 5 5 232 - 128000 131000 1300 1700 NU1038 -  -  - 190 290 46 3.5 3.5 215 - 33500 34000 2000 2600 NU  238 NJ   N   NF   340 55 5 5 231 299 51500 49000 1800 2200 NU  238EM NJ   -  -   340 55 5 5 230 - 64500 61500 1600 1900 NU2238 NJ   -  -   340 92 5 5 231 - 77000 82500 1600 2000 NU2238EM NJ   -  -   340 92 5 5 228 - 102000 108000 1600 1900 NU  338 NJ   N   NF   400 78 6 6 245 345 90500 82500 1400 1700 NU2338 NJ   -  -   400 132 6 6 245 - 141000 146000 1300 1600 NU1040 -  -  - 200 310 51 3.5 3.5 229 - 36000 36500 2000 2400 NU  240 NJ   N   NF   360 58 5 5 244 316 57500 55500 1700 2000 NU  240EM NJ   -  -   360 58 5 5 243 - 71000 68500 1500 1800 NU2240 NJ   -  -   360 98 5 5 244 - 85500 92500 1500 1900 NU2240EM NJ   -  -   360 98 5 5 241 - 114000 121000 1500 1800 NU  340 NJ   N   NF   420 80 6 6 260 360 90500 83000 1300 1600 NU2340 NJ   -  -   420 138 6 6 260 - 141000 146000 1200 1500 NU1044 -  -  - 220 340 56 4 4 250 - 46500 47500 1800 2200 NU  244 NJ   N   NF   400 65 5 5 270 350 70500 69000 1500 1800 NU2244 NJ   -  -   400 108 5 5 270 - 105000 116000 1400 1700 NU  344 NJ   N   NF   460 88 6 6 284 396 111000 103000 1200 1500 NU1048 -  -  - 240 360 56 4 4 270 - 49000 51500 1600 2000 NU  248 NJ   N   NF   440 72 5 5 295 385 87000 86000 1300 1600 NU2248 NJ   -  -   440 120 5 5 295 - 133000 149000 1200 1500 NU  348 NJ   N   NF   500 95 6 6 310 430 126000 119000 1100 1300