中華黃頁網路電話簿
螺桿支撐座BF系列支持端

螺桿支撐座BF系列支持端 Simple Support Side   型號 軸徑 D1   A   B   C ±0.02 E   H1 ±0.02 h   H BF-10 8 60 46 34 30 32.5 22 39 BF-12 10 60 46 35 30 32.5 25 43 BF-15 15 70 54 40 35 38 28 48 BF-17 17 86 68 50 43 55 39 64 BF-20 20 88 70 52 44 50 34 60 BF-25 25 106 85 64 53 70 48 80 BF-30 30 128 102 76 64 78 51 89 BF-35 35 140 114 88 70 79 52 96 BF-40 40 160 130 100 80 90 60 110 表面處理:BF型染黑 BF-N型無電解鎳   軸端加工尺寸 Dimension of Shaft End 型號 BF型 適用軸桿外徑 D   D1   E BF-10 φ12、φ14、φ15 8 10 BF-12 φ14、φ15、φ16 10 11 BF-15 φ18、φ20 15 13 BF-17 φ20、φ25 17 16 BF-20 φ25、φ28 20 16 BF-25 φ32、φ36 25 20 BF-30 φ36、φ40 30 21 BF-35 φ40、φ45、φ50 35 22 BF-40 φ50、φ55 40 23 編號 名稱 個數 1 軸承座 1 2 軸承 1 3 C型扣環 1 單位:MM    L   N   P   X   Y   Z   C型扣環   軸承型號 20 15 5.5 6.6 11 5 C 8 608ZZ 20 18 5.5 6.6 11 1.5 C10 6000ZZ 20 18 5.5 6.6 11 6.5 C15 6002ZZ 23 28 6.6 9 14 8.5 C17 6203ZZ 26 22 6.6 9 14 8.5 C20 6004ZZ 30 33 9 11 17.5 11 C25 6205ZZ 32 33 11 14 20 13 C30 6206ZZ 32 35 11 14 20 13 C35 6207ZZ 37 37 14 18 26 17.5 C40 6208ZZ 軸徑尺寸容許差   尺寸區分(mm) h unit 0.001 以上 以下 h  6  10 -  2 -15 10 14 -  3 -18 14 18 18 24 -  3 -21 24 30 30 40 -  4 -25 40 50 C型扣環 型號 BF型 A B C 7.6 0.9 7.9 BF-10 9.6 1.15 9.15 BF-12 14.3 1.15 10.15 BF-15 16.2 1.15 13.15 BF-17 19.0 1.35 13.35 BF-20 23.9 1.35 16.35 BF-25 28.6 1.75 17.75 BF-30 33.0 1.75 18.75 BF-35 38.0 1.95 19.95 BF-40

螺桿支撐座BKEU系列固定端經濟型(固定側緩衝型)

螺桿支撐座BKEU系列固定端經濟型(固定側緩衝型) Fixed Support Side Economy Type (Urethane Damper Type)   型號 軸徑 D1   A   B   C   C1   C2 ±0.02 E   H1 ±0.02 h   H BKEU-10 10 60 46 34 13 6.5 30 32.5 22 39 BKEU-12 12 60 46 35 13 6.5 30 32.5 25 43 BKEU-15 15 70 54 40 15 7.5 35 38 28 48 BKEU-20 20 88 70 52 19 10.5 44 50 34 60 軸端加工尺寸 Dimension of Shaft End  型號 BKEU型  適用軸桿外徑 D   D1   B   E   F   M   S BKEU-10 φ12、φ14、φ15 10 8 39 15 M10×1 16 BKEU-12 φ14、φ15、φ16、φ18 12 10 39 15 M12×1 14 BKEU-15 φ18、φ20 15 12 40 20 M15×1 12 BKEU-20 φ25、φ28 20 16 53 25 M20×1 15 編號 名稱 個數 1 軸承座 1 2 軸承 1 SET 3 壓蓋 1 4 間隔環 2 5 油封 2 6 固定螺帽 1 7 防鬆小螺栓(附銅墊片) 1 單位:MM    L   L1   L2   L3   T   M   X   Y   Z 緩衝器尺寸   軸承型號 a b t e 26 8 29 5 16 M3 6.6 11 5 35 12 10 5 7000ATYDFC8P5 26 8 29 5 19 M3 6.6 11 1.5 35 12 10 6.5 7001ATYDFC8P5 30 8 32 6 22 M3 6.6 11 6.5 44 16 10 11.5 7002ATYDFC8P5 40 11 43 8 30 M4 9 14 8.5 44 16 10 16.5 7004ATYDFC8P5 軸徑尺寸容許差   尺寸區分(mm) h unit 0.001 以上 以下 h  6  10 -  2 -15 10 14   -  3 -18 14 18  18  24 -  3 -21   J   G   H   倒角   圓角半徑 H1 鍵槽(寬×深×長)   H2   型號 BKEU型 C1 C2 C3 R1 R2MAX N P R P 10 5 7 0.5 0.5 0.5 0.3 0.6 2×1.2 11 7.5 11 BKEU-10 13 6 8 0.5 0.5 0.5 0.3 0.6 3×1.8 12 9.5 12 BKEU-12 16 6 9 0.5 0.5 0.5 0.3 0.6 4×2.5 16 11.3 16 BKEU-15 21 8 11 0.5 0.5 0.5 0.5 0.6 5×3.0 21 16 21 BKEU-20  

螺桿支撐座BKU系列固定端(固定側緩衝型)

螺桿支撐座BKU系列固定端(固定側緩衝型)   型號 軸徑 D1   A   B   C ±0.02 E   H1 ±0.02 h   C2   C1   H BKU-10 10 60 46 34 30 32.5 22 6 13 39 BKU-12 12 60 46 35 30 32.5 25 6 13 43 BKU-15 15 70 54 40 35 38 28 6 15 48 BKU-17 17 86 68 50 43 55 39 8 19 64 BKU-20 20 88 70 52 44 50 34 8 19 60 BKU-25 25 106 85 64 53 70 48 10 22 80 軸端加工尺寸 Dimension of Shaft End   型號 BKU型   適用軸桿外徑 D   D1   B   E   F   M BKU-10 φ12、φ14、φ15 10 8 39 15 M10×1 BKU-12 φ14、φ15、φ16、φ18 12 10 39 15 M12×1 BKU-15 φ18、φ20 15 12 40 20 M15×1 BKU-17 φ20、φ25 17 15 53 23 M17×1 BKU-20 φ25、φ28 20 17 53 25 M20×1 BKU-25 φ32、φ36 25 20 65 30 M25×1.5 編號 名稱 個數 1 軸承座 1 2 軸承 1 SET 3 壓蓋 1 4 間隔環 2 5 油封 2 6 固定螺帽 1 7 防鬆小螺栓(附銅墊片) 1 8 優利膠緩衝器 1 單位:MM    L   L1   L2   L3   P   N   M   X   Y   Z   T 緩衝器尺寸   軸承型號 a b t e 25 5 29 5 5.5 15 M3 6.6 11 5 16 35 12 10 5 7000ATYDFC8P5 25 5 29 5 5.5 18 M3 6.6 11 1.5 19 35 12 10 6.5 7001ATYDFC8P5 27 6 32 6 5.5 18 M3 6.6 11 6.5 22 44 16 10 11.5 7002ATYDFC8P5 35 9 44 7 6.6 28 M4 9 14 8.5 24 44 16 10 15.5 7203ATYDFC8P5 35 8 43 8 6.6 22 M4 9 14 8.5 30 44 16 10 16.5 7004ATYDFC8P5 42 12 54 9 9 33 M5 11 17.5 11 35 67 18 10 14 7205ATYDFC8P5 軸徑尺寸容許差   尺寸區分(mm) h unit 0.001 以上 以下 h  6  10 -  2 -15 10 14   -  3 -18 14 18  18  24 -  3 -21   S   J   G   H   倒角   圓角半徑 H1 鍵槽(寬×深×長)   H2   型號 BKU型 C1 C2 C3 R1 R2MAX N P R P 16 10 5 7 0.5 0.5 0.5 0.3 0.6 2×1.2 11 7.5 11 BKU-10 14 13 6 8 0.5 0.5 0.5 0.3 0.6 3×1.8 12 9.5 12 BKU-12 12 16 6 9 0.5 0.5 0.5 0.3 0.6 4×2.5 16 11.3 16 BKU-15 17 18 7 10 0.5 0.5 0.5 0.3 0.6 5×3.0 21 14.3 21 BKU-17 15 21 8 11 0.5 0.5 0.5 0.5 0.6 5×3.0 21 16 21 BKU-20 18 27 10 13 0.5 0.7 1 0.5 0.6 6×3.5 25 19 25 BKU-25

螺桿支撐座BKE系列固定端經濟型

BKE系列 螺桿支撐座固定端 經濟型Fixed Support Side Economy Type   型號 軸徑 D1   A   B   C   C1   C2 ±0.02 E   H1 ±0.02 h   H BKE-10 10 60 46 34 13 6.5 30 32.5 22 39 BKE-12 12 60 46 35 13 6.5 30 32.5 25 43 BKE-15 15 70 54 40 15 7.5 35 38 28 48 BKE-20 20 88 70 52 19 10.5 44 50 34 60 表面處理:BK型染黑 BK-N型無電解鎳   軸端加工尺寸 Dimension of Shaft End   型號 BKE型   適用軸桿外徑 D   D1   B   E   F   M   S BKE-10 φ12、φ14、φ15 10 8 39 15 M10×1 16 BKE-12 φ14、φ15、φ16、φ18 12 10 39 15 M12×1 14 BKE-15 φ18、φ20 15 12 40 20 M15×1 12 BKE-20 φ25、φ28 20 16 53 25 M20×1 15 編號 名稱 個數 1 軸承座 1 2 軸承 1 SET 3 壓蓋 1 4 間隔環 2 5 油封 2 6 固定螺帽 1 7 防鬆小螺栓(附銅墊片) 1 單位:MM    L   L1   L2   L3   T   M   X   Y   Z   軸承型號 26 8 29 5 16 M3 6.6 11 5 7000ATYDFC8P5 26 8 29 5 19 M3 6.6 11 1.5 7001ATYDFC8P5 30 8 32 6 22 M3 6.6 11 6.5 7002ATYDFC8P5 40 11 43 8 30 M4 9 14 8.5 7004ATYDFC8P5 軸徑尺寸容許差   尺寸區分(mm) h unit 0.001 以上 以下 h  6  10 -  2 -15 10 14   -  3 -18 14 18  18 24 -  3 -21   J   G   H   倒角   圓角半徑 H1 鍵槽(寬×深×長)   H2   型號 BKE型 C1 C2 C3 R1 R2MAX N P R P 10 5 7 0.5 0.5 0.5 0.3 0.6 2×1.2 11 7.5 11 BKE-10 13 6 8 0.5 0.5 0.5 0.3 0.6 3×1.8 12 9.5 12 BKE-12 16 6 9 0.5 0.5 0.5 0.3 0.6 4×2.5 16 11.3 16 BKE-15 21 8 11 0.5 0.5 0.5 0.5 0.6 5×3.0 21 16 21 BKE-20

螺桿支撐座BK系列固定端

BK系列 螺桿支撐座固定端Fixed Support Side   型號 軸徑 D1   A   B   C   C1   C2 ±0.02 E   H1 ±0.02 h   H BK-25 25 106 85 64 22 10 53 70 48 80 BK-30 30 128 102 76 23 11 64 78 51 89 BK-35 35 140 114 88 26 12 70 79 52 96 BK-40 40 160 130 100 33 14 80 90 60 110 表面處理:BK型染黑 BK-N型無電解鎳 軸端加工尺寸 Dimension of Shaft End   型號 BK型   適用軸桿外徑 D   D1   B   E   F   M BK-25 φ32、φ36 25 20 65 30 M25×1.5 BK-30 φ36、φ40 30 25 72 38 M30×1.5 BK-35 φ40、φ45、φ50 35 30 83 45 M35×1.5 BK-40 φ50、φ55 40 35 98 50 M40×1.5 編號 名稱 個數 1 軸承座 1 2 軸承 1 SET 3 壓蓋 1 4 間隔環 2 5 油封 2 6 固定螺帽 1 7 防鬆小螺栓(附銅墊片) 1 單位:MM   L  L1  L2  L3  T  P  N  M  X  Y  Z  軸承型號 42 12 54 9 35 9 33 M5 11 17.5 11 7205ATYDFC8P5 45 14 61 9 40 11 33 M6 14 20 13 7206ATYDFC8P5 50 14 67 12 50 11 35 M8 14 20 13 7207ATYDFC8P5 61 18 76 15 50 14 37 M8 18 26 17.5 7208ATYDFC8P5 軸徑尺寸容許差  尺寸區分(mm) h unit 0.001 以上 以下 h 18 24   -  3 -21 24 30 30 40   -  4 -25 40 50   S   J   G   H   倒角   圓角半徑 H1 鍵槽(寬×深×長)   H2   型號 BK型 C1 C2 C3 R1 R2MAX N P R P 18 27 10 13 0.5 0.7 1.0 0.5 0.6 6×3.5 25 19 25 BK-25 25 32 10 15 0.5 0.7 1.0 0.5 1.0 8×4.0 32 23.5 32 BK-30 28 36 12 15 0.5 1.0 1.0 0.5 1.0 8×4.0 40 28.5 40 BK-35 35 41 14 19 0.5 1.0 1.0 0.5 1.0 10×5.0 45 33 45 BK-40

螺桿支撐座BK系列固定端

BK系列 螺桿支撐座固定端 Fixed Support Side   型號 軸徑 D1   A   B   C   C1   C2 ±0.02 E   H1 ±0.02 h   H BK-10 10 60 46 34 13 6 30 32.5 22 39 BK-12 12 60 46 35 13 6 30 32.5 25 43 BK-15 15 70 54 40 15 6 35 38 28 48 BK-17 17 86 68 50 19 8 43 55 39 64 BK-20 20 88 70 52 19 8 44 50 34 60 表面處理:BK型染黑 BK-N型無電解鎳 軸端加工尺寸 Dimension of Shaft End   型號 BK型   適用軸桿外徑 D   D1   B   E   F   M BK-10 φ12、φ14、φ15 10 8 39 15 M10×1 BK-12 φ14、φ15、φ16、φ18 12 10 39 15 M12×1 BK-15 φ18、φ20 15 12 40 20 M15×1 BK-17 φ20、φ25 17 15 53 23 M17×1 BK-20 φ25、φ28 20 17 53 25 M20×1 編號 名稱 個數 1 軸承座 1 2 軸承 1 SET 3 壓蓋 1 4 間隔環 2 5 油封 2 6 固定螺帽 1 7 防鬆小螺栓(附銅墊片) 1 單位:MM    L   L1   L2   L3   T   P   N   M   X   Y   Z   軸承型號 25 5 29 5 16 5.5 15 M3 6.6 11 5 7000ATYDFC8P5 25 5 29 5 19 5.5 18 M3 6.6 11 1.5 7001ATYDFC8P5 27 6 32 6 22 5.5 18 M3 6.6 11 6.5 7002ATYDFC8P5 35 9 44 7 24 6.6 28 M4 9 14 8.5 7203ATYDFC8P5 35 8 43 8 30 6.6 22 M4 9 14 8.5 7004ATYDFC8P5 軸徑尺寸容許差   尺寸區分(mm) h unit 0.001 以上 以下 h  6  10 -  2 -15 10 14   -  3 -18 14 18  18  24 -  3 -21   S   J   G   H   倒角   圓角半徑 H1 鍵槽(寬×深×長)   H2   型號 BK型 C1 C2 C3 R1 R2MAX N P R P 16 10 5 7 0.5 0.5 0.5 0.3 0.6 2×1.2 11 7.5 11 BK-10 14 13 6 8 0.5 0.5 0.5 0.3 0.6 3×1.8 12 9.5 12 BK-12 12 16 6 9 0.5 0.5 0.5 0.3 0.6 4×2.5 16 11.3 16 BK-15 17 18 7 10 0.5 0.5 0.5 0.3 0.6 5×3.0 21 14.3 21 BK-17 15 21 8 11 0.5 0.5 0.5 0.5 0.6 5×3.0 21 16 21 BK-20

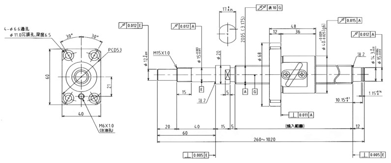
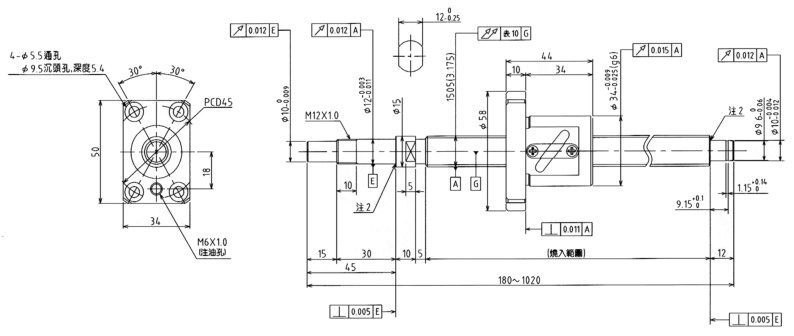
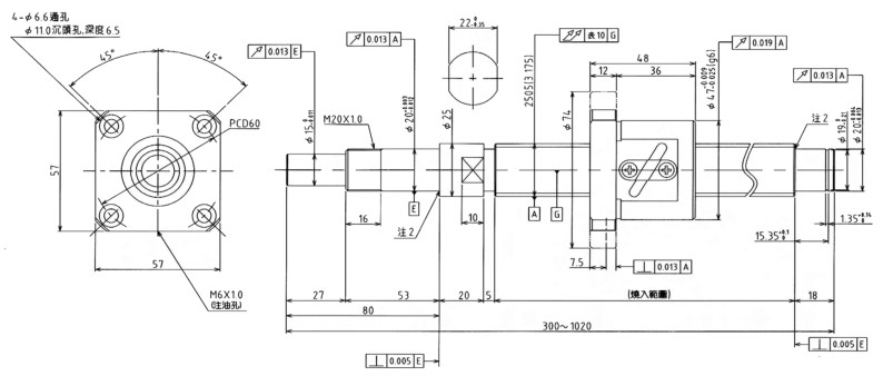
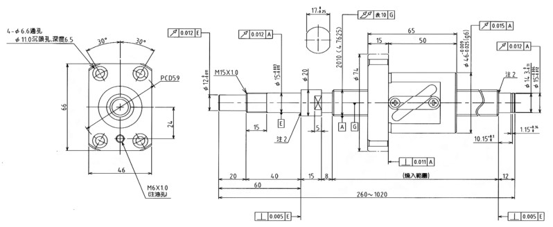
精密滾珠螺桿TS2520標準精密品C5軸徑25導程20

精密滾珠螺桿TS2520標準精密品C5軸徑25導程20

精密滾珠螺桿TS2510標準精密品C5軸徑25導程10

精密滾珠螺桿TS2510標準精密品C5軸徑25導程10

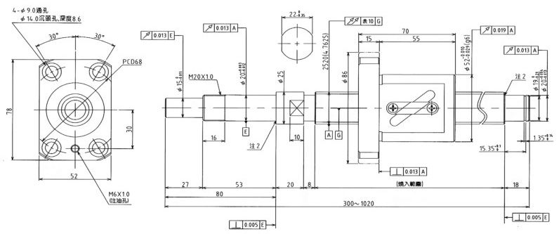
精密滾珠螺桿TS2505標準精密品C5軸徑25導程5

精密滾珠螺桿TS2505標準精密品C5軸徑25導程5

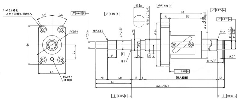
精密滾珠螺桿TS2020標準精密品C5軸徑20導程20

精密滾珠螺桿TS2020標準精密品C5軸徑20導程20

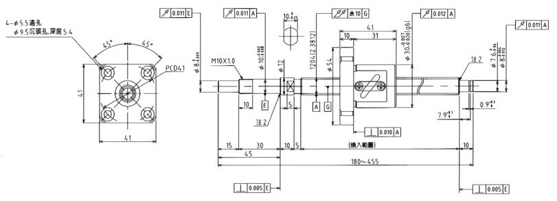
精密滾珠螺桿TS2010標準精密品C5軸徑20導程10

精密滾珠螺桿TS2010標準精密品C5軸徑20導程10

精密滾珠螺桿TS2005標準精密品C5軸徑20導程5

精密滾珠螺桿TS2005標準精密品C5軸徑20導程5

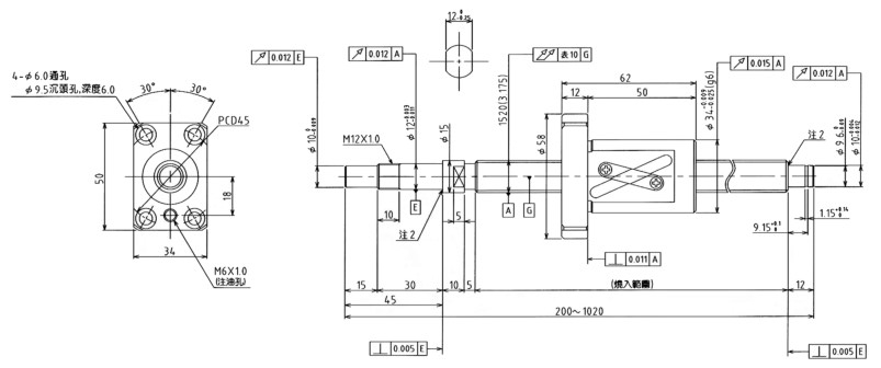
精密滾珠螺桿TS1520標準精密品C5軸徑15導程20

精密滾珠螺桿TS1520標準精密品C5軸徑15導程20

精密滾珠螺桿TS1510B標準精密品C5軸徑15導程10

精密滾珠螺桿TS1510B標準精密品C5軸徑15導程10

精密滾珠螺桿TS1505標準精密品C5軸徑15導程5

精密滾珠螺桿TS1505標準精密品C5軸徑15導程5

精密滾珠螺桿TS1504標準精密品C5軸徑15導程4

精密滾珠螺桿TS1504標準精密品C5軸徑15導程4

精密滾珠螺桿TS1210標準精密品C5軸徑12導程10

精密滾珠螺桿TS1210標準精密品C5軸徑12導程10

精密滾珠螺桿TS1205B標準精密品C5軸徑12導程5

精密滾珠螺桿TS1205B標準精密品C5軸徑12導程5

精密滾珠螺桿TS1204標準精密品C5軸徑12導程4

精密滾珠螺桿TS1204標準精密品C5軸徑12導程4

精密滾珠螺桿TS1202標準精密品C5軸徑12導程2

精密滾珠螺桿TS1202標準精密品C5軸徑12導程2