中華黃頁網路電話簿
抽屜式滑軌FBL

抽屜式滑軌FBL 56H型 單位:mm  軌道長度 L (±0.8) 行程 S (±3) 安裝孔尺寸 安裝孔   容許負荷 N/組   質量 kg/組   A   B   C   D   E   F   G   內軌道   外側軌道 305 330 76.2 177.8 254.0 76.2 190.5 241.3 266.7 4 6 961 1.76 356 381 101.6 203.2 304.8 88.9 215.9 292.1 317.5 4 6 951 2.04 406 432 127.0 228.6 355.6 127.0 241.3 342.9 368.3 4 6 941 2.36 457 483 127.0 279.4 406.4 127.0 292.1 393.7 419.1 4 6 922 2.64 508 533 152.4 304.8 457.2 152.4 317.5 444.5 469.9 4 6 902 2.96 559 584 177.8 330.2 508.0 177.8 342.9 495.3 520.7 4 6 882 3.24 610 635 177.8 381.0 558.8 177.8 393.7 546.1 571.5 4 6 863 3.6 660 686 203.2 406.4 609.6 203.2 419.1 596.9 622.3 4 6 843 3.84 711 737 228.6 431.8 660.4 228.6 444.5 647.7 673.1 4 6 824 4.06 762 787 228.6 457.2 711.2 228.6 469.9 698.5 723.9 4 6 784 4.44 (註)容許負荷和質量是指採用一對2單元軌道時的數值。

抽屜式滑軌FBL

抽屜式滑軌FBL 35K型 單位:mm  軌道長度 L (±0.8) 行程 S (±3) 安裝孔尺寸 安裝孔   容許負荷 N/組   質量 kg/組   A   B   C   抽出軌道   箱軌道 305 327 - 149.2 273.0 4 4 2670 4.04 356 378 - 200.0 323.8 4 4 2630 4.8 406 429 - 250.8 374.6 4 4 2540 5.6 457 480 212.7 301.6 425.4 5 5 2450 6.04 508 530 238.1 352.4 476.2 5 5 2360 6.92 559 581 263.5 403.2 527.0 5 5 2250 7.56 610 632 288.9 454.0 577.8 5 5 2120 8.4 660 683 314.3 504.8 628.6 5 5 1960 9 711 734 339.7 555.6 679.4 5 5 1780 9.68 (註)容許負荷和質量是指採用一對2單元軌道時的數值。

抽屜式滑軌FBL

抽屜式滑軌FBL 51H-P14型 單位:mm  軌道長度 L (±0.8) 行程 S (±3) 安裝孔尺寸 安裝孔   容許負荷 N/組   質量 kg/組   A   B   C   D   E   F   G   內軌道   外側軌道 305 330 76.2 - 254.0 76.2 190.5 241.3 266.7 3 6 850 1.46 356 381 127.0 - 304.8 88.9 215.9 292.1 317.5 3 6 820 1.72 406 432 152.4 317.5 355.6 127.0 241.3 342.9 368.3 4 6 770 1.89 457 483 177.8 368.3 406.4 127.0 292.1 393.7 419.1 4 6 730 2.26 508 533 152.4 419.1 457.2 152.4 317.5 444.5 469.9 4 6 710 2.52 559 584 177.8 469.9 508.0 177.8 342.9 495.3 520.7 4 6 690 2.72 610 635 177.8 520.7 558.8 177.8 393.7 546.1 571.5 4 6 660 3.00 660 686 203.2 571.5 609.6 203.2 419.1 596.9 622.3 4 6 630 3.25 711 737 228.6 622.3 660.4 228.6 444.5 647.7 673.1 4 6 610 3.54 762 787 228.6 673.1 711.2 228.6 469.9 698.5 723.9 4 6 580 3.86 (註)容許負荷和質量是指採用一對2單元軌道時的數值。

抽屜式滑軌FBL

抽屜式滑軌FBL 51H-P13型 單位:mm  軌道長度 L (±0.8) 行程 S (±3) 安裝孔尺寸 安裝孔   容許負荷 N/組   質量 kg/組   A   B   C   D   E   F   G   內軌道   外側軌道 305 330 76.2 - 190.5 76.2 190.5 241.3 266.7 3 6 850 1.46 356 381 101.6 - 266.7 88.9 215.9 292.1 317.5 3 6 820 1.72 406 432 127.0 - 304.8 127.0 241.3 342.9 368.3 3 6 770 1.89 457 483 127.0 317.5 368.3 127.0 292.1 393.7 419.1 4 6 730 2.26 508 533 152.4 355.6 406.4 152.4 317.5 444.5 469.9 4 6 710 2.52 559 584 177.8 381.0 457.2 177.8 342.9 495.3 520.7 4 6 690 2.72 610 635 177.8 430.8 508.0 177.8 393.7 546.1 571.5 4 6 660 3.00 660 686 203.2 457.2 558.8 203.2 419.1 596.9 622.3 4 6 630 3.25 711 737 228.6 508.0 609.6 228.6 444.5 647.7 673.1 4 6 610 3.54 762 787 228.6 533.4 660.4 228.6 469.9 698.5 723.9 4 6 580 3.86 (註)容許負荷和質量是指採用一對2單元軌道時的數值。

抽屜式滑軌FBL

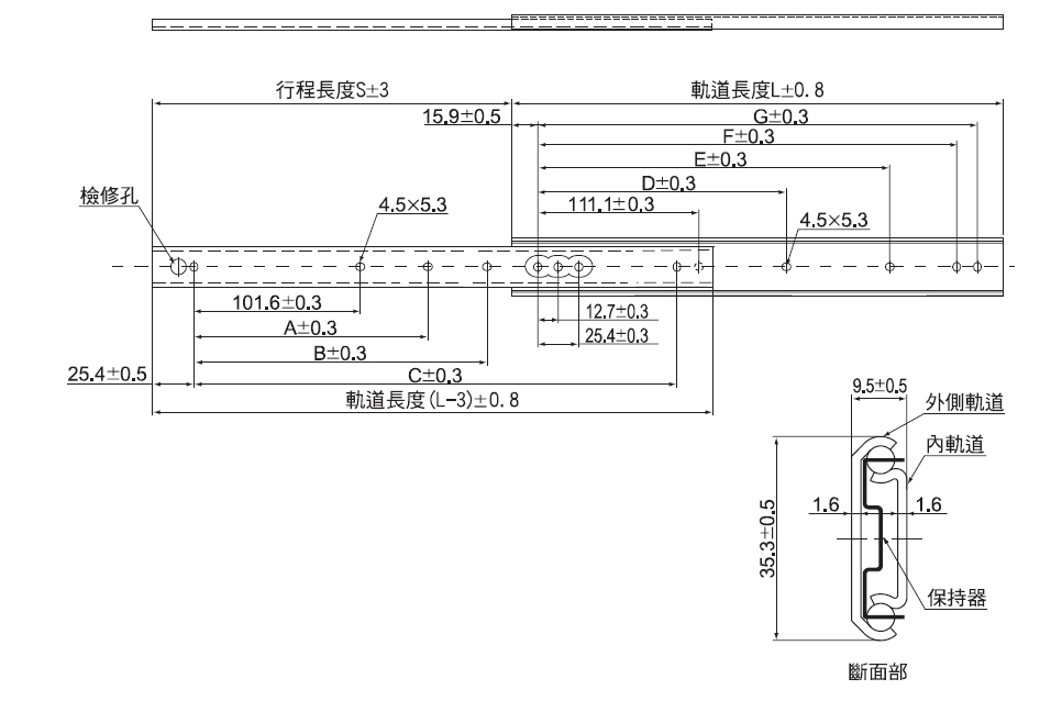
抽屜式滑軌FBL 51H型 單位:mm  軌道長度 L (±0.8) 行程 S (±3) 安裝孔尺寸 安裝孔   容許負荷 N/組   質量 kg/組   A   B   C   D   E   F   G   內軌道   外側軌道 305 330 76.2 177.8 254.0 76.2 190.5 241.3 266.7 4 6 850 1.46 356 381 101.6 203.2 304.8 88.9 215.9 292.1 317.5 4 6 820 1.72 406 432 127.0 228.6 355.6 127.0 241.3 342.9 368.3 4 6 770 1.89 457 483 127.0 279.4 406.4 127.0 292.1 393.7 419.1 4 6 730 2.26 508 533 152.4 304.8 457.2 152.4 317.5 444.5 469.9 4 6 710 2.52 559 584 177.8 330.2 508.0 177.8 342.9 495.3 520.7 4 6 690 2.72 610 635 177.8 381.0 558.8 177.8 393.7 546.1 571.5 4 6 660 3.00 660 686 203.2 406.4 609.6 203.2 419.1 596.9 622.3 4 6 630 3.25 711 737 228.6 431.8 660.4 228.6 444.5 647.7 673.1 4 6 610 3.54 762 787 228.6 457.2 711.2 228.6 469.9 698.5 723.9 4 6 580 3.86 (註)容許負荷和質量是指採用一對2單元軌道時的數值。

抽屜式滑軌FBL

抽屜式滑軌FBL 35W型 單位:mm  軌道長度 L (±0.8) 行程 S (±3) 安裝孔尺寸 安裝孔   容許負荷 N/組   質量 kg/組   A   B   C   D   抽出軌道   箱軌道 305 327 - 149.2 260.4 273.1 7 7 706 1.68 356 378 - 200.0 311.2 323.9 7 7 676 2 406 429 - 250.8 362.0 374.7 7 7 637 2.32 457 480 225.4 301.6 412.8 425.5 8 8 598 2.64 508 530 250.8 352.4 463.6 476.3 8 8 569 2.88 559 581 276.2 403.2 514.4 527.1 8 8 520 3.2 610 632 301.6 454.0 565.2 577.9 8 8 480 3.52 660 683 327.0 504.8 616.0 628.7 8 8 422 3.84 711 734 352.4 555.6 666.8 679.5 8 8 353 4.12 (註)容許負荷和質量是指採用一對2單元軌道時的數值。

抽屜式滑軌FBL

抽屜式滑軌FBL 35D型 單位:mm  軌道長度 L (±0.8) 行程 S (±3) 安裝孔尺寸 安裝孔   容許負荷 N/組   質量 kg/組   A   B   C   D   抽出軌道   箱軌道 305 327 - 149.2 260.3 273.0 7 7 588 1.28 356 378 - 200.0 311.1 323.8 7 7 578 1.48 406 429 - 250.8 361.9 374.6 7 7 559 1.72 457 480 212.7 301.6 412.7 425.4 8 8 549 1.96 508 530 238.1 352.4 463.5 476.2 8 8 529 2.12 559 581 263.5 403.2 514.3 527.0 8 8 500 2.4 610 632 288.9 454.0 565.1 577.8 8 8 480 2.56 660 683 314.3 504.8 615.9 628.6 8 8 461 2.8 711 734 339.7 555.6 666.7 679.4 8 8 441 3 (註)容許負荷和質量是指採用一對2單元軌道時的數值。

抽屜式滑軌FBL

抽屜式滑軌FBL 35G-P14 單位:mm  軌道長度 L (±0.8) 行程 S (±3) 安裝孔尺寸 安裝孔   容許負荷 N/組   質量 kg/組   A   B   C   D   E   F   抽出軌道   箱軌道 305 327 - - - 260.3 273.0 - 5 6 623 1.2 356 378 - - 298.4 311.1 323.8 - 6 6 586 1.4 406 429 - - 349.2 361.9 374.6 250.8 6 7 555 1.6 457 480 212.7 - 400.0 412.7 425.4 301.6 7 7 516 1.8 508 530 238.1 365.1 450.8 463.5 476.2 352.4 8 7 475 2 559 581 263.5 415.9 501.6 514.3 527.0 403.2 8 7 444 2.2 610 632 288.9 466.7 552.4 565.1 577.8 454.0 8 7 413 2.4 660 683 314.3 517.5 603.2 615.9 628.6 504.8 8 7 382 2.6 711 734 339.7 568.3 654.0 666.7 679.4 555.6 8 7 355 2.8 (註)容許負荷和質量是指採用一對2單元軌道時的數值。

抽屜式滑軌FBL

抽屜式滑軌FBL 35G-P13型 單位:mm  軌道長度 L (±0.8) 行程 S (±3) 安裝孔尺寸 安裝孔   容許負荷 N/組   質量 kg/組   A   B   C   D   E   F   抽出軌道   箱軌道 305 327 - - - 260.3 273.0 - 5 6 623 1.2 356 378 - - 298.4 311.1 323.8 - 6 6 586 1.4 406 429 - - 349.2 361.9 374.6 250.8 6 7 555 1.6 457 480 212.7 - 400.0 412.7 425.4 301.6 7 7 516 1.8 508 530 238.1 365.1 450.8 463.5 476.2 352.4 8 7 475 2 559 581 263.5 415.9 501.6 514.3 527.0 403.2 8 7 444 2.2 610 632 288.9 466.7 552.4 565.1 577.8 454.0 8 7 413 2.4 660 683 314.3 517.5 603.2 615.9 628.6 504.8 8 7 382 2.6 711 734 339.7 568.3 654.0 666.7 679.4 555.6 8 7 355 2.8 (註)容許負荷和質量是指採用一對2單元軌道時的數值。

抽屜式滑軌FBL

抽屜式滑軌FBL 35E-P14型 單位:mm  軌道長度 L (±0.8) 行程 S (±3) 安裝孔尺寸 安裝孔   容許負荷 N/組   質量 kg/組   A   B   C   D   E   F   G   內軌道   外側軌道 305 330 - 149.2 260.3 273.0 233.1 254.0 266.7 7 7 294 0.88 356 381 - 200.0 311.1 323.8 258.5 304.8 317.5 7 7 284 1.04 406 432 - 250.8 361.9 374.6 283.9 355.6 368.3 7 7 275 1.16 457 483 212.7 301.6 412.7 425.4 309.3 406.4 419.1 7 8 255 1.32 508 533 238.1 352.4 463.5 476.2 334.7 457.2 469.9 7 8 235 1.48 (註)容許負荷和質量是指採用一對2單元軌道時的數值。

抽屜式滑軌FBL

抽屜式滑軌FBL 27D型 單位:mm  軌道長度 L (±0.8) 行程 S (±3) 安裝孔尺寸 安裝孔   容許負荷 N/組   質量 kg/組   A   B   抽出軌道   箱軌道 200 229 140.0 160.0 5 5 370 0.64 250 276 190.0 210.0 5 5 360 0.8 300 327 240.0 260.0 5 5 350 0.96 350 376 290.0 310.0 5 5 330 1.12 400 426 340.0 360.0 5 5 310 1.28 450 475 390.0 410.0 5 5 290 1.46 500 524 440.0 460.0 5 5 280 1.6 (註)容許負荷和質量是指採用一對2單元軌道時的數值。

抽屜式滑軌FBL

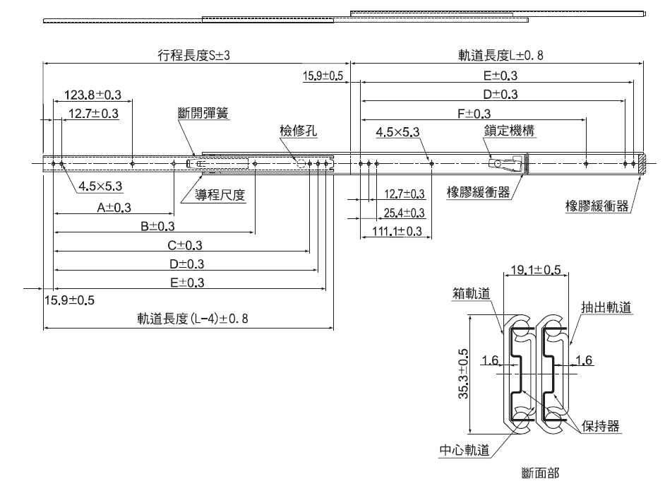
抽屜式滑軌FBL 35T型 單位:mm  軌道長度 L (±0.8) 行程 S (±3) 安裝孔尺寸 安裝孔   容許負荷 N/組   質量 kg/組   A   B   C   D   E   F   內軌道   外側軌道 305 227 - 149.2 273.0 - 152.8 254.4 4 4 1120 2.16 356 278 - 200.0 323.8 - 203.6 305.2 4 4 1070 2.56 406 303 - 250.8 374.6 - 254.4 356.0 4 4 1020 2.96 457 354 212.7 301.6 425.4 203.2 305.2 406.8 5 5 1000 3.3 508 367 238.1 352.4 476.2 228.6 356.0 457.6 5 5 971 3.64 559 430 263.5 403.2 527.0 254.0 406.8 508.4 5 5 922 4.04 610 456 288.9 454.0 577.8 279.4 457.6 559.2 5 5 873 4.32 660 468 314.3 504.8 628.6 304.8 508.4 610.0 5 5 843 4.72 711 506 339.7 555.6 679.4 330.2 559.2 660.8 5 5 784 5.1 (註)容許負荷和質量是指採用一對2單元軌道時的數值。

抽屜式滑軌FBL

抽屜式滑軌FBL 35B型 單位:mm  軌道長度 L (±0.8) 行程 S (±3) 安裝孔   容許負荷 N/組   質量 kg/組   內軌道   外側軌道 324 216 7 7 115 0.8 375 267 7 7 105 0.92 425 305 7 7 100 1 476 318 7 7 90 1.12 527 368 7 7 83 1.24 578 419 7 7 73 1.32 629 445 7 7 66 1.44 679 495 7 7 61 1.6 (註)容許負荷和質量是指採用一對2單元軌道時的數值。

抽屜式滑軌FBL

抽屜式滑軌FBL 35J-P14型 單位:mm  軌道長度 L (±0.8) 行程 S (±3) 安裝孔尺寸 安裝孔   容許負荷 N/組   質量 kg/組   A   B   C   D   E   F   內軌道   外側軌道 305 224 152.4 - 136.5 - 247.6 260.3 3 6 490 0.6 356 275 203.2 - 187.3 - 298.4 311.1 3 6 400 0.72 406 315 254.0 - 238.1 - 349.2 361.9 3 6 390 0.84 457 330 203.2 406.4 200.0 228.9 400.0 412.7 4 7 380 0.96 508 381 228.6 457.2 225.4 339.7 450.8 463.5 4 7 330 1.04 559 406 254.0 508.0 250.8 390.5 501.6 514.3 4 7 320 1.16 610 432 279.4 558.8 276.2 441.3 552.4 565.1 4 7 310 1.24 660 483 304.8 609.6 301.6 492.1 603.2 615.9 4 7 280 1.36 711 493 330.2 660.4 327.0 542.9 654.0 666.7 4 7 270 1.48 (註)容許負荷和質量是指採用一對2單元軌道時的數值。

抽屜式滑軌FBL

抽屜式滑軌FBL 35J-P13型 單位:mm  軌道長度 L (±0.8) 行程 S (±3) 安裝孔尺寸 安裝孔   容許負荷 N/組   質量 kg/組   A   B   C   D   E   F   內軌道   外側軌道 305 224 152.4 - 136.5 - 247.6 260.3 3 6 490 0.6 356 275 203.2 - 187.3 - 298.4 311.1 3 6 400 0.72 406 315 254.0 - 238.1 - 349.2 361.9 3 6 390 0.84 457 330 203.2 406.4 200.0 228.9 400.0 412.7 4 7 380 0.96 508 381 228.6 457.2 225.4 339.7 450.8 463.5 4 7 330 1.04 559 406 254.0 508.0 250.8 390.5 501.6 514.3 4 7 320 1.16 610 432 279.4 558.8 276.2 441.3 552.4 565.1 4 7 310 1.24 660 483 304.8 609.6 301.6 492.1 603.2 615.9 4 7 280 1.36 711 493 330.2 660.4 327.0 542.9 654.0 666.7 4 7 270 1.48 (註)容許負荷和質量是指採用一對2單元軌道時的數值。

抽屜式滑軌FBL

抽屜式滑軌FBL 35J型 單位:mm  軌道長度 L (±0.8) 行程 S (±3) 安裝孔尺寸 安裝孔   容許負荷 N/組   質量 kg/組   A   B   C   D   E   F   G   內軌道   外側軌道 305 229 - 152.4 254.0 - 149.2 260.3 273.0 4 7 490 0.6 356 279 - 203.2 304.8 - 200.0 311.1 323.8 4 7 400 0.7 406 305 - 254.0 355.6 - 250.8 361.9 374.6 4 7 390 0.8 457 330 203.2 304.8 406.4 212.7 301.6 412.7 425.4 5 8 380 0.9 508 381 228.6 355.6 457.2 238.1 352.4 463.5 476.2 5 8 330 1.0 559 406 254.0 406.4 508.0 263.5 403.2 514.3 527.0 5 8 320 1.1 610 432 279.4 457.2 558.8 288.9 454.0 565.1 577.8 5 8 310 1.2 660 483 304.8 508.0 609.6 314.3 504.8 615.9 628.6 5 8 280 1.3 711 508 330.2 558.8 660.4 339.7 555.6 666.7 679.4 5 8 270 1.4 (註)容許負荷和質量是指採用一對2單元軌道時的數值。

抽屜式滑軌FBL

抽屜式滑軌FBL 35M型 單位:mm  軌道長度 L (±0.8) 行程 S (±3) 安裝孔尺寸 安裝孔   容許負荷 N/組   質量 kg/組   A   B   C   D   E   F   G   內軌道   外側軌道 305 229 - 152.4 254.0 - 149.2 260.3 273.0 4 7 490 0.6 356 279 - 203.2 304.8 - 200.0 311.1 323.8 4 7 400 0.7 406 305 - 254.0 355.6 - 250.8 361.9 374.6 4 7 390 0.8 457 330 203.2 304.8 406.4 212.7 301.6 412.7 425.4 5 8 380 0.9 508 381 228.6 355.6 457.2 238.1 352.4 463.5 476.2 5 8 330 1.0 559 406 254.0 406.4 508.0 263.5 403.2 514.3 527.0 5 8 320 1.1 610 432 279.4 457.2 558.8 288.9 454.0 565.1 577.8 5 8 310 1.2 660 483 304.8 508.0 609.6 314.3 504.8 615.9 628.6 5 8 280 1.3 711 508 330.2 558.8 660.4 339.7 555.6 666.7 679.4 5 8 270 1.4 (註)容許負荷和質量是指採用一對2單元軌道時的數值。

抽屜式滑軌FBL

抽屜式滑軌FBL 35S型 單位:mm  軌道長度 L (±0.8) 行程 S (±3) 安裝孔尺寸 安裝孔   容許負荷 N/組   質量 kg/組   A   B   C   D   E   F   G   內軌道   外側軌道 305 229 - 152.4 254.0 - 149.2 260.3 273.0 4 7 490 0.6 356 279 - 203.2 304.8 - 200.0 311.1 323.8 4 7 400 0.7 406 305 - 254.0 355.6 - 250.8 361.9 374.6 4 7 390 0.8 457 330 203.2 304.8 406.4 212.7 301.6 412.7 425.4 5 8 380 0.9 508 381 228.6 255.6 457.2 238.1 352.4 463.5 476.2 5 8 330 1.0 559 406 254.0 406.4 508.0 263.5 403.2 514.3 527.0 5 8 320 1.1 610 432 279.4 457.2 558.8 288.9 454.0 565.1 577.8 5 8 310 1.2 660 483 304.8 508.0 609.6 314.3 504.8 615.9 628.6 5 8 280 1.3 711 508 330.2 558.8 660.4 339.7 555.6 666.7 679.4 5 8 270 1.4 (註)容許負荷和質量是指採用一對2單元軌道時的數值。

抽屜式滑軌FBL

抽屜式滑軌FBL 27S-P14型 單位:mm  軌道長度 L (±0.8) 行程 S (±3) 安裝孔尺寸 安裝孔   容許負荷 N/組   質量 kg/組   A   B   C   D   E   內軌道   外側軌道 200 116 65.0 - 170.0 140.0 160.0 4 5 260 0.32 250 152 100.0 - 210.0 190.0 210.0 4 5 240 0.40 300 202 100.0 - 260.0 240.0 260.0 4 5 240 0.48 350 251 100.0 - 310.0 290.0 310.0 4 5 230 0.56 400 297 100.0 - 360.0 340.0 360.0 4 5 210 0.64 450 332 100.0 390.0 410.0 390.0 410.0 5 5 210 0.72 500 371 100.0 440.0 460.0 440.0 460.0 5 5 200 0.80 550 407 100.0 490.0 510.0 490.0 510.0 5 5 180 0.80 (註)容許負荷和質量是指採用一對2單元軌道時的數值。

抽屜式滑軌FBL

抽屜式滑軌FBL 27S型 單位:mm  軌道長度 L (±0.8) 行程 S (±3) 安裝孔尺寸 安裝孔   容許負荷 N/組   質量 kg/組   A   B   C   D   E   內軌道   外側軌道 200 135 140.0 160.0 - 140.0 160.0 5 5 260 0.32 250 185 190.0 210.0 150.0 190.0 210.0 6 5 240 0.40 300 222 240.0 260.0 190.0 240.0 260.0 6 5 240 0.48 350 260 290.0 310.0 225.0 290.0 310.0 6 5 230 0.56 400 297 340.0 360.0 265.0 340.0 360.0 6 5 210 0.64 450 334 390.0 410.0 300.0 390.0 410.0 6 5 200 0.72 500 371 440.0 460.0 337.0 440.0 460.0 6 5 180 0.80 (註)容許負荷和質量是指採用一對2單元軌道時的數值。