中華黃頁網路電話簿
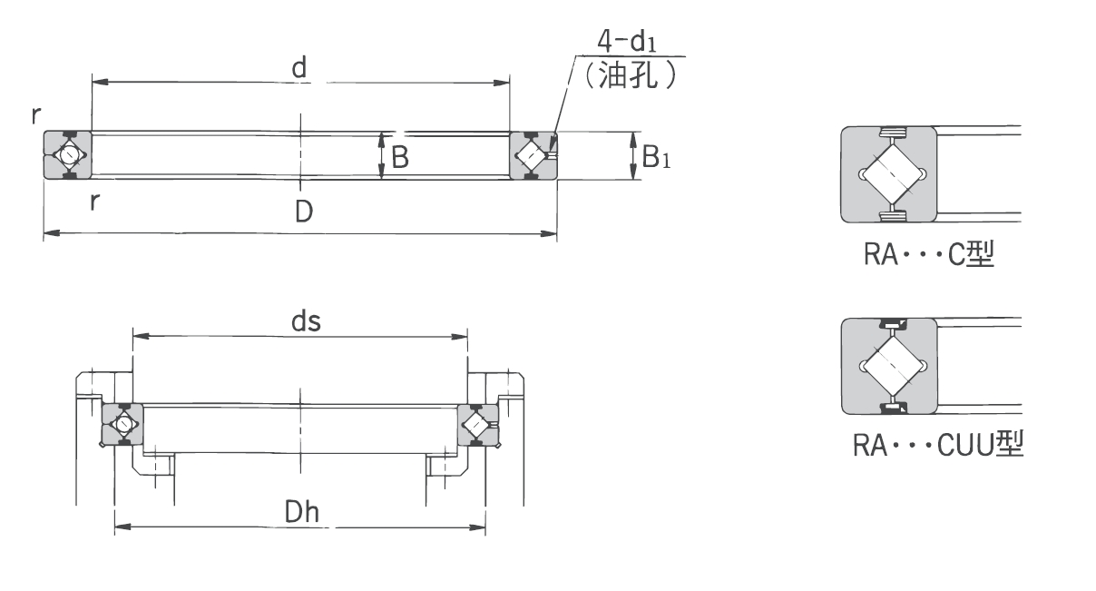
交叉滾子軸承RE型…USP級系列

交叉滾子軸承RE型…USP級系列 由於導入了大型交叉滾子軸承專用多軸研磨床,已把大直徑軸承極大地超出以前的旋轉精度規格的超超精密級(USP級)系列交叉滾子軸承標準化。內圈和外圈皂尺寸被控制到最小限度,並且具有高剛性,因而最適用於機床的旋轉工作台。 交叉滾子軸承USP級系列的旋轉精度例   USP級系列的旋轉精度是超出了JIS2級、ISO class2、DIN P2、AFBMA ABEC9等所規定的世界最高級精度規格的超超精密級。 精度規格  交叉滾子軸承RB型及RE型的USP級系列的偏差精度按表1的規定進行製作。 表1 USP級的偏差精度 單位:µm 內徑d.外徑D的公稱尺寸mm RB型內圈的 偏差精度 RE型外圈的 偏差精度   超出   以下 徑向偏差 容許值 軸向偏差 容許值 徑向偏差 容許值 軸向偏差 容許值 80 180 2.5 2.5 3.0 3.0 180 250 3.0 3.0 4.0 4.0 250 315 4.0 4.0 4.0 4.0 315 400 4.0 4.0 5.0 5.0 400 500 5.0 5.0 5.0 5.0 500 630 6.0 6.0 7.0 7.0 630 800 - - 8.0 8.0 徑向間隙 交叉滾子軸承RB型及RE型的徑向間隙如表2所示。 表2 徑向間隙 單位:µm 滾子的節圓直徑 (dp)mm 徑向間隙 CC0 C0 超出 以下 最小 最大 最小 最大 120 160 -10 0 0 40 160 200 -10 0 0 50 200 250 -10 0 0 60 250 280 -15 0 0 80 280 315 -15 0 0 100 315 355 -15 0 0 110 355 400 -15 0 0 120 400 500 -20 0 0 130 500 560 -20 0 0 150 560 630 -20 0 0 170 630 710 -20 0 0 190 公稱型號的組成   如果按下列交叉滾子軸承的公稱型號進行聯繫, 公司就能迅速地報價和製造。 配合   交叉滾子軸承的配合建議採用表3所示配合。 表3 配合 徑向間隙 使用條件 軸 軸承座   C0 內圈旋轉 j5 J7 外圈旋轉 g5 K7   CC0 內圈旋轉 h5 J7 外圈旋轉 g5 Js7 單位:mm       公稱型號 (註3) 主要尺寸 靠肩的 尺寸 基本額定負荷 徑向   質量 內徑   d 外徑   D   滾子節圓直 徑dp   寬度   B   B1 油孔   a b r min   ds   Dh C   kN C0   kN   kg   (註2)   容許差   (註2)   容許差   RB   RE B的容許差 B1的容 許差   (註1) RB10020USP RE10020USP   100   0 -0.020   150 -0.0181230     127   20   0 -0.075   0 -0.100   3.5   1.6   1   113   133   33.1   50.9   1.45 RB12025USP RE12025USP   120   180 -0.025148.70     152   25   3.5   2   1.5   133   164   66.9   100   2.62 RB15025USP RE15025USP   150 0 -0.025   210 -0.0301780     182   25     0 -0.100     0 -0.120   164   194   76.8   128   3.16 RB20030USP RE20030USP   200   0 -0.030   280 -0.0352400     240   30   4.5   3   2   221   258   114   200   6.7 RB25030USP RE25030USP   250   330   0 -0.040   287.5   287.5   30       2.5   269   306   126   244   8.1 RB30035USP RE30035USP   300 0 -0.035   395   345   345   35 0 -0.120 0 -0.150   5   3   322   368   183   367   13.4 RB40040USP RE40040USP   400 0 -0.040   510   0 -0.050   453.4   453.4   40     0 -0.150     0 -0.200   6   3.5   428   479   241   531   23.5 RB50040USP RE50040USP   500 0 -0.045   600   548.8   548.8   40   6   3   526   572   239   607   26 RB60040USP RE60040USP   600 0 -0.050   700 -0.0756500     650   40   3   627   673   264   721   29 (註1)是倒角尺寸 r 的最小最容許尺寸。 (註2)內外徑尺寸容許差是指,由軸承內外徑的2點測試所得到的最大直徑與最小直徑的算術平均值。 (註3)附帶密封墊片的公稱型號是 RB…UU USP 或 RE…UU USP。 要求內圈旋轉精度高時請選擇 RB 型,要求外圈旋轉精度高時請選擇 RE 型。   1kN ≒ 102 kgf

交叉滾子軸承RB型

交叉滾子軸承RB型 …USP級系列 由於導入了大型交叉滾子軸承專用多軸研磨床,已把大直徑軸承極大地超出以前的旋轉精度規格的超超精密級(USP級)系列交叉滾子軸承標準化。內圈和外圈皂尺寸被控制到最小限度,並且具有高剛性,因而最適用於機床的旋轉工作台。 交叉滾子軸承USP級系列的旋轉精度例   USP級系列的旋轉精度是超出了JIS2級、ISO class2、DIN P2、AFBMA ABEC9等所規定的世界最高級精度規格的超超精密級。 精度規格  交叉滾子軸承RB型及RE型的USP級系列的偏差精度按表1的規定進行製作。 表1 USP級的偏差精度 單位:µm 內徑d.外徑D的公稱尺寸mm RB型內圈的 偏差精度 RE型外圈的 偏差精度   超出   以下 徑向偏差 容許值 軸向偏差 容許值 徑向偏差 容許值 軸向偏差 容許值 80 180 2.5 2.5 3.0 3.0 180 250 3.0 3.0 4.0 4.0 250 315 4.0 4.0 4.0 4.0 315 400 4.0 4.0 5.0 5.0 400 500 5.0 5.0 5.0 5.0 500 630 6.0 6.0 7.0 7.0 630 800 - - 8.0 8.0 徑向間隙 交叉滾子軸承RB型及RE型的徑向間隙如表2所示。 表2 徑向間隙 單位:µm 滾子的節圓直徑 (dp)mm 徑向間隙 CC0 C0 超出 以下 最小 最大 最小 最大 120 160 -10 0 0 40 160 200 -10 0 0 50 200 250 -10 0 0 60 250 280 -15 0 0 80 280 315 -15 0 0 100 315 355 -15 0 0 110 355 400 -15 0 0 120 400 500 -20 0 0 130 500 560 -20 0 0 150 560 630 -20 0 0 170 630 710 -20 0 0 190 公稱型號的組成   如果按下列交叉滾子軸承的公稱型號進行聯繫, 公司就能迅速地報價和製造。 配合   交叉滾子軸承的配合建議採用表3所示配合。 表3 配合 徑向間隙 使用條件 軸 軸承座   C0 內圈旋轉 j5 J7 外圈旋轉 g5 K7   CC0 內圈旋轉 h5 J7 外圈旋轉 g5 Js7 單位:mm       公稱型號 (註3) 主要尺寸 靠肩的 尺寸 基本額定負荷 徑向   質量 內徑   d 外徑   D   滾子節圓直 徑dp   寬度   B   B1 油孔   a b r min   ds   Dh C   kN C0   kN   kg   (註2)   容許差   (註2)   容許差   RB   RE B的容許差 B1的容 許差   (註1) RB10020USP RE10020USP   100   0 -0.020   150 -0.0181230     127   20   0 -0.075   0 -0.100   3.5   1.6   1   113   133   33.1   50.9   1.45 RB12025USP RE12025USP   120   180 -0.025148.70     152   25   3.5   2   1.5   133   164   66.9   100   2.62 RB15025USP RE15025USP   150 0 -0.025   210 -0.0301780     182   25     0 -0.100     0 -0.120   164   194   76.8   128   3.16 RB20030USP RE20030USP   200   0 -0.030   280 -0.0352400     240   30   4.5   3   2   221   258   114   200   6.7 RB25030USP RE25030USP   250   330   0 -0.040   287.5   287.5   30       2.5   269   306   126   244   8.1 RB30035USP RE30035USP   300 0 -0.035   395   345   345   35 0 -0.120 0 -0.150   5   3   322   368   183   367   13.4 RB40040USP RE40040USP   400 0 -0.040   510   0 -0.050   453.4   453.4   40     0 -0.150     0 -0.200   6   3.5   428   479   241   531   23.5 RB50040USP RE50040USP   500 0 -0.045   600   548.8   548.8   40   6   3   526   572   239   607   26 RB60040USP RE60040USP   600 0 -0.050   700 -0.0756500     650   40   3   627   673   264   721   29 (註1)是倒角尺寸 r 的最小最容許尺寸。 (註2)內外徑尺寸容許差是指,由軸承內外徑的2點測試所得到的最大直徑與最小直徑的算術平均值。 (註3)附帶密封墊片的公稱型號是 RB…UU USP 或 RE…UU USP。 要求內圈旋轉精度高時請選擇 RB 型,要求外圈旋轉精度高時請選擇 RE 型。    1kN ≒ 102 kgf

交叉滾子軸承RE型(內圈分割型)

交叉滾子軸承RE型(內圈分割型) 單位:mm    公稱型號   軸徑   主要尺寸   靠肩的尺寸 基本額定負荷 (徑向)   質量 內徑   d 外徑   D 滾子節 圓直徑 dp 寬度   B  B1 油孔   r   ds   Dh   C   kN   C0   kN   kg a b RE   2008 20 20 36 29 8 2 0.8 0.5 23.5 30.5 3.23 3.10 0.04 RE   2508 25 25 41 34 8 2 0.8 0.5 28.5 35.5 3.63 3.83 0.05 RE   3010 30 30 55 43.5 10 2.5 1 0.6 37 47 7.35 8.36 0.12 RE   3510 35 35 60 48.5 10 2.5 1 0.6 41 51.5 7.64 9.12 0.13 RE   4010 40 40 65 53.5 10 2.5 1 0.6 47.5 58 8.33 10.6 0.16 RE   4510 45 45 70 58.5 10 2.5 1 0.6 51 61.5 8.62 11.3 0.17 RE   5013 50 50 80 66 13 2.5 1.6 0.6 57.5 72 16.7 20.9 0.27 RE   6013 60 60 90 76 13 2.5 1.6 0.6 68 82 18.0 24.3 0.3 RE   7013 70 70 100 86 13 2.5 1.6 0.6 78 92 19.4 27.7 0.35 RE   8016 80 80 120 101.4 16 3 1.6 0.6 91 111 30.1 42.1 0.7 RE   9016 90 90 130 112 16 3 1.6 1 98 118 31.4 45.3 0.75 RE 10016   100   100 140 121.1 16 3 1.6 1 109 129 31.7 48.6 0.83 RE 10020 150 127 20 3.5 1.6 1 113 133 33.1 50.9 1.45 RE 11012   110   110 135 123.3 12 2.5 1 0.6 117 127 12.5 24.1 0.4 RE 11015 145 129 15 3 1.6 0.6 122 136 23.7 41.5 0.75 RE 11020 160 137 20 3.5 1.6 1 120 140 34.0 54.0 1.56 RE 12016   120   120 150 136 16 3 1.6 0.6 127 141 24.2 43.2 0.72 RE 12025 180 152 25 3.5 2 1.5 133 164 66.9 100 2.62 RE 13015   130   130 160 146 15 3 1.6 0.6 137 152 25.0 46.7 0.72 RE 13025 190 162 25 3.5 2 1.5 143 174 69.5 107 2.82 單位:mm     公稱型號   軸徑   主要尺寸   靠肩的尺寸 基本額定負荷 (徑向)   質量 內徑 外徑 滾子節 圓直徑 dp 寬度 油孔       C C0   d D B   B1 a b r ds Dh kN kN kg RE 14016   140   140 175 160 16 3 1.6 1 147 162 25.9 50.1 1.0 RE 14025 200 172 25 3.5 2 1.5 154 185 74.8 121 2.96 RE 15013   150   150 180 166 13 2.5 1.6 0.6 158 172 27.0 53.5 0.68 RE 15025 210 182 25 3.5 2 1.5 164 194 76.8 128 3.16 RE 15030 230 192 30 4.5 3 1.5 173 210 100 156 5.3 RE 16025 160 160 220 192 25 3.5 2 1.5 173 204 81.7 135 3.14 RE 17020 170 170 220 196.1 20 3.5 1.6 1.5 184 198 29 62.1 2.21 RE 18025 180 180 240 210 25 3.5 2 1.5 195 225 84 143 3.44 RE 19025 190 190 240 219 25 3.5 1.6 1 202 222 41.7 82.9 2.99 RE 20025   200   200 260 230 25 3.5 2 2 215 245 84.2 157 4 RE 20030 280 240 30 4.5 3 2 221 258 114 200 6.7 RE 20035 295 247.7 35 5 3 2 225 270 151 252 9.6 RE 22025 220 220 280 250.1 25 3.5 2 2 235 265 92.3 171 4.1 RE 24025 240 240 300 272.5 25 3.5 2 2.5 256 281 68.3 145 4.5 RE 25025   250   250 310 280.9 25 3.5 2 2.5 268 293 69.3 150 5 RE 25030 330 287.5 30 4.5 3 2.5 269 306 126 244 8.1 RE 25040 355 300.7 40 6 3.5 2.5 275 326 195 348 14.8 RE 30025   300   300 360 332 25 3.5 2 2.5 319 344 75.7 178 5.9 RE 30035 395 345 35 5 3 2.5 322 368 183 367 13.4 RE 30040 405 351.6 40 6 3.5 2.5 326 377 212 409 17.2 RE 35020 350 350 400 376.6 20 3.5 1.6 2.5 363 383 54.1 143 3.9 單位:mm    公稱型號   軸徑   主要尺寸   靠肩的尺寸 基本額定負荷 (徑向)   質量 內徑   d 外徑   D 滾子節 圓直徑 dp 寬度   B  B1 油孔   r   ds   Dh   C   kN   C0   kN   kg a b RE 40035   400   400 480 440.3 35 5 3 2.5 422 459 156 370 14.5 RE 40040 510 453.4 40 6 3.5 2.5 428 479 241 531 23.5 RE 45025 450 450 500 476.6 25 3.5 1.6 1 464 484 61.7 182 6.6 RE 50025   500   500 550 526.6 25 3.5 1.6 1 514 534 65.5 201 7.3 RE 50040 600 548.8 40 6 3 2.5 526 572 239 607 26 RE 50050 625 561.6 50 6 3.5 2.5 536 587 267 653 41.7 RE 60040 600 600 700 650 40 6 3 3 627 673 264 721 29 (註)• 附帶密封墊片的公稱型號是 RE…UU。 在要求高精度時,請使用內圈旋轉的方式。    1kN ≒ 102 kgf

交叉滾子軸承RA…C型(單一裂口型)

交叉滾子軸承RA…C型(單一裂口型) 單位:mm    公稱型號   軸徑   主要尺寸   靠肩的尺寸 基本額定負荷 (徑向)   質量 內徑   d 外徑   D 滾子節 圓直徑 dp 寬度   B  B1 油孔   a   r   ds   Dh   C   kN   C0   kN   kg RA  5008C 50 50 66 57 8 1.5 0.5 53.5 60.5 5.10 7.19 0.08 RA  6008C 60 60 76 67 8 1.5 0.5 63.5 70.5 5.68 8.68 0.09 RA  7008C 70 70 86 77 8 1.5 0.5 73.5 80.5 5.98 9.8 0.1 RA  8008C 80 80 96 87 8 1.5 0.5 83.5 90.5 6.37 11.3 0.11 RA  9008C 90 90 106 97 8 1.5 0.5 93.5 100.5 6.76 12.4 0.12 RA 10008C 100 100 116 107 8 1.5 0.5 103.5 110.5 7.15 13.9 0.14 RA 11008C 110 110 126 117 8 1.5 0.5 113.5 120.5 7.45 15.0 0.15 RA 12008C 120 120 136 127 8 1.5 0.5 123.5 130.5 7.84 16.5 0.17 RA 13008C 130 130 146 137 8 1.5 0.5 133.5 140.5 7.94 17.6 0.18 RA 14008C 140 140 156 147 8 1.5 0.5 143.5 150.5 8.33 19.1 0.19 RA 15008C 150 150 166 157 8 1.5 0.5 153.5 160.5 8.82 20.6 0.2 RA 16013C 160 160 186 172 13 2 0.8 165 179 23.3 44.9 0.59 RA 17013C 170 170 196 182 13 2 0.8 175 189 23.5 46.5 0.64 RA 18013C 180 180 206 192 13 2 0.8 185 199 24.5 49.8 0.68 RA 19013C 190 190 216 202 13 2 0.8 195 209 24.9 51.5 0.69 RA 20013C 200 200 226 212 13 2 0.8 205 219 25.8 54.7 0.71 (註)• 附帶密封墊片的公稱型號是 RA…CUU。 在要求高精度時,請使用內圈旋轉的方式。 1kN ≒ 102 kgf

交叉滾子軸承RA型(外圈分割型)

交叉滾子軸承RA型(外圈分割型) 單位:mm     公稱型號   軸徑   主要尺寸   靠肩的尺寸 基本額定負荷 (徑向)   質量 內徑   d 外徑   D 滾子節 圓直徑 dp 寬度   B  B1 油孔   r   ds   Dh   C   kN   C0   kN   kg a b RA  5008 50 50 66 57 8 2 0.8 0.5 53.5 60.5 5.10 7.19 0.08 RA  6008 60 60 76 67 8 2 0.8 0.5 63.5 70.5 5.68 8.68 0.09 RA  7008 70 70 86 77 8 2 0.8 0.5 73.5 80.5 5.98 9.8 0.1 RA  8008 80 80 96 87 8 2 0.8 0.5 83.5 90.5 6.37 11.3 0.11 RA  9008 90 90 106 97 8 2 0.8 0.5 93.5 100.5 6.76 12.4 0.12 RA 10008 100 100 116 107 8 2 0.8 0.5 103.5 110.5 7.15 13.9 0.14 RA 11008 110 110 126 117 8 2 0.8 0.5 113.5 120.5 7.45 15.0 0.15 RA 12008 120 120 136 127 8 2 0.8 0.5 123.5 130.5 7.84 16.5 0.17 RA 13008 130 130 146 137 8 2 0.8 0.5 133.5 140.5 7.94 17.6 0.18 RA 14008 140 140 156 147 8 2 0.8 0.5 143.5 150.5 8.33 19.1 0.19 RA 15008 150 150 166 157 8 2 0.8 0.5 153.5 160.5 8.82 20.6 0.2 RA 16013 160 160 186 172 13 2.5 1.6 0.8 165 179 23.3 44.9 0.59 RA 17013 170 170 196 182 13 2.5 1.6 0.8 175 189 23.5 46.5 0.64 RA 18013 180 180 206 192 13 2.5 1.6 0.8 185 199 24.5 49.8 0.68 RA 19013 190 190 216 202 13 2.5 1.6 0.8 195 209 24.9 51.5 0.69 RA 20013 200 200 226 212 13 2.5 1.6 0.8 205 219 25.8 54.7 0.71 (註)• 附帶密封墊片的公稱型號是 RA…UU。 在要求高精度時,請使用內圈旋轉的方式。    1kN ≒ 102 kgf

交叉滾子軸承RB型(外圈分割型)

交叉滾子軸承RB型(外圈分割型) 單位:mm     公稱型號   軸徑   主要尺寸   靠肩的尺寸 基本額定負荷 (徑向)   質量 內徑   d 外徑   D 滾子節 圓直徑 dp 寬度   B  B1 油孔   r   ds   Dh   C   kN   C0   kN   kg a b RB   2008 20 20 36 27 8 2 0.8 0.5 23.5 30.5 3.23 3.10 0.04 RB   2508 25 25 41 32 8 2 0.8 0.5 28.5 35.5 3.63 3.83 0.05 RB   3010 30 30 55 41.5 10 2.5 1 0.6 37 47 7.35 8.36 0.12 RB   3510 35 35 60 46.5 10 2.5 1 0.6 41 51.5 7.64 9.12 0.13 RB   4010 40 40 65 51.5 10 2.5 1 0.6 47.5 57.5 8.33 10.6 0.16 RB   4510 45 45 70 56.5 10 2.5 1 0.6 51 61.5 8.62 11.3 0.17 RB   5013 50 50 80 64 13 2.5 1.6 0.6 57.4 72 16.7 20.9 0.27 RB   6013 60 60 90 74 13 2.5 1.6 0.6 68 82 18.0 24.3 0.3 RB   7013 70 70 100 84 13 2.5 1.6 0.6 78 92 19.4 27.7 0.35 RB   8016 80 80 120 98 16 3 1.6 0.6 91 111 30.1 42.1 0.7 RB   9016 90 90 130 108 16 3 1.6 1 98 118 31.4 45.3 0.75 RB 10016   100   100 140 119.3 16 3.5 1.6 1 109 129 31.7 48.6 0.83 RB 10020 150 123 20 3.5 1.6 1 113 133 33.1 50.9 1.45 RB 11012   110   110 135 121.8 12 2.5 1 0.6 117 127 12.5 24.1 0.4 RB 11015 145 126.5 15 3.5 1.6 0.6 122 136 23.7 41.5 0.75 RB 11020 160 133 20 3.5 1.6 1 120 143 34.0 54.0 1.56 RB 12016   120   120 150 134.2 16 3.5 1.6 0.6 127 141 24.2 43.2 0.72 RB 12025 180 148.7 25 3.5 2 1.5 133 164 66.9 100 2.62 RB 13015   130   130 160 144.5 15 3.5 1.6 0.6 137 152 25.0 46.7 0.72 RB 13025 190 158 25 3.5 2 1.5 143 174 69.5 107 2.82 (註)• 附帶密封墊片的公稱型號是 RB…UU。 • 在要求高精度時,請使用內圈旋轉的方式。 1kN ≒ 102 kgf 單位:mm    公稱型號   軸徑   主要尺寸   靠肩的尺寸 基本額定負荷 (徑向)   質量 內徑   d 外徑   D 滾子節 圓直徑 dp 寬度   B  B1 油孔   r   ds   Dh   C   kN   C0   kN   kg a b RB 14016   140   140 175 154.8 16 2.5 1.6 1 147 162 25.9 50.1 1.0 RB 14025 200 168 25 3.5 2 1.5 154 185 74.8 121 2.96 RB 15013   150   150 180 164 13 2.5 1.6 0.6 157 172 27.0 53.5 0.68 RB 15025 210 178 25 3.5 2 1.5 164 194 76.8 128 3.16 RB 15030 230 188 30 4.5 3 1.5 173 211 100 156 5.3 RB 16025 160 160 220 188.6 25 3.5 2 1.5 173 204 81.7 135 3.14 RB 17020 170 170 220 191 20 3.5 1.6 1.5 184 198 29.0 62.1 2.21 RB 18025 180 180 240 210 25 3.5 2 1.5 195 225 84.0 143 3.44 RB 19025 190 190 240 211.9 25 3.5 1.6 1 202 222 41.7 82.9 2.99 RB 20025   200   200 260 230 25 3.5 2 2 215 245 84.2 157 4.0 RB 20030 280 240 30 4.5 3 2 221 258 114 200 6.7 RB 20035 295 247.7 35 5 3 2 225 270 151 252 9.6 RB 22025 220 220 280 250.1 25 3.5 2 2 235 265 92.3 171 4.1 RB 24025 240 240 300 269 25 3.5 2 2.5 256 281 68.3 145 4.5 RB 25025   250   250 310 277.5 25 3.5 2 2.5 265 290 69.3 150 5 RB 25030 330 287.5 30 4.5 3 2.5 269 306 126 244 8.1 RB 25040 355 300.7 40 6 3.5 2.5 275 326 195 348 14.8 RB 30025   300   300 360 328 25 3.5 2 2.5 315 340 76.3 178 5.9 RB 30035 395 345 35 5 3 2.5 322 368 183 367 13.4 RB 30040 405 351.6 40 6 3.5 2.5 326 377 212 409 17.2 RB 35020 350 350 400 373.4 20 3.5 1.6 2.5 363 383 54.1 143 3.9 單位:mm     公稱型號   軸徑   主要尺寸   靠肩的尺寸 基本額定負荷 (徑向)   質量 內徑   d 外徑   D 滾子節 圓直徑 dp 寬度   B  B1 油孔   r   ds   Dh   C   kN   C0   kN   kg a b RB      40035   400   400 480 440.3 35 5 3 2.5 422 459 156 370 14.5 RB      40040 510 453.4 40 6 3.5 2.5 428 479 241 531 23.5 RB      45025 450 450 500 474 25 3.5 1.6 1 464 484 61.7 182 6.6 RB      50025   500   500 550 524.2 25 3.5 1.6 1 514 534 65.5 201 7.3 RB      50040 600 548.8 40 6 3 2.5 526 572 239 607 26 RB      50050 625 561.6 50 6 3.5 2.5 536 587 267 653 41.7 RB      60040 600 600 700 650 40 6 3 3 627 673 264 721 29 RB      70045 700 700 815 753.5 45 6 3 3 731 777 281 836 46 RB      80070 800 800 950 868.1 70 6 4 4 836 900 468 1330 105 RB      90070 900 900 1050 969 70 6 4 4 937 1001 494 1490 120 RB 1000110 1000 1000 1250 1114 110 6 6 5 1057 1171 1220 3220 360 RB 1250110 1250 1250 1500 1365.8 110 6 6 5 1308 1423 1350 3970 440 (註)• 附帶密封墊片的公稱型號是 RB…UU。 1kN ≒ 102 kgf

交叉滾子軸承RE型標準型(內圈分割型)

交叉滾子軸承RE型標準型(內圈分割型) RE型是由RB型的設計理念產生的新型式,內圈為2分割,外圈為一體構造。最適合於要求外圈旋轉精度高的地方。 將內外圈加厚,如果與軸承座呈一體型,就能減小變形,獲得高精度。 基本額定動負荷與壽命   交叉滾子軸承的基本額定動負荷(C)就是,讓一批相同的交叉滾子軸承進行逐個運行時,它們的額定壽命成為L=1時的大小和方向都不變的徑向方向負荷。基本額定動負荷(C)記載在尺寸表中。 交叉滾子軸承的壽命按下式進行計算。 L        :額定壽命     (106轉) (讓一批相同的交叉滾子軸承在相同條件下逐個進行運行,其中的90%不產生由於滾動疲勞所引起的表面剝落時,所能旋轉的總旋轉數)  C        :基本額定動負荷      (kN) Pc   :等效動徑向負荷       (kN) fT    :溫度係數(參照圖2) fW   :負荷係數(參照表1) 表1 負荷係數(fW) 使用條件 fW 沒有衝擊的圓滑運動的情況 1   ~1.2 普通運動的情況 1.2~1.5 有激烈衝擊的情況 1.5~3 等效徑向動負荷:Pc 交叉滾子軸承的等效徑向動負荷按下式計算。 Pc   :等效徑向動負荷(kN) Fr   :徑向負荷(kN) Fa   :軸向負荷(kN) M       :力矩 (kN.mm) X    :動徑向係數(參照表2) Y    :動軸向係數(參照表2) dp   :滾子的節圓直徑(mm) 表2 動徑向係數與動軸向係數 分      類 X Y Fa Fr+2M/dp ≦1.5   1   0.45 Fa Fr+2M/dp >1.5   0.67   0.67 ● 當 Fr = okN,M = okN.mm 時,請按 X = 0.67,Y = 0.67 進行計算。 <計算例> 計算下列使用條件時的壽命。 使用型號  RB25025 C   = 69.3 kN C0   = 150 kN dp = 277.5 mm 徑向負荷:Fr = 2.45 kN 軸向負荷:Fa = W1 + W2 +W3 = 1.47 + 0.49 + 4.9 = 6.86 kN 力矩:M = W1 × l1 + W2 × l2 = 1.47 × 800 + 0.49 × 400 = 1372 kN.mm ∴ X = 1, Y = 0.45 因此,等效徑向動負荷(Pc)為, = 15.4 kN 設 fW = 1.2 所求壽命為 L = 81.9 × 106 轉 基本額定靜負荷與靜安全係數   基本額定靜負荷Co就是,在承受最大應力的接觸部,滾子的永久變形量和滾動面的永久變形量之和逹到滾子直徑的0.0001倍時,方向和大小都一定的靜止負荷。如果永久變形量之和超過滾子直徑的0.0001倍,動作時就會出現故障。這個基本額定靜負荷Co的數值記載在尺寸表中。對於靜的或動的負荷,有必要考慮以下的靜的安全係數。 fs    :靜的安全係數           (參照表3) C0   :基本額定靜負荷      (kN) P0       :等效徑向靜負荷      (kN) 表3 靜的安全係數(fs) 負荷條件 fs的下限   普通負荷   1~2   衝擊負荷   2~3 等效徑向靜負荷:P0   交叉滾子軸承的等效徑向靜負荷按下式計算。 P0   :等效徑向靜負荷(kN) Fr   :徑向負荷(kN) Fa   :軸向負荷(kN) M     :力矩(kN.mm) X0   :靜徑向係數(X0=1) Y0   :靜軸向係數(Y0=0.44) dp   :滾子的節圓直徑(mm) 計算例  根據以下使用條件計算靜安全係數。 使用型號  RB25025 C   = 69.3 kN C0   = 150 kN dp = 277.5 mm 徑向負荷:Fr = 2.45 kN 軸向負荷:W1 + W2 + W3 = 1.47 + 0.49 + 4.9 = 6.86 kN 力矩:M M = W1 × l1 + W2 × l2 = 1.47 × 800 + 0.49 × 400 = 1372 kN.mm 因此,等效徑向靜負荷 P0 為 為所求靜安全係數。 容許力矩:M0 交叉滾子軸承的容許力矩按下式計算。 M0   :容許力矩                 (kN.mm) C0   :基本額定靜負荷         (kN) dp   :滾力的節圓直徑      (mm)   <計算例>   使用型號  RB25025 C   = 69.3 kN C0   = 150 kN dp = 277.5 mm   容許力矩 容許軸向負荷:Fa0   交叉滾子軸承的容許軸向負荷按下式計算。 Fa0   :容許軸向負荷(kN) Y0   :靜軸向係數(Y0=0.44)   <計算例>   使用型號  RB25025 C   = 69.3 kN C0   = 150 kN   容許軸向負荷 Fa0 為 =340.9 kN 力矩剛性 交叉滾子軸承單體的力矩剛性曲線如圖7~圖10所示。另外,軸承座或側面壓緊法蘭盤及螺栓等的變形對剛性有影響,在進行剛性設計時有必要同時考慮這些零件的剛性。 精度規格   交叉滾子軸承RB型/RE型的精度及RA/RA…C型的內徑.外徑容許差按表4、表5為基準進行製造。   表4 內圈的精度及外圈寬度的精度 單位:µm     軸承內徑(d) 的公稱尺寸 mm 軸承內徑 寬度 RB型內圈徑向 偏差的容許值 (最大)        (註3) RB型內圈軸向 偏差的容許值 (最大)        (註3) (註1) dm的容許差 (註2) B的 容許差 (註2) B1的 容許差 0級 6級 5級 4級   0級   6級   5級   4級   2級   0級   6級   5級   4級   2級 超過 以下 上限 下限 上限 下限 上限 下限 上限 下限 上限 下限 上限 下限 18 30 0 -10 0 -8 0 -6 0 -5 0 -75 0 -100 13 8 4 3 2.5 13 8 4 3 2.5 30 50 0 -12 0 -10 0 -8 0 -6 0 -75 0 -100 15 10 5 4 2.5 15 10 5 4 2.5 50 80 0 -15 0 -12 0 -9 0 -7 0 -75 0 -100 20 10 5 4 2.5 20 10 5 4 2.5 80 120 0 -20 0 -15 0 -10 0 -8 0 -75 0 -100 25 13 6 5 2.5 25 13 6 5 2.5 120 150 0 -25 0 -18 0 -13 0 -10 0 -100 0 -120 30 18 8 6 2.5 30 18 8 6 2.5 150 180 0 -25 0 -18 0 -13 0 -10 0 -100 0 -120 30 18 8 6 5 30 18 8 6 5 180 250 0 -30 0 -22 0 -15 0 -12 0 -100 0 -120 40 20 10 8 5 40 20 10 8 5 250 315 0 -35 0 -25 0 -18 - - 0 -120 0 -150 50 25 13 10 - 50 25 13 10 - 315 400 0 -40 0 -30 0 -23 - - 0 -150 0 -200 60 30 15 12 - 60 30 15 12 - 400 500 0 -45 0 -35 - - - - 0 -150 0 -200 65 35 18 14 - 65 35 18 14 - 500 630 0 -50 0 -40 - - - - 0 -150 0 -200 70 40 20 16 - 70 40 20 16 - 630 800 0 -75 - - - - - - 0 -150 0 -200 80 - - - - 80 - - - - 800 1000 0 -100 - - - - - - 0 -300 0 -400 90 - - - - 90 - - - - 1000 1250 0 -125 - - - - - - 0 -300 0 -400 100 - - - - 100 - - - - (註1)dm是軸承內徑2測試點之間的最大直徑與最小直徑的算術平均值。 RA/RA…C型只有0級。 (註2)B表示一體的內圈或外圈,B1表示2分割的內圈或外圈的寬度尺寸容許差。但是,RA/RA…C型的B, B1全部按 0       製作。 -0.120 (註3)RA/RA…C型表示在表6中。 表5 外圈的精度 單位:µm       軸承內徑(D) 的公稱尺寸 mm 軸承外徑 RE型外圈徑向 偏差的容許值 (最大) RE型外圈軸向 偏差的容許值 (最大) (註4) Dm的容許差 0級 6級 5級 4級   0級   6級   5級   4級   2級   0級   6級   5級   4級   2級 超過 以下 上限 下限 上限 下限 上限 下限 上限 下限 30 50 0 -11 0 -9 0 -7 0 -6 20 10 7 5 2.5 20 10 7 5 2.5 50 80 0 -13 0 -11 0 -9 0 -7 25 13 8 5 4 25 13 8 5 4 80 120 0 -15 0 -13 0 -10 0 -8 35 18 10 6 5 35 18 10 6 5 120 150 0 -18 0 -15 0 -11 0 -9 40 20 11 7 5 40 20 11 7 5 150 180 0 -25 0 -18 0 -13 0 -10 45 23 13 8 5 45 23 13 8 5 180 250 0 -30 0 -20 0 -15 0 -11 50 25 15 10 7 50 25 15 10 7 250 315 0 -35 0 -25 0 -18 0 -13 60 30 18 11 7 60 30 18 11 7 315 400 0 -40 0 -28 0 -20 0 -15 70 35 20 13 8 70 35 20 13 8 400 500 0 -45 0 -33 0 -23 - - 80 40 23 15 - 80 40 23 15 - 500 630 0 -50 0 -38 0 -28 - - 100 50 25 16 - 100 50 25 16 - 630 800 0 -75 0 -45 0 -35 - - 120 60 30 20 - 120 60 30 20 - 800 1000 0 -100 - - - - - - 120 75 - - - 120 75 - - - 1000 1250 0 -125 - - - - - - 120 - - - - 120 - - - - 1250 1600 0 -160 - - - - - - 120 - - - - 120 - - - -   交叉滾子軸承   (註4)Dm是軸承外徑2測定點間的最大直徑與最小直徑的算術平均值。 RA/RA…C型只有0級。 極薄型式交叉滾子軸承RA…C型的偏差精度按表6的基準進行製作。    表6 RA/RA…C型的內圈與外圈的偏差精度 單位:µm 單位:µm   內圈內徑、 外圈外徑的 尺寸mm 徑向偏差、軸向偏差的容許值(最大)   RA型        的內圈 RA…C型   (註5)RA…C型的外圈 超出 以下 40 65 13 - 65 80 15 13 80 100 15 15 100 120 20 15 120 140 25 20 140 180 25 25 180 200 30 25 200 250 - 30 (註5)外圈的偏差精度是分割前的數值。 RA型沒有外圈偏差精度。 徑向間隙  極薄型式交叉滾子軸承RA/RA…C型的徑向間隙如表7,RB型和RE型的徑向間隙如表8所示。  表7 RA/RA…C型的徑向間隙 單位:µm 滾子的節圓直徑 (dp)mm   CC0   C0 超過 以下 最小 最大 最小 最大 50 80 80 120 -8 -8 0 0 0 0 15 15 120 140 160 140 160 180 -8 -8 -10 0 0 0 0 0 0 15 15 20 180 200 200 225 -10 -10 0 0 0 0 20 20 表8 RB型/RE型的徑向間隙 單位:µm 滾子的節圓直徑 (dp)mm   CC0   C0   C1 超出 以下 最小 最大 最小 最大 最小 最大 18 30 50 80 30 50 80 120 -8 -8 -10 -10 0 0 0 0 0 0 0 0 15 25 30 40 15 25 30 40 35 50 60 70 120 140 160 140 160 180 -10 -10 -10 0 0 0 0 0 0 40 40 50 40 40 50 80 90 100 180 200 225 200 225 250 -10 -10 -10 0 0 0 0 0 0 50 60 60 50 60 60 110 120 130 250 280 315 280 315 355 -15 -15 -15 0 0 0 0 30 30 80 100 110 80 100 110 150 170 190 355 400 450 400 450 500 -15 -20 -20 0 0 0 30 30 30 120 130 130 120 130 130 210 230 250 500 560 630 560 630 710 -20 -20 -20 0 0 0 30 40 40 150 170 190 150 170 190 280 310 350 710 800 900 800 900 1000 -30 -30 -30 0 0 0 40 40 50 210 230 260 210 230 260 390 430 480 1000 1120 1250 1120 1250 1400 -30 -30 -30 0 0 0 60 60 70 290 320 350 290 320 350 530 580 630 配合   交叉滾子軸承的配合建議採用表9、10中的數值。 表9 RB、RE、RA型的配合 徑向間隙 使用條件 軸 軸承座     C0   內圈旋轉 負      荷 普通負荷 h5 H7 衝擊、力矩大 的情況   h5   H7   外圈旋轉 負      荷 普通負荷 g5 Js7 衝擊、力矩大 的情況   g5   Js7     C1   內圈旋轉 負      荷 普通負荷 j5 H7 衝擊、力矩大 的情況   k5   Js7   外圈旋轉 負      荷 普通負荷 g6 Js7 衝擊、力矩大 的情況   h5   k7 CC0間隙時的配合  對CC0間隙時的配合,為防止產生過大的預壓,請避免使用過盈配合。像機器人的關節部或旋轉部選用CC0間隙時,建議採用g5、H7的配合。 表10 RA…C型的配合 徑向間隙 使用條件 軸 軸承座   CC0 內圈旋轉負荷 h5 J7 外圈旋轉負荷 g5 Js7   C0 內圈旋轉負荷 j5 J7 外圈旋轉負荷 g5 K7 公稱型號的組成   只要按下列交叉滾子軸承的公稱型號進行聯繫。 HSK就能迅速地進行報價。 軸承座及側面壓緊法蘭盤的設計   因交叉滾子軸承是小型薄壁結構,所以要充分考 慮軸承或側面壓緊法蘭盤的剛性。 當外圈被分成2分割時,如果軸承座或側面壓緊法蘭盤及壓緊螺栓的剛性不足,就不能均等均固定內圈或外圈,在承受力矩負荷時軸承產生變形,滾子的接觸狀態會變得不均等,軸承的性能就會顯著地降低。 圖9 表示交叉滾子軸承的安裝例 軸承座   軸承座的壁厚,請按軸承斷面高度的60%以上為基準進行設計。 (D:外圈外徑尺寸  d:內圈內徑尺寸) 另外,如果設置內外圈拆卸用螺紋孔(圖10), 拆卸軸承時就不產生損傷。請避免在拆卸外圈時推內圈或拆卸內圈時推外圈。另外,側面壓板尺寸記載在尺寸表中,請參照靠肩部的尺寸。 側面壓緊法蘭盤及壓緊螺栓   側面壓緊法蘭盤的壁厚(F),法蘭盤部的間隙(S)值請以下述尺寸為基準。另外,儘管壓緊螺栓的數量是越多越安穩,請按表11的基準進行配置。 F = B × 0.5 ~ B × 1.2 H = B 0           -0.1 S = 0.5 mm   表11 壓緊螺栓的數量與螺栓尺寸 單位:mm 外圈外徑尺寸(D)   螺栓的 根數   螺栓的尺寸 (參考) 超出 以下 - 100 8根以上 M3~M5 100 200 12根以上 M4~M8 200 500 16根以上 M5~M12 500 - 24根以上 M12以上 同時,即使軸或軸承座的材料是輕合金時,側面 壓緊法蘭盤的材料還是建議採用鐵質材料。 擰緊壓緊螺栓時請用扭矩板手將螺栓結實地擰 緊。 軸承座或側面壓緊法蘭盤如果是用一般的中硬度 鋼材時,擰緊扭矩如表12所示。   表12 螺栓的擰緊扭矩 單位:N.m 螺栓的公稱型號 擰緊扭矩 螺栓的公稱型號 擰緊扭矩 M3 2 M10 70 M4 4 M12 120 M5 9 M16 200 M6 14 M20 390 M8 30 M22 530 1N‧m ≒ 0.102 kgf-m 潤滑  在交叉滾子軸承中,因已全部裝入了優質的鋰皂基潤滑脂2號,所以到貨後就可直接使用。但是,與一般的滾子軸承相比,內部空間容積少,並且對於潤滑劑來說是嚴酷的滾子滾動接觸構造,故必需定期補充潤滑脂。 補充潤滑脂是通過設在內外圈上的,與油構相連接的補充孔來進行的。補充間隔通常是,即使旋轉頻度少時也為每6個月~1年。補充潤滑脂時,請用同種的潤滑脂補充到軸承內部的每個地方。 同時,潤滑脂被裝滿後,由於潤滑脂的阻力初期旋轉扭矩會短時間地增大,等多餘的潤滑脂由密封部溢出後,不多久就會回到正常的扭矩值。另外,在薄型式中沒有設置油溝,請在軸承內徑側設置油溝,補充潤滑脂。 使用上的注意事項   操作 被分成2分割的內圈或外圈是用特殊的鉚釘或螺,栓螺母固定後不可分開的。直接裝入軸承座中使用。同時,如果間隔保持器的裝配錯了,對旋轉性能會有很大的影響。所以請不要隨便將軸承拆開。 (1) 內圈或外圈的接縫有時會多少有些偏離,在裝入軸承座之前,請將固定內圈或外圈的螺栓鬆動,用塑料錘進行修正後再安裝。(固定鉚釘會隨著軸承座而產生變形。) (2) 安裝或拆卸時,請不要給固定鉚釘或螺栓施加 外力。 (3) 請注意安裝零部件的尺寸公差,使側面壓緊法 蘭盤能從側面將內圈或外圈結實地壓緊。 安裝次序   安裝交叉滾子軸承時請按以下程序進行。   安裝前零部件的檢點 將軸承座或其他的安裝零部件進行洗淨,消除污 垢,並確認各零部件的毛刺是否已被除去。   往軸承座或軸裏插入 由於是薄壁軸承,插入時易發生傾斜,請用塑料錘等一邊找出水平,一邊在圓周方向均勻地敲打,一點一點地插入,直到能通過聲音確認與接觸面完全地靠緊時為止。   側面壓緊法蘭盤的安裝 (1) 將側面壓緊法蘭盤放置到位後,將其在圓周方 向來回搖動幾次,以調整安裝螺栓的位置。 (2) 安裝壓緊螺栓。用手擰螺栓時,確認沒有因螺 栓孔偏離引起螺栓難以擰入。 (3) 壓緊螺栓的擰緊由暫時擰緊到正式擰緊可分為3~4個階段,按對角線上的順序反復擰緊。在擰緊被分成2分割的內圈或外圈的壓緊螺栓時,擰緊過程中經常將一體型的外圈或內圈稍微轉動一下,就能使2分割部的偏離得到修正。

交叉滾子軸承RB型標準型(外圈分割型)

交叉滾子軸承RB型標準型(外圈分割型) RB型的內外圈尺寸被最小限度地小型化,其構造為外圈是2分割,內圈是一體的設計。最適合於要求的圈旋轉精度高的地方。

交叉滾子軸承RA…C型薄型(單一裂口型)

交叉滾子軸承RA…C型薄型(單一裂口型) RA…C型的主要尺寸與RA型相同,因只有外圈的1個地方被分裂,是容易安裝且極薄的型式,所以最適合於要求的內外圈高剛性.高精度的地方。

交叉滾子軸承RA型薄型(外圈分割型)

交叉滾子軸承RA型薄型(外圈分割型) RA型是將內圈和外圈的壁厚做得很薄的小型輕量的交叉滾子軸承。既小型又能承受重負荷,因此軸承座或側面壓緊法蘭盤都可輕量化,最適合於機器人的手部等旋轉關節部份。外圈是2分割的構造,用鉚釘固定後成為非分開型式。

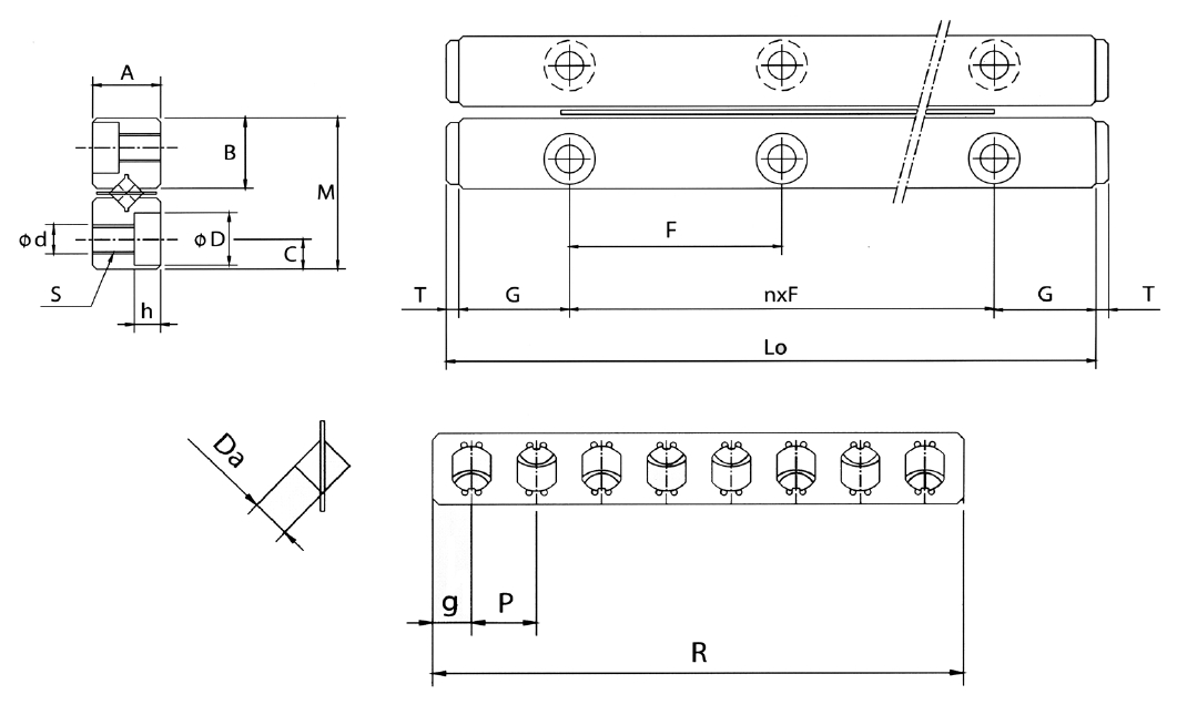
交叉滾子導軌R6系列

交叉滾子導軌R6系列

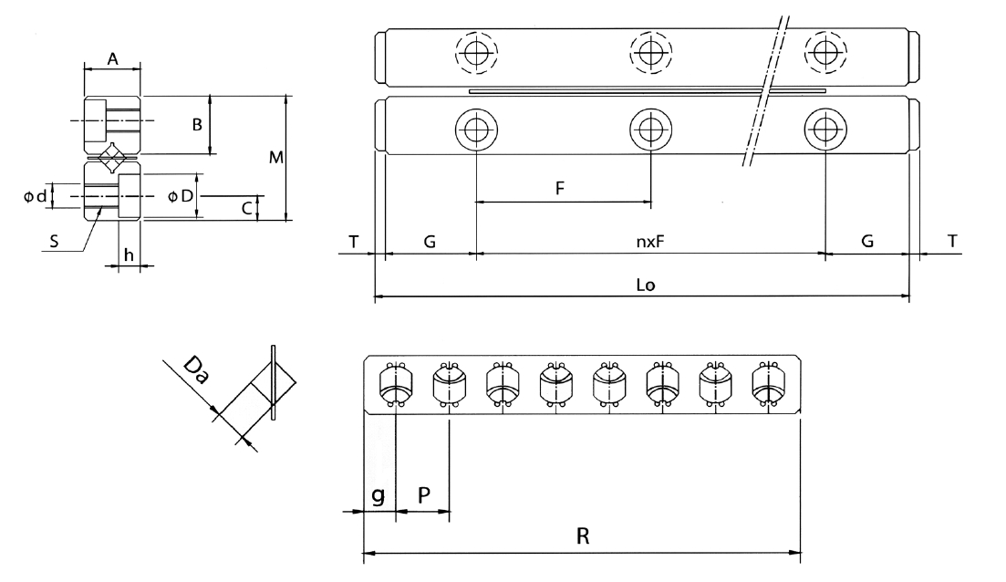
交叉滾子導軌R4系列

交叉滾子導軌R4系列

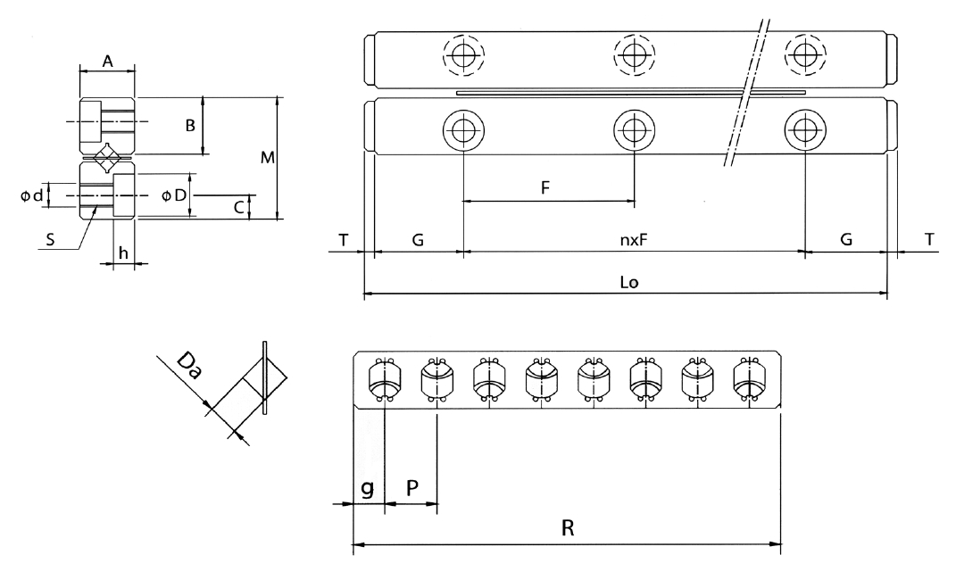
交叉滾子導軌R3系列

交叉滾子導軌R3系列

端桿、球面軸承HS型無潤滑、耐蝕型-選購品

端桿、球面軸承HS型無潤滑、耐蝕型-選購品     型號 外部尺寸 螺紋 夾持器尺寸   長度   L   直徑   D 寬度 B1 0 -0.1   S1   JIS等級2   W   0 -0.3   D1   D2   B   L1   L2 HS 5 35.5 17 8 M5×0.8 9 9 11 6 27 4 HS 6 39.7 19.5 9 M6×1 11 10 13 6.75 30 5 HS 8 48 24 12 M8×1.25 14 12.5 16 9 36 5 HS 10 57 28 14 M10×1.5 17 15 19 10.5 43 6.5 HS 12 66 32 16 M12×1.75 19 17.5 22 12 50 6.5 材料              夾持器        :鋁合金 球面內環      :SUJ2,58HRC以上 (耐蝕性表面處理) 滾珠襯套      :帶纖維特殊氟樹脂 與軸的配合  使用條件  軸的尺寸公差 正常負荷 h7 方向不定負荷 n6, p6 單位:mm    尺寸   球面內環尺寸   容許傾斜角 靜徑向 作用負荷   Cs   N 屈服應力 強度Pk N   質量     g   l   d   G7   滾珠直徑 Da mm(英寸)   d1   C   α1°   α2°   α3° 16 5 11.112(7/16) 7.7 0.3 7 13 30 5590 3920 9 16 6 12.7(1/2) 9 0.3 7 13 30 6860 5290 15 19 8 15.875(5/8) 10.4 0.5 8 14 25 9800 8330 26 23 10 19.05(3/4) 12.9 0.5 8 14 25 13200 10800 41 27 12 22.225(7/8) 15.4 0.5 8 13 25 16700 14700 60 間隙   單位:mm  徑向間隙 0.03以下 軸向間隙 0.1以下 左手螺紋的識 如果內螺紋是左手螺紋,加上"L"標記。 實際產品的夾持器上會標識"L"標記

端桿、球面軸承HB型無潤滑型-選購品

端桿、球面軸承HB型無潤滑型-選購品 單位:mm        型號  主要尺寸  滾珠直徑  容許傾斜角 靜徑向 作用負荷   質量 內徑d G7 外徑D h7 外環 寬度 B   ±0.1 內環 寬度 B1   0 -0.1   d1   C, r   Da   mm(英寸)   α1°   α2°   α3°   Cs   N   g HB 5 5 16 6 8 7.7 0.3 11.112(7/16) 7 13 30 13100 8.5 HB 6 6 18 6.75 9 9 0.3 12.7(1/2) 7 13 30 16900 13 HB 8 8 22 9 12 10.4 0.5 15.875(5/8) 8 14 25 28000 24 HB 10 10 26 10.5 14 12.9 0.5 19.05(3/4) 8 14 25 39200 39 HB 12 12 30 12 16 15.4 0.5 22.225(7/8) 8 13 25 52500 58 材料                                                                     外環           :鋅合金                  球面內環      :SUJ2,600Hv以上 (耐蝕性表面處理) 滾珠襯套      :帶纖維特殊氟樹脂 與軸的配合 有關軸和支撐座的配合,建議使用以下數值。 使用條件 軸 支撐座   內環旋轉負荷 正常負荷 m6   H7 方向不定負荷 n6   外環旋轉負荷 正常負荷 h7   M7 間隙 單位:mm 徑向間隙 0.03以下 軸向間隙 0.1以下 初潤滑 此型號可以不經潤滑使用。如果需要進行初潤滑時, 請將油或油脂加入球面部上。

端桿、球面軸承NB-T型無潤滑型

端桿、球面軸承NB-T型無潤滑型 單位:mm        型號   主要尺寸   滾珠直徑   容許傾斜角 靜徑向 作用負荷   質量 內徑d H7 外徑D h6 外環 寬度 B   ±0.1 內環 寬度 B1   0 -0.1   d1   C, r   Da   mm(英寸)   α1°   α2°   α3°   Cs   N   g NB 14T 14 34 13.5 19 16.9 0.7 25.4(1) 10 16 24 20200 84 NB 16T 16 38 15 21 19.4 0.7 28.575(1 1/8) 9 15 24 25200 111 NB 18T 18 42 16.5 23 21.9 0.7 31.75(1 1/4) 9 15 24 30800 160 NB 20T 20 46 18 25 24.4 0.7 34.925(1 3/8) 9 15 24 36900 210 NB 22T 22 50 20 28 25.8 0.7 38.1(1 1/2) 10 15 23 44800 265 材料                                                                     外環           :S35C          球面內環      :SUJ2,58HRC以上 (除內環內表面外鍍硬鉻) 滾珠襯套      :自潤性合成樹脂 與軸的配合 有關軸和支撐座的配合,建議使用以下數值。   使用條件 軸 支撐座   內環旋轉負荷 正常負荷 m6   H7 方向不定負荷 n6   外環旋轉負荷 正常負荷 h7   M7 方向不定負荷 k6 間隙 單位:mm 徑向間隙 0.035以下 軸向間隙 0.1以下 初潤滑 此型號可以不經潤滑使用。如果需要進行初潤滑時, 請將油或油脂加入球面部上。

端桿、球面軸承PBA型壓鑄型

端桿、球面軸承PBA型壓鑄型 單位:mm       型號   主要尺寸   滾珠直徑   容許傾斜角 靜徑向 作用負荷   質量 內徑d H7 外徑D h6 外環 寬度 B   ±0.1 內環 寬度B1 0 -0.1   d1   H   C, r   Da   mm(英寸)   α1°   α2°   α3°   Cs   N   g PBA 5 5 16 6 8 7.7 1 0.3 11.112(7/16) 8 13 30 7840 8.5 PBA 6 6 18 6.75 9 9 1 0.3 12.7(1/2) 8 13 30 9800 13 PBA 8 8 22 9 12 10.4 1 0.5 15.875(5/8) 8 14 25 16700 24 PBA 10 10 26 10.5 14 12.9 1.2 0.5 19.05(3/4) 8 14 25 23500 39 PBA 12 12 30 12 16 15.4 1.5 0.5 22.225(7/8) 8 13 25 31400 58 PBA 14 14 34 13.5 19 16.9 1.5 0.7 25.4(1) 10 16 24 40200 84 PBA 16 16 38 15 21 19.4 2.5 0.7 28.575(1 1/8) 9 15 24 50000 111 PBA 18 18 42 16.5 23 21.9 2.5 0.7 31.75(1 1/4) 9 15 24 61800 160 PBA 20 20 46 18 25 24.4 2.5 0.7 34.925(1 3/8) 9 15 24 73500 210 PBA 22 22 50 20 28 25.8 2.5 0.7 38.1(1 1/2) 10 15 23 88200 265 材料                                                                     外環           :高強度鋅合金(參見A-942) 球面內環      :SUJ2,58HRC以上 (除內環內表面外鍍硬鉻) 與軸的配合 有關軸和支撐座的配合,建議使用以下數值。   使用條件 軸 支撐座   內環旋轉負荷 正常負荷 m6   H7 方向不定負荷 n6   外環旋轉負荷 正常負荷 h7   M7 方向不定負荷 k6 間隙 單位:mm 徑向間隙 0.035以下 軸向間隙 0.1以下 潤滑 封入潤滑劑後再使用。 夾持器上有潤滑孔和油槽,可在必要時通過油嘴補充油脂

端桿、球面軸承PB型標準型

端桿、球面軸承PB型標準型 單位:mm       型號   主要尺寸   滾珠直徑   容許傾斜角 靜徑向 作用負荷   質量 內徑d H7 外徑D h6 外環 寬度 B   ±0.1 內環 寬度B1 0 -0.1   d1   H   C, r   Da   mm(英寸)   α1°   α2°   α3°   Cs   N   g PB 5 5 16 6 8 7.7 1 0.3 11.112(7/16) 8 13 30 7840 8.5 PB 6 6 18 6.75 9 9 1 0.3 12.7(1/2) 8 13 30 9800 13 PB 8 8 22 9 12 10.4 1 0.5 15.875(5/8) 8 14 25 16700 24 PB 10 10 26 10.5 14 12.9 1.2 0.5 19.05(3/4) 8 14 25 23500 39 PB 12 12 30 12 16 15.4 1.5 0.5 22.225(7/8) 8 13 25 31400 58 PB 14 14 34 13.5 19 16.9 1.5 0.7 25.4(1) 10 16 24 40200 84 PB 16 16 38 15 21 19.4 2.5 0.7 28.575(1 1/8) 9 15 24 50000 111 PB 18 18 42 16.5 23 21.9 2.5 0.7 31.75(1 1/4) 9 15 24 61800 160 PB 20 20 46 18 25 24.4 2.5 0.7 34.925(1 3/8) 9 15 24 73500 210 PB 22 22 50 20 28 25.8 2.5 0.7 38.1(1 1/2) 10 15 23 88200 265 PB 25 25 56 22 31 29.6 3 0.8 42.862(1 11/16) 9 15 23 111000 390 PB 30 30 66 25 37 34.8 3 0.8 50.8(2) 10 17 23 148000 610 材料                                                                     外環           :S35C 球面內環      :SUJ2,58HRC以上 (除內環內表面外鍍硬鉻) 滾珠襯套        :特殊銅合金 與軸的配合 有關軸和支撐座的配合,建議使用以下數值。 使用條件 軸 支撐座   內環旋轉負荷 正常負荷 m6   H7 方向不定負荷 n6   外環旋轉負荷 正常負荷 h7   M7 方向不定負荷 k6 間隙 單位:mm 徑向間隙 0.035以下 軸向間隙 0.1以下 潤滑 封入潤滑劑後再使用。 夾持器上有潤滑孔和油槽,可在必要時通過油嘴補充 油脂。

端桿、球面軸承NOS-T型無潤滑、外螺紋型

端桿、球面軸承NOS-T型無潤滑、外螺紋型     型號 外部尺寸 螺紋   S1   JIS等級2 夾持器尺寸   長度   L   直徑   D 寬度 B1 0 -0.1   B   +0.1 -0.4   L1 NOS   3 T 33 12 6 M3×0.5 4.5 27 NOS   4 T 37 14 7 M4×0.7 5.3 30 NOS   5 T 41 16 8 M5×0.8 6 33 NOS   6 T 45 18 9 M6×1 6.75 36 NOS   8 T 53 22 12 M8×1.25 9 42 NOS 10 T 61 26 14 M10×1.5 10.5 48 NOS 12 T 69 30 16 M12×1.75 12 54 NOS 14 T 77 34 19 M14×2 13.5 60 NOS 16 T 85 38 21 M16×2 15 66 NOS 18 T 93 42 23 M18×1.5 16.5 72 NOS 20 T 101 46 25 M20×1.5 18 78 NOS 22 T 109 50 28 M22×1.5 20 84 材料                                                                             夾持器        :S35C(鍍鉻處理) 對於NOS3T和NOS4T , S20C 球面內環      :SUJ2,58HRC以上 (除內環內表面外鍍硬鉻) 滾珠襯套   :自潤性合成樹脂 與軸的配合  使用條件  軸的尺寸公差 正常負荷 h7 方向不定負荷 p6 單位:mm  夾持器 尺寸   球面內環尺寸   容許傾斜角 靜徑向 作用負荷 Cs   N   質量     g l d   H7 滾珠直徑   Da mm(英寸) d1 C α1° α2° α3° 15 3 9.525(3/8) 7.4 0.3 8 10 42 1570 4.5 17 4 10.3197(13/32) 7.6 0.3 9 11 35 2250 7 20 5 11.112(7/16) 7.7 0.3 8 13 30 3430 12.5 22 6 12.7(1/2) 9 0.3 8 13 30 4900 19 25 8 15.875(5/8) 10.4 0.5 8 14 25 6860 32 29 10 19.05(3/4) 12.9 0.5 8 14 25 9410 54 33 12 22.225(7/8) 15.4 0.5 8 13 25 11000 85 36 14 25.4(1) 16.9 0.7 10 16 24 15200 126 40 16 28.575(1 1/8) 19.4 0.7 9 15 24 20200 185 44 18 31.75(1 1/4) 21.9 0.7 9 15 24 25200 260 47 20 34.925(1 3/8) 24.4 0.7 9 15 24 27800 340 51 22 38.1(1 1/2) 25.8 0.7 10 15 23 35900 435 間隙                                                                           單位:mm                    徑向間隙 0.035以下 軸向間隙 0.1以下 潤滑 封入潤滑劑再使用。夾持器上有潤滑孔和油槽, 可在必要時通過油嘴補充油脂。為了潤滑產品,從POS5和6的夾持器油孔中重新加入油脂,或者從其他模型的油嘴加入。   左手螺紋的識別 如果內螺紋是左手螺紋,加上"L"標記。實際產品的夾持器上會標識"L"標記。

端桿、球面軸承POS型外螺紋型

端桿、球面軸承POS型外螺紋型     型號 外部尺寸 螺紋   S1   JIS等級2 夾持器尺寸   長度   L   直徑   D 寬度 B1 0 -0.1   B   ±0.1   L1 POS 5 41 16 8 M5×0.8 6 33 POS 6 45 18 9 M6×1 6.75 36 POS 8 53 22 12 M8×1.25 9 42 POS 10 61 26 14 M10×1.5 10.5 48 POS 12 69 30 16 M12×1.75 12 54 POS 14 77 34 19 M14×2 13.5 60 POS 16 85 38 21 M16×2 15 66 POS 18 93 42 23 M18×1.5 16.5 72 POS 20 101 46 25 M20×1.5 18 78 POS 22 109 50 28 M22×1.5 20 84 POS 25 124 60 31 M24×2 22 94 POS 30 145 70 37 M30×2 25 110 材料                                                                             夾持器        :S35C(鍍鉻處理) 球面內環      :SUJ2,58HRC以上 (除內環內表面外鍍硬鉻) 滾珠襯套      :特殊銅合金 與軸的配合  使用條件  軸的尺寸公差 正常負荷 h7 方向不定負荷 p6   夾持器 尺寸     油嘴   球面內環尺寸   容許傾斜角 靜徑向 作用負荷 Cs   N   質量     g l d   H7 滾珠直徑   Da mm(英寸) d1 C α1° α2° α3° 20   - 5 11.112(7/16) 7.7 0.3 8 13 30 3430 12.5 22 6 12.7(1/2) 9 0.3 8 13 30 4900 19 25         PB107 8 15.875(5/8) 10.4 0.5 8 14 25 6860 32 29 10 19.05(3/4) 12.9 0.5 8 14 25 10800 54 33 12 22.225(7/8) 15.4 0.5 8 13 25 16700 85 36 14 25.4(1) 16.9 0.7 10 16 24 20600 126 40 16 28.575(1 1/8) 19.4 0.7 9 15 24 25000 185 44 18 31.75(1 1/4) 21.9 0.7 9 15 24 29400 260 47 20 34.925(1 3/8) 24.4 0.7 9 15 24 34300 340 51 22 38.1(1 1/2) 25.8 0.7 10 15 23 41200 435 57   A-M6F 25 42.862(1 11/16) 29.6 0.8 9 15 23 72500 650 66 30 50.8(2) 34.8 0.8 10 17 23 92200 1070 間隙                                                                           單位:mm                    徑向間隙 0.035以下 軸向間隙 0.1以下 潤滑 封入潤滑劑再使用。夾持器上有潤滑孔和油槽, 可在必要時通過油嘴補充油脂。為了潤滑產品,從POS5和6的夾持器油孔中重新加入油脂,或者從其他模型的油嘴加入。   左手螺紋的識別 如果內螺紋是左手螺紋,加上"L"標記。實際產品的夾持器上會標識"L"標記。